Fórum témák
» Több friss téma |
Fórum » Szünetmentes táp javítása, élesztése
Témaindító: Thomas10100, idő: Aug 13, 2006
Témakörök:
Sziasztok!
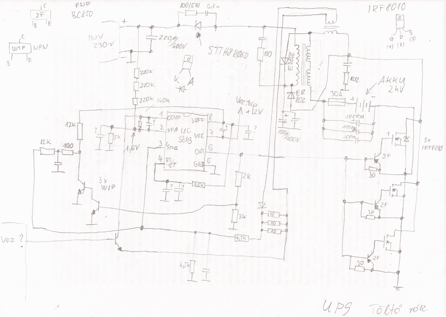
Itt hever az asztalomon egy Centralion Claire 1000/700 -as táp. Az a baja, hogy a behelyezett aksit nem tölti, addig működik amíg van benne szufla. Cseréltem benne egy uc3843-as ic-t de nem oldódott meg. Ez az ic felelős a power fetek vezérléséért ami töltené az aksit. De ezek szerint máshol van a gond, de nem tudok rájönni. Kapcsolási rajzom sincs, sehol nem találok. Esetleg tudna valaki segíteni? Meglehetősen bonyolult a nyákja és nem igazodok el rajta. A képről: - jobb oldalon van a power fwt rész 3 fettel, ezek szvsz jók, vezérlést nem kapnak - R45 lenti végén jön le az előállított 230-ból leosztva: 1.6V (az IC doksija szerint ezt komparálja a belső 2.5 V-al), tehát már ez is zavar, hogy miért csak ennyi? - jól látható az ic csere helye (UC3843N), a jobb felső az 1-es lába - D13 egy árammérő körhöz tartozik, a panel másik felén van egy áramváltó tekercs, onnan jön, de mivel nincs töltés, ez nyilván nulla áramot jelent - a tranzisztorok W1p tipusúak (PNP), nyákban mérve jónak tűnnek. - az IC 6os lábáról jönne le a PWM jel, mely vezetőcsík a C34től jobbra lévő forrszemben, majd az R62 alatti veztőben végződik, Közben átkötések vannak, de jól látszik mi az átkötés.
Mivel eddig nem érkezett válasz és semmivel nem jutottam előrébb, lerajzoltam a töltő részét. A vezérlő egy mikroprocesszoros fianyák. A szoftverével kommunikál, és azt jelzi, hogy tölt, de valójában nem! Addig megy a táp amíg le nem merül az akku. Az akku zsír új, külön töltővel feltöltöttem. A diszkrét alkatrészek panelben mérve jónak tűnnek.
Az a kérdés, hogy mi a feltétele, hogy a töltés elinduljon? A hozzászólás módosítva: Feb 15, 2014
Két diódát fordítva rajzoltam, itt a korrigált rajz.
Sziasztok!
Sajnos még mindig nem jutottam előbbre a szünetmentesemmel. APC Smart-UPS 1000. Most két jó, de eltérő életkorú aksi van benne. A panelen a kondikat lecseréltem a nagy puffer kivételével. Viszont a problémám sajnos nem javult meg. A szünetmentes egy másodpercre kb bekapcsol, utána nem csinál semmit, csak pittyeg, amíg a gombját nyomva tartom. Konnektorba dugva búg, de nem tölti az aksikat, mert egy éjszaka alatt is észrevehetően esik a feszültségük, valamint a gomb nyomására semmilyen reakciót nem tapasztalok. Tudtok segíteni? Üdv: spgabor
Tölts fel róla képeket. A belsejéről.
24V-os? Akku nélkül hány V DC-t ad a töltővezetékre? A hozzászólás módosítva: Feb 17, 2014
Oké, este lefényképezem a belét, reggel feltöltöm. A töltővezetéken, ha jól rémlik nem ad le semmit. De megmérem azt is.
Amúgy 24V-os, két akksis sorba kötve. Ugyan ilyen, mint a képen.
Szia,
Előrebocsájtom a kérdéses UPS-hez nem konyítok. Amiben talán tud segíteni a hozzászólásom: - Az UC3843N 8-s lábán a VREF elvben 5V az adatlapok alapján, nem 2,5 V mint írtad - UC3843N tápfeszültsége a 7-s lábon rendben megvan, mennyi az 5-s lábhoz képest ? - UC3843N 4-s lábon milyen a jel, szkóppal tudod ellenőrizni ? - A vezérlőtől jövő vezetékhez csatlakozó tranzisztor lábain milyen feszültségek vannak ? üdv:
Szia!
Csináltam képeket és megmértem. Van a működéséről videó is, ha segít esetleg a hiba feltárásban. Ha a tápot úgy csatlakoztatom, hogy nincs rá akssi kötve, akkor nem csinál semmit és nem ad le feszt a töltővezetékre. Megmértem, hogy ha aksival kapcsolom be, bekapcsolás után az aksik feszültsége hirtelen el kezd esni. Pár óra múlva beáll kb 17,5 V-ra. Valamint ha lehúzom az aksikat bekapcsolás után egyből, akkor is ennyi jelenik meg a vezetéken. Csatolok képeket. Üdv: spgabor A hozzászólás módosítva: Feb 18, 2014
Még pár kép:
Üdv ! legyenszíves valaki küldjön egy szünetmentes tápról egy kapcsolási rajzot előre is köszönöm
Tessék, itt van egy. Csak nem tudom, mire mész vele?
Bocs, most látom, hogy magamnak válaszoltam, amikor a képeket csatoltam, de Neked akartam. Még egyszer bocsi.
Sziasztok!
Azt szeretném megkérdezni, hogy a csatolt képen lévő szünetmentes tápegységben vajon lehet-e túlfeszültség elleni védelem is. Illetve, hogy ha akkukról megy a táp akkor zizegő hangot ad ki(minél nagyobb a terhelés, annál hangosabb ez a hang. Vajon ez annak a hangja hogy a trafó vaskereten mozog a réz huzal? Esetleg ránézésre hány W os lehet? 30A-es biztosíték van az akkuknál. A hátulján van egy táblázat, ott a 30A-esre 600VA van írva. Ez reális érték?
UP-Selec. Itt nincs kifejezett, többlépcsős túlfeszvédelem. A 30 A 24 V-ról nyersen 720 W, arra reális 600 VA-es terhelhetőség. A zúgás a négyszöges üzemi frekvencia és a trafó viszonya miatt van, normális.
A hozzászólás módosítva: Feb 24, 2014
Urak, keresek egy vezérlőt rackes 1500-as SMART UPS-hez:
PLCC tokozású, felirata: PD7732-0001B rev. .3, ver. 3.6G
Nagyon szépen köszönöm a választ. Még annyi maradt le az előző kérdésekből, hogy van az elején 3 LED. AC NORMAL(zöld) BATT(sárga) ABNORMAL(piros). A zöld világít rendesen amikor feszültség alatt van. a másik kettőt viszont még sosem sikerült működésre bírnom. Használtan vettem és így sajnos nincs hozzá használati útmutatóm és neten sem találtam semmilyen leírást hozzá. A kérdés tehát az hogy a BATT és az ABNORMAL mikor működik. Még annyi hogy bekapcsoláskor a batt felvillan és elalszik. Amikor akkuról megy akkor egyik LED sem világít.
Sziasztok,
esetleg valaki tud segítséggel szolgálni a fenti hiba megoldásában? Köszi és üdv: spgabor
Szia!
Nekem is "jött" egy (centralion claire 1000) ugyan ilyen szünetmentes-tápegység, mint a tiéd részben ugyan azzal a hibával. Úgy kezdődött, hogy ez is túl merítette az akkukat ( nem töltötte), de ezután új, jó akksikra cserélve már el sem indult. Az "on/off" gombot megnyomva szaggatottan sípol, a LED világít, viszont az AC kimeneten feszültség nem mérhető... Hálózatra dugva sem változik ez. Az lenne a kérdésem, hogy sikerült-e neked megtalálni a hibát, ami a tiédet illeti? Valaki tudna-e kapcsolási rajzot a fenn említett típushoz? Minden segítséget köszönettel veszek a tapasztaltabbaktól.
Sziasztok!
Van nálam egy APC smart ups 1000-es szünetmentes, pár éve állt már, de már előtte is rosszak voltak benne az akkuk. De... attól még, hogy rosszak az akkuk attól még kellene csippannia, villognia/világítania valaminek magán az ups-en, nem de? Na ez nem csinál semmit. Biztosítékot nem lőtte ki, nyákon sincs semmi se szétolvadva, szétégve. Ez a típus csak akkor ad magáról életjelet, ha jó benn az akku?? Mi lehet a gond?
Akku kell neki. Helyesebben 24 V betáp az akkusarukon keresztül.
17,5 V nagyon kevés, nem szabad ennyire engedni az akkukat kisülni. Lehet, hogy az egyik hibás is. Melyik relék húznak meg? Mi a pontos típusa a gépnek?
Milyen akkut érdemes ezekhez venni? Értem ezalatt, hogy pl motorba való 12V-os akku is jó-e hozzá, vagy ragaszkodni kell a sablon UPS akkukhoz?
A két aksi elvileg mind jó, mert egy aksik szünetmentesbe bírnak 20-30 perceket. Azt, hogy melyik relé húz be, azt nem tudom, mert nem néztem. Veszek ma két új aksit bele és kipróbálom hétvégén.
Típusa APC Smart-UPS VS1000I, csatoltam a hátulján lévő matricát is.
Közben olvasom az APC oldalán, hogy ebbe RBC6 akku kell, ami 12Ah-s. Amit beleraktam egy aksikat, azok csak 7,2Ah adnak le. Lehet, hogy a kisebb kapacitás miatt nem indul?
Biztos, hogy nem amiatt. De mérd meg az akkukon a feszültséget külön-külön. Az egyik haldoklik, szinte biztos. Ha meg a belső ellenállás nagy, az induláskor okozhat gondot (de ettől még mennie kéne, csak az önteszt sikertelen marad, akkucsere-igényt jelez a táp).
Ha nem drága az akku, akkor veszek bele kettőt, max ha nem lesz jó, meghirdetem őket. Amikor feltöltöttem egy aksis szünetmentessel őket, akkor 13V-ra mentek fel. De alapból, amikor sokat merítette a szünetmentes őket, akkor is csak 12-re estek vissza.
Akkor újban a 7,2-es is elég? Max kevesebb a tartásidő? A hozzászólás módosítva: Feb 28, 2014
Üdv.
Egy kis segítséget szeretnék kérni hátha találkozott már valaki ilyen hibával. Szünetmentes típusa: Aros 1500VA Rendszertelen időközönként elfelejti hogy van benne akksi. Elkezd sípolni mint áramszünetnél. Ilyenkor PC-n saját prog-al, battery test és megy tovább. Áramszünet esetén tökéletesen megy. Valamikor havonta csinálja, máskor hetente...
Nekem pedig az a problémám, hogy APC Back UPS CS 350 kimeneten akkuról 160V körüli feszültséget mérek multiméterrel és nemtudom miért. Ha van rákötve fogyasztó, pl egy PC akkor 180V-ra megy fel. Kuka a szünetmentesem?
Mérni meg kell tanulni. A szünetmentesed valószínűleg trapéz hullámformát ad a kimenetén, és a multimétered ezért hülyeséget mutat....
A hozzászólás módosítva: Márc 16, 2014
|
Bejelentkezés
Hirdetés |






























