Fórum témák
» Több friss téma |
- Ez a felület kizárólag, az elektronikában kezdők kérdéseinek van fenntartva és nem elfelejtve, hogy hobbielektronika a fórumunk!
- Ami tehát azt jelenti, hogy a nagymama bevásárlását nem itt beszéljük meg, ill. ez nem üzenőfal! - Kerülendő az olyan kérdés, amit egy másik meglévő (több mint 17000 van), témában kellene kitárgyalni! - És végül büntetés terhe mellett kerülendő az MSN és egyéb szleng, a magyar helyesírás mellőzése, beleértve a mondateleji nagybetűket is!
Az szép, azon próbáltam, de semmi :S A többi csatorna csak "átmegy" rajta, szóval mintha a teljes frekisávot átengedné, szóval ha kapcsolgatom a videó tunerét, nem változik a TV-n semmi. Ha elindítok egy kazettát, akkor sem.
Ezek szerint meg kell várnod, hogy visszakapd a kábeledet. Még az is lehet, hogy a menüben van kikapcsolva az RF modulátor, már ha a készülék olyan, hogy ilyet lehet csinálni vele..
Lehet
Amíg nem látom a menüjét, esélytelen Mondjuk most esett le, hogy van ithton olyan távirányító, ami jó lehet hozzá.Köszi !
Sziasztok.
Lenne egy olyan problémám hogy vettem egy ledes lápát ami lapra van szerelve. Mivel tudnám szigetelni hogy ne okozzon neki gondot akár az eső víz. De viszont könnyedén lehessen megbontani mert későbbiekben szükséges lesz a bővítése és a csatlakozót valahogy fel kell szabadítani. És nem szabad elszíneződni neki. Tudnátok tanácsot adni hogy ilyen anyagot minek nevezik hogy keresem? Az sem baj ha van némi vegyi anyag ellenállása is. Mert tehénistállóba lenne elhelyezve. (ammónia) Előre is köszönöm a segítséget.
Sziasztok!
Alábbi rajzot vettem le egy nyákról. Pontosan milyen kapcsolás ez? Miként bővítsem, hogy folyamatos hajókürt-hangot kapjak? IC típusa: GE6066, A1164791 Segítséget köszönöm. A hozzászólás módosítva: Nov 2, 2014
Az IC-nek mi a típusa?
IC típusa: GE6066, A1164791
Hello! Hogy milyen kapcsolás ez? Rossz! Mert így nem működne. Így sem szép, de legalább elvben működőképes.
De ezeknek a tranyóknak csak a jel erősítésében van szerepük, a hangot az IC generálja. Tehát azt kellene helyettesíteni. (De ne kérdezd mivel.) Én a helyedben ezt eladnám, és vennék egy tényleges levegős kürtöt. Ha már ez a fixa ideád..
Helló! Mekkora a ledpanel maga? Egy halogén reflektor dobozába nem férne el esetleg?
Helló.
Nem sajnos. szélessége kb 7 cm hossza kb 30 cm. Kb olyan mint egy szélesebb fa vonalzó. Próbáltam keresni rá neon lámpatestet de használtan is igencsak drágán találtam.
Köszönöm a válaszod, tanácsodat megfogadom.
Üdv.: Beginner2014
5 literes csavaros tetejű befőttes üveg? A tetejébe szerelsz a kábelnek egy tömszelencét és szinte légmentes lesz.
A hozzászólás módosítva: Nov 3, 2014
Sziasztok!
Szükségem lenne -5V feszültségre (stabil) erre ugye ott a 7905 IC, de van más módja is ezt a feszültséget előállítani?
Persze, hogy van. Csak hát azt nem tudjuk, milyen áramforrásod van, és mekkora terhelhetőségű -5V kell.
Bővebben: Link Csak az ICl7107 26. lábát kell ellátnia. A táp 12V AC, de a panelon található stabil 5-8V is
A hozzászólás módosítva: Nov 3, 2014
Hello! Ha megnéznéd az IC saját topikját, akkor lehet több módját is megtalálnád, hogyan lehet a -5V-ot előállítani..
Nem jót keresel: Bővebben: Link.
Köszönöm! Ezt is próbáltam, lehet mikor ezt kerestem nem állítottam át cikkekről fórum keresésre
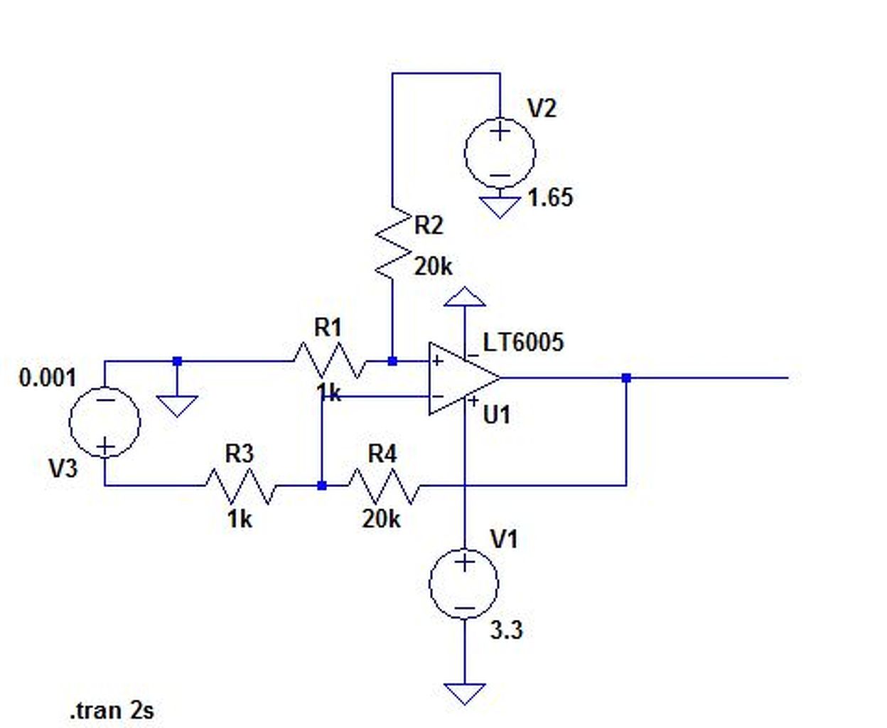
Ennek a kapcsolásnak elvileg 20x a feszültségerősítése. De miért?
20 k /1 k az szerinted mennyi? Persze csak közelítőleg, de jó közelítéssel, mert az erősítő nyílthurkú erősítése nem végtelen, csak nagyon nagy.
Elég nagy butaságot kérdeztem. Az offset zavart meg. Köszönöm azért!
Ej, ez a kezdő kérdések topicja.......
Azért kérdezi, mert nem tudtja, hogy egy (ideális) műveleti erősítőnél a két ellennállás hányadosa a feszültségerősítés. (Most csak röviden.)
Az offsetnél pedig követelmény, hogy mindkét bemenet ugyanakkora impedanciát lásson. Ezért a neminvertáló bemenet ellenállása Rs II Rv
Sziasztok,
Nagyából tisztában vagyok az áramköröket alkotó alkatrészek működésével viszont hiányosságaim is vannak. Érdekel az áramkörök analízise, hibafeltárás, viszont nemigen van lehetőségem ezeket gyakorolni a mindennapi életben. Esetleg nem is mertek a neten valamilyen oldalt ahol ilyen jellegű feladatok lennének vagy ilyesmi, vagy valami jó ötlettel nemtudnátok ellátni ezzel kapcsolatban? Válaszokat előre is köszönöm!
Szia!
Ha a "nagyjából"-t eltünteted a "tisztában vagyok" elől, akkor mindenféle tréningek nélkül is menni fog a hibafeltárás. Tessék tanulni, áramköröket építeni, szimulátorozni!
Üdv!
Épp átköltöztettem a tesztpanelem a kijelölt helyére kipróbálás céljából, de valamiért nem akar működni. Élősszőr csak az AVR programja nem indult el aztán rájöttem, hogy... mégsem... Tünetek: Van egy régi 12vdc-s fali tápegység, ami 400mA-es elvileg. Valóságban: terhelés nélkül kb. 17V-ot ad le, terheléssel meg kb. 24V-ot. Ezt egy LM1084-3.3-as fesz szabályzóval szabályozom le. (FK301A borda van rajta) Ha csak a "power-on" jelző ledeket kötöm be, akkor megvan a 3,3V. Ha ráteszem az AVRt (és az ENC28J60-t) akkor lesik kb 100mV-ra. Mértem ampert is.... 0mA. Ilyennel még nem találkoztam, plz valaki meg tudja mondani mi is történik itt? |
Bejelentkezés
Hirdetés |




Amíg nem látom a menüjét, esélytelen
Mondjuk most esett le, hogy van ithton olyan távirányító, ami jó lehet hozzá.










