Fórum témák
» Több friss téma |
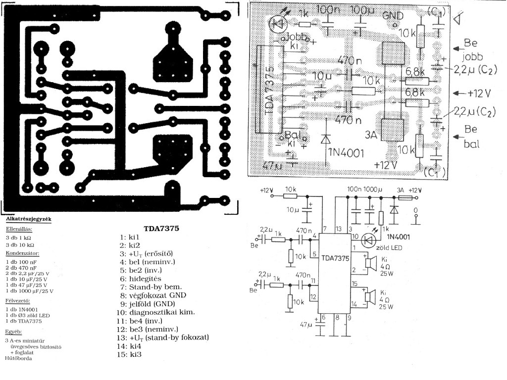
Az a 4 nagy elkó az mi lenne? Tápszűrés?
Illetve mekkora tápfeszről hajtod, hogy 3 A bizti van benne?
Köszönöm! Üdv.: Furko
A hozzászólás módosítva: Szept 22, 2013
Szia!
A mellékelt rajzon is 3A-es biztosíték szerepel, én is ezt terveztem bele. De ha sokallod rakhatsz kisebbet. A nyák egyenlőre teszt céljából készült, lehet hogy autóba építem bele, de az is lehet hogy bedobozolom. Dobozolás esetén kb 16V lesz a tápfesz. Kondenzátorom volt itthon bőven, ezért raktam bele négyet, de ezt sem kötelező mindet beletenni. Üdv.: Furko A hozzászólás módosítva: Szept 22, 2013
Ja értem, úgy okés ennyi kondi ha nem lesz neki külön táp panel, de ha lesz akkor érdemesebb arra.
![]() A biztit csak azért kérdeztem mert inkább keveslem. 16 V-ról 2x24 W teljesítményre képes az erősítő 4 Ohmon, ez ugye 48 W, kerekítsük fel 50 W-ra. A végfok hatásfoka ekkora teljesítménynél ~70%, tehát azt jelenti összesen ~72 W teljesítményre van szüksége és az bizony 16 V-ról 4,5 A. Igaz, hogy itt az áramok elég rövid ideig tartanak, de akkor sem érdemes alul méretezni, szerintem. Ha 8 Ohmról hajtod akkor nyilván ez kisebb és nem szóltam. ![]() Persze az is lehet, hogy én tudok valamit rosszul... ![]() A rajzon lévő ellenállások és kondik (a 470 nF kivételével!) az audio jel bemenet lábain (4, 5, 11, 12) pedig teljesen feleslegesek, sőt hülyeségek! ![]() A 2 ellenállás leosztja a jelet, hol ott a végfoknak van saját impedanciája. Akkora nagy kondi teljesen felesleges oda a 470 nF bőven átviszi a mélyet is, nagyon extrém esetekben lehetne 1 uF, de akinek olyan hangfala van, hogy megszólaltja az annyira alacsony frekvenciákat is, nos az nem ilyen erősítőt épít szerintem... ![]() A 2,2 µF elkó polaritása pedig erősen kérdéses, az audio jel felé (balra) van a + lába, hol ott DC feszültség ott biztosan nincsen, azaz pl. egy MP3 lejátszón. Ellenben jobbra tőle van DC feszültség a 470 nF leválasztó kondin. Na mindegy a lényeg, hogy működik! A hozzászólás módosítva: Szept 22, 2013
Igazad van, a bemeneteken nekem is csak a 470n kondik vannak, többi ellenállás és kondi teljesen felesleges.
A biztosítékon nem gondolkoztam 3A volt a rajzon ezt az értéket írtam a beültetési rajzra. Nekem most 10A van benne, ez volt itthon.
Hello!
Én most kaptam kis sub dobozt.Labtec LCS 2424. Ilyen ic van benne de hiába tápfeszre kapcsolom meg se mukkan. Szerintetek mivel kezdjem cseréljem ki az ic-t.
Szia! Le kéne mérni valamennyi láb feszültségét testhez képest, abból megállapítható van-e élet az IC-ben. A 3, 13 a pozitív, ha ott nincs feszültség akkor ne is mérj tovább, táphiba.
Megmértem mind a két helyen 14 volt van.
Akkor lássuk a többit!
Mire gondolsz?
Mint javasoltam, minden láb feszültségét mérd meg! Bemenetek, kimenetek, stby, diagnosztika és a bypass kondit is.
Sehol semmi a 10-es lábon 0.01volt a többin semmi csak a két táp lábon.
Van benne egy tl074-es ic minden lábán 6,3 volt van.Ez igy ok?
Az IC készenléti állapotban van. A 7-es lábán legalább 5V-nak kéne lenni. Nyomozd ki miért nem megy oda feszültség! Ha nincs zárlat a 7-es és a test között, akkor egy 10k ellenállással kösd tápra!
Bővebben: Link
amig méregetem egyszer csak elkezdett bugni ahogy a bemeneti lábához értem.
Utána megint semmi.Észre vettem,hogy ki van folyva a puffer kondi.6800/25v.Ilyen nincs itthon csak 2000/25v de ezzel hamar leül a táp ha hozzáérek a bemenethez. Az ic borda nélkül van és olyan mintha 5 másodperc után letiltana.
A puffer akkor folyik ki általában ha fordított polaritást kap. Az IC-nek sem szokott jót tenni. Elég rosszul állnak a dolgok
Sziasztok!
Megépítettem furko nyákterve alapján az erősítőt, de sajnos nem tudom működésre bírni. A standbyhoz 10k helyett 7k-t raktam, az ellenállás után a standby lábon 2,06V-ot mérek. A működő nyákon itt 12v van. Létezik, hogy zárlatos lett a standby tranyó a hosszú ideig tartó forrasztástól? Vadi új volt az ic csak hibas nyákba forrasztottam be, de meg kipróbálás előtt rájöttem, hogy rossz a nyák, ezért ki kellett vennem, de nehezen adta magát.
Szia! A rövidzár (test felé) figyelője is küldhet áramot a 7-es lábra. Az adatlap 9-10. oldalán bukkantam rá.
Hídban tetted rá a hangszórót, vagy használsz csatolókondit a kimeneten?
Nézd át a kimenet környékét, alakulhatott-e ki a test felé zárlat, vagy átvezetés!
Helló. Egyik volt osztálytársamtól kaptam egy nyákot amin van 2db TDA7372B ic. Szeretnék belőlük építeni egy erősítőt. Sajnos nem találtam konkrétan erről az icről szóló beszélgetést ezért írok ide. Ha esetleg valaki tudna nekem csatolni egy kapcsolási rajzot illetve egy nyák tervet azt nagyon megköszönném.
Szia!
Keresd meg az adatlapját, abban vannak gyári ajánlások. Ha a lábkiosztás kompatibilis a TDA 7375-el, akkor pár hozzászólással feljebb tettem közzé nyáktervet a hidalt verzióhoz. Itt találod. A hozzászólás módosítva: Szept 9, 2014
Köszi a kapcsolási rajzot. (tisztázzuk azt, hogy Én hobbi szinten vagyok, tehát semmit nem tudok erről a dologról.) szeretném megtudni, hogy hány V-os tápfeszültséget kapcsoljak rá? Hány A-es biztosítékot tegyek neki? (4-8 ohmos terhelés esetén, mert még nem tudom a pontos felhasználását) a "ST-BY" és "MUTE" csatlakozási pontra mit kössek? Illetve a hűtőbordát szigeteljem el a negatívtól vagy nembaj ha összeér (amennyiben kell-e hűtőborda rá) és utoljára, hogy ez hány wattos erősítő lesz csatornánként? Szerintem ennyi elég lesz nekem ahhoz h megépítsem az erősítőm.
Szerintem kezdésnek egy 12V-al kezdj, hűtés mindenképp kell rá elszigtelve( a csavarra is figyelni kell!), a ST-BY lábbal ne foglalkozz azt hagyd ki, nem szükséges min ahogyan a mute sem, de ha igen írj és azt is elmondom, ha megcsinálod akkor lesz 4*6W-od 4 ohmra ami olyan 4*2-3 körül van 8 ohmon!
Esetleg nem lehet össze kötni a csatornákat úgy, hogy 1 csatorna legyen? Mert 2 db ic-m van és nem tervezek 8 db hangszórót hajtani csak 2db-t. A biztosíték kérdésemre elfelejtettél válaszolni, és a biztosítékot a tápba kell kötnöm igaz? Érdekelne a MUTE és a ST-BY funkció is. Egyen vagy váltakozó feszültséget kíván a rendszer?
2 csatorna kéne, mert a másik ic nem ugyan olyan. Annak majd keresek egy másik kapcsolást.
Hol, hogy tudom megkeresni, hogy a lábkiosztása ugyan az a 2 ic-nek? Mit keressek konkrétan?
|
Bejelentkezés
Hirdetés |












