Fórum témák
» Több friss téma |
Mielőtt kérdezel, a következő két dolgot ellenőrizd!
I. A helyes tápfeszültségek megléte.
II. A kimeneten van-e egyenfeszültség.
Élesztés.
Sziasztok!
König AMP2400KN végerősítővel tudom használni a Mc CRYPT CONTROL 150 passzív hangfalat? Köszönöm a válaszokat!
Szia! Semmi akadálya. A hangerőszabályzót kezeld azért óvatosan, mert az erősítő nagyobb teljesítmény leadására képes mint amit a hangsugárzó tartósan elviselne. Nem hagyatkozhatsz a Clip jelzésre! A fellelhető dokumentáció szerint a hangsugárzó 20W-os, az erősítő pedig 40.
Futva egy kört a világhálón, látom milyen elkeseredetten keresed a választ. Mire szolgálna ez az összeállítás?
Köszönöm a választ, természetesen megvizsgálom a kábeleket, de laikusként kérdezve hogyan oxidálódhat több méteren keresztül ha a bevonat rajta van? ha pl egy 10 éves kábelt valahol középen "meghámozok" csak úgy virítanak a réz szálak
Nem tudom, nálam X-akta. A képen is két 6 éves egyforma kábel, egyik oxidos másik hibátlan.
Tudnék még mutatni jó párat, több félét is, de azokat már nem is használom csak gyűlnek. Ja és nem koszosak hanem így mutat a képen a belső oxidáció a szigetelésen keresztül. A hozzászólás módosítva: Márc 5, 2014
Sziasztok!
Ezek ha jól sejtem S*L os kábelek. Ezzel a márkával akadt egy nagyon drága problémánk, elektronikát kötöttünk vele össze, egyszerűbbnek tűnt ilyet használni. Az volt a gond, hogy ahol megblankoltuk és leforrasztottuk eltört tőbe. Erre sok pénzel később felkerestük a gyártót, aki jelezte, hogy ezek a "réz" kábelek valójában nem is réz, hanem alu kábel bevonva réz bevonattal... A blank hatására megkarcolódott a réz bevonat ezért ki oxidálódott... A hangfal kábel ára és típusa mindig minőségi legyen, mert az olcsó kábel, csak bajt okoz....
Sziasztok!
Sikerült szert tennem egy " hibás" Fisher 109es Erősítőre. Sajnos nem tudom hány Wattos, 4 hangfalas, közös GND-vel.Mindene jó, kivéve a Phono-FM-AM-Aux kapcsolója, kontaktos. Javításra szorul, de működik. Onken hangfalat gyönyörűen kihajtja padlón, torzításmentesen. Véleményetek, esetleg valakinek tapasztalat?
Ez nem Sal-os attól jobb fajta, konkrétan már nem emlékszem most ez melyik, de egyébként van sal-os is nekem jól teszi a dolgát a 2,5es.
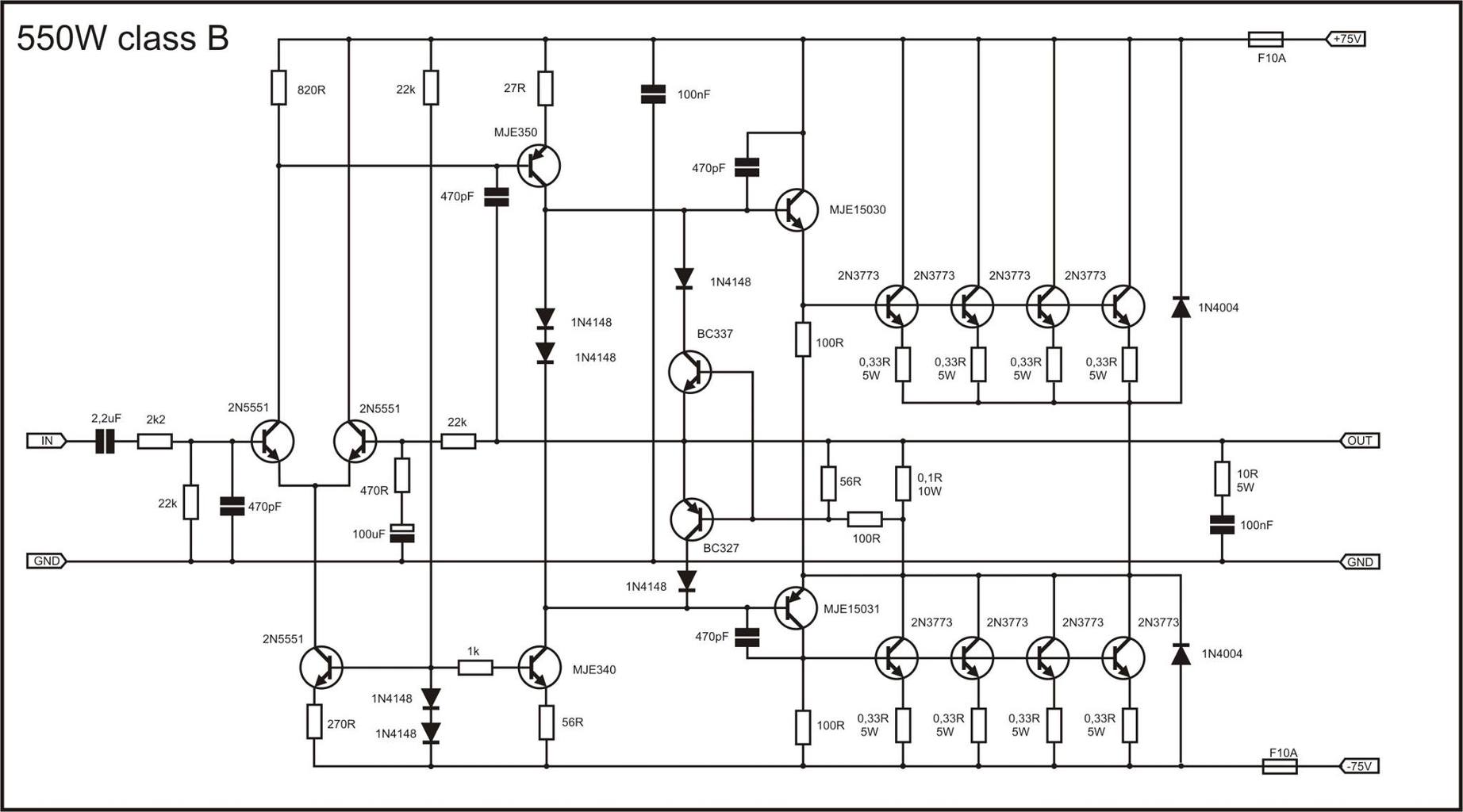
Sziasztok! A mellékelt kapcsolási rajzal érdemese foglalkozni. Találtam rajta hiányosságot a kimeneti résznél hogy nincs forrpont odatéve attól félek máshol is van ilyen hiba.
Szia! A nyugalmi árama, és az áramkorlátozója sem megnyugtató.
Beringer 600-kollégánk linkelt egy kapcsolási rajzot ami neki már működik. Az a baj hogy maga a kapcsolási rajz elég rossz minőségü és nem látom a forrpontokat, micsoda mihez megy. Kellene rajta sokmindent változtatni, ha +/-70V akarnám hajkurászni?
Nem, és nem! Nem a kicsiből csinálunk nagyot, hanem pont fordítva: Bővebben: Link Bővebben: Link
Ezigen! Ezek már erősítők magukért. Valamiért egyszerűen akarom megúszni a dolgot. Amiatt gondoltam ezekre az erősítőkre. Ezek mellett az st151 nem is bonyolult. Csak az stnél kell maradjak. Lenne egy kérdésem, mert sehogysem akar jó lenni. Van egy trafom amibol +/-70V 450W. 4 ohmon kellen 2x200W kiszedni belőlle. Ehez a táp magas így meg nagyobb teljesítményű táp kellene. Ha csak egy-egy diodával egyenirányitom, úgy ideális a tda7294 hídra. azaz +/-35V(33V) jön ki. 4 ohmon a híd bírná a terhelést, ha csillám nélkül, hővezető pasztával rakom fel bordára?
Méréseim szerint ±22V-ig lehet/érdemes elmenni, ha 4 ohm-ot kötsz a TDA7294 hídra. Ehhez párosul még, egy nagyon rossz hatásfok. Nem is ajánlott ez a felállás.
A belinkelt erősítő topológia csak pár alkatrésszel múlja felül az ST151-et. Majd emlékezz erre, ha ebben kategóriában tervezel építeni.
Amiatt van számomra ez a nagy watthajkurászás mert pa erősítő lenne belőlle. Ahogyan látom ebből használt erősítő vásárlás lesz. Esetleg privátban ha mondanál néhány oldalt ahonnan érdemes venni erősítőt(akár rosszakat is). t.amp ta1050-es kellene minimum a meglévő 2400as mellé. Nagyon köszönöm a sok segítséget. Kisebb erősítőket azért még rakok össze. Szerinted akkor mitévő legyek. Maradjak 2pár 2sc+2sa nál és a trafó úgy is határolja? A trafó benne van egy vasban ami be van öntve lakkal.(olyan magas mintha 2 trafo lenne egymásra rátéve,toroid) Eredetileg egy AKAI erősítő trafója volt ami állítolag 2x170W volt 8 ohmra.
Sziasztok!
Egy osztálytársam a traktorba szeretne egy 100W-os monó erősítőt. Milyen egyszerű IC-s erősítőt ajánlotok? Jól terhelhető 12V áll rendelkezésre. A hozzászólás módosítva: Márc 5, 2014
100W-ra semmilyet, a tápfesz kevés hozzá.
Válassz neki.
Építeni nem érdemes, mert az egy dolog, hogy egy TDA izét összedobsz 100W-ra, de kell egy kapcsitáp is hozzá ami a 12V-odat felhúzza 2x xx V-ra.
Hello sziasztok
lenne egy olyan kérdésem hogy valahogyan meg lehet-e oldani hogy egy egyszerű pc-s hang(fal)sugárzó erősítőjet fel turbózni.....Tehát kb 20 watt es amit hajtani akarok vele az 200 watt kb tehát ezt hogyan s mivel tudnám megoldani ha lehetséges. ...ha igen küldök majd bővebb leírást a hang(fal)sugárzó alapjarol A hozzászólás módosítva: Márc 7, 2014
A pc hang(fal)sugárzó kiementi jelét leosztod akkorára, hogy az jó legyen, majd ezt felhasználod bemenetként egy 200W-os erősítőn. Ezt nehogy komolyan vedd!
20W-al is tudsz 200W terhelhetőségű hang(falat)sugárzót hajtani. Ha nem túl érzéketlen, akkor szobában bőven elengedő kell, hogy legyen. A hozzászólás módosítva: Márc 7, 2014
1X 12V-on mekkora teljesítményt lehet egyszerűen kihozni?
3,5Veff kimenő fesszel számolva:
2 Ohm -on: 6W 4 Ohm -on: 3W 8 Ohm -on: 1,5W
Az autórádiók hogy tudnak nagy teljesítményt? Van bennük egy kapcsolóüzemű táp? (Nem ismerem az autórádiók kapcsolástechnikáját.)
Szia! Még az autórádiók (többsége) sem képes kiadni akkora teljesítményt. Viszont az autórádiókban található végfok IC mind hidalva van. Azaz ha 4 ch van az 8 erősítővel van meghajtva. Emiatt van az hogy 4 ohm alatt nem szabad terhelni az autórádiót, mert 4 ohmal is olyan mintha erősítőnként 2-2 ohmal lenne terhelve. Van egy IC ami 50W rmst tud 4 ohmra.(erre is 70W van irva) tda1562. Ha majd megnézed a kapcsolási rajzát látod, hogy van 2 nagy kondi is. Ezekkel ő magának előállít egy magasabb feszültséget és így képes kiadni ekkora teljesítményt. Ha jól emlékszem H osztályban dolgozik.Azért írtam hogy a többsége, mert lehet van olyan autórádió ami 4 darab ilyen ICvel van szerelve, bár soha sem láttam még eddig ilyen icvel szerelt rádiót.
Davidd leírta, de hozzátartozik még az is, hogy 10%THD mellett..
Erősítője válogatja. Amennyire emlékszem, az enyém 4x96W RMS, és talán 0,05% az itt mért torzítása (igaz, többe került, mint az első Trabantom újonnan)
Igen, valóban ahogy Davidd írta, jellemző a hídkapcsolás autórádiókban.
Ha külön kunsztot (mint pl. a beépített step-up konverter) nem tud az IC, akkor a max. teljesítmény hídban 12W @ 4 Ohm THD<1% csatornánként. Amit meg a gyártó ráír az autórádióra az ennek a 3-4-szerese, esetleg a doksiban szerepel, hogy zenei teljesítményről van szó. Őszintén, mennyivel jobban hangzik a 4 x 40W, mint a 4 x 12W.
Sziasztok
Aki ért az erősítőkhöz az segítsen már van egy erősítőm aminek a Left kimenete nagyon rosszul szól. Felvetem róla egy kis hangot amin nagyon érezhető a rosszul szólás valamiért olyan mintha akadozna a hang de nem tudom mitől lehet, a zenét nem gépről hanem MP3-ról játszom le, úgyhogy szóba sem jöhet hogy a gép hibája. Mindenről ilyen rosszul szól főleg a basszus hangok de miért ? Ja és még csak 12-es hangerőn van ha feljebb veszem még rosszabb. És olyan ez az erősítő magyarul gyári nem én készítettem van benne egy venti ami ha feltekerem akkor értelem szerűen bekapcsol és hűti a cuccost. De már 12-es nél már megy eddig olyan 22-es hangerőnél szokott elindulni. Válaszokat várok hogy mi baja lett ? Remélem nem égett le, nem is volt túljáratva nem szólt még életében 22-es nél hangosabban. |
Bejelentkezés
Hirdetés |








lenne egy olyan kérdésem hogy valahogyan meg lehet-e oldani hogy egy egyszerű pc-s hang




