Fórum témák
» Több friss téma |
Fórum » Házilag építhető fémkereső
Ha valakit érdekel fémkeresőkhöz , én megépítettem , 2 kapcsolás -az egyik akkumlátor kimerülés jelző 13------7 voltig beállítható mikor , hány voltnál gyulladjon ki a led -----a másik a nagyobbik egy Li-ion akumlátor töltő -4.2 V akukhoz század pontosan beállítható töltési feszültség és a Li akuknak megfelelő töltés alatti szabályzással .
Nekem most pozitívon van (a tekercs árnyékolása is) és a negatív a legújabb agyrémem. Melyik lenne az előnyösebb? Én a negatívra gondolok. Olvastam hogy a pozitív eléggé általános volt régen de az 50-es évek környékén szinte mindenhol negatívra álltak át. De miért? Nem találok semmiféle tanulmányt róla ezért érdekelne hogy mit gondoltok erről.
Bár nem vagyok egy nagy szaki, de én úgy tapasztaltam, ha a negatív táp külön van előállítva akkor az a jobb, ha viszont felezve van a táp akkor a felezett testpont.
Műszaki megoldást soha ne bízz a fantázia korlátaira
Rövid keresgélés után annyit sikerült kideríteni a titokzatos anyagról, hogy poliészter alapú gyanta. Ennek viszont 8-10% a zsugorodása töltetlenül. Tehát önmagában vagy reped, vagy tépi a huzalt. Egyik sem nagy öröm egy keresőfejnél...Keress valamilyen kis viszkozitású epoxi gyantát a NOVIA vagy az egykori P+M Kft termékei között. Ezekkel enyhe (max 50 fok) melegítéssel még vákuum nélkül is tökéletes impregnálást lehet készíteni. Persze a megfelelő sablon - ami a végső formát is megadja - nélkülözhetetlen
Nem én foglalkozok a Silverrel, csupán segíteni próbálok, de azért köszi. Volt már szerencsém a Silverhez és több mint valószínű hogy az egyik ősz hajszálam neki köszönhető.
Ha pesti vagy környékbeli vagy, menj el a Farix kfthez a XI. ker Tétényi úton, meséld el, hogy mire szeretnéd és ajánlanak, neten is megtalálod. Budaörsön van egy másik gyantás cég, valaki már említette, ott szerintem nincs annyiféle, de ott is szívesen segítenek. Rengetegféle gyanta létezik, én a farixnál láttam olyat, ami pl balsafa súlyú volt és nagyon szilárd.
Nekem nem volt vele gondom. Száraz gipsszel és üvegszálakkal keverve jó. Viszont a tekercsek zárlatosak lettek. Nem mindegy milyen lakkal impregnálsz. Van amelyik oldja a Cuz szigetelését.
Chrenkó Feri a Silvernél a +-ra árnyékolást javasolta. Annál az adótekercs egyik vége ugyanis a + tápra csatlakozik közvetlenül.
Az MD-1-é vagy a silveré szerintem egyszerűbb. Két tranyó. Nem csak ledet, zümmert is lehet vele működtetni. Szerintem a zümi gyakorlatban jobb. Nem szeretem folyton lesegetni a ledet.
Nem tudom mekkora fejről van szó. Általában 40cm felett 700-750gramm -30 alatt pedig 550 alatt kéne lennie egy fejnek.
Mateatek készít fejformát, ami professzionális megoldás, persze 1-2 mm vastagság és magasságkülönbség egyből 50-100gramm különbséget hoz. Ő mechanikailag nagyobb stabilitásra törekszik, ezért lehet is kissé nehezebb. Alternatívaként 200euró környékén ezeket is lehet venni: NEL Meg persze gyári tesoro fejeket is
Neked is köszönöm felhívom őket mert Gönyűi vagyok 100 km
Na igen , nem mindegy a drót sem, mert a zománcozottat pl amit régi tv hangtrafóról lecsévél az ember azon még a nitró higitó és az aceton sem viszi le a lakkot de vannak ezek a mostani olcsóbbak lakkozotak azokat oldhatja rajt a lakkot mert sz nem zománc --igaz az enyém is csak lakkozott nem zománcos jó lesz figyelnem neked is köszönöm
A hozzászólás módosítva: Márc 9, 2014
Szerintem csináld azt, mert már én is nagyon kíváncsi kezdek lenne erre a misztériumra, hogy hívogasd fel mindegyik céget, hogy melyiknek van a közeledben olyan forgalmazója, ahol szaktanácsadás is van. Mert ahogy itt nézem, van habosító, edző, meg tudom is én milyen adalék. Nyomtass ki pár fej képet, aztán vidd el, hogy ilyet akarsz csinálni. Követelmény, hogy marha merev legyen, szilárduláskor ne zsugorodjon (gyanítom, ilyen nincs) könnyű legyen és a fazékidő is elég fontos, mert ugye kell valamennyi idő beállítani, utána meg nem kéne sok idő, hogy ott úszikáljon a trutyiban.
Azon gondolkozom, mi történne, ha a D átfedés egyik szárát nem öntenéd ki első körben. Amikor a többi szilárd, ezt az oldalt tudod kissé alakítani, ha kinulláztad a fejet, ezt csak akkor öntöd ki. Miután itt eleve vastag a gyanta, a szilárdságot annyira nem rontaná az utólagos kötés, és ha még a teljes szilárdulás előtt (de már teljes kikeményedés után) csinálod, szerintem gyakorlati szempontból tökéletesen hozzáköt, Lehet azt is érdemes lenne kipróbálni, ha földön nullázod, ehhez elég egy doboz föld is.
Maradjunk annyiban hogy a 675g addig nem számít nehéznek, ameddig a földön van. Ha cipelni kell, pláne órákig, akkor nagyon nehéz.
Nekem volt már a kezemben 25cm-es fej ami 385g volt, és a csavarhúzó végével megkocogtatva olyan hangja volt mintha nem is gyantából hanem inkább üvegből lenne, a csavarhúzó élével nem is nagyon tudtam megkarcolni. Ha magamnak csinálnék fejet az lehet hogy olyan lenne, hogy 8-10mm-es bakelit lap korongból kimarnék valamennyit (annyit hogy könnyű legyen, de még kellően merev maradjon), rátenném a tekercseket, kiegyenlítés után ragasztóval megpöttyözném, a legvégén meg megkenném valamilyen szilóval hogy bírja a vizet is. Jó ronda lenne az tény, de mentesülne az ember a gyantázás minden nehézsége alól. Persze lehetne a tetejére kupakként műanyagot vákuum formázni, és akkor már nem olyan ronda.
Nem biztos hogy elég. Amikor annak idején az SMW-t hangolgattam kipróbáltam több cserépnyi földdel is a GEB-et, egyáltalán nem jelezte a földet. Amikor meg kivittem a kertbe összevissza visított a talajra, nem is tudtam a talajt kiegyenlíteni.
Néha a ferrit is becsapós tud lenni, van hogy valamennyire jelzi, aztán a talajt meg nem. Szóval az a biztos amikor kimegy vele az ember terepre, és ugyanez igaz az érzékenységre is. Nekem akkor is más értékek jöttek ki amikor csak oldalról beledugtam az érmét az ásott lyukba, meg akkor is amikor rendesen visszatemettem az érmét és úgy kerestem.
Végigtelefonálom a jövő héten őket figyelek az általatok leírt lényegre -biztos meg lehet csinálni mert a gyártók is megcsinálják, vagy inkább muszáj szegény ember vizel főz , most ahogy írjátok itt tehát nem elég nullázni , hanem a földet is be kell állítani rajta, ------amúgy én az árnyékolást a jövő héten csinálom meg feltekerem 3 milliméternyi menetemelkedéssel szigeteletlen 0.5 rézdróttal de előtte lefújom grafittal utána rá a drót azt megint grafit ez jó árnyékolás lesz adónál vevőnél - 1 centi megszakítással nehogy menetzár legyen,
Cipőt a cipőboltból műgyantát a festékboltból.Gönyűtől mindössze 12km(yaessu-nak),piktor festékbolt-VIANOVA VUP 4627 műgyanta.
Thanks
A hozzászólás módosítva: Márc 9, 2014
Pontosan úgy van, ahogy írod, de tendszerint ez után már a szabadban be lehet állítani a normál kezelőszervekkel. Ha tud kint mérni, persze jobb.
Igen, a Piktor festékboltból én is veszek műgyantát, ilyenek vannak: https://www.dropbox.com/s/joo40h9wklgilgj/Email.jpg
Szerintetek mennyi üvegszövetet vegyek? Itt azt írja, hogy 500GR/M2
Áttettem a rögzítő fület!
A hozzászólás módosítva: Márc 10, 2014
Na ez kimaradt az életemből
Még csak pár hete olvasom rendszeresen a topikot, amióta rávetettem magam egy Silver összereszelésére. Ma készítettem el a fej mintáját a vákuumozáshoz. Most már végigjárom az utamat...Lécci! A fóliát hol lehet kis mennyiségben beszerezni?
Egy laikus kérdés: biztosan jó ötlet a csatit (és az ellendarabját is) közvetlen a fejre szerelni?
Ez már jobban tetszik, de én merevebbre csinálnám a kábelkivezetés helyét, és nem tenném rá a csatlakozót a fejre.
Ha sok kedvem meg huzalom lenne szórakozni akkor azért arra is kíváncsi lennék, hogy azonos adótekercs átmérő mellett az adott gép melyik megoldású fejjel mit produkálna. Mert a két körnél ugye egyforma az adó és a vevőtekercs, a koncentrikusnál meg a vevő jóval kisebb. A DD tekercsei szintén egyformák, de méretben az adótekercs jóval kisebb mint a másik két esetben, mert egy 28-30cm átmérőjű DD fej tekercse átmérőben kb. egy 23cm-esnek felel meg.
Ha jó volna, legalább pár gyártó odatenné. Nagymennyiségű, felületű árnyékolásproblémás fém, ráadásul vízmentes kell, ami drága.
Sziasztok. Szakmai tanácsot szeretnék kérni. Íjászkodom, és néha előfordul hogy mellélövök, ilyenkor van az hogy elindulok és keresgélek a fűben. Ennek elkerülése végett szeretnék csinálni valami kis fémkeresőt amivel könnyebben meg tudom találni az ellőtt vesszőt. Meg tudom építeni, csak valaki hozzáértő kellene aki tud kapcsolásit küldeni. Köszönöm előre is. Üdv Gergő
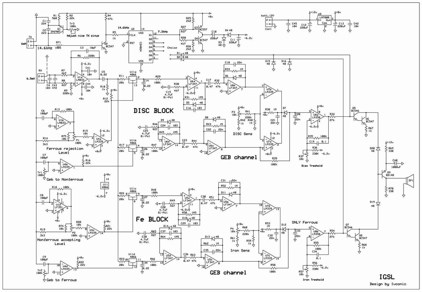
A fórum keresője ebben a topikban is működik, jó néhány rajzot lehet találni vele. Csatolok egyet amit érdemes megépíteni, ez az IGSL. A rajz alapján építettem meg, ezzel a nyáktervvel, amin az eredetihez képest csak annyit módosítottam, hogy a 10µF-10µF soros kondik helyett 1db 4,7µF-os SMD van, illetve az elkók rasztermérete túl nagy volt, ezt a ma kapható kondikhoz igazítottam. Aztán az eredeti nyákon egyetlen csavarhely sem volt, most van a 4 sarokban.
A quad OPA-t nem kell túlragozni nekem TL074-el megy, de a 084 is jó bele, sőt talán még az LM324 is. A TGSL-ről ami ennek az egyszerűbb változata, komplett építési leírás is van a pdf-ben angolul. Ha csak vesszőkeresésre kell akkor viszont az a véleményem hogy nem érdemes építeni, olcsóbb venni egy kínai gépet, használtan már 15-18000Ft körül vannak (pl. GC 1022). |
Bejelentkezés
Hirdetés |







Rövid keresgélés után annyit sikerült kideríteni a titokzatos anyagról, hogy poliészter alapú gyanta. Ennek viszont 8-10% a zsugorodása töltetlenül. Tehát önmagában vagy reped, vagy tépi a huzalt. Egyik sem nagy öröm egy keresőfejnél...


Még csak pár hete olvasom rendszeresen a topikot, amióta rávetettem magam egy Silver összereszelésére. Ma készítettem el a fej mintáját a vákuumozáshoz. Most már végigjárom az utamat...





