Fórum témák
» Több friss téma |
Fórum » RIAA korrektor
Témaindító: Ghost Rider, idő: Aug 25, 2006
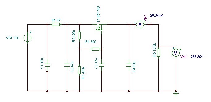
Itt van egy rajz, 330V bemeneti feszültség mellett, 120k/470k osztó a megfelelő 250V DC hez, RIAA-val terhelve. Ha az egyenirányított nyers DC más értékű, akkor az osztót változtatni kell.
Én trimmert használnék, és akkor nem kell se számolgatni, pikk-pakk belőhető.
A hozzászólás módosítva: Márc 14, 2014
Biztos, hogy kell ennek a csőnek ekkora tápfeszültség?
Az ECC88 -nak 90V anódfeszültség kell a katalógus szerint. Az anódáram pedig 15 mA. (Typical parameters) Ezt a 15mA -es munkaponti áramot egy 5,6 kOhm -os munkaellenállással kb. 180 - 190V tápfeszültségről meg lehet oldani. Minek kell ehhez 300V? Nem vagyok csőguru, de gondolom, akkor ennél az áramnál "érzi" jól magát a cső. A rajzon viszont 30kOhm van munkaellenállásnak megadva, azzal nem jön ki sehogy a 15 mA, még arról a 300V -ról sem.
Brumm elnyomása semmivel nem rosszabb mint ha Z diódás lenne, így nem stabil, de szűrésben nem rosszabb.
Idézet: „Biztos, hogy kell ennek a csőnek ekkora tápfeszültség? Az ECC88 -nak 90V anódfeszültség kell a katalógus szerint. Az anódáram pedig 15 mA. (Typical parameters) Ezt a 15mA -es munkaponti áramot egy 5,6 kOhm -os munkaellenállással kb. 180 - 190V tápfeszültségről meg lehet oldani. Minek kell ehhez 300V?” Az 5k6 az anódban jelentősen csökkentené az erősítését, ami alapból is kevés (szerintem), ezt tovább csökkenteni vétek!
Van szerintem több gond.
"Vagy kell ezen valamit állítani? Egy 5H fojtó ellenállása kb 50R körül van?" Ez persze igaz lehet, de nem a DC ellenállás számít. Ez a táp szerintem fojtó nélkül nem lesz jó. Elolvastam nagyjából az eredeti cikket, nem teljesen értem, amit a FET viselkedéséről ír, de szerintem ebben a formában fojtó nélkül, ahogy scooby írja, nem lesz jó. Tinában kellene szimulálni, mint CHZ. Az ellenállás osztón az AC leosztva bár, de rájut a FET-re és szépen vezérli is azt, tehát át fog engedni váltó komponenst, ami a fojtó nélkül jelentősebb lesz. (A DC a terheléstől függően ingadozik a puffer kondenzátoron. Mondjuk 320V és 370V között. Ha ellenállás osztóval szűröd, akkor az osztónak megfelelően leosztva, de meg fog jelenni a kisebb 300V-os feszültségen is. Ha viszont 300V-nyi zener van rajta, akkor egyszerűen levágatja a FET-el az e feletti részt és még marad 20V-os tartalék.) De ettől függetlenül működnie kellene. A FET-re tegyél próbálkozáshoz nagyobb bordát. A korrektor szinte biztos nem vesz fel 20-30mA-nél többet. Amúgy kiszámolható, de a cikk meg is adja az üzemi felvételt: Idézet: „The power dissipated by the MOSFET is voltage drop x the current draw of the load circuit. It is about 4 W in the circuit shown, but only 1.5 W when driving just the phono pre-amp, which draws 20 mA.” Szóval 15K körül kell terheljed, a 12K megfelel. Jobban ne, mert nem elég a FETre zászló. Az, ha a kimeneti zaj digimultival nem jól mérhető, szerintem normális. Nagy bemeneti ellenállású és szélessávú voltmérő kellene, ami 50Hz felett is működik jól.
Elvileg jó megoldás, de gyakorlatilag itt nem hiszem, hogy jó lenne.
Feszültség mértéke miatt.
Idézet: „Ez a táp szerintem fojtó nélkül nem lesz jó. Elolvastam nagyjából az eredeti cikket, nem teljesen értem, amit a FET viselkedéséről ír, de szerintem ebben a formában fojtó nélkül, ahogy scooby írja, nem lesz jó.” Fojtó nélkül is jó lehet, lényeg, hogy FET D-S kivezetései között, minimum 70-80V DC feszültség esés legyen, így elegendő lehet az AC szűrése. Ez azt jelenti, hogy a nyers DC nem lehet kevesebb 330V -nál, ha 250V DC ről tápláljuk a korrektort..[off][/off] A hozzászólás módosítva: Márc 14, 2014
Futattam egyet én is. 410V-os amplitúdójú szinusz jellel. Tényleg tökéletesen működik.
CHZ-nak van igaza. Sajnos amit ma kapsz, nem üzembiztos. Tapasztalatból mondom, Gubán Gabival csináltunk pár ilyen egyszerű trimmeres/fetes segédrács tápot és hát sorra ficcentek el a trimmerek. Vagy tekergetéskor, vagy meg csak úgy maguktól a legváratlanabb pillanatban...
Sikerült ilyen régi 2W-os huzal remixet vennem 1M-ásat. Talán az nem üt át, de még nem próbáltam ki. A hozzászólás módosítva: Márc 14, 2014
Ez a táp kis módosítással, megoldhatná a lágy indítást is. FET alkalmas rá, mivel nem kell áram a vezérléséhez, megfelelő R/C tag a G kivezetése előtt, lassú felfutású DC kimeneti szintet produkálna. Csöves egyenirányításhoz hasonló DC kimeneti szint emelkedése lenne..
Úgy nézem, hogy a 47µF-os Gate elkóval olyan 20 másodperc kell a feléledéshez. Ha leviszem 10µF-ra, akkor csak 5.
Igen, az időállandóval lehet játszadozni.
Itt egy példa, 220k ellenállás módosításával lehet játszadozni.. Ez stabilizált tápnál is használható. A hozzászólás módosítva: Márc 14, 2014
Bocsánat, csak most volt időm ittlenni.
Nos összeraktam 3x47K 2W párhuzamba terhelést a kimenetére, ahogy tanácsoltátok. 340V DC -t mértem. ( sípol, merül az elem.) Ugyhogy csak saccrra írom. kb 5 másodpercig tudom üzemeltetni, mert tűz forró a műterhelés. FET jég hideg. Már azon gondolkodom, hogy rossz lehet a multi. A beállításnál, az ellenállásosztóra gondoltam.
Ezzel a a terheléssel mérd meg a bejövő DC értékét, ez fontos.
így megtudjuk hogyan kell módosítani az R1/R2 értékét.
341V DC graetz után.
A trafóról ami lejön AC ugyanezzel a multival 266V Biztos hogy pontatlan a műszer. így fárasztalak titeket.
Ennek bőven elégnek kell lennie a 20mA-hez. Elejtesz 90V-ot. 20mA-en ez mindössze 2W!
Ezt a FETnek még majdhogynem a saját kis TO220-as fülével el kellene vinnie. szóval az osztót kell állítani. A multinál csak arra gondolok, hogy brummot digimultival nehéz mérni.
Igazából jól gondolom, hogy most felesleges állítgatni, míg nincs fojtó?
Elvégre a nagyfesz tápom készvan. Működik( elvileg) . Ugyanigy össze kell raknom a fűtést, illetve magát a phonot. Azt nem lehet hogy az erősítő részével terhelem be a tápt, és ugy állítom be a feszt? vagy meghalnának a csövek? Ezt mondom úgy, mint leendő első csöves erősítő tulajdonos. Az erősítőhöz meg lennének a dolgaim. Így addig még azt építetem, lehet hogy a végére lenne egy normális mérencém. A hozzászólás módosítva: Márc 14, 2014
AZ R1-et, 150k -ra cseréld, így lesz 250V a kimeneti DC értéke, ami megfelelő lesz.
Idézet: „Azt nem lehet hogy az erősítő részével terhelem be a tápt, és ugy állítom be a feszt? vagy meghalnának a csövek? Ezt mondom úgy, mint leendő első csöves erősítő tulajdonos.” Már most is megcsinálhatod, néhány V eltérés nem fog problémát okozni. A műterhelés jó a táp beállításához (12-15k) és ezzel is előbbre vagy..
hűűű, de jó vagy.! felírom a nyákra.
Az a gondom, hogy nem hiszem a multinak, igy csak etalonnak tartom amit tanácsolsz. ha ittlennél, gondolnád, hogy én mire gondolok! érted
Ha jobban megnézed a tápegység rajzát, ott utalnak a beállítására, Vout=Vinx... szöveget keresd.. Nyers DC feszültséged meghatározza az osztó értékeit.
A hozzászólás módosítva: Márc 14, 2014
Beleraktam R1 helyére 150K 2W ellenállást.
345VDC Namostakkor
Ez a kimeneti szint, terhelve 12k-val?
Szerintem nem, a FET után mérj, a S kivezetésén! Hol mérted? Ezt megjelölhetnéd, így feleslegesen írogatunk.. Fentebb mutatott rajzon, a V mérő helyén mérj! A hozzászólás módosítva: Márc 14, 2014
Ez több, mint amit a graetz után mértél. ez nem lehetséges. Ha kb. ugyanannyit mérnél, akkor vagy kontakthiba van az osztónál vagy megmakkant a FET.
Valami hibát csinálsz, ez így nem működhet.
Csak akkor, ha a FET elhalálozott! Ez meg is történhetett, az előző próbák esetén, hibás értékű műterheléssel.. Mérj, D-G-S kivezetések között, feszültség mentes állapotban, dióda vizsgálóval! Csatolt rajz szerinti értékek jók, ha a FET nem szált el. A hozzászólás módosítva: Márc 14, 2014
S D láb között átvezet.. Meghalt. Sorry, hogy fárasztottalak.
Mitől lehetett? Berakhatom az újat?
A rossz műterhelés miatt, de ha mérésnél valami zárlatot okoztál az is elegendő volt.
Rakd be, de már vigyázz rá, ne csinálj műhibát! A hozzászólás módosítva: Márc 14, 2014
Lehet, megfőtt de más is lehet.. Tessék leülni és átnézni tüzetesen a kapcsolást és a nyákot, értékeket megmérni.
|
Bejelentkezés
Hirdetés |









