| Fórum témák 
 
 » Több friss téma | 
				Sziasztok! Terveztem egy olyan asztalt, ami egy gombnyomásra sört kinál fel szomjas üzemeltetőjének. Az elektronikai részén már elég sok ideje rágódok, hogy hogyan kellene megoldani. A működési elv: Van egy fa léc. Alaphelyzetben valamelyik végállásban van (2 végállás van összesen: 1. a sör az asztal alatt van, 2. a sör ki van tolva az asztal alól) (a léc alaphelyzetben az egyik végállásban pihen). Amit szeretnék: Megnyomok 1 gombot, a léc elhalad az egyik végállásból a másikba, majd ott "pihen", amikor megint megnyomom a gombot, akkor pedig visszamegy. A motor egy 12V-os ablaktörlő motor. A végállásokon szimpla végálláskapcsolókra gondoltam, de résopto is lehet. Szerintetek milyen áramkörrel lehetne ezt megoldani? Előre is köszi  Ananda A hozzászólás módosítva: Márc 21, 2014 
				hello, két külön gombbal lehet a vezérlés?						 
				Inkább sorrendi áramkörrel kellene megoldani , mivel egy szekvenciát kell vezérelnie a nyomógombnak. Nekem 4017 jutott eszembe ... annak a clock bemenetét rángatnák a gomb +a 2 végállás kapcsoló és időnként a reset lábat is. Vagy egy 8 lábú uC  abban bármilyen 6 ki/be porton létre jövő szekvenciát bele lehet gyűrni. 
				Üdv! Vezesd ki egy CD megajtó gombját, a tálcájára szereld rá a lécet. Azt mehet is. 1 -1,5 kilót simán megmozgat.     Igen valamikor a PC-ken a pohár alátét letöréseket is javítani kellett ...  ... Mármint a CD ajtaját nézték pohár alátétnek ... Legfeljebb most az lesz a sör alátét ...       A hozzászólás módosítva: Márc 22, 2014 
				Jaja. Mi is csináltuk mind kettőt, mármint a letörést, és a javítást is. De mennyivel jobban hangzik, hogy sör alátét, mint pohár alátét.    
				Erről ennyit, a topiknyitó rá sem böffent.						 
				Sziasztok! Köszi a választ mindenkinek. Medve, ne haragudj, hogy nem irtam, de feltetétlen ki fogom próbálni a relés megoldást. Nikovics: Én is gondoltam a CD lejátszós megoldásra, de sajnos nekem több sújt kell mozgatnom, ezért döntöttem az ablaktörlő motor mellett. Valahogy digitálisan (mint a CD olvasó) meglehet oldani a vezérlést? Köszi mindenkinek Ananda A hozzászólás módosítva: Márc 24, 2014 
 
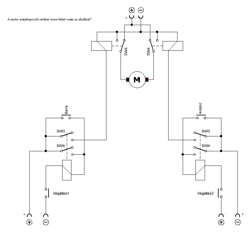
				A vezérlést meg lehet oldani pic mikrovezérlővel + híd áramkör  PWM vezérléssel, mert szerintem ha nem akarod hogy a sör kilötyögjön, akkor a sebességet kell tudni szabályozni, valamint lágyan kell indítani és állítani. Ez nagy vonalakban emlékeztet egy automata ajtó vezérlőjére, nem is egyszerű, én építettem ilyent egy párat, de több mint egy fél évet dolgoztam az elsőn, amíg úgy működött ahogy akartam. Az áramkör nem bonyolult, inkább a pic programjának a megírása volt a nagyobbik probléma.  Az általam épített vezérlő tudja az egygombos működtetést is, az is szoft-ból van megoldva. Ezért is jó a mikrokontrolleres megoldás, mert utólag olyan funkciókat is be tudsz építeni amire az elején még nem is gondolsz, átépítés nélkül. A hozzászólás módosítva: Márc 24, 2014 
				Ha sok extrát nem akarsz, akkor kell egy külső alapban záró végálláskapcsoló, vele , és a motorban lévő belső végálláskapcsolóval egy párhuzamos gomb.Ha megnyomod a gombot, megy a motor míg a külső kapcsoló nem bont (fél fordulat), ha kiért, és még nyomja a gombot, akkor már nem "szomjas" lassú a reakció idő a sör elmegy. Ha elengedte a gombot időben , akkor a külső végálláskapcsoló bont, és a tálca megáll kint. Ismételt gombnyomásra a motor áramot kap, tovább forog, behúzza a tálcát, majd a belső végálláskapcsolója leállítja.						 
				Koszi szepen a valaszokat, nagy segitseg   @proba, teccik a megoldas   
				Üdv Mishung! Csak gratulálni szeretnék lényeglátásodhoz, és az ismeretek zseniális alkalmazásához. Nekem felüdülés volt hozzászólásodat, megoldásodat olvasni. Ennél egyszerűbbet, tökéletesebbet nem lehet kitalálni. Kedvem lenne söradagoló asztalt csinálni!  )) 
				Sziasztok Srácok! Csak nektek, egy publikálás előtti sörasztal beszámoló. Összetettem egy kis videót a kedves fórumozóknak, hogy milyen lett a kész gépezet. Boldogan ontja a söröket minden egyes gombnyomásra.  Sörasztal™ V1.0 Az alkatrészek nagy része laminált padlóból van, ellensúlynak villamossínt használtam. A motor egy kocsi ablaktörlőmotorja. | Bejelentkezés Hirdetés | 






