Fórum témák
» Több friss téma |
Szervusz!
A leírásod szerint, én már átalakítottam a TDA1062 áramkörét. Az oszcillátor csatoló tekercsét is újratekertem…Pont a 10 ohm kivétele miatt rövid volt a huzal. És, ha már adott volt… a 16.lábra menő vezetékre raktam egy ferritgyöngyöt is, instrukciód szerint….Biztos, ami biztos. Sőt!...A javasolt 390 ohm -ot is módosítani kellett. Mivel az egyik tunernál, az IC tápfesze 10,6 V..A másiknál 10,2 V-ra adódott. Az egyik esetben 410 ohm, a másiknál 420 ohm adta a pontos 10 V-os tápfeszültséget. ( trimerrel mértem ki, majd ellenállások sorba kötve a pontos érték miatt.) Akkor valószínűleg, amit én tapasztaltam az AFC feszültség mérésnél „ ugrálást”, az nem a nevezett „ lebegés” miatt volt….. Hanem, valami földhurokból származó, zavarjel…. A 13.-k kivezetés, házhoz való forrasztásával megszűnt…. Sajnos, így műszerek nélkül, csak következtettem…( Most, "biztosan röhög rajtam", aki megvette a műszereimet...) Igen! Érdekes amit írsz a „ hazai masinákról”….( Pedig, voltak jó szakemberek…) Biztosan tudtak a „ földhurokról”. Mivel az „átkötés” kettő tunerban gyárilag volt, egyben nem… Meg az is érdekes, hogy a három tuner sem egyforma felépítésű….Hol ezt, hol azt hagytak ki belőle…( diódák, tranzisztor..) A varikapok -al soros kondik is….22 nF,-10 nF…(Gondolom? Mikor mi volt raktáron..) Csak pont, jól nem sikerült a tuner! Köszönöm az instrukciót. Üdv.!
Üdvözletem!
Még, mindig a VT FM tuner…. Elgondolkodtam rajta, hogy ez a tuner, már kezd hasonlítani,…. „Kossuth Lajos bicskájához”…. „Aminek először csak a pengéjét cserélték…Majd, a nyelét…És mégis maradt, Kossuth Lajos bicskája….” Vagyis… VT FM tuner maradt,… A sok átalakítás, módosítás ellenére is. Most is akadt egy „ ötletem”, amit rövidesen ki is fogok próbálni. ( „Csak győzzétek”….) A most közölt cikk is, véletlenül került kezembe, „rendrakás” közben. A Rádiótechnika folyóirat, 1986/12.-ki számától kezdődően…Piret Endre okl. színes TV-szakmérnök ( Videoton) közölt egy FM tuner építési leírást… Amiből, az AFC kör kialakítására ( Lásd, PDF-ek…rajz, leírása..) Valamint, a hangoló potenciométerek linearitására vonatkozó megállapítását emelném ki, írásából. Az AFC kialakítására vonatkozóan, nincs sok hozzáfűzni valóm….Más, mint a VT FM tuner esetében….Meg is fogom építeni, a tunerban. ( Elfér a dobozban!...) Ami viszont elgondolkodtató? „A hangoló potenciométerek karakterisztikájának linearizálása”…..( Lásd, rajz és leírás…) Teljesen eltér!… Mint amit, megoldásként a VT FM tunerban alkalmaztak! És a legfőbb problémát ebben látom ( mástól, eltekintve…)…. Mondom, miért. A 741-et kiváltó, IC keresése közben…”Kísérleteztem”! Vagyis? Mekkora „ Max…. Offset” áramú IC az ideális? …. Arra jutottam….. Az IC kimeneti áramának mérése közben jöttem rá..Hogy, az UR55-ös ( 1,5Kohm)-os ellenállást, ha trimer potenciométerrel helyettesítem….Akkor, széles határok között…( 1-13 mA) között állítható be a 741 kimeneti árama, közbeni hangoló feszültség változása nélkül…. Ami, ellenállás…Értelem szerűen, a közölt cikkben…22 Kohm értékű…! (Nagyobb áramok esetében, gerjedt a műveleti erősítő……) Máris megvan, a 741( vagy más IC ), kimeneti áramának” volumene”…. Esetleges, melegedésének az oka…….(UR55) Viszont, ha kis áramot állítottam be….Szinte lehetetlen volt, közeli, kis térerejű adók beállítása….Ahogy nőtt az IC kimeneti árama, javult a beállítás lehetősége…( „Érzékenyebb volt” a hangoló potméter…) De! Semmit nem befolyásolt, a „hideg-meleg”, „bemelegedési időben”, a kimeneti áram. Valamit-valamiért?!?...De?! Miért??? Szerintem?! Hamarosan, ki fogom próbálni, a közölt cikkben lévő… „AFC-re és a linearizálásra” vonatkozó megoldásokat… Érdemes tanulmányozni a 3089-es IC áramköri részleteit…A 6-os…7-es…10-es láb „szűrési” megoldásait…. Meg?!.. 22 nF, sehol nem látható, csak 10 nF!.....A „ Mute” áramkör is érdekes…. És a műveleti erősítő „ kapu” bemeneteinek, munkaponti beállítása, impedancia viszonyai is…. ” Elgondolkodtatóak”! A VT FM tunerrel összehasonlítva. Egyet viszont nem értek? Piret Endre.. ( Isten nyugosztalja..) A Videoton főmérnöke volt!...Miért nem látta? A VT FM tuner „fejlesztési zsákutcáit”? Vagy? "Tanult belőle"? Ezek szerint van megoldás?.... Üdv.!
Sziasztok! Videoton RA6363s rádiós erősítő FM moduljában az UL30-as jelű KF tekercsre lenne szükségem, tönkrement. Lehet-e még kapni, ha igen, akkor hol? Amennyiben nem, akkor mivel tudom helyettesíteni? Köszi előre is.
Sziasztok!
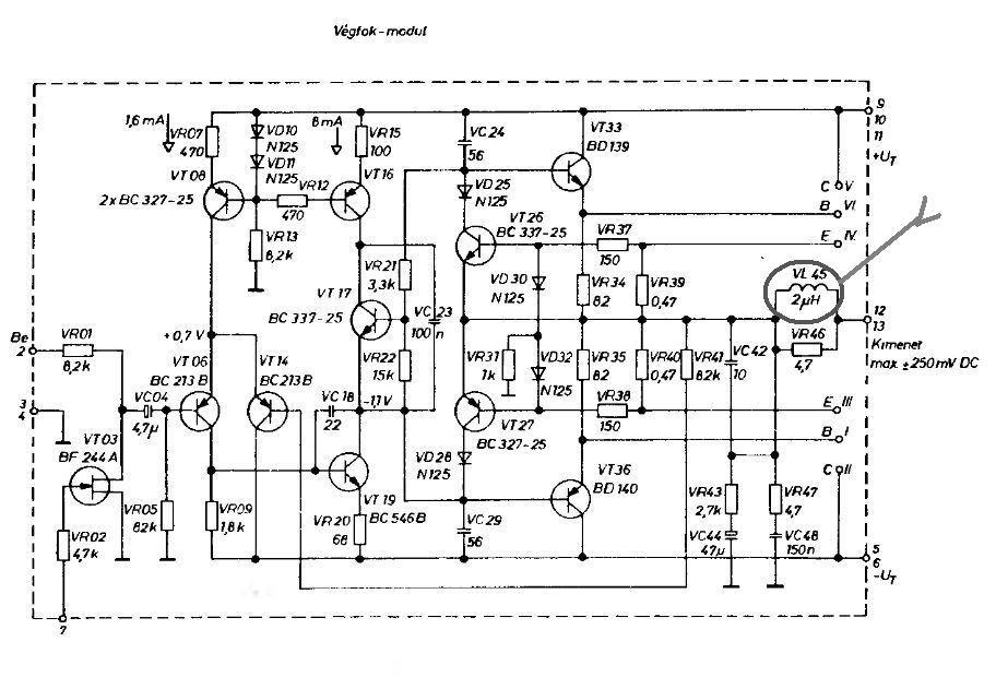
segítséget kérek a képen látható videoton végfok a jelölt helyen füstölni kezd ha beüzemelem, Idáig jó volt most cseréltem egy BC212 tranyot . mi a fene ez a füstölés üdv aramis
VC18-24-29-42 rendben van, mert a gerjedés is okozhatja ezt a hibát, de a VR46 szakadt lehet. De a VR47 - VC48 hibája is gerjedékennyé teszi a modult.
Üdv! Itt szeretnék segítséget kérni, mert másik topicokban nem segítettek.. Nemrég került hozzám egy RT 7300-ás tuner, és olyan probélmája van, hogy a készüléket bekapcsolom és egy-két perc után a jelszint ingadozni kezd, az adó viszont nem hangolódik el. Ezt mi okozhatja?
A válaszokat előre is köszönöm!
Sziasztok van egy 6363s készülékem,kis hangerőnél torzít,hangot adok rá akkor szépen szól,visszaveszem darabig megy majd ismét torzít,mi a gond,kondi csere lenne??
Valószínűleg a végfok nyugalmi árama túl kicsi és keresztezési torzítást hallasz kis hangerőnél. Mindkét oldal torz?
„A nyugalom megzavarására alkalmas sorok következnek”!…..
Megépítettem az 1987-es RT. -ben ( előzőleg közölt) közölt AFC kapcsolást…. Vegyes érzelmekkel… Viszont, ami tanulságként szolgált?...Nem terheli le a műveleti erősítő kimenetét! ( Mint, a VT FM modulban…Az, UR55.. ?) Miért?... Elkezdtem kísérletezni….Arra a megállapításra jutottam( lehet tévesen?)…A műveleti erősítő, belső áramköri felépítéséből adódóan….Szükséges, valamiféle „ előterhelés”…Hogy, mihamarabb „ észhez térjen” a műveleti erősítő. (?) Kialakuljon, a megfelelő „ belső”, áramköri viszony, ezáltal a „ megfelelő” kimeneti feszültség. Mivel nincs, megfelelő szakmai képesítésem!…” Próbálkoztam”….( …”Mint, a kutyák”….) Ezért, elnézést is kérek a „ magyarázatokért”, esetleges nem „szakszerű” kifejezésekért! Végül is, maradtam az eredeti kapcsolásnál…Azzal a kivétellel? Hogy,….Az UR55-öt(1,5Kohm) kicseréltem, 3,9 Kohm –ra…Ezáltal a „ kimeneti áram”, 4,2 mA -ra mérséklődött. („ előterhelés” ?…) Majd?.....Nem ragaszkodtam, az általam is kipróbált sokféle műveleti erősítőhöz….( FET-es, és „sima” bemenetű…) Figyelmembe került, ( a próbák során..) A „régelfeledett”, uA 709-es és a ua748-as műveleti erősítő.( A, „sokmáson” kívül..) A próbák során….Az,.. ML 709 CP,..ML 1709 CP, valamint az, UA 748 TC műveleti erősítőkkel, a kimeneti feszültség változása….Csak, a 3089-es, referencia feszültség változásaiból adódó…20 mV-os, ( „megmaradó!”) feszültség változást, produkálta. ( „ Tungsram” IC-k el, nem volt jó tapasztalatom…..) Elgondolkodtató?.... Utánanéztem…A 709-es, kimeneti „ofset” feszültsége…” Hatalmas”,…Más IC-k hez, képest. Talán?.... Itt van a probléma kulcsa?.... Az ofset feszültség kialakulásának „ideje, mértéke”, kompenzálja a „ rendszerben lévő” „ késést”? Talán? Nem a kis ofset feszültségű IC-k, a jók?( is..)... Legalább is, ezt tapasztaltam. Maradt, megválaszolatlan kérdéskén?.. Viszont, jól működik! A másik észrevételem….. Egy régebbi „kísérlet” tapasztalata….. Megpróbáltam, kettő, szembekapcsolt BB 139-es, varikappal megépíteni az oszcillátor kört. Működött is, jól. Csak a bekapcsoláskor…Kellet egy „kis idő”….Közben, „ végigsöpörte” az adókat, amíg rátalált a beállított adóra. Ez, reális is… Mivel, a varikap- nál a záró réteg kialakulása, a „kapacitás”… Az, a rákapcsolt feszültség hatására alakul ki… Olvastam, a TDA 1062 adatlapjánál( lásd, PDF)…Az oszcillátor köri ellenállások, csak 15 Kohm-osak..Szemben, a VT FM tunernál lévő 33 Kohm –os, sakkal szemben. Valószínűleg, hamarabb alakul ki a „ kapacitás”(a, záró réteg), a kisebb ellenállások által. (?) Kicseréltem a 2 db 33 Kohm -ot, 2x 15 Kohm -ra… Sokkal „finomabb” lett, egy-egy gyenge térerejű állomás „ behangolása”….Egyáltalán, a hangolás művelete. Remélem? Sikerült, „más megvilágításból” is megközelítenem a „ probléma” okát? A VT FM tuner vonatkozásában……Ezáltal, „kísérletezésre” inspirálnom, az „arra hajlamosakat”. Üdv.!
Még nem fogtam hozzá mert nincsenek ilyen kondijaim meg varicap megyek majd Debrecenbe és akkor veszek egy pár dolgot de a forrasztásokat máma át nézem azért.
sziasztok
Van egy Videoton 6363s darabom . Problémám vele az hogy az egyik oldal(bal) nem szól!!!Ha mind kettő hangfal rá van dugva akkor a poti csavargatása (jobbra-balra) ellenére mindig csak a jobb oldal szól nagyon pici hangerő vesztés van ,csak akkor is szól a jobb amikor a baloldali hangfalnak kellene!!!Viszont ha 1-vel van rá kötve a hangfal akkor a bal nagyon nagyon halkan szól,a jobb viszont jól működik. Valamint ebbe a foglalatba milyen izzó való? Nagyon szépen köszönöm előre is a segítséget
Érdemes lenne leellenőrizni, hogy a bal oldali végfokozat önmagában működik-e. Ha igen, az előtt kell keresni a hibát. Ha nem, akkor meg a végfokozaton vagy a némító áramkör környékén.
A hozzászólás módosítva: Feb 17, 2014
sziasztok!
videeoton EA 6383S típushoz potméter sapkát honnan lehet szerezni? Az alsó 3 kicsire gondolok! előre is köszi A hozzászólás módosítva: Feb 27, 2014
lemérték nekem ,de nemtudom melyik a rávaló
![]() mivel nem csavaros hanem sima amiben van egy műanyag ami kettéválasztja:S A hozzászólás módosítva: Feb 27, 2014
sziasztok!
úgy esett hogy Köbzoli kolléga által javasolt honlapon a kerseésem sikeres volt ![]() bár azóta új hibára bukkantam rajta:S kétkerámia elleneállás gallyra ment a megjelölt érszen:S kiszeretném cserélni, de gőzöm nics milyen kell oda mert szénné van égve:S előre is köszi
4R7 1-2W De ha leégett, akkor gerjedhet valami.
A hozzászólás módosítva: Feb 28, 2014
köszi!
gondlom ő lenne az ![]() http://szoto.hu/store/passziv-elemek/ellenallasok/1_2W-4R7.html elvileg szólt csak halkan és sistergett:S először valamelyik elkóra gyanakodtam, de persze a gyanú továbbra is fennállhat, persze ha egyáltalán száraz elkó miatt csinálhat ilyet
Nem nehéz
![]() Nem tudtam hogy számít A shift gombjaim kissé ramatyak de a caps lock jól van, szóval bemutatom neked, ismerem a 2.osztályos tananyagot![]() csak annyira nehéz mint a modd szó leírása egyébként köszi a segítséget, legközelebb odafigyelek! A hozzászólás módosítva: Feb 28, 2014
Igen, ez lesz az!
Sziasztok!
Ki tudnátok segíteni egy kapcsolási rajzzal, amin megtalálható a hangerőszabályzó és loudness környéke. Vettem egy potmétert, amilyen elvileg ebben az erősítőbe is van, és szeretném tanulmányozni a loudnesst, esetleg után építeni.
Neked a 4 mm-es,lapolt tengelyvégre való kell!Bár a PDF-jét látva,az csavaros kivitelü.Amennyiben van ,,rányomós" változata azt válaszd.Add meg a forgatógomb méreteit.A gyári mérete 18X13 mm.
Üdv Sityu.
Kb. ilyen:
Bővebben: Link
Köszi!
De ezen a HP55 jelzésű potméter csak egy sztereo potméter, nincs jeleve a megcsapolás, illetve nem is hivatkozik máshol a HP55-re
Ne viccelkedjél mán....
Van ott minden HR57, HC56, HR58, HC59, HR60 vajon mi???
Üdvözletem mindenkinek !
Kaptam egy Ra 6363s-t és a gondom az vele a tape bemenetek nem jók , tape 1 bemenet része működik normálisan viszont a kimenet rész erősen búg , tape II bemenet rész magas frequenciájú sípolás hallható , kimenet erősen torzít ( olyan mintha túl lenne vezérelve ) . Előerősítőn ellenállásokat ellenőriztem azok hibátlanok és a csatlakozónál lévő 330k-s és 4.7k-s ellenállásokat is megmértem azok is jók merre keressem a hibát ?
Sziasztok, egy videoton 6363S erösitöm van, és az a gondom vele hogy miután cseréltem benne két skála izzót....ment egy pár órát és utánna besercegett, pattogott majd elkezdett búgni....nem reagál semmire sem potira sem érintésre...volt egy kis füst de nem tudom honnan csak a szagát éreztem a végfokokat megnéztem és nem látszik rajtuk semmi sema panelon sem az ic ken........ egész este be volt kapcsolva semmi baja nem volt most meg ezt csinálta egy délután alatt ........mi lehet a gond????
Szia! Ellenőrizd a táp feszültségeket a táp kondiknál
|
Bejelentkezés
Hirdetés |





. Problémám vele az hogy az egyik oldal(bal) nem szól!!!









