Fórum témák
» Több friss téma |
Ha jól értem a problémát...A 7805-ös kapcsolásban a nyomógombbal lehet indítani míg feléled a pic, azt szimbolizálja a 5v-os áramforrás utáni kapcsoló. De ha nagyon fontos a minimális fogyasztás, javaslom az lm2576-ban eleve van on/off
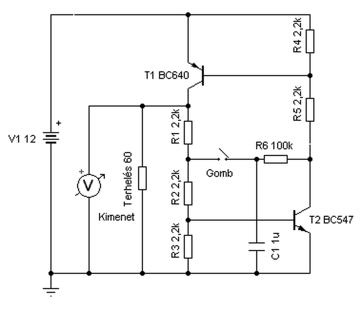
Helló! a 2576 nagyon jó ötlet, pont jó lenne. Sajnos nincs itthon, és gondoltam pár tranyóval ki tudom váltani, és egyúttal a fiókban sem áll feleslegesen. Ha nincs más lehetőség, marad a vásárlás... De azért a funkciókat vázoltam gyorsan: (ld kép)
Az 5V.jpg rajz is klassz, így képzeltem el én is, csak a PB-STSPO1 -t ki kéne még váltani egy kondival hogy magától bekapcsoljon a 12V táp megjelenésekor (mekkora kondi kéne?) (Megjegyzem, én a + ágba gondoltam tenni a T1-et, ott persze praktikusabb egy PNP, úgy gondoltam a 7805 érzékeny lehet a közös földre - fontos a pontos kimenet, mert Vref=Vdd.) Azért akarom hogy magától kikapcsoljon, mert pár óra (vagy 1 nap) felesleges csepegés leszedheti a 7Ah akkut az egyébként gyerekjátékban, főleg ha már csak 50%-os töltöttségű.
Hello! Egy kis logikai bukfenc van a dologban. Ha elveszed a PIC tápját, honnan a fenéből tudja majd, hogy majd be kellene kapcsolni a tápot, mikor nincs tápfeszültsége. Egyébként meg elkomplikálod szerintem. A Chipcad-nél kapható olyan 5V-os stabi, ami nem 15mA önfogyasztású, hanem néhány uA. A PIC-et meg aludni küldöd. A fogyasztókat ki tudod kapcsolni, meg az aksit is tudod figyelni. Amikor kell, meg feléleszted. Szerintem nem kell ide semmi kapcsoló, tranyó relé, meg nyalánkság.
(Az 5V.jpg meg nem jó, mert ha a stabi GND-t kikapcsolod, akkor a kimeneti feszültség felemelkedik, és a PIC már meg is köszöni. A szoftver más, mint a hardver, mert "más a papír, más a szemét" jelige itt is működik. De mivel egy PIC meglehetősen "hardver közeli dolog", sajnos azzal is meg kell ismerkedni. Ez nem PC, hogy a "kutyát nem érdekli mi van benne".)
Szia! Amúgy egyetértek, hogy pár mA-ért nem érdemes, de ebben a kapcsolásban , nemcsak a 7805 gnd-t veszi el hanem a pic negatívját is, tehát nem nő meg a fesz.
Hello! Igazad van, csak az a gond, hogy a PIC gondolom kapcsolgat ezt-azt a 12V-os terhelésen. Annak GND-jét meg elvenni elég merész vállalkozás. Ha magában beszél a PIC, akkor persze lehetne, de szépnek akkor sem mondanám a dolgot..
A hozzászólás módosítva: Máj 4, 2014
Helló proli007 - kösz a hozzászólást, még ha kissé csipkelődős is. (Sokat tanultam már válaszaidból úgyhogy nem bánom.) A logika viszont nem bukfences: a tápot csak a billenőkapcsolóval kell tudni bekapcsolni. A PIC-nek csak kikapcsolnia kell. A gyerek bekapcsolja, de a PIC később leold ha kell. (Kikapcsolt állapotban nincs figyelés). Megpróbálja újra bekapcsolni, de pár újraindítás után meg fogja unni,ez a koncepció.
A védelmem lényege első lépésben a terhelt állapotú mérés, és a terhelés lekapcsolása -> Relé (ami egyébként egy kétfokozatú fogyasztóhoz igazodva kettő relé) - ezt kapcsolók és relék nélkül elég nehezen tudom elképzelni. (a nulladik lépést most nem írom le, pihentetett akku mérése más küszöbértékekkel) Második (azaz harmadik) lépcső az áramkör saját magának történő lekapcsolása, erre kerestem megoldást. A kis-fogyasztású szab megoldás jónak tűnik. Köszi a tippet! A PIC már így is alszik. A ChipCad-nél elő szoktam fordulni, csak messze van, fiókból dolgoztam... De majd útba ejtem. Reagálnék azért a gnd kikapcsolásával kapcsolatos megjegyzésedre is, azt én sem preferáltam, mint említettem is. Tudom, hogy a PIC mit bír el, legalábbis az adatlapja szerint.
Hello! A kívánt öntartást a PIC-el is meg lehet oldani. Ha megnyomod a gombot, bekapcsolja a tápot. Ha a portát magas szintre állítod, úgy is marad. Ha meg alacsonyra viszed (vagy TRIS-t ki), akkor kikapcsolja magát. De a motorokat is így kapcsolhatod, ha ne valami bivaly. (Mert P-MOS-ban nem igen vannak kajakosak.)
Ha a GND-t kapcsolnád, az összes analóg mérést el lehetne felejteni.
Nyilván így már túl sok alkatrész van benn, de érdekességképp ez lett volna a feladat?
Szia! Köszi a rajzot proli007, igaz, jobban szerettem volna billenőkapcsolós megoldást, de ez se rossz. Ha jól értelmezem, a nyomva tartás alatt kell T2 G-jén megjelennie a PIC hi jelének, ami jónak igérkezik, pár ms biztos elég a 7805 + PIC + sw részére. (A 7805 indulási késedelmére nem találtam konkrét adatot, bár a "Line transient response" graf alapján ez pár microsec lehet max.) Köszi még egyszer.
Helló! Köszi neked is! Szimpi a megoldás, asszem igen! Gondolom az rc tag kellő ideig bekapcsolva tartja az optót, hogy a PIC feléledjen és az outputja (amit itt SW2 szimbolizál) átálljon a tartásra. (Mivel épp kikapcsoló státuszban volt, ahogyan proli007 is írta). Néhány ms biztos elég, és a több sem baj.
Az optót meg biztos tudnám sima tranyóval váltani, menet közben a 7805 egyik adatlapján találtam valamit (ld. kép), ami a tiédet mintegy megalapozza, csak a független bekapcs nincs rajta. Csak összejön valahogy. Köszönöm mindenkinek a közreműködést!
Sziasztok!
Megépítettem egy próba erejéig a suliban próbapanelen Proli mesés kapcsolási rajzát, annyi változtatással, hogy a kimenetre inkább kötöttem (az Ő javaslatára is) még egy tranzisztort ami a terhelést (nálam 100Ohm műterhelés + az a LED) kapcsolja a földelésre. Nekem kiválóan működik, semmi baj nincs vele, teljesen üzemszerű a működése, nem bizonytalan. Szerintem egy relével vagy egy triac-kal akár erősítőbe vagy más készülékek ki-be kapcsoló áramköreként is kiválóan üzemeltethető. Néhány kép az Én gyors "mesés" gányolmányomról a próbapanelen.
Üdv! Egy egyszerű kérdésem lenne hozzátok. Itt ez a Be/Ki kapcsoló kapcsolás amit itt találtam még anno.
A kérdés, hogy ha bekapcsolt állapotban van és a tápfeszültségét elveszem, majd mikor visszaadom kikapcsolt állapotban lesz? Vagy ugyanabban az állapotban "éled újra" ahogy volt? A válaszokat előre is köszönöm!
Hello! Itt nincs meghatározva, mi legyen táp bekapcsolásnál. De ha egy 100nF-os kondit teszel az 1-es láb és a GND közé, akkor kikapcsolt állapotú lesz induláskor. Ha a kondit az 1-es és a táp közé teszed, akkor bekapcsolt. (Megjegyezni honnan tudná, ha nincs táp? Nincs benne nem felejtős memória, vagy polár relé, stb,)
Köszönöm szépen a választ
Annó mi úgy tanultuk, hogy a tárolóknak jogukban áll bármilyen állapotban elindulni ha nincs meghatározva számukra a bekapcsolási állapot, a többit proli007 leírta. Még egy apróság. A 4011-es nem használt bemeneteit (8, 9, 12, 13 -as láb) kösd GND-re, különben a bemenetek viselkednek a fent leírt módon.
Sziasztok,
találtam ezt a neten. Arra szeretném használni, hogy távkapcsolóval bekapcsoljam az erősítőmet. Az a gond, hogy az én távom tanítható ugyan de csak 1 gomb van erre (a STB bekapcsoló gombja) es nincs külön ki és bekapcsolója. Szerintetek a relét kellene csak kicserélni ehhez, vagy ezzel nem lehet ezt megoldani? Köszönöm szépen! A hozzászólás módosítva: Júl 3, 2014
Sziasztok! Szeretnek epiteni a kerti otozorendszerhez egy ki-be kapcsolo szerkezetet egy nyomogombbal. A vizpompa es a slag vege kozt, ahova kellene a kapcsolo kb 40 meter van. zeretnek egy gombot hatra, es egyet elore is, hogy mindket helyrol lehesssen kapcsolni a motrot. Egy olyan kapcsolas erdekelne, amivel meg tudnam valositani ilyen tavolsagra. 555-el probaltam, de az 20cm-es drottal mar nem mukodott.
Hello! A hiba vélhető oka, hogy a hosszú vezetéken zavarjelet szed össze a kábel és ezeknek a kapcsolásoknál, a nyomógomb mind két pontja "meleg ponton van". Próbáld meg ezzel a kapcsolással. Itt a zavarjelet megszűrtem a bemeneten. De ha még így is gondok lennének, kibővítem egy optocsatolóval. Azt árammal kell vezérelni, nem fog zavarjelet összeszedni.
Koszonom szepen! Az optokapcsolo eszembe se jutott.
Hogy ilyen változat is legyen.. Így pld. tetszőleges számú nyomógombbot, és tetszőleges kábelhosszal lehet bekötni párhuzamosan. (De az "optós módszer", bármely másik kapcsoláshoz is hozzá illeszthető..)
Sziasztok!
Az alábbi kapcsolást építettem meg, ami remekül működik, viszont amikor tápra kötöm, akkor pozitívot ad. Az megoldható, hogy tápra kapcsolásnál negatívval kezdjen? Előre is köszi!
Sziasztok!
Szerintetek ez a szerkezet elláthatja a topik címében írt feladatot? Bővebben: Link Köszönöm szépen válaszotokat!
Hello! Tegyél az R3-al párhuzamosan egy 100nF-os kondit..
Szuperál! Köszi!
Azzal lehet valamit kezdeni, hogy ha a nyomógomb vezetéke hosszabb (kb, 20 cm), akkor nem igazán működik zavartalanul. Vagy inkább építsem meg a másikat?
Hello! Tedd át a 100nF-ot a bázisról, az R1-R2 csomópontjába. Ekkor kevésbé lesz zavarérzékeny. De ezek az egyszerű kapcsolások, nem igazán alkalmasak "távműködtetésre". Viszont nemrég rajzoltam egy olyan megoldást, ahol szinte bármely hosszú lehet a nyomógombok vezetéke. Itt, pont az eredeti kérdésed felett volt..
Szia Proli007!
Ismét a segítséged kérném! Megépítettem a kapcsolást, működik is, csak sajna nem úgy ahogy nekem kellene. Szóval, van 3 db 12v dc motor, aminek a mechanikáján vannak végállás kapcsolók. A motoroknak egymást kell vezérelniük, és van egy olyan pont, amikor a motort be, majd hirtelen ki kell kapcsolni. Na ezt a pontot ez az elektronika nem tudja követni. A hirtelen kapcsolásra nem reagál. Lehetne valamely alkatrész cseréjével gyorsítani az elektronikán?
Hello! Lehet gyorsítani. Mert a kapcsolás "sűrűségét" a C2*R2 időállandója határozza meg. Egyszerű nyomógombnál nem célszerű gyorsítani, mert prelleghet. De itt az optónál nem lesz túl nagy gond. Mindössze csökkenteni kell arányosan C2 és C1 értékét a kívánalmad szerint.
Kösz Proli, nagy vagy!! Úgy működik, ahogy kell!
Azt szeretném kérdezni, hogy a lenti kapcsolásban (köszönet érte proli007-nek) a relét lehet helyettesíteni G2RL-1 relével? L betű nélküli változatot nem találok sehol. Mi lehet a különbség?
Köszönöm A hozzászólás módosítva: Aug 15, 2014
Miért ne lehetne? Csak rajtad áll, hogy milyen nyákot készítesz hozzá. De ha jól emlékszem az "L" változat mindössze annyit jelent, hogy alacsonyabb a relé. Arra ügyelj, hogy az "-1" változatnak csak egy váltó érintkezője van. Ha ezzel 230V-ot kapcsolsz, akkor csak abban az esetben használható, ha a készülék fixen van a hálózatra kötve, nem villásdugóval. Mert csak ebben az esetben biztosítható, hogy a relé a fázist kapcsolja. Ha nem fix bekötésű, akkor mind két hálózati pontot (fázis-nulla) bontani kell. Vagy is "-2"-es típusú relé kell.
|
Bejelentkezés
Hirdetés |

























