Fórum témák
» Több friss téma |
Fórum » Kapcsolási rajzot keresek
Témaindító: Kallai Csaba, idő: Márc 11, 2006
Témakörök:
Az LM2596 adatlapjanak elso oldalan lathato kapcsolast epitsd meg egy fix 5V-os kivitellel (LM2596-5)
Szerintem az MC34063 nem neked valo, nem fogja birni a terhelest, meg hutofelulete sincs, azaz a maximalis kapcsoloaramot se tudod kihasznalni (tranzisztoros belso meghajto>>nagyobb maradekfeszultseg>>magasabb hotermeles).
Sziasztok!
Én egy olyan kapcsolást keresek, ami 7-9V 100mA-t tud kapcsolni egy nyomógombbal, hogy: egy gombnyomásra bekapcsoljon, és csak akkor kapcsoljon ki, ha hosszan nyomjuk a gombot. Ha valaki tud segíteni, azt megköszönöm! Üdv. Bence
Ez itt egy egynyomógombos ki/bekapcsoló, de azt nem figyeli hogy épp hosszan vagy röviden nyomod. Egyik nyomásra be, másikra kikapcsol.
Ez nem lesz jó ?One button switch Elvileg a C1 és C2-vel azért lehet játszani hogy ne egyformák legyenek az idők. A hozzászólás módosítva: Máj 23, 2014
Vagy itt egy másik verzió
)
Hello! Több módon meglehet oldani, egy változatot megrajzoltam. A kikapcsolás gombnyomásának idejét ugyan nem mondtad, de R3 és C3 megválasztásával változtatható.
(Amit Pisti ajánlott, nem jók erre a célra, mert figyelni kell a gomb nyomva tartási idejét figyelni kell valamivel.)
Sziasztok!
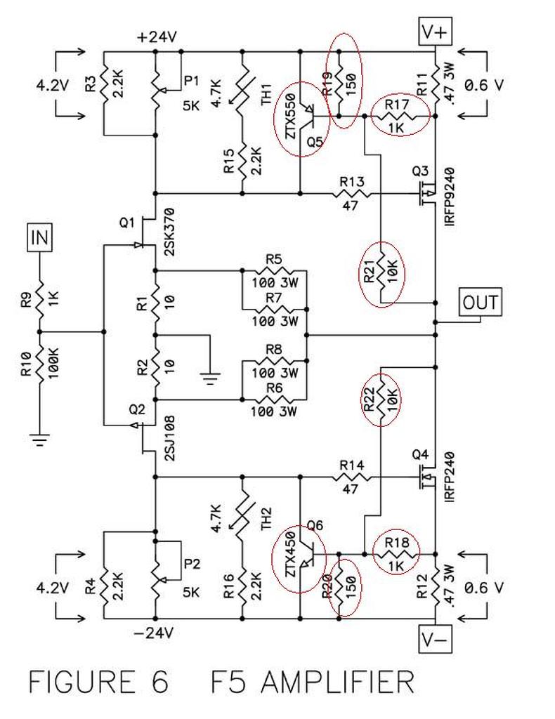
Talán nem ez a legjobb rovat a kérésemhez, de nem találtam a helyét. Keresek nyomtatásra, vasaláshoz Nelson Pass F5 nyákrajzot bármilyen formátumban. Köszönöm!
Szia!
Lenne egy tiszteletteljes kérésem,szeretném megcsinálni ezt a kis töltőt(K7302-es)a képét adom. Az eredeti leírás szerint a tranzisztor BD135-ös,nekem viszont BD243-as van,jó-e helyette!? Az igazi nagy kérés az lenne,a nyomtatott panel képét,ha valaki megrajzolná,nagyon jó volna!? Előre is köszönöm,kezdomotoros.
Jó helyette, még többet is tud.
Helló sziasztok!
Tud nekem segíteni valaki az ügyben hogy megtaláljak egy kapcsolási rajzot? A csodálatos termék ami immáron nem működik az 1 ibiza sound club15a-sub nevezetű eszköz, és keresem a kapcsolási rajzát. Ha valaki találna ezen a világhálón, annak megköszönném!
Kösz Sebi,de a nyák rajzolás az nem megy nekem,ha ebben tudnál segíteni!?
Sziasztok!
Egy Philips FW765P névre hallgató CD-s, rádiós, magnós, 5.0-s hifitoronynak keresem a kapcsolási rajzát. Tudtok esetleg valamilyen segítséget nyújtani?
Időközben megtaláltam, szóval ha másnak is esetleg kellene, ITT egy regisztráció után elérheti.
Sziasztok! Adott lenne a képen látható kapcsolás, ami 24v szimmetrikus tápról megy. Megengedett egy kicsivel nagyobb 36v?
Köszönöm a segítséget! A hozzászólás módosítva: Máj 25, 2014
Üdv. Egy olyan kapcsolási rajzot keresek,ami hasonló elven működik mint egy nagyothalló készülék,csak annyi volna a változtatás hogy itt ki kéne szűrni egy bizonyos háttérzajt. Kicsit érthetőbben: Nagyon szeretek motorozni,de a Riga nem arról híres hogy halkan ketyeg,így soha nem hallom a melletem közlekedő barátom mondatát,persze ő az enyémet halja. Szükséges volna tehát egy olyan készülék ami felerősíti a külső hangokat,de a motor saját üzemi hanját (ha már részlegesen is) de leszűri mert így a kommunikálás szinte lehetetlen. Remélem érthetően sikerült leírnom amit szeretnék. Köszönöm előreis a segítséget.
A hozzászólás módosítva: Máj 26, 2014
Fejhallgató, kézi rádió. Szerintem a te problémádra nem létezik olcsón más megoldás,esetleg a motor valamilyen szintű zajcsökkentése. Lehet ennek az árán lecserélhetnéd a RIGA-t, ami azért némi hosszútávú előnnyel is járhat.
Akkor marad az útközbeni hangszálkoptatás.
A rigámtól semmi áron nem szabadulnék meg. Örökké kevencem marad,így ha nem létezik rá megoldás,akkor marad a jól bevált ordítás. Azért köszönöm szépen a segítséget.
Sosem próbáltam ki, de egy kísérletet talán megér...
Lenne két egyforma mikrofon. Az egyik közel a beszélőszervhez, a másik (neki háttal, kísérletileg pozícionált) a környezeti zajt veszi. Az erősítőbe fázisfordítva bekeverjük a zajt (beállítható szinttel) és meghalljuk hatásos-e.
Esetleg egy példa kapcsolást tudnál mutatni? Így fejben már elképzeltem mire is gondoltál,csak egy kicsit vizuális ember vagyok.
Arra gondoltál hogy a 2 mikrofonból jövő,azonos frekvenciáju jel kioltaná egymást? Remélem jól értettem. A hozzászólás módosítva: Máj 26, 2014
Akkor ezzel a kapcsolással kiküszöbölhető a probléma? Elnézést az oldal nyelvét eggyáltalán nem értem.
Sajnos firefox böngészőm van az pedig nem fordítja le automatikusan a weboldalakat.
Elvileg... Hogy a valóságban mit produkál, azt nem tudom. Valamikor volt a mikrofonok elhelyezéséről is rajzom, de nem találom. Valamiért ezt az oldalt a Chrome sem fordítja.
Köszönöm. Összeszedem hozzá az alkatrészeket,összerakom és leírom mit produkált a kapcsolás. Köszönöm mégegyszer a segítséget.
Szebb reggelt. Megvan e valakinek a Siemens Sitop Power 40, 24V-os 3 fázisú tápegységének kapcsolási rajza? Vagy valamelyik hasonlónak?
Sziasztok ,tud valaki segiteni ,Onkyo tx 7630 erösitö rajzával,_vagy a táprészen lévő R908 ,_R909 ellenállás értékéről mert le><égett,_a google nem lehet hozzáférni,_köszi.
A hozzászólás módosítva: Jún 3, 2014
Sziasztok!
HQ Solder 30 Állomás rajza nincs meg valakinek? Vagy akinek van otthon megnézné mi volt az értéke R1-es pozíció számú ellenállásnak.
Az Solomon. Bár nem tudom van-e különbség.
Üdvözletem Tisztelt Fórumozók!
Keresném a Sherwood XA-1181Q autós erősítő kapcsolási rajzát. Előre köszönöm a segítséget. Tisztelettel:Öreg Tom
Sziasztok!
Még régebben láttam valahol (valószínűleg itt), hogy valaki épített egy 8Xvalahányas LEDes fényújságot... Most, hogy ismét elkezdtem keresni, sehol nem találtam... Se itt, se BSS elektronikán, sehol... Egy nagyon jó kis leírás volt, az építés menetével, fotókkal, forrással együtt... Valaki meg tudja mondani, hogy mi van ezzel a cikkel? És ha megvan, akkor hol találom meg? Köszönöm!
|
Bejelentkezés
Hirdetés |




) 









Örökké kevencem marad,így ha nem létezik rá megoldás,akkor marad a jól bevált ordítás. Azért köszönöm szépen a segítséget. 





