Fórum témák
» Több friss téma |
Fórum » Hegesztőtrafó egyenirányítása
Kadarist, belinkelte az ismertetőt. Egyébként egyenes polaritásnál az elektróda negatív polaritású, a munkadarab pozitív polaritású.
Köszi.
Sziasztok.
Egy gondolat foglalkoztat, és ti tudnátok szerintem a választ rá. Van egy sima hegesztő trafóm amit egy ellenpárhuzamos titiszrorral szabályozok, pic vezérléssel. Töléletesen megy. Akár négyes pálcát is viszi. Az a kérdésem fel lehet az inverter kimenetén lévő egyenirányító részét ide használni? Az inverteren 35-40Khz van a sima trfóba meg csak 50Hz. Bírná szerintetek? A hozzászólás módosítva: Jún 5, 2014
Szia!
Attól, hogy schottky dióda, még bírhatja. Kérdés, hogy mennyire volt "túl feszítve" az inverteres hegesztőben... Tehát a típusa, és annak adatlapja többet el fog árulni számodra. És az is természetes, hogy az alacsonyabb frekvencia miatt, csak is Graetz-be kötve használható. És ennek megfelelően, a fojtó mérete is jóval nagyobbra fog adódni. Annak a PIC-es vezérlésnek, a doksijáért, viszont "kezet csókolnánk". Üdv Tibi. A hozzászólás módosítva: Jún 5, 2014
Meg kell keresni a dióda adatlapját! Addig semmi biztosat nem írhatunk. Inverterekbe gyors diódákat tesznek, eléggé szűkre méretezve. Míg egy trafós üzemre szánt 50 A-es dióda 400-600 A-es csúcsokat is elvisel, előfordulhat, hogy a gyors dióda csúcsárama csupán kétszerese az üzemi áramnak. A védelmét az elektronika biztosítja.
Ezzel biztosan nem szabályozol, egy hegesztőt. Én összedobtam eut a rajzot. Az eredmény egyszaggatott szabályozás. Nem lehet tendesen hadználni. Egy izzót szokás ilyennel szabályozni. Jómagam egy ellen párhuzamos tirisztor gyujtású szabályozór csináltam, amit egy pic vezérel. Szuperül működik.
60apu04 tipus
A hozzászólás módosítva: Jún 6, 2014
Jó tett helyébe jót várj. Ha feltudom tölteni az elektronikai oldalra felteszem. Ha megtalálom.
Szia
Feltöltöttem, ha a moderátor elfogadja, akkor a cikkben fogjátok látni. A hozzászólás módosítva: Jún 6, 2014
Szia! Köszi szépen! Ha a helyén lesz, majd linkeld már be légyszíves, vagy a kategóriát add meg, hogy hová került, és milyen címen keressük.
Még egyszer köszi!
Szia
Fent van, jó utánépítést.
Köszönöm!
Üdv. Kapcs.rajz lemaradt,így nem tudom mivel nem l
ehet szabályozni.
Aki vár az ki vár alapon ,köszönöm a választ bubuszoft-nak.De fényerő,valamint olvasztó páka szabályzására kiváló,ki van próbálva.
.De idő közben azért építettem működő primer oldali szabályzást, csak a hegesztő trafó karakterisztikája (nem awi-hoz való) a szabályzó mai napig egy dobozban pihen
Jó estét mindenkinek !
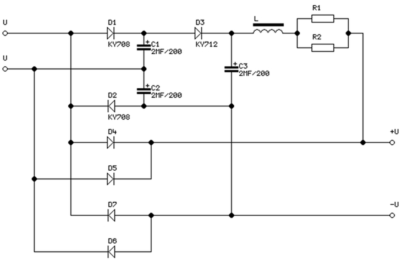
Olvasgatam a topikban és szeretnek segíteni azoknak az embereknek akik egyenirányíttásal bajlodnak van egy nagyon jó rajzom nekem bevált! Remélem segített A hozzászólás módosítva: Nov 29, 2014
Kiegészítésként annyit, hogy a D4-D7 diódák nagyáramúak. Én a KY-ok helyett valami tisztességesebb 10-16A-es 200-400V-os típust használnék. Egyébként az áramkör tényleg jó.
Még annyival kiegészíteném Mpisti válaszát, hogy a D2 elhagyható, hiszen párhuzamos a D7-el.
Helo a D4 D5 D6 D7 a teljesítmény diódák azért nincs oda irva semi a többi a lényeg csak a feszültség duplázásához szükséges nekem 40V DC ből a plusz elektronikával let 108V DC az üres jarati fesz és igy jaték az ivgyujtas
A hozzászólás módosítva: Nov 30, 2014
Szia!
Nem vitattam, hiszen magam is több helyen alkalmaztam már e feszültség kétszerezőt. Nagyon ötletes, hogy ide a hegesztés technikába is bevezetted!!! Mindössze annyit szóltam hozzá, hogy a D2 felesleges. Viszont azt megkérdezném, hogy jelen felhasználás esetén, mekkora értékű ellenállást, és milyen teljesítményűt alkalmaztál? Valamint, a fojtó kiviteléről ha tennél -pár mondatban említést, azt nagyon megköszönném! ![]() Üdv Tibi. A hozzászólás módosítva: Nov 30, 2014
Szia!
Számomra az nem egyértelmű az ellenállások értékén kívül, hogy a 2MF az 2µF vagy 2000uF?
Szívesen az elenálások 10ohm/25W-osak !
A fojtóm az régi pc tápból a ferit gyűrű lett átt tekerve 2,5 ös hálozati réz huzallal ami rá fért ! A kondik nekem 200V-os és eltérő µF os ak majd dobok kel képeket ![]() Nekem innen a kép http://www.svarbazar.cz/phprs/view.php?cisloclanku=2009072401
Helló!
Nekem az lenne a kérdésem, hogy tulajdonképp mi ez a szerkezet? Mire, mihez használható, miben segít? Köszönöm
Szia nzozz!
Bocs, hogy én válaszolok! Mint feszültség kétszerező, megduplázza a gyújtó feszültséget. De mint csúcs egyenirányító(a kindik miatt), nem csak meg duplázza, hanem az effektív feszültség csúcs értékét igyekezve fenntartani, még azon is felül emeli a gyújtó feszt. A már létrejött íváramot, a soros ellenállás miatt, jelentősen nem befolyásolja, viszont, egy esetleges ív megszakadást, igyekszik korrigálni.... Tehát jó dolog! Üdv Tibi.
Nehezen érthető, miért használ 2 MF jelzést a cseh kolléga, mikor az M a Mega, azaz millió jelzése, közben kilo-val számol. ~2000 µF-os csoportokat rakott össze, gondolom PC tápból bontott 200 V-os kondenzátorokból. A ferritmagra tekert fojtód mintha ott se lenne. 50 (100) Hz-en rövidzárnak minősül. A leírásban és az utána következő képeken komoly hiperszil magos fojtót mutat.
Arra a fojtóra a rajz szerinti helyzetben semmi szükség, nyugodtan elhagyható. A rajz szerinti diódák jó esetben 2-3A-al terhelhetők, egyik katalógusok 10A a másik 2A diódaként jelöli, tehát nem egyértelmű a terhelhetőség. Ide mindenképpen- mint ahogy korábban is írtam- komolyabb diódák kellenek, minimum 10-16A, de inkább 20A-es, különösen ha az áramkorlátozó ellenállások eredője 5ohm.
Sziasztok!Lenne 1 kérdésem van 1 régi trafós awi gépem ac dc a hf-es gyujtás megy rajta csak nem gyujt be mi lehet a baja?köszi
Helo nekem abban segített hogy kevés volt a feszkom és ez megdupláza igy könyebb az ivgyujtas!
Nekem is régi pc táp kondik vannak 1950uf jött össze nekm van az egyenirányitas után egy rendes fojtó plusz a feszültség duplazo után a ferit gyari tekerésel de az elenálások amik a végén vannak azok nekem még nincsenek nem tudo azok elhagyhatók lehetnek?
|
Bejelentkezés
Hirdetés |





.De idő közben azért építettem működő primer oldali szabályzást, csak a hegesztő trafó karakterisztikája (nem awi-hoz való) a szabályzó mai napig egy dobozban pihen







