Fórum témák
» Több friss téma |
Kérdésed ide költözött: Medencefűtés
Sziasztok!
Mai nap szereltem be a napkollektoros rendszerembe egy hőfokszabályzót . Van két szenzor hozzá ,1-1 tranzisztor formájában. A problémám az ,hogy a kollektort szenzora ,amihez 17 méter kábel szükségeltetett, az nem akar mérni . 0 fokot ír rá, ami ebben a kapcsolásban annyit jelent ,hogy nincs szakadás ,se rövidzár. Leírás szerint max 30 méter árnyékolt kábelt célszerű használni. Én 17 méter 4eres (árnyékolt) riasztókábelt használtam. Próbáltam a tranyó földre csatlakozó lábát dubla éren vezetni ,de nem vált be. Esetleg ha valakinek van valami ötlete, szívesen fogadnám.
Hali szerintetek ez a vezérlés jó lesz a napkollektoros rendszeremhez? Ezzel nemkell órákat szenvedni mire beállítom?
Ezekből a képekből sokminden kiderül, csak az nem, hogy konkrétan milyen kapcsolás.
Egy kapcsolási rajz alapján sokkal többet tudnánk mondani.
A kép nevének első számsorából én a Conrad-os hőfokkülönbség kapcsolóra tippelek
Bővebben: Link Leírása: Link
Ha nem akarsz szenvedni, vegyél Alfasol- vagy Anasol-t. Direkt erre készült. Van rajta néhány LED és kész.
Kössz a tippeket majd még kitalálom hogy melyiket vegyem meg.
Sziasztok
Hogyan kellene bekötni a rendszerbe egy négy évszakos napkollektor 150 literes egy hőcserélős tartályát a meglévő kazán mellé, ami egy indirekt 200 literes tárolót működtet. Esetleg dobjam ki a 200 literes tartályt és vennem kellene egy két hőcserélős tartályt? Ebben az esetben az a probléma, hogy a kazán vezérlője a tartályon van. (A kazán típusa Vaillant VK 41, a tartály VIH 200) Azt szeretném elérni, hogy a kazán csak akkor segítsen rá, ha nincs elegendő napfény. Valahogy automatizálni szeretném, hogy ne kelljen csapokat nyitogatni és zárni. Előre is köszönöm a segítséget.
Üdv,
Van valakinek egy kapcsolási rajza napkollektorhoz? Nem akarnám túlbonyolítani. Én vizet keringetnék egy bojlertől külön tartályban, tehát csak ez az egy kör lesz benne. A működése egyszerű lenne. Ha pl. ~8C különbség van a tartály és a kültéri víz között, akkor induljon el a szivattyú. A szivattyú addig megy, amíg a tartály és a külső egység hőmérséklete 8C-nál kisebb lesz. Illetve kellene bele egy offszet érzékelés, hogy pl. 25C külső hőmérséklet alatt el se induljon az egész. Nem akarnék mikrovezérlőzni. Biztos meg lehet oldani egyszerűbben valami hiszterézises komparátorral, de nem találok egy konkrét kapcsolást sem amihez lenne normális leírás, hogy melyik ellenállással milyen feszültségeket, ergo hőmérsékleti pontot, lehet állítani. Valakinek ötlet?
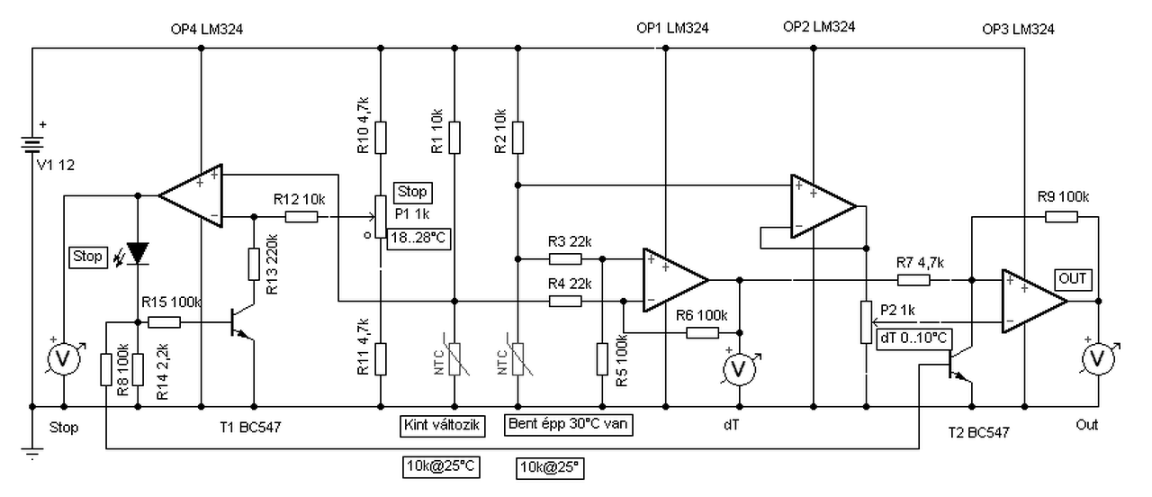
Hello! Megrajzoltam..
- Az érzékelést két 10kohm-os termisztor látja el. - A differenciát kb. 0..10°C között állathatod P2-vel. Hiszterézise az R9, jelenleg kb. 2°C. - A lekapcsolást kb. 18..28°C fok között állíthatod P1-el. Hiszterézise az R13, jelenleg kb. 2°C - Ha a dT műszer helyére 0..10V-ig mérő műszert teszel, akkor láthatod a differenciát. De csak ha kint melegebb mint bent. Egyébként nullát mutat. De nem skálázható, mert 20 és 30 fok között nem ugyan az a differencia, mint 50 és 60 fok között. De egy magnó kivezérlésmérő pld. tájékoztatást adhat azért, hogy mi van. A hozzászólás módosítva: Jún 1, 2014
Köszi szépen!
Majd végignézem, leszimulálom én is. A dT műszer miért mutat mást 50-60-nál mint 20-30-nál? Az NTC karakterisztika miatt? A kimenetre gondolom rá lehet kötni egy relét, ami a szivattyút működteti?!
- Mert az R1-R2 és az NTC-k feszültség osztót alkotnak. A különbségképző erősítő a feszültség különbséget erősíti. Az NTC-k a hőmérséklettel kb 3,6%/°C arányban változtatják az ellenállásukat. Ha 1V van az NTC-n és 10%-al változik meg, akkor 100mV a változás. De ha 2V van rajta, akkor ugyan ez már 200mV.
- De a hőérzékelésre lehetne alkalmazni pld. MCP9700 szenzorokat is. Annak hőegyütthatója 10mV/°C. És teljes tartományban ennyi, vagy is a differencia mindig azonos dT=10 fok mellett. Ha érdekel, megrajzolom azt is, kb. hogyan kell kialakítani erre a feladatra.
Heló,
Összeraktam az áramkört a szimulátorban, de sehogy sem akar működni. Több helyen is próbáltam méricskélni. Illetve 1-2 helyen lenne kérdésem, hogy mi az alkatrész funkciója. -Az OP4 kimenete mindig 3,8V körül van akármit csinálok. Az OP3 kb ugyanannyi. Az NTC-ket 100k-s potikkal helyettesítettem. Az NI Multisim progiját használtam. Becsatolom az áramkört hátha te rájössz hol rontottam el. -Az OP4 3,8V kimeneti fesz. elég lehet ahhoz kinyissa T1 és T2-t. T1 és T2 mit csinál? A negatív és pozitív visszacsatolást kapcsolja ki és be az egyik és másik műv. erősítőnél? -Az OP1 végzi a különbségképzést, az OP3 pedig a hiszterézist tenné bele OP2 segítségével gondolom. -Az OP3 kimenetre nem kell felhúzó ellenállás?
Egy elkötés hibát találtam. Ha Q2-t a te rajzod szerint kötöm be, akkor XMM4 és XMM1 értékei kb 20-21 V körüliek lesznek, ami 12V-os tápnál érdekes.
Hello! Hogy Te és a szimulátor mit tesztek, azért én nem tudok jótállni.. De az sem úgy van, hogy így vagy úgy kötöd be. Mindent oda kell kötni, ahova rajzoltam! Egyébkánt más hiba is van. Az R16 nem az R10-re megy, hanem az R11-re.
- Az OP1 egy különbség képző erősítő, melynek erősítése 4,5 körüli. Vagy is a termisztoros híd átlófeszültségét erősíti fel a GND-hez mérve 4,5-szörösére. - Az OP2 követő erősítő,annak kimenetén a belső NTC-n eső feszültség mérhető. Ez a dT referencia feszültségét adja. Az változik, mert a két hőmérséklet változásával, a különbségi feszültség is változik. - Az OP4 és OP3 komparátor. Annak kimenetén vagy nulla, vagy kb. 10V feszültségnek kell lenni. - T1 a pozitív visszacsatolása az OP4-nek, ez állítja elő a hiszterézist. A T2 kikapcsolja a fűtést, ha OP4 jelzi, hogy a STOP értéke alatt van a kinti hőfok. - Műveleti erősítő kimenetére nem kell felhúzó ellenállás, az fel tud menni magától is. A hozzászólás módosítva: Jún 11, 2014
Üdv,
Megépítettem az áramkört. Az van hogy 10k-s NTC-t nem kaptam, csak 2,2k körülieket. Gondolom az R1 és R2-t (a te rajzodon) hozzá kéne igazítani és kicserélni 2,2k-sokra, nem? Illetve a kimenetre ráraktam egy 9V-os relét (mert szintén csak ilyen volt).
Hello!
- Igen a két ellenállást is cserélni kell. De hogy a megnövekedett NTC áram mennyire fogja fűteni a termisztorokat, azt nem tudom, az majd eldől a gyakorlatban. Gondolom bekapcsolás után, némi mászkálást fogsz tapasztalni. - Az "Out" kimenetre, ha egy NPN tranyóval emitterkövető kapcsolást teszel (no meg visszafutás diódát), akkor a relé kb. pont a 9V-ot fogja megkapni és a relé sem terheli a műveleti erősítőt.
Heló,
Utólag ezt berakni kicsit gányolás lenne. Első körben megpróbálom a tápot 12-ről 9V-ra. Az adapter állítható. Az Lm324 meg elvileg elmegy 9V-ról is. Az NTC úgy néz ki kb. mint egy kerámia kondi. Egy csavarozható nyákba forrasztott csatira vannak berakva. Egyelőre elférnek a levegőben, de majd teszek rá kábeleket, azután meg vízbe kellene tenni. Hogy ne zárja rövidre a víz, lehet hogy lefújom beépítés előtt lakkal. A Víz meg szerintem majd hűti.
Nem szabad vízbe tenni, még lakkozva sem! Vagy rászorítod valamivel a csőre, esetleg hőátadó pasztával, vagy befúrt és beforrasztott-hegesztett csonkba dugod, de mindenképpen elektromosan szigetelten.
Idézet: „A Víz meg szerintem majd hűti.” Hiszen a víz hőmérsékletét akarod mérni? A hozzászólás módosítva: Júl 22, 2014
Sziasztok.
Segitseget szeretnek kerni arra, hogyan tudnam megoldani vezetek kiepitese nelkul, hogy a teton levo kollektorba levo viz hofokat lassam a foldszinten. Mert ha elegendo melegviz, all rendelkezesre , nem kellene feleslegesen bekapcsolnom a rasegiteskent mukodo villanyboylert. Koszonettel varom az otleteket.
Szervusztok,
Közelebbi témát nem találtam, de hátha belefér ide: ismeri, szerelt fel valaki Viessmann Vitosol 200 - FM víz melegítőt? Ígaz az, hogy a víz nem tud 75 foknál jobban felmelegedni a ThermProtect réteg miatt? Az esetleges hozzászólásokat, véleményeket előre köszönöm. |
Bejelentkezés
Hirdetés |














