Fórum témák
» Több friss téma |
Fórum » Aktív hangváltó
Kéne egy kis segítség.
Első gondolatom hogy egy 3. rendű aktív váltó az megfelel egy 3. rendű passzív váltónak. Viszont ha ez igaz akkor jön amit nem értek. ![]() Megépítettem (nem teljesen, részletek később) ezt a kapcsolást, ez egy Rumble filter (HPFfilter). Nah már most, elvileg 2 db 18db/oktáv meredekségű szűrő van sorba kötve, így lesz 6. rendű az egész. Viszont a magas csoportfutási idő miatt, csak az elejét építettem meg ami 3. rendű és 27Hz lett az F3 pont.. És most jön amit nem értek, megépítettem. Bekapcsolom, a feszültségek rendben, nincs füst se. Viszont lemértem RMAAban és ARTAban is a dolgot, és összehasonlítottam a WinISDben található elméleti grafikont és rájöttem hogy amit összeraktam csak 2. rendű és nem 3., meg az F3 pont csak 26Hz lett az alkatrészek szórása miatt de ez nem fontos. Linkelek pár képet hátha valaki megfejti.A képeken be van jelölve pirossal, ami lényeges.
Helló, valaki meg tudná mondani röviden mi is az a 2utas aktív hangváltó? Mit csinál az a hanggal...?
Sziasztok!
Építettem egy aktív hangváltót L-R típusú karakterisztikával, 24dB/oktáv meredekséggel. Kettő darab felüláteresztő szűrőt tartalmaz, ez választja le a mélyeket a két szélessávú hangdobozról, valamint van benne egy sávszűrő rész, ami a sub hangládát kezeli, gyakorlatilag egy subsonic filter, és egy aluláteresztő szűrő. A keresztezési frekvencia 80Hz, a subsonic filter pedig 15Hz-es törésponttal szűr. A probléma az, hogy a mélyszekcióban két egymás után kapcsolt alul illetve felüláteresztő szűrő miatt eltolódik a töréspontja az aluláteresztő szűrőnek, és a karakterisztika is értelmezhetetlen, nem hasonlít közel sem a 34dB/oktávos L-R szűrőjére, míg külön-külön mindegyik tökéletesnek mondható, néhány Hz-es eltérések vannak csak, ami bőven a fóliakondik szórása. A két felüláteresztő ami a hangdobozokat vágja alulról, tökéletesen működik, de a mélyszekció szűrői csak külön-külön, akkor rendesen dolgoznak, együtt viszont nem. Próbáltam azt is, hogy beiktatok egy műveleti erősítőt a két szűrőfokozat közé, de úgy sem változik semmi. Gyakorlatilag a Rod Elliot féle szűrőről van szó, méretezéshez is a programocskát használtam. Volt esetleg valakinek már ilyen tapasztalata, hogy a két sorba kapcsolt szűrőfokozat eltolja a töréspontokat? Nem nagy a különbség, kb 20Hz, de ez ebben a tartományban jelentős, elég nagy lyukat okoz a felső subtartomány átvitelében. Nagyobb frekvenciákon (2-3kHz) ez nem gond, bár nem tudom, hogy ott nem arányosan növekedne ez az eltolódás, mert akkor ott is jelentős. Ezen kívül semmi gondja a kapcsolásnak, nem torzít, a jelveszteség is csak pár mV 2V- mellett, csak hát a lényeg veszik el..
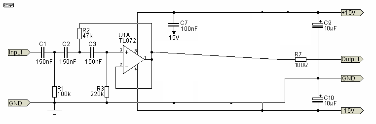
Sziasztok!A mellékelt aktív hangváltót szeretném elkészíteni, mi a véleményetek róla, mármint hogy működő képes-e? Min kell változtassak, hogy kicsit meredekebben vágjon?
A hozzászólás módosítva: Máj 5, 2013
Mielőtt csak úgy kérdezgetek, nekem kellett volna saját magam ellenőrizni. Mellékelek egy képet, hogy hogyan vág.( Elkészítettem tinaban)
Sziasztok, rajzoltam egy nyákot egy nagyon egyszerű hangváltóhoz, esetleg ha van ideje átnézni akkor azt megköszönöm, illetve a kérdésem még az lenne hogy melyik elemmel lehetne változtatni a keresztezési frekvenciát?
Van valami aránylag egyszerű 2 utas hangváltóhoz kapcsolásotok?
Nem kellenek nekem utankénti hangerő szabályzás, csak egy potméter a keresztezési frekvencia állításához. 40-120Hz között jó lenne állítani.
Hangzásban nagy különbség van a 12 dB/oktáv és 24 dB/oktáv közt?
Udv! Az nem hangzas, hanem a szuro meredeksege. Minel meredekebben vag egy szuro annal jobb, persze esszeru korlatokon belul. [Javitsatok ki ha tevedek, nem akarok senki sem ferrevezetni, en ezt igy tudom.]
Tudom, hogy mi a meredekség. Kevésbé meredeknél több átfedés van a két hangszóró között. A között, hogy élesen el van vágva, vagy nincs élesen elvágva biztos, hogy van különbség, csak kérdés, hogy mennyi.
Van az RH-Soundnak egy grafikus EQ hangváltója sub kimenettel huszonpárezerért , vagy húsz alatt hangváltó 24dB/oktávos Linkwitz/Riley szűrővel. Vagy pedig építsem meg a cikkek közt található 12dB/oktávosat. EZ a kérdés.
Hat en csak annyit tudok[tapasztalat], hogy nagy kulonbseget hallok a 6dB/oktav es a 12dB/oktav kozott. Hogy a megfelelo vagas legyen meg a 6dB/okvnal-magassabb kell legyen a vagasi freki es csunyan tompintja a tobbit. Szoval a 24dB/oktav nagyon pontos vagast eredmenyez. Amit beallitasz az utan mar szep meredeken vag. Ami jot tesz a kulonbozo hangszoroidnak es nincs az hogy bizonyos vagasi freki miatt hogy teljesen ne hallatszodjon nem kell nemtudom mennyivel hamarabb elkezdeni vagni. Ja es akkor elonyos megvenni ha ragaszkodsz a rack merethez. En is most keszitettem magamnak aktiv crossovert, annyi hogy nekem fixek a vagasi ertekek ..annyi hogy kicsi a panel es inkabb a rackek hata moge berakom egy dobozkaba es kesz, nem hasznalok 1U racket, ami kulon megvasarolva, ugyancsak van ara.
Mondjuk nekem Hifi célra kellene, nem PA.
Csak az a baj, hogy a 24-es az sokkal több alkatrészt eredményez.
Gondolkodtam, hogy hogyan lehetne állítani egyszerűen a 24dB/o váltót. Arra jutottam, hogy multiplexerrel egyszerre választom ki mindenhova a megfelelő ellenállást. De le tettem róla, mert kész alkatrésztemető.
Kényelmetlenebb, de csak egyszer kell beállítani:
Linkwitz-Rilex crossovernél, ha 24dB/oktávos, akkor az alul és felül áteresztő szűrőkhoz 4-4 ellenállás kell. 16 lépésben 5 ellenállással lehet szabályozni. Nekem számításaim szerint 8,2k és 33k közt kellene. Kettes számrendszer szerint állítjuk be 4 DIP kapcsolóval (1db 8-as DIP kapcsoló ebayen 1200Ft), méghozzá úgy, hogy a következők sorba vannak kötve: 8,2k eltolás miatt, hogy 0 ohmal kezdődjön 1,8k az 1-es 3,6k, 7,2k, 14k a 2-es, 4-es, 16-os helyi értékeknél. A DIP kapcsolóval 1,8k, 3,6k, 7,2k, 14k-s ellenállásokat lehet kisöntölni. EZ alul és felül áteresztő szűrő esetén 8, sztereo esetben 16 ellenállás helyén kell ezt megvalósítani, amihez 64 kapcsoló kell, illetve 80 ellenállás. Ez elég tekintélyes alkatrész szám. Marad az egész elméleti síkon.
Hali!
A képen látható egy CX2310 es hangváltó hátulja. Bekereteztem a számomra kérdéses csatlakozó aljzatokat. Megvan hozzá a magyar leírásom, de ezek az aljzatok egyáltalán nincsenek jelölve, nem is említi a leírás. A NOT USED magyarra, az hogy nem használt. Ez oda van írva az egyik kimenetnél is. Vagy ez a másik oldal, nem kell ezekkel a feliratokkal foglalkozni.? Köszi!
Lehet használni sztereo 2 utas és 3 utas mono hangváltóként. Az első felirat a sztereo módra vonatkozik, a felső a 3-utasra.
Ez utóbbi esetben csak 1 bemenet lehet, ezért az egyik not used. A jobb oldali input-ről jövő jelet kétfelé vágja, mély és magas, a mélyet a jobb oldali csatornáról le tudod venni, majd a magas át kerül valószínűleg a másik csatornára, ott megint kétfelé vágja, és ezért tudod a bal oldali csatorna magas kimenetéről levenni a magas jelet, a mély kimenetéről pedig a közepet. Így lesz egy alul, egy felül és egy sáváteresztő szűrőd.
Sziasztok! Szükségem volna egy 2 utas 24 dB/ oct meredekségű vágási frekvenciát állítható hangváltó kapcsolási rajzára. Már készítettem jelátalakító paneleket, mivel "balanced" csatlakozású lesz és ezért átkell alakítani a jeleket "unbalanced"-re hogy kezelni lehessen őket, és vissza is kell alaktani.
Olyanra nekem is. Szerintem reménytelen. Eddig én nem találtam értelmesen megvalósítható kapcsolást rá, csak 12 dB/oktávosra. Vagy 24-es viszont nem állítható.
Áramkörileg két 12dB/oktávos szűrőt kell egymásután kapcsolni.
Egyetlen gond van a kivitelezéssel, mégpedig hogy csatornánként 4es (kvadro) poti kell hozzá! Tehát sztereóban már 8as, ilyet szinte biztos nem talál az ember. Megoldást jelenthet egy sokállású 8 áramkörös yaxley kapcsoló. Ugyan elveszítjük a folyamatos állítás lehetőségét, viszont sokat nyerünk az együttfutás, és a tartóság terén!
Csak akkor már lassan ott tartunk, hogy veszünk egy gyárit.
Nem igazán értem válaszod. Hangtechnika házilag már rég nem az a kategória ami megéri. Egyébként yaxley kapcsoló, kivételével filléres...
Azért az cikkek közötti kapcsolások nem drágák. A 24-eset megépítettem, filléres cucc.
A változtatható 12 dB/oktávos sem több. Viszont a 4-es vagy 8-as potikkal már nem olcsó mulatság.
Mindennek van ára, a 24dBnek ez. A 4es poti még beszerezhető, 8as kizárt. Ráadásul együttfutás is problémás.
Nekem csatornánként külön kellene állítsa, tehát elég volna a 4 soros poti.
Üdv. Ebbe szeretnék segítséget kérni. Kellene nekem nyomtatni való terv , és teljes alkatrész lista de úgy hogy tudjam hova kerül például az 5-ös ellenállás. Lehetőleg úgy legyen a pdf hogy csak nyomtatom ki és mehet vasaló alá.
Köszönöm.
Sziasztok! Szükségem volna egy hangváltóz kapcsolásra, úgy hogy: 2 utas legyen, állítható legyen a gain, és a keresztezési frekvencia ha nem 24 dB/ oct akkor 18dB/oct is megfelelne csak a sztereó poti legyen elég. Tudna valaki segíteni?
Sztereo potival nehéz lesz szerintem. Én úgy csinálnám, hogy vagy D/A-val csinálunk egy digitális potit, vagy pedig az alul áteresztőnek egy sztereo poti, és felül áteresztőnek is egy.
Inkább felejtős, hogy pontosítsak!
Sztereo potival csak mono 12dB/okt-os hangolható szűrőt tudsz építeni. A 24dB-hez 4es poti kellene, és az is csak 1 csatorna.. Olyat lehet még csinálni hogy az originál jelből kivonod a szűrt jelet, így kapsz egy 2utas hangváltót. Viszont a hangolásra más megoldást kell kitalálni, mert a sztereo poti önmagában kevés.
Ez a kivonásos módszer gondolom rosszabb megoldás, mint az LP és HP szűrők.
|
Bejelentkezés
Hirdetés |














