Fórum témák

» Több friss téma
Fórum » Kapcsolóüzemű (PWM) végfok építése
Lapozás: OK   138 / 241
(#) lorylaci válasza elektros90 hozzászólására (») Aug 23, 2014 /
 
R4 és R5 felesleges, vedd ki, elég R3 és R6. Azonban kell R6-tal párhuzamba egy RC elem is.

Az LC szűrőnek a végtelenben 180 foka fázistolása, az áramkör késése (ami ITT NINCS, vagyis alig van, ezért van 1MHz) miatt lesz egy frekvencián fázisfordítás. Az RC elemmel tudod finomhangolni a frekit (mivel az LC szűrőt elsősorban az átvétel korlátozására tervezed).
Ezek után kvázi R3 és R6 aránya állítja be az erősítést (bizonyos korlátok mögött, ugyanis az Uc ez kicsit bonyolultabb)
(#) elektros90 válasza lorylaci hozzászólására (») Aug 24, 2014 /
 
Szia! Az RC tagot mi alapján méretezem?
Az ideális komparátort reálisra cseréltem és hullámos lett a kimenő jel. Gondolom akkor a valóságban sem lesz jobb a helyzet.
(#) lorylaci válasza elektros90 hozzászólására (») Aug 25, 2014 /
 
Nagyon röviden:
- az üresjárati kapcsolófreki függ az LC szűrő küszöbfrekijétől, az áramkör bemenet-kimenet késéstől és a persze az RC tagtól
- Az LC szűrőt a kívánt kimeneti szűrés szerint mértezed, az áramkör bemnet-kimenet késése meg nagyjából adódik
- Így az RC taggal tudsz igazán csak frekvenciát állítani, ennek szinte csak arra van hatása
Vili?

Miben lett ideális a komparátorod? Tekintve, hogy nem igazán jártas vagy a dolgokban, miben lett hullámos a jel? Megjelent a kapcsolási maradékfesz, mert lecsökkent a kapcsolfórekid (korábban 1MHz üresjárati frekit írtál)?
Ha ezen kívül van hullámos jelleg, akkor nincs I tag, ugyanis az I tag gondoskodik arról, hogy a hibajel 0-ba konvergáljon. Vagy az is lehet, hogy az I tag korlátozva van (digitális vezérlésnél szándékosan korlátozzák), vagy a hibajelre adott válasz késése miatt a D tag hiányzik igazán. (tullövés van)
(#) elektros90 válasza lorylaci hozzászólására (») Aug 25, 2014 /
 
Szia! Abban volt "ideális", hogy a virtuális volt betéve, bár lehet, hogy az nem ideális.
Lényeg a lényeg, hogy betettem valóst és a probléma abból adódott, hogy a kapcsoló freki lecsökkent egészen 32KHz-re (lassú komparátor). Ahelyett betettem egy LT1016 tipusút, azzal a freki 500KHz lett és a kimeneti jel is jobb lett sokkal, bár én nem mondanám a csatolt kép alapján, hogy 0,26% a THD.
(#) lorylaci válasza elektros90 hozzászólására (») Aug 25, 2014 /
 
THD mérésnél a felső frekihatárt korltázod le, mert különben belemérheti a kapcsolófrekit.

Rakhatsz be virtuális kompartárokat, de lődd be a paramétereiket: dU/dt meg satöbbit.
Ha beraksz egy valóst az általában propdelayt is ad neki, így valaóban valósabb, de cserébe jóval lassabb szokott lenni a szimuláció, és a több az esély a konvergációs hibára is.
(#) elektros90 válasza lorylaci hozzászólására (») Aug 25, 2014 /
 
Köszi a segítséget. Egyébként tényleg, az RC tag adja a már említett integrációs hatást. Betettem egy 1K 120pF kombót találomra a THD lement 0,001% ra, reális komparátorral. Csak már annyira lassú a szimuláció, hogy a frekvenciát nembírom kivárni. Van valami speciális technikai, filozófiai oka, hogy miért nem indul el az AC analízis?
(#) PiperR hozzászólása Aug 25, 2014 /
 
Sziasztok!
Van 2 L25D végfok modulom, +-70v-ról járatom (650W trafó), szól is rendesen, de viszont a kimeneti tekercs melegszik rendesen, egyből égeti az ujjam. A hűtőborda is meleg de az nemvészes. Miért melegszik ennyire? Esetleg kilehetne cserélni T106-2 magra? Két kb. 100W-os hangfallal próbáltam (8ohm). Meg sajnos elég nagy jel kell neki hogy kilehessen vezérelni. Előerősítő nélkül nemlehet megúszni a dolgot? Esetleg a visszacsatolásba levő ellenállást kicserélném a jelenlegi 130K-ról 170, 200K-ra?
(#) Ge Lee válasza PiperR hozzászólására (») Aug 25, 2014 / 1
 
A tekercs melegszik vagy a mag? Abban elvileg ferrit van, a porvas csak rosszabb lesz ha a mag melegszik.
A visszacsatolást ne bántsd, tegyél elé egy előfokot. Azt semelyik végfok nem szereti ha egymagában kell neki a fél V-ból több mint százat csinálni.
(#) lorylaci válasza PiperR hozzászólására (») Aug 25, 2014 / 1
 
Csináltam egy gyors google keresést. AZ L25D ha jól nézem Sagami légrésses ferrit tekercseket használ. Ezek nagyon prímák. A ferritek magveszteségének minimuma 90-100C környékén van, így teljesen természetes valamennyi melegedés. Az ujj a legroszabb hőmérő, ha esetleg van lézeres hőmérőd, vagy kontak hőmérőd (kis paszta, hogy jobbanf elszdje a hőt) akkor megmérheted, 70C alatt üresjáraton teljesen normálisnak kell lennie.

A visszacsatoláshoz semmiképpen ne nyúlj, mert el fog mászn a kapcsolófreki és nagy katasztrófáid lehetnek. (hiszterézis önrezgő a kapcsolás)
Rakj be egy opampos nyákot, amire aztán rakhatsz kivezérlésjelzőt, potikat, meg minden anyámkínnyát, ne párszáz forintos dolgon spóroljon.
(#) PiperR válasza lorylaci hozzászólására (») Aug 25, 2014 /
 
Akkor ezekszerint normális ez a melegedés. Hát képet nem csatoltam melyik az a L25D (kék LJM-es nyák), de aki jártas a témában biztos tudja , amúgy ez egy jó minőségű végfok? Nemsokat hallani róla, olvasni róla, itt nem is találtam témát. Mondjuk elsősorba bulira szeretném használni, de csak 8ohm-os terheléssel! 4ohm-ot nemnagyon díjazza, azt olvastam. Akkor összedobok egy műveletis előerősítőt.
(#) lorylaci válasza PiperR hozzászólására (») Aug 25, 2014 /
 
Idézet:
„amúgy ez egy jó minőségű végfok?”

Először definiálni kellene, mit értesz minőség alatt. Ha azt amit az audiofilek, vagyis bármit, amire éppen ráfogják, de nem tudják megmondani, akkor én végképp nem tudom megmondani.

Objektíven nagyjából az IRS2092 mintkapacsolásának paramétereit tudja, szóval alacsony a torzítása, 20kHz-ig egyenletes, és relatíve jó a dinamikus válasza is. Persze konkrétan egy ilyet sem mértem, de nincs sok különbség a mintakapcsoláshoz képest.
+/- 80V tápról várhatóan valóban tud kb 300W-ot 8 ohmba, azonban 4 Ohmba nem célszerű használni, mivel nagy az esély rá, hogy az IRFB4020 MOSFET túlmelegszik (lásd adatlapján).
(#) PiperR válasza lorylaci hozzászólására (») Aug 25, 2014 /
 
Igen rosszul fogalmaztam, mármint a megbízhatóságára vagyok kiváncsi, mert elvileg van benne túláram védelem, nagy hangerőnél tiltás, de azt mondták hogy kimeneti dc védelem az nincs, de koppanásgátlót (ami egybe védő is) azt tettem a kimenetre. Csakhogy bírni fogja-e a hajtást, nemszeretnék égni vele buliba ha megadja magát .
(#) lorylaci válasza PiperR hozzászólására (») Aug 25, 2014 /
 
Idézet:
„nagy hangerőnél tiltás”

Hát hogy a végfok az hogy figyeli,a zt nem tudom. Az IRS2092 IC a MOSFETen eső feszültésg alapján figyeli a folyó áramot,és bizonyos érték felett letilt egy meghatározott időe (általában 1mp). A feszültség küszöbértéke egy ellenállásosztóval módosítható.

Idézet:
„(ami egybe védő is)”

Ez nem igaz. Elég sokat hangoztatom. A relé semmilyen védelmet nem jelent kb 100W feletti végfokoknál. Nem képes megszakítani az áramot (tipikus relé 10-16A at 30VDC rezisztív terhelésnél, de a hangszóró induktív). Ha netán elszállna az egyik MOSFET, akkor a relé egyszerűen átívelve, és a hangszóró minden bizonnyal elhalálozna.
Bárki aki 100W feletti végnél mechnikus relét használ téves biztonságérzetben van. Ekkor csakis MOSFET relével lehet megfelelő védelmet elérni!
(#) Ge Lee válasza lorylaci hozzászólására (») Aug 25, 2014 /
 
Ezt most már egyszer tényleg ki kellene próbálni. Jómagam is ezen a véleményen vagyok, de sokan hangoztatják az erősítős topikban az ellenkezőjét, miszerint a +/-100V-os tápú végfoktól is remekül védi a hangszórót egy mezei relé, merthogy ki lett próbálva. De nekem gyanús hogy csak üzemszerűen próbálták ki és nem DC-vel, akkor meg a szinuszos vagy hangfrekis vezérlés miatt persze hogy nem lesz ív.
(#) lorylaci válasza Ge Lee hozzászólására (») Aug 25, 2014 /
 
Valós hangszóróval nem, de műterheléssel kipróbáltam: 3,2 Ohm + 1mH induktivitás. Rendes működés közben szándékosan megszakító jeleket küldtem a relét, a relé világított, még az induktivitás nélkül is.
Tegyük fel rákötök egy n*100ezer forintos ládát, akkor is ugyanezt mondják, hogy bízhatok a relében?
(#) Ge Lee válasza lorylaci hozzászólására (») Aug 25, 2014 /
 
Még az a megoldás lehet jó (persze csak félhídnál) amit nemrég csatolt valaki, hogy a relé bontó (nyugvó) érintkezője földre van kötve, így csak addig lehet íváram a hangszóró felé amíg el nem enged. Utána meg olvad a bizti, vagy ha az nincs akkor a leggyengébb láncszem.
(#) PiperR válasza lorylaci hozzászólására (») Aug 25, 2014 /
 
Idézet:
„Ez nem igaz. Elég sokat hangoztatom. A relé semmilyen védelmet nem jelent kb 100W feletti végfokoknál.”

Nah ez nekem új, ezt nem is tudtam. Finder relét használok 2 áramkörös 16A terhelhetőséggel, pc1237 vezérlővel. Esetleg ilyen MOSFET-es védelmet mutatnál? (24-ról üzemel a védelmem).
(#) bajtaig válasza Ge Lee hozzászólására (») Aug 25, 2014 /
 
Én voltam, a quados topikban , oda linkeltem a mosfetes védelmet is!
A hozzászólás módosítva: Aug 25, 2014
(#) sny hozzászólása Aug 25, 2014 /
 
Idézet:

„nagy hangerőnél tiltás””


Ennek két oka lehet:

Az egyik, hogy belép a rövidzérvédelem.

A másik, hogy túlvezérled a végfokozatot, meghaladod a maximális modulációs mélységet, és az irs2092 resetel.
A hozzászólás módosítva: Aug 25, 2014
(#) sny hozzászólása Aug 25, 2014 /
 
Idézet:
„Meg sajnos elég nagy jel kell neki hogy kilehessen vezérelni. Előerősítő nélkül nemlehet megúszni a dolgot? Esetleg a visszacsatolásba levő ellenállást kicserélném a jelenlegi 130K-ról 170, 200K-ra?”


Sajnos nem tudod megúszni előerősítő nélkül. A visszacsatolást önmagában hiába piszkálod, egyetlen ellenállást nem lehet piszkálni. Az osztót manipulálni lehet (3k és 130k aránya határozza meg az erősítést) , de sokkal több problémád lesz vele a továbbiakban.

A végfokozat bemenő impedanciája 3k alatt van, és általában 1V rms(sin) kell a teljes kivezérléshez.
Tehát elég "tápos" meghajtófokozat kell elé.
(#) PiperR válasza sny hozzászólására (») Aug 27, 2014 /
 
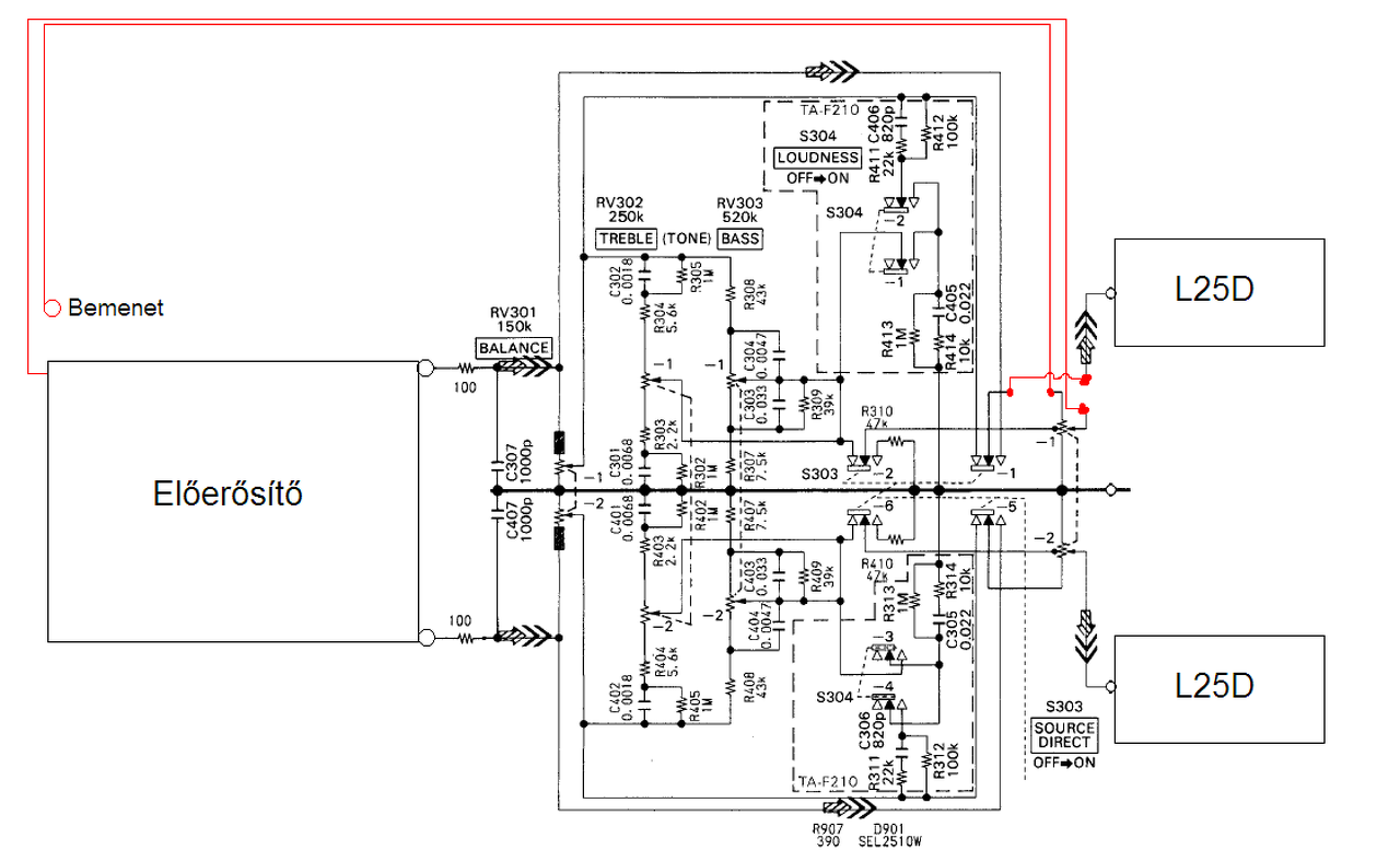
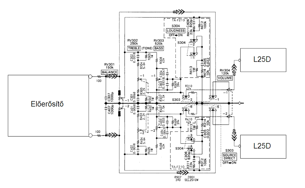
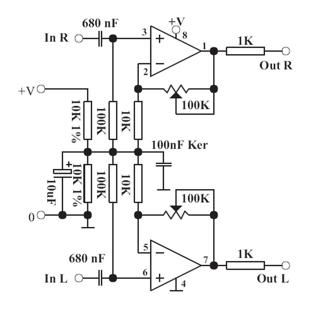
Nah megcsináltam egy szintemelős előerősítőt (csatoltam, melyiket). A végfokokat beleépítettem egy kibelezett Sony TA-F110-es erősítőbe (a hangszínszabályzót, meg a hangerőszabályzót meghagytam, passzívak) pc1237-es védelemmel, persze a 650W-os trafót is mindent. Elején volt egy kis gond mert emeltem a hangerőt a védelem reléje kapcsolt. Majd az előfok után tettem 10µF elektrolit kondit, hogy ne kerülhessen dc a kimenetre, így már jó volt. Szerencsére minden rendbe van a hangszórókon semmi búgás nem hallható, csend van, zenét rákapcsolva szépen szól. De viszont a hangerő szabályzással gondom van, nem egyenletesen szabályoz hanem hirtelen. Az elején szépen szabályoz majdnem a feléig aztán szinte semmitse, majd az utolsó kb. 85-90%-on hirtelen ráadja a kakaót. Csatoltam egy kis rajzot hogy kb. hogy szabályoz most, füllel kb. így hallom. A hangerőszabályzó gyári értéke 120K elég nagy. De potmétert nemszeretnék cserélni, esetleg ellenállásal söntölni vagy hasonlóra gondoltam. Van az erősítőn egy "source direct" gomb ami kikerüli a hangszínszabályzót és közvetlenül a hangerőszabályzóhoz viszi a jelet, akkor is fent áll az említett probléma.
(#) lorylaci válasza PiperR hozzászólására (») Aug 27, 2014 /
 
1. potit szerintem fordítve köttted be, így nem logaritmikus, hanem exponenciális a karakterisztika.
2. Az ábrán lévő kapcsolásnál az opampok neminvertáló jellege miatt az erősítés mindig >1. Ilyen alkalmazásban nem szoktunk potit tenni, hanem csak invertálóba, mert célszerű lenne <1 erősítés is (jel osztása). A gebasz, hogyha így túl nagy jel jön be (együk fel >12V), akkor nem tudod leosztani, szóval a potit még az opamp elé kösd, célszerűen a DC leválasztó kondi után.
(#) PiperR válasza lorylaci hozzászólására (») Aug 27, 2014 /
 
A potmétert biztos hogy nem kötöttembe fordítva, mert az fix ahoz nemnyúltam, bejön a jel megy az előerősítőbe, majd megy a hangerőszabályzóhoz, és onnan a végfokhoz. Akkor előbb kéne hogy a hangerőszabályzóhoz menjem és utána az előfokhoz, jól értem? Csatoltam egy rajzot, hogy pontosan hogy van most a dolog.
(#) sny válasza PiperR hozzászólására (») Aug 27, 2014 / 1
 
Mindig az optimális illesztésre kell törekedni. Mivel a potid 120k-s, a végfok bemeneti impedanciája 3k alatti, így nehéz lesz a hangerőszabályozás. Az előfok bemenetére kellene tenni a potit, ott kb. egy nagyságrendbe esik majd az impedancia.
(#) sny hozzászólása Aug 27, 2014 /
 
Az előerősítő visszacsatoló ágából erősen ajánlom, hogy vedd ki a potit, és forrassz be egy megfelelő értékű ellenállást. Ha a poti ott megszakad, az erősítés hirtelen megnő, a fokozat elkezdhet oszcillálni, a membrán meg az öledbe ugrik...
(#) Ge Lee válasza PiperR hozzászólására (») Aug 27, 2014 /
 
Ezt teljesen máshogy kellene csinálni. A passzív hangszínszabályozó nem jó irány, meg körülötte az a sok alkatrész meg az az előfok sem. Aktívat kell csinálni, az szabályoz normálisan, meg egyben megoldott a hangerő szabályozás, az impedanciák illesztése, és szükség szerint az erősítés is. Nekem bevált mindenféle végfok elé.
(#) sny válasza PiperR hozzászólására (») Aug 27, 2014 /
 
A hangszínszabályozó után szintén kellene egy 1-2x-es erősítésű fokozat.
(#) PiperR válasza sny hozzászólására (») Aug 27, 2014 /
 
Rende van, akkor a potmétert valahogy az előfok elé varázsolom, az előerősítőből meg a poti helyére fix ellenállást teszek. Csatoltam a módosított verziót, remélem így jó lesz (persze ez csak az egyik csatorna). Köszönöm a segítséget!
(#) sny válasza PiperR hozzászólására (») Aug 27, 2014 /
 
Így már egy fokkal jobb.
(#) sny hozzászólása Aug 27, 2014 /
 
Idézet:
„Majd az előfok után tettem 10µF elektrolit kondit, hogy ne kerülhessen dc a kimenetre, így már jó volt.”


Ezen csodálkozom, mivel ez az erősítő alapból egy 10-22µF-os kondenzátorral indul a bemenetén, tehát alapból blokkolja a DC-t.
Azzal, hogy sorba raktál vele még egy 10µF-os kondenzátort, a csatoló kapacitását megfelezted (5µF körülire), ezzel feljebb vitted az alsó határfrekvenciát.

A védelem nem a DC miatt jelzett, hanem véleményem szerint a mély hangok (erősen) emelt állásban voltak, így a védelem téves jelzést adott. Ha DC van a kimeneten, akkor az IRS2092 hamarabb tilt le.
Következő: »»   138 / 241
Bejelentkezés

Belépés

Hirdetés
XDT.hu
Az oldalon sütiket használunk a helyes működéshez. Bővebb információt az adatvédelmi szabályzatban olvashatsz. Megértettem