Fórum témák
» Több friss téma |
Szia! A tápfeszültséget nem is annyira az IC, inkább a kondenzátorok feszültségtűrése korlátozhatja. A hűtőzászló is ehhez van méretezve.
Elnézve az árát, meg lehet kockáztatni a 19V-ról járatást, egy tapasztalattal biztos gazdagabb leszel
Én mindenesetre egy védőszemüveget is ajánlok felvenni, mert a felrobbanó elektrolit kondenzátor kondenzátor komoly sérülést okozhat. A panel gyártója nem véletlenül adta meg a 6-12V-os értéket. A TDA2030 adatlapja szerint egyébként 36V is ráadható lenne.
Én azt ajánlom, készíts magadnak hagyományos nyákrajz, ( akár a reloop felhasználó altal tervezett ) alapján. Többet tanulsz vele , több hasznos tapasztalatot szerzel. A hozzászólás módosítva: Szept 28, 2014
Üdv!
Milyen hűtőbordát javasoltok tda2030, egyoldalas tápos mono végfokhoz? 35V-ot kap és 8ohmot hajtok vele. Jelenleg egy kisebb hűtőborda van rajta, ami ventilátor nélkül és üresjáraton (bár jelnek ott a hangkártya/vinyó zaj) is felforrósodik. Ha lehet mellőzném az aktív hűtést.
Egy Intel socket 478 vagy egy AMD socket 462 processzor hűtő, ventilátor nélkül megfelel.
Hali!
Itt, az első oldalon, a kapcsin a kimeneten az 1 ohm + 220nF a gerjedést, illetve nagyfrekis összetevőket hivatott megszüntetni? A hozzászólás módosítva: Szept 28, 2014
Szia! Ez nem TDA2030 specifikus megoldás, közönséges Boucherot cella.
Kösz szépen reloop és neked is gyuszo a válaszokat!
Persze mindenképp az építés a pláne (mert hát milyen jó mikor az ember saját készítménye szólal meg )így úgy döntöttem rendelek 2-őt, az egyiket kipróbálom kibírja-e (persze tőlem és másoktól jól elkülönítve), majd építek egy sajátot a megadott nyákrajz alapján.Kösz szépen mégegyszer mindkettőtöknek! Szép Napot! A hozzászólás módosítva: Szept 29, 2014
Üdv mindenkinek
kezdő vagyok és megépítettem egy Urbán-féle tda 2030a val üzemelő végfokot 2x40W amiről a fórum elején is szó esett . A végfok hibátlan de a tápal vmi probléma van mert ha bekapcsolom akkor egy pár másodperc után elhalkul pedig a tápba két 10000mF-os kondi-van szóval passz előre is köszi !
Szia! Mérd meg mi történik a tápfeszültséggel elhalkulás közben! Abból akár magad is tudsz következtetést levonni, persze segítünk is szívesen.
ömm rá mértem és az áramerősség esik le olyankor szóval vagy a az egyenirányító diódák kicsik vagy a trafó :S köszi azért
pc táppal megoldható lenne ?
végül is az is + - T csak azon 5 meg 12 V van :/
A PC táp sajnos nem jó hozzá. Milyen trafóról próbáltad járatni?
2 okból sem jó. Egyrészt +- 18V táp ajánlott hozzá. Másrészt a PC táp negatív leadott feszültéseinél, 5V és 12V is alacsony az áram értéke.
A +- 18V feszültség mellett 1,5A áramerősséget, tehát egy 50-60W transzformátort javaslok. Egy jól megépített tápegység fontos része az erősítőnek. A hozzászólás módosítva: Okt 2, 2014
Az Urbán-féle TDA2030-hoz pedig + 36V, de szintén 50-60W trafó.
A hozzászólás módosítva: Okt 2, 2014
Ömm pár dolgot nem értek mégpedig h a TDA 2030 nak 20 V a tűrése ha jól tudom másrészt a trafóm középen csapolt és + - 9 volt és ahogy mértem 2 A -t bír a táp pedig 8 1n5408 -as diódával van egyenirányítva és két 10000µF-os kondival simítva .
Belinkelnéd, hogy pontosan melyik is ez a kapcsolás? Urbán - keresésre több-félét is találtam.
Lehet valami banális probléma adódott, tisztáznánk.
A trafóval kapcsolatban is kérdeznék.
A trafó önmaga nem lehet + - 9V-os, mert az váltakozó feszültséget szolgáltat, esetleg egyenirányítás után, a 10000µF kondenzátorokon mérted ezt a feszültséget? A táp 2A-t bír - ezt miből állapítottad meg?
Egy példa : Ha a trafód szekunder tekercsei 12,5 V és 12,5 V 2A leadása mellet, akkor 2A x(12,5V+12,5V) = 50 W. Egyen irányítás után , a 10.000µF kondenzátoron mérve : 12,5Vx1,4=17,5V a leadott egyenfeszültség. Így a két kimenet : + 17,5V és -17,5V
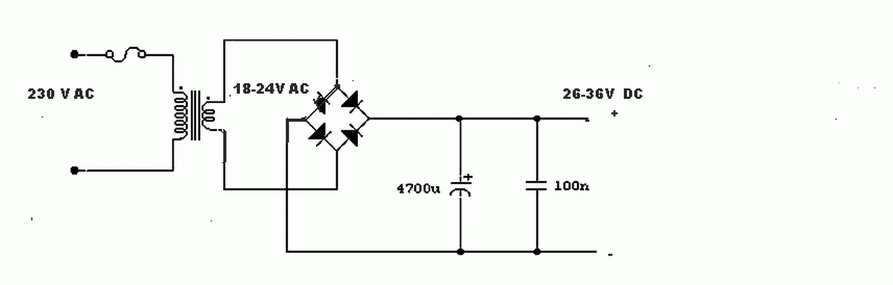
A mellékelt képen egy TDA2050-hez méretezett tápegység van, de a megadott kisebb értékek behelyettesítésével így kell elkészíteni. Aszimmetrikus táp esetén a 2. kép. A hozzászólás módosítva: Okt 3, 2014
Üdv!
Építettem 4 db tda2030 as erosítőt vagyos felkész még azt szeretném kerdezni hogy gond e az hogy folia kondi helyett keramia van? Előre is kosz! Bocsi az ékezetekért csak tabletrol irok es este van es nehány helyen lehet lemaradt
Szia! Kerámia-kondenzátorral is működni fog, a kapacitásérték stimmeljen azért.
Az stimmel! Köszi!
Na egy kis kezdőkérdés videó:Bővebben: Link
Kéne az elejére egy hangerőszabályzó potenciométer, mert túlvezérlődik az erősítő. A bejövő tápfeszültségre pedig egy 2-3000µF-os pufferkondenzátor, mert a hullámos táp modulálja a zenét.
Ezt hogy érted hogy az elejére? Mert van rajta már egy potméter.Ha kell még rá akkor hova tegyem? Ha tudod akkor rajzold le.
A kondit be fogom szerezni,a puffer kondi az olyan mint az eletrolit? Vagy ez is csak egy kondi fejta mint a kerámia,elektrolit,stb... ? Köszönöm és bocsi a sok hülyeségemért!
Ha van hangerőszabályzód, akkor nézd meg halkan hallgatva hogyan viselkedik.
A puffer közönséges elektrolit kondenzátor. Válassz 30V-nál nagyobb feszültségtűrésűt Bővebben: Link. A jelet árnyékolt vezetéken kéne vinni, ki tudja mi mindent szed össze az a villanydrót amit használsz.
Na most nem nagyon értem.
A hangerőszabályzó az egy sima potméter vagy konkréten mi?
Igen, úgy is hívják, hangerőszabályzó potenciométer. A lényeg, vedd halkabbra, hogy kisebb torzításnál is megfigyelhesd a hangját.
Szia. A bemenettel van gond, nem mással. A jack dugótól cseréld le a kábelt, és ellenőrizd a csatlakozásokat. Simán lehet, hogy más hangforrásról jó lesz. Amit sejtek: te nem a gnd-t és a jelet adod a bemenetnek, hanem a két meleg eret, gnd nélkül. Ilyenkor a két csatorna különbsége fog szólni, ez olyan hatást ad, mint ha a zene fő része le lenne választva. Tehát kösd be a gnd-t. Lehrt, hogy a jack csatlakozód bedugva a tabletbe nem érintkezik, pl. 4 csatis aljzatba 3 csatis dugót dugsz, stb. Másik kábellel, más hangforrásról tégy egy tesztet.
|
Bejelentkezés
Hirdetés |





)így úgy döntöttem rendelek 2-őt, az egyiket kipróbálom kibírja-e (persze tőlem és másoktól jól elkülönítve), majd építek egy sajátot a megadott nyákrajz alapján.







