Fórum témák
» Több friss téma |
Fontos: PICKit2 klón építése tanácsok
Találtam egy ilyet (lehet, hogy csak nekem új
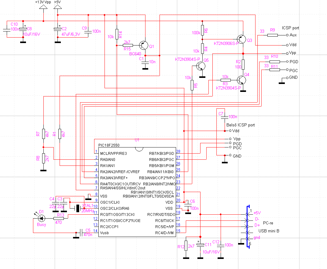
):Bővebben: Link Szerintetek nem lenne érdemes valami ilyesmit építeni inkább a kezdőknek? Én arra gondoltam, hogy még jobban le lehetne csupaszítani, FET-eket használva nem kellene ennyi ellenállás sem bele, és a FET-eken kisebb a maradékfeszültség is. Ha valami jó kis panelt sikerülne összehozni hozzá, akkor szerintem mindenképpen jó alternatíva lenne a JDM-ek helyett.
A Pickit2 nagyon jó cucc. Azt kell hogy mondjam az ICD2 után talán a második legjobb választás. A gond csak az, hogy a benne lévő PIC-et is fel kell valahogy programozni.
Továbbá már ha az újragondolásnál tartunk akkor szvsz. a soros memóriák lehagyhatóak. Valahol azt olvastam, hogy azokban tárolták volna a felprogramozandó PIC kódot, és így PC nélkül is lehetett volna programozni. Bár erre nem láttam még példát.
Ez a gond, mármint hogy valahogy bele kell tenni a kódot a PIC-be, hogy elinduljon, az ICD2-vel is megvan.
Nekem amúgy van egy gyári PICkit2-m, meg vagyok elégedve vele. Épp a hétvégén élesztettem egy ICD2-t, aminek a NYÁK-gyártását itt a fórumon szervezték korábban, vegyes érzelmekkel - de ezt az ide vonatkozó topicba le is írtam. Az ICD2-t egyébként azért is akartam összerakni, mert Linux alól állítólag az működik rendesen, a PICkit2 a neten található infók szerint elég kérdőjeles. Ez a PICkit2 klón viszont fillérekből összerakható lenne, és a kezelőprogija Win alatt szerintem kiváló. Az MPLAB is tudja közvetlenül kezelni, én debugoltam is már vele fejlesztés alatt lévő áramkört.
A JDM alternatívája, a működő JDM hibáival egyetemben(mert, hogy a működő JDM sem jól kezeli a Vdd kapcsolását, mivel egyszerre kapcsolja a Vpp-vel, ami nem jó!), ill. egy kicsit a hibán enyhítve, megtalálható az oldalamon. Jól működik, csak mint írtam, vannak hátrányai, de legalább soros portra köthető, ami sokszor jól jön.
Egyébként Lucifer-nek igaza van teljesen! A belinkelt kapcsoláshoz annyit, hogy pont én is ezen dolgozom, és félig el is készült a klón. Érdekes, hogy ha valaminek nekiállok, rögtön jön egy link! Viszont ez a kapcsolás nem teljesen kompatibilis, mint ha egy két dolgot nem kezelne a gyárihoz képest, de ezt majd még megnézem! Lényeg, hogy jól gondoltam, hogy a FET-eket simán ki lehet váltani tranyókkal!
Jól mondtam:
![]() http://www.voti.nl/pickit2faq/index_1.html Ez esetben kapásból legalább 1,5 K HUF-al olcsóbban kihozható.
Nem tudom, miért szereted a tranyókat ennyire
![]() No mindegy, nem tudom, milyen hibákra gondolsz, a PICkit2 elég stabilan működik. Használtam külső tápról járatott, fejlesztés alatt lévő cuccal, meg úgy is, hogy a PICkit2 adta a tápot a boardnak, minden esetben tökéletes volt. Ez az utánépítés, amit linkeltem is, azt hiszem, annyival kevesebb, hogy a Vdd-t nem tudod beállítani, az annyi, amennyi az USB-ről jön.
Ezt jó, hogy megtaláltad, mert én is gyanítottam, hogy nem kellenek azok oda - minden esetre egy utánépítésnél én a panelra tenném a helyüket, csak ha nem muszáj, nem kerülne oda semmi.
Egy 18F2550 ezer forint körül megvehető áfásan, a többi sallang még kb. egy ezres. Dobozolással együtt én úgy gondolom, hogy 3 ezresbe bele kell férjen szőröstül-bőröstül. Annyit meg mindenképpen megér. Idézet: „No mindegy, nem tudom, milyen hibákra gondolsz, a PICkit2 elég stabilan működik.” Ha figyelmesen követed az eseményeket és amit írtam, akkor láthatod, hogy a hozzászólásom annak a felében a JDM-ről, ill. annak kiváltójáról beszéltem! A tranyókat pedig azért szeretem, mert kaphatók! Ellenben a gyári PICkit2 kapcsolásban fellelhető alkatrészekkel! Ja és téves ítélet, hogy nem szeretem a FET-eket! Szeretem őket!
Ki lehet valtani tranyokkal, de annak meg az a kovetkezmenye, hogy 0.6V-tal csokken a VUSB ami amugy sem garantalt, hogy 5V, szoval pl 4.6 - 4.7 tipikus VUSB utan marad 4V amivel mar par PIC-et nem lehet firkalni. Epp azt beszeltuk Szilvaval msn-en, hogy jo lenne egy Vdd pumpas PicKit2 klon.
Amugy ami abban a linkben nagyon hianyzik, hogy a Vdd-t nem lehet a PicKit2-vel szabalyozni, ami lehet nem gond, merthogy ugy egyszerubb a kapcsolas, csak enm tudom a firmware hogy reagal a feedback hianyara? Lehet felteszi a PWM-et 100%-ra es akkor sincs gond merthogy VUSB nem megy 5V fole ugysem? Tamas
Igen én is a Vdd szabályzást látom hiánynak. Pedig az se lenne gond megépíteni. A Vdd pumpás kérdést épp az ICD2-es topicban beeszéljük, hogy esetleg félő, hogy túlterheljük vele az USB portot. Ha meg külön tápot kapna, akkor meg minek.
Egyébként a tranyón nem esik 600mV, megelégszik 300-al.
Általánosan jól használható FET-ek digitális kapcsolásokban tapasztalatom szerint a BS170 és a BS250. Mindkettő kapható, van hozzájuk hasonló SMD is (talán BSS138 és BSS84, ha jól emlékszem a számokra), azokat is használtam már, kiválóak. Igaz, drágábbak, mint a BC182-BC212, viszont a nyitó állapotú ellenállásuk (ezáltal a maradékfeszültségük) és a soros bázisellenállás elhagyása engem mégis a FET-ek felé vitt eddig.
Amikor egy áramkört tervezek, megpróbálom úgy megoldani, hogy egy forrásból be lehessen szerezni, mivel a postaköltség sokszor több, mint az alkatrészár! Ez elég fura megközelítés, de ha nem csak magamra gondolok, akkor szerintem elég fontos dolog az utánépítőknek! Itt meg legalább két forrás kell, az egyik a PIC, a másik a csömbörlék. Azért megnézem, hátha van ilyenjük is...
Közben néztem a BS250-et. Hát az a 250mA nem túl nagy, egy normálisabb cláramkör tönkreteszi(tudom az USB úgy sem bír ennyit, pedig az enyém igen! ) Én inkább maradnék az 1A-es BC640-nél.
Persze, jogosak a felvetéseid. Én PIC-eket a ChipCAD-től szoktam venni, minden mást meg a Lomexből. Mindkét helyre időnként elmegyek személyesen, lehet személyesen átvehető rendelést is leadni, olyankor nincs postaköltség. Tudom, szerencsés helyzetben vagyok, hogy ezt megtehetem.
A BS250-et általános célra írtam, nyílván nagyobb áramra, tápfeszültség kapcsolására érdemes lehet mást nézni. A PIC-es pákámban 16A-es SMD MOSFET kapcsolja a pákafűtést, azt boltban vettem (direkt a bezserezhetőség, utánépíthetőség kevdvéért; valamilyen IRF), de régebbi PC alaplapokból rengeteg 30-80A-es (!) kapcsoló MOSFET kiszerelhető. Viszont ahol kell egy jelinvertálás, vagy egy, az 5V-nál nagyobb feszültség "OC" kapcsolása, oda már egy jó ideje nem építek be bipoláris tranyót.
Van egy lehet bolond otletem: Mi van, ha iraskor a Vpp pumpabol nyerjuk vissza a Vdd-t valami low drop outos cuccal (amik mar akar uA-es felvetel mellett is dolgoznak)?
Amugy Vdd pumpas programozora jo pelda az Embedinc USBprog-ja. A Schematics-ra ha rakattintasz, akkor lathato, hogy hogy oldottak meg, es amennyire tudom ez az egyik legmegbizhatobb USB-vel taplalt programozo. Lehet kellene epiteni egy ilyet mar csauk ugy heccbol is ![]() Tamas
Megvan a forráskódja, szóval megoldható a dolog. Mármint a feedbackra gondolok.
Most néztem át a HQVideo árlistáját(700..FET), és pont az ebbe a tartományba eső FET-ek hiányoznak, (P-csatorna, 1A, 20V). Egyébként nem értem miért bizonygatod, hogy jók a FET-ek, mikor már ezt letárgyaltuk(nézd meg pl. a szirénámat, abban mi van? Mert oda csak az jó!). Az alaplapokon lévő FET-ek méretben nagyok, és feleslegesen sokat tudnak.
Engem pedig az nem érdekel, hogy tranyó, vagy FET, csak jól működjön, és kapható legyen.
Nekem ez a megoldás nagyon körmönfont. Én nem így oldanám meg.
Ide betennék egy Mc34063-at, egy FET-el megtámogatva, ami kicsit emelne az 5V-on(USB 4,6V-ján, mondjuk 5,3V-ra)). Ez alig terhelné jobban az USB-t. A Vpp-t továbbra is a PIC állítaná elő (PICkit2-klónról beszélek). A Vpp-ből 5V nyerése azért nem jó, mert nem terhelhető. Ha meg terhelhető(áramkör kialakítása nem egyszerű), akkor túl nagy felesleges áram fog folyni az USB-n(13V-on ugyanakkora áram fog folyni, mint az 5V-os regulátor után, ami a betáp 5V USB-t még jobban fogja terhelni.) Én továbbra is 500mA kivehető áramban gondolkodom, mint az eddigi égetőimnél is ez megoldott volt.
Az ICD2 klónban is MC34063 volt, de ott a hatásfoka számomra nem volt meggyőző. Néztem szkóppal is, hogy mit csinál, látszólag minden jól dolgozott, mégis elég gyatra hatásfokkal (60% körül, mikor már javítottam rajta, eredetileg bőven 50% alatt volt). Gondolom, hogy a belső kapcsolótranyókon eső feszültség is közrejátszik a veszteségben, mivel az USB fesz eleve alig 4V felettről indult és terhelve még esik is.
Ha sikerül eljutnom valami alkatrészboltba, veszek 1-2 34063-at és kielemzem, hogy mit is lehetne kihozni belőlük, akár külső FET-tel megtámogatva. A PICkit2-nél alkalmazott Vdd szabályozásra is van egy ötletem, azt is ki fogom próbálni, mert ha bejön, akkor nem kellene lemondani a szabályozható Vdd-ről, mégis egyszerűsödne a kapcsolás.
A 34063-nál a freki és a tekercs nagyon sokat számít! Én nem vettem észre, hogy a soros égetőmnél olyan rossz a hatásfoka lenne, sőt elég jól meg voltam vele elégedve, igaz szkóppal szórakoztam vele egy darabig, amíg a megfelelő tekercset, és frekit megtaláltam.
A Vdd szabályzással nincs nagy gond, mivel a ChipCad-nél lehet kapni MCP6001U-t ne mis drága. Aztán utána tehetsz P-s FET-et vagy BC640-et is, bár ez utóbbit ki kell még próbálni. Ha megvan az 5,3V induló fesz, akkor nem lehet gond a tranyón eső fesz sem! Egyébként nem semmi ez az OPA! Táptól tápig lehet szabályozni és 5V-os! Le a kalappal a microchip előtt! Persze erősen felmerül a kérdés, hogy valójában szükség van Vdd szabályzásra? Úgy is SMD-s a legtöbb 3,3V-os PIC, akkor meg megvan a céláramkörön a tápja! Igazából ez elgondolkodtató! Idézet: „Persze erősen felmerül a kérdés, hogy valójában szükség van Vdd szabályzásra? Úgy is SMD-s a legtöbb 3,3V-os PIC, akkor meg megvan a céláramkörön a tápja! Igazából ez elgondolkodtató!” Igen, én is hasonlóan gondolkodtam, ezért nem éreztem olyan nagy hiányosságnak a Vdd szabályozás elhagyását. A feedback megvan, valószínűnek tartom, hogy az eredeti firmware és szoftver változtatás nélkül megy is rajta, legfeljebb nem tudod a Vdd-t a kezelőprogiban csökkenteni. Egyébként valljuk meg: a Vdd szabályozás semelyik, általam látott JDM vagy LPT portos programozóban nem volt megoldva (de még az ICD2 klónban sem - az eredetiben van?). Azokhoz képest pedig még a fix 5V-os PICkit2 is óriási előrelépés. Idézet: „Persze erősen felmerül a kérdés, hogy valójában szükség van Vdd szabályzásra? Úgy is SMD-s a legtöbb 3,3V-os PIC, akkor meg megvan a céláramkörön a tápja! Igazából ez elgondolkodtató!” Nem tudom, szegeny ember vizzel foz... szegeny PIC fejleszto meg PicKit2-vel debuggol es egyben azt hasznalja valtoztathato tapnak Amugy meg ha valaki off-circuit programozza a PIC-et valami headerrel, akkor nincs meg az a 3.3V regulator. De egy minimalizalt PicKit2-nel hobby hasznalatra szerintem is elhanyagolhato a Vdd szabalyozas.
Akkor nagyjából egyetértünk Vdd ügyben.
Tehát kéne egy kis veszteségű 5,3V-os táb az USB-re, plusz a PICkit2 klón(nuku Vdd szabályzás), hazai alkatrészekből egy panelra gyógyítva? SMD, vagy nem? Mindkettő? Azt tudja valaki, hogy az EEPROM-okba mi töltődik?
EEPROM-okba egyenlore semmi sem - legjobb tudomasom szerint - ugyanis azt arra talaltak ki anno, hogy majd egyszer egy onallo hordozhato programozo is lehet ebbol a joszagbol - es akkor raadod a tapot, megnyomod a gombot es firkalja a PIC-et. De ez mindezidaig hianyzik a fw-bol, es meg igeretrol sem hallottam hogy mikor lesz benne.
Ez eddig jól hangzik! Akkor már csak az a kérdés, hogy hajlandó-e e nélkül elindulni, de ezt lehet, hogy még ma kipróbálom lógóban!
Idézet: „de még az ICD2 klónban sem - az eredetiben van?” Nincs abban sem. Ez egy hátránya az ICD2-nek. Ezért is hivatkoznak úgy rá, mint "Development Programmer" és nem "Production Programmer". Az utóbbiaknál állítható a kimeneti Vdd, hogy a teljes működési tartományban ellenőrizhető legyen az írás sikeressége - vagy valami ilyesmi
Összedobtam a PICkit2_mikro verziót! Jelentem működik EEPROM-ok nélkül! Egy 18F2321-et égettem vele. Jó gyors, nem is gondoltam volna!
Az USB 5V-al nálam semmi gond nincs, ezért úgy gondoltam, hogy két verziót lenne érdemes alkotni, ahol csak az egyikben van konverter. Megjegyzem, ahol nem bírja a 100mA-t az USB, ott a konverterrel sem lesz jó, mert le fog esni a fesz annyira, hogy nem lesz képes feltornászni. Egy próbát azért megér, csak ezért elbonyolítani az áramkört nem lenne érdemes. szilva! Megnéznéd, hogy neked segítene-e egy ilyen konverter? Csatoltam azt az áramkört, amit összelógattam. A Vdd-t USB-ről kapta, a Vpp-t egy régebbi égetőm állította elő. Természetesen a mikró verzióban ki lesz haszálva a PIC vezérelte Vpp konverter. Hamarosan tervezek panelt hozzá, és írok hozzá néhány dolgot. Köszönöm az értékes infót az EEPROM-okkal kapcsolatban!
Hát, úgy néz ki, én meg fogtam egy "hibás" USB kábelt. És könnyen lehet, hogy az utóbbi idők legtöbb USB-s anomáliája emiatt volt... A kábel mindkét szélső csatlakozópontja (a GND és a +5V) 4 és 5 ohm között mérhető -> innen magyarázható a 100mA melletti majdnem 1V feszültségesés.
Nem semmi! Ilyen ócska kábeleket árulnak? Na de akkor felejtős az USB-s para! Ez tök jó hír, mert nem kell dc-dc-zni! Viszont nem értek valamit! A PICkit2 hogyan égeti a 3V-os példányokat? Én úgy vettem ki, hogy a PGD és a PGC égetés közben nem 5V toleráns(24F!)! Elnéztem valamit? potyo, szerinted?
Egész szimpi az áramkör, tényleg nincs túlbonyolítva
A PICkit2 programja mit szól ahhoz, hogy a Vdd nem változik, ahogy számítana rá?Konvertert lehet, hogy érdemes lenne csinálni, már a kábeles tapasztalat alapján is, meg amiatt, hogy a +5V-ot tényleg oda lehessen tenni a kimenetre, tehát néhány tizeddel a +5 fölé kéne beállítani a tápfeszültséget, ahogy írtad is korábban. Bár maga a PICkit2 olyan kis fogyasztású, hogy valószínűleg itt nem jönnek elő azok a gondok, amik nálam az ICD2-nél előjöttek, legfeljebb akkor, ha nagyobb fogyasztású cuccot fejleszt az embr a PICkit2 által szolgáltatott tápról járatva.
Én azt mondanám, hogy aludjunk rá egyet-kettőt! Ha előjönne a probléma jó kábellel is, akkor megoldható, egyébként szerintem nincs értelme. Nekem az összes égetőm PC ről kapta a tápot, hol a game portról, hol az USB-ről, de soha nem volt égetési gondom vele! Most is néztem, 4,9V a táp. A Vpp, 12V. Mindkét értéket jól mérte a PICkit2 programja is(bár ezt elsősorban az ellenállásosztó jósága határozza meg).
Ha beállítok más feszkót, a program egy szót sem szól! Érdekes nem? Jól le van biztosítva az ember gyerekének az égetés alatt álló PIC-je! ![]() Nade nem ez a legnagyobb bajom, hanem az, hogy a 2550 továbbra is 5V-ról megy(ha netán a fesz be is áll 3,3V-ra), azaz a PGD és PGC 5V-os szinteket nyom át az égetendő PIC-nek, ami ha egy 24F-es 3,3V-ról táplálva, akkor az nem az igazi szerintem. Remélem potyo tud rá valami okosat mondani! Vagy más hozzáértő természetesen! |
Bejelentkezés
Hirdetés |




):

Nem semmi! Ilyen ócska kábeleket árulnak? 


