Fórum témák
» Több friss téma |
- Ez a felület kizárólag, az elektronikában kezdők kérdéseinek van fenntartva és nem elfelejtve, hogy hobbielektronika a fórumunk!
- Ami tehát azt jelenti, hogy a nagymama bevásárlását nem itt beszéljük meg, ill. ez nem üzenőfal! - Kerülendő az olyan kérdés, amit egy másik meglévő (több mint 17000 van), témában kellene kitárgyalni! - És végül büntetés terhe mellett kerülendő az MSN és egyéb szleng, a magyar helyesírás mellőzése, beleértve a mondateleji nagybetűket is!
Sziasztok.
Az alábbi Led lámpát akarom szabályozni hogy max. 80% legyen az fényerő. Tudnátok ebben segíteni nekem? Előre is köszönöm a válaszokat. A hozzászólás módosítva: Nov 4, 2014
Túl nagy bemeneti feszültségre tippelnék első lépésként. Az adatlapon van egy grafikon, amiből erre lehet következtetni: "Short-Circuit Current". 17-18 V-os bemenet-kimenet különbségnél már erősen csökken az IC teljesítménye, ami nálad már 21 V. Bemeneti határfeszültség pedig 27 V, amit elég szépen megközelítesz. Már ha valóban terhelésre növekszik a tápegység kimeneti feszültsége.
Köszönöm Bakman!
Én vagyok megint a hiba forrása... 1. a földelés nem volt meg a panel és a táp között (magyarázza a 0mA és a 100mV os értékeket) 2. a 24V meg akkor jelent meg amikor a fali egység és a fesz szabályzó közé egy 22uFos kondit rakok Kondit kivettem, így a feszültség terhelésnél(120mA) 14,4Vra ment le.
Sziasztok! Egy kérdésem lenne. Motoros bukósisakba szereltem hangszórót, hogy menet közben halhassam a GPS-t. Egy fejhallgató hangszóróját tettem bele. Nagyon jól működik de halk, 50 km/óra fölött már nem hallom. Mit lehet csinálni, hogy hangosabb legyen? Vegyek másik hangszórót? Van multiméterem, ha mérni kell valamit. Köszi.
Szia!
Ki kellene derítened, a navigációs készülék kimenete milyen impedanciájú (hány ohmos?). Ha ez megvan, akkor ugyanezt a beépített hangszóróval is tedd meg. Ha egyforma a két impedancia, akkor a készülék hangerejét kell állítani, ha eltérnek, akkor másik hangszórót próbálj ki. A hozzászólás módosítva: Nov 5, 2014
A hangszóróra rámértem az 16 Ω-os. Nem tudom az számít-e, hogy két hangszóró van összekötve?
A GPS-re ugyanígy rámérhetek egy lecsupaszított végű jack dugón keresztül, miközben szól rajta a hang?
Nem, annak nincs értelme, mert a kimenő feszültséget mérnéd. Ha burkolaton nincs feltüntetve, akkor a leírásából derül ki, hogy milyen kimenete van - mérni nem szabad.
Sajnos sem a készüléken sem neten nem találtam adatot a készülék kimenetéről. Ennek hiányában milyen irányba induljak? Mértem a készülék kimenetén lecsupaszított végű jack dugón keresztül zeneszám alatt 0,1-0,7 V értéket (Ω-ot nem!), próbáltam 3 féle régi hangszóróval 4-8-16 Ω-osakkal, de nagy különbséget nem tapasztaltam.
Szerintem 16 ohm helyett 32 ohmos hangszórót tegyél rá. Ha sztereo a jack akkor kettőt, ha mono, akkor 1-et. De a hangszórók között is jelentős eltérés lehet, mert más lehet az érzékenysége.
Viszont megteheted azt is, hogy fülbe dugós fülhallgatót szerelsz bele hangszóró helyett, ha nem nagyon kényelmetlen úgy a sisak viselése.
Sziasztok azt szeretném megkérdezni, hogy egy 1.0/1.1/2.0 USB portnak mekkora a tápfesz terhelhetősége?
Szia!
Válasz a kérdésedre.
Sziasztok! Lehetséges olyan kapcsolást építeni amely hang utasításra hajt végre valamit? Két fázisa lenne csupán, "nyit" és "zár" szóra kellene egy kis reteszt nyitnia és zárnia.
Sziasztok!
Van laptop akkuból bontott 6 darab li-ion akkucellám, amik kettesével vannak párhuzamosan kötve. Ebből szeretnék hordozható telefontöltőt csinálni, az lenne a kérdésem, hogy milyen kapcsolással lehetne tölteni? Mert egy dc-dc konverterrel csinálnék az akkuból lejövő feszültségből 5V 1A-es stabil tápot, de ez esetben az összes cella párhuzamosan van kötve, hogy mindegyikből kivegyem a töltést.. de akkor hogyan töltöm külön cellánként? Előre is köszi!
Ha párhuzamosan vannak kötve a cellák, akkor nem kell cellánként tölteni, gyakorlatilag egy cellaként viselkedik.
Köszönöm, és ehhez milyen töltőelektronikát ajánlasz?
Nem cél, hogy 1 óra alatt feltöltsön, de azért egy éjszaka alatt (5-6 óra max) jó lenne, ha feltöltene!
TP4056. Kész töltőmodult lehet kapni anyagáron. Ebbe a dobozba csak az akku kell.
A hozzászólás módosítva: Nov 5, 2014
Köszönöm, ebből kettő párhuzamosan kötve (hogy 2 A-el töltsön) lehetséges, vagy az már túl sok lenne?
Az akkuk össz kapacitása valahol 10.000 mAh lehet..
Ezt 1 Amper árammal lehet tölteni, 2 Ampert tud leadni. Ha jót akarsz magadnak, akkor úgyse meríted csutkára, feltöltődik éjszaka 1 Amperrel is.
Sziasztok!
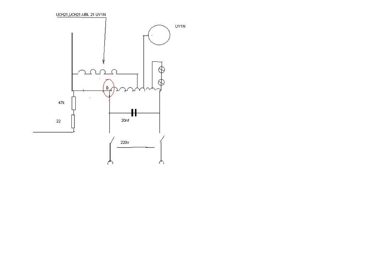
Segítséget kérek a rajzon látható karikázott rész egy nulla jelzés azt szeretném megkérdezni ,hogy lehetséges ,hogy ide kell a null pontot bekötni? Ez egy orion325 bekötési rajz. elnézést de csak igy tudtam lerajzolni ,Nincs Rajz progi. A hozzászólás módosítva: Nov 6, 2014
Hello! Teljesen mindegy, hova kötöd a nullát, mert az egész készülék úgy is hálózati feszültség alatt lesz. Meg ha belegondolsz, egy rádión villásdugó van, amit úgy dugnak be, ahogy épp sikerül. Nem fixen van bekötve. (Viszont az egész készülék meglehetősen életveszély a javítás alatt! Normál üzem közben azért nem oly gond, mert a bemenetén kis kapacitású kondenzátor van. Viszont a belső fém alkatrészek érintése életveszélyt rejt magában..)
Elég félresikerült jószág volt ez már a maga korában is, amit a hiánygazdálkodás, és az ebből adódó ésszerűtlen anyagtakarékosság szült.. Manapság a marketing teszi tönkre ugyan így a műszaki cuccokat.
WinRar kinyitja.
A hozzászólás módosítva: Nov 6, 2014
Miért lenne félresikerült jószág? Nem véletlenül találták ki a módszert még a csöves készülékek hajnalán, és használták egészen a nyolcvanas évekig a TV -k ben. Egyszerű, és olcsó. A hátlapjára pedig rá volt írva, hogy belenyúlni életveszélyes. Aki nem szakember, az ne nyúkáljon bele.
Javításnál pedig leválasztó trafó használandó, vagy "fusizásnál" fa szék, fa asztal, a hídjára rakott lábak, és megfelelő körültekintés.
Sziasztok! Szeretnék építeni egy nagyon jó kis Curie kereket. Mit szóltok miből lehetne kioperálni a megfelelő feromágneses drótokat?
Vas drótot? A kerítésből például. De ebben mi az elektronika?
Sziasztok!
Még mindig egy kis segítségre szorulnék, itt ezen az oldalon Bővebben: Link található a program meg a nyák, de nem tudom letölteni nem enged regisztrálni! Valaki tudna segíteni? Köszönöm!!
Sziasztok. Tisztázni akarok valamit a fejemben. Konkrétan arról van szó, hogy egy bipoláris tranzisztorból hány ampert lehet kiszívni úgy, hogy túl is élje. Vegyük a 2N3055-ös tranzisztort: az adatlapból nekem az derült ki, hogy 115 wattot képes maximálisan elfűteni, de viszont 15 amper kollektor áramot is elbír. Egy példával szemléltetem az elgondolásom: tételezzük fel, hogy van egy 40 voltos áramforrás. Egy tranzisztor soros áteresztőelemként. A tranzisztor emittere és a test egy 1 ohmos ellenállással össze van kötve. A tranzisztor annyira van kinyitva, hogy az ellenálláson 2V feszültség esik. Ekkor a kollektorárama 2 amper, tehát (40-2)*2=76 wattot fog elfűteni a tranzisztor. Ez még határértéken belül esik. Ha növelem a bázisáramát addig amíg 3 volt nem esik az ellenállásra, akkor 3 amper fog ugye átfolyni rajta. Ekkor 111 wattot fog elfűteni a tranzisztor. Az adatlapra alapozva ezt még ki kellene bírja a tranzisztor. Vagy valamit rosszul értelmeztem? Elméletileg a 15 amper is lehetséges kellene, hogy legyen abban az esetben, ha a tranzisztorra 7,66 volt esik. Ez is így van? Elnézést, ha hülyeségeket írtam, és köszönöm előre is a válasz(oka)t.
Ui: A példákban tételezzük fel, hogy a tranzisztor hűtése megfelelő. |
Bejelentkezés
Hirdetés |











