Fórum témák
» Több friss téma |
Fórum » Földhurok, avagy mit csináljunk, mikor minden zúg
Témaindító: A Jani, idő: Ápr 17, 2006
Témakörök:
Mért kell az a védőföldelés? A doboz alja is legyen fából. Törekedj a kettős szigetelésre és akkor tilos a védőföld. A 230V, csak a trafóra megy. Odáig meg könnyű szigetelni.
PC-s tápcsatlakozót akarok használni, az pedig rendelkezik földeléssel, ha már ott van bekötném.
Megeshet hogy a föld kevésbbé nulla mint a szimmetrikus táp közös pontja?
Ha ez csak egy "egymagában" álló berendezés lenne, akkor semmi gond a csillagpontot közösíteni a PE ("védőföld") vezetővel.
Az erősítő földpontja viszont tipikusan csatlakozik egy vagy több másik berendezés földpontjával. A helyzet akkor fajul földhurokká, amikor egy az erősítőre csatlakozó jelforrás földpontja is közösítve van a PE vezetővel abban a másik készülékben. (Tipikusan az asztali PC ilyen.) Ilyenkor kezdődik a "minden jó de mégis zúg-búg" probléma. Ezért írja a kolléga, hogy a hifi erősítőnél kerülni kell a csillagpont és a PE vezető kapcsolatát. Amúgy ne zavarjon, hogy a műszercsati aljzaton ott van az a PE csatlakozó tüske. Egyszerűen belül ne kösd sehová. A kettős szigetelés elvét a kivitelezésnél tartsd be, és nem lesz gond. A hozzászólás módosítva: Nov 11, 2014
Osztom a véleményt teljes mértékben! Nemcsak hifi, hanem pa rendszerekben is előfordul ez a probléma. Ott van sok esetben gyárilag kialakított csillagpont, és védővezető oldási lehetőség a hálózati földhurok elkerülése érdekében.
Bár itt most nem a PA rendszerek a fókusz, de ott a "GND lift" kapcsolóval a jelkábel árnyékolását lehet leválasztani a PA végfok bemenetéről, a védővezető pedig marad a készülék testén. Ezek a készülékek I. ÉV osztályba soroltak, eszerint is tervezik őket, és emiatt a védővezető a készülék sassziján kell legyen fixen.
Nyilván egy PA rendszerben alap a szimmetrikus jel átvitel, ahol az árnyékolás szerepe valóban csak az árnyékolás, azon jel átvitel nem történik, szemben a hifi rendszerekkel, ahol ha az árnyékolást nem kötném be a végfokba, akkor zene helyett csak búgás jönne ki a kimeneten.
Köszönöm a felvilágosítást!
Kapcsolódó kérdés hogy a hűtőbordát kell-e testelni? Termszetesen a tranzisztorok elszigetelve lesznek felcsavarozva rá.
Igen, a hűtőbordát kell testelni, mert egy nagy kiterjedésű fém test, ami mindenféle zajokat összeszedhet és a végfokodba továbbítja azokat. Ha le van testelve, akkor erről a témáról "le van a gond".
Földelés témában, a következő helyen is lehet nézelődni, earthing. Én is ezt használom, 35A graetz 10ohm, 100nF. Mellesleg a jelkábeleket a trafóktól a lehető legtávolabb kell vezetni, és ez érvényes a toroidra is. Nagy 300VA feletti toroidnál a hálózati DC is okozhat zajt, szórást, erre a legjobb dolog:
Ne haragudj de ez nekem két helyen is rövidzárnak tűnik.
A diódahíd "kimenete" rövidre van zárva. a "bemeti" részen pedig ott vannak a kondik amik ekkora kapacitással nullához közeli impedanciát képviselnek. Ráadásul sorosan van kötve a fogyasztóval. Helyesen a melléklet mutatja. A hozzászólás módosítva: Nov 12, 2014
No várj! Itt a hálózati feszültség egyen komponensének leválasztásáról van szó.
Akkor korrekt a kapcsolás. Bocsánat.
De mi végre? Hogy ne mágnesezze elő a trafót? A hozzászólás módosítva: Nov 13, 2014
Ebben nem mélyültem el, csak funkciót pontosítottam.
Pedig erre én is nagyon kíváncsi lennék...
300VA feletti légrés nélküli (toroid) trafóknál érdemes használni. A hálózati váltakozó feszültség egyen komponensét nem engedi a trafó primer (alacsony ohmikus ellenállású) tekercsére, ezáltal nem nő a trafó meddő teljesítménye, meg nem melegszik a tekercs. Egy cikkben olvastam hogy egy 1000VA-es trafónál akár 200W-nyi pillanatnyi meddő teljesítmény is lehet a Primer tekercsen anélkül hogy terheltük volna a trafót. (ez zajként is hallatszik: szabálytalanul morog a trafó). Én QUADomban még a védelem is bekapcsolt, amióta ezt használom csöndes a toroid.
(az egyen feszültség sokféle dologtól alakulhat ki: Kontaktos átmenetek, nagyáramú fogyasztók ki-be kapcsolása,stb) (linken képek vannak): Bővebben: Link A hozzászólás módosítva: Nov 14, 2014
Azért ez nem gyenge quad. Elismerésem.
Mégegyszer bocs hogy lehordtalak.
Van néhány kérdésem a kapcsolásoddal kapcsolatban... Miért kell bele az egyenirányító? Az egyenkomponens vágását el kéne intézze a kondenzátor csomag, az egyenirányító viszont rövidre zárja és így a jel változatlan marad. A multisim sajnos igazolja. A hozzászólás módosítva: Nov 14, 2014
Nekem is zúg a trafóm, 450VA-es.
Nem túl hangos de csendes szobában zavaró. Amennyire multiméterem meg tudja állapítani 0 és 350mV közötti egyenáram van a hálóíatban, szkópom nincs hogy megnézzem. Okozhatja ez a zúgást?
Nem okozhatja. A te trafód zúgását az okozza, hogy a trafó vagy eleve gyengén lett impregnálva, vagy régi és a primer tekercs az eltelt sok üzemóra alatt "kirezegte magát" az impregnálás alól.
Ő az Bővebben: Link idén szeptember 10.-én gyártották.
Kétem a gyártótól adatokat úgy 2 órája, de szerintem leghamarabb hétfőn válaszolnak rá.
Nagyban függ a hálózattól is. Ha a színusz teteje lapos, ami szokott manapság minden "zúg" mert tele van felhamónikussal az 50Hz és azt hallod.
És ez a zúgás csökken mikor a trafó nem üresjáratban üzemel?
Egyelőre nem tudom mivel terhelni próba képp.
Egyetértek.
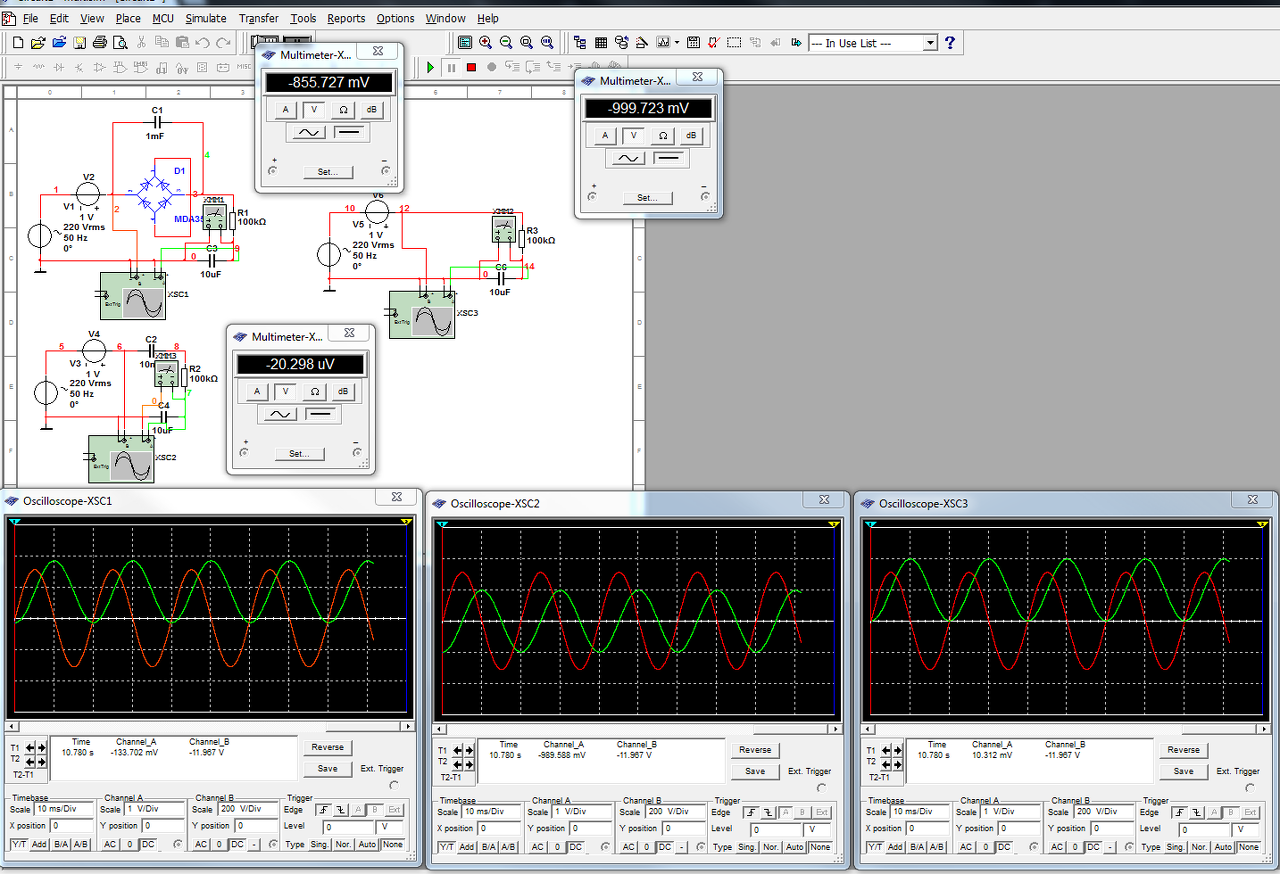
A csatolt képen látható jelalakot nemrégiben mértem otthon. Eléggé megdöbbentem.
a* szimulációban adj a 220V mellé sorba 1V DC-t bármilyen polaritással, úgy próbáld (próbáld úgy elképzelni mint az egyenfeszültségre szuperbonálódott váltakozó feszültség (brumm), csak itt a hasznos jel a váltóáram nem a DC.
*A A hozzászólás módosítva: Nov 14, 2014
és ha a két félperódus effektív értéke nem azonos, máris lehet egyenfeszültségű összetevő.
*É A hozzászólás módosítva: Nov 14, 2014
200V offset volt beállítva a szimulációban.
De kipróbálim így is A hozzászólás módosítva: Nov 14, 2014
Íme:
szimulált 1 voltos offset, első görbén az egyenirányítós cucc, másodikon csak a soros kondi, harmadikon semmi szűrés.
Olvastam kicsit a dologról itt: Bővebben: Link.
Ezek szerint az egyenirányító csak védi a kondit. Erre csak akkor van szükség ha nagyobb a feszültségesés a kondin mint annak a névleges feszültsége, persze ha jó a polaritás. Mi lenne ha lenne egy dióda sorban egy kondival antiparalelben egy másik ilyen taggal? valahogy így... A hozzászólás módosítva: Nov 14, 2014
Idézet: „ha a két félperódus effektív értéke nem azonos” Ilyen nem létezik. Az effektív érték definíció szerűen egy teljes periódusra vonatkozik. Tessék utánnajárni. Utánjárást igényel továbbá a meddő(teljesítmény) fogalma is, ez csak váltóáramon létezik, az impedancia fázisszögéből adódik, független a színusz torzításától, ti. a harmonikusok is fázisban vannak mind az árammal, mind a feszültséggel. Ugyanezért az egyen összetevőnek (bár kétségtelen hogy nem hasznos dolog némely esetben) sincs semmi köze a meddőhöz, legalábbis definíció szerint. Van viszont a trafó előmágnesezéséhez, és melegedéséhez, valamint az ilyen csapott tetejű (torzított) színuszokhoz. Egy tisztességes hálózaton nemigen tud egyen összetevő kialakulni, a belső ellenállás viszonyok miatt. A hálózat, mint generátor belső ellenállása sokkal kisebb bárminél, amit mint felhasználó ráakasztasz. Legalábbis az üzemi 50 Hz frekvencián. Az ettől nagyobb frekvenciájú, hálózaton levő jeleket szűrni lehet, és kell. |
Bejelentkezés
Hirdetés |










