Fórum témák

» Több friss téma
Fórum » Kapcsolóüzemű (PWM) végfok építése
Lapozás: OK   143 / 241
(#) sny válasza elektros90 hozzászólására (») Nov 11, 2014 /
 
Miért? Van ilyen anyagod? Vagy most akarsz venni?

Ajánlom figyelmedbe:
Korábban...
(#) elektros90 válasza sny hozzászólására (») Nov 11, 2014 /
 
Mert most ilyen van. Ha kipróbálásra megfelelne az jó lenne, legalább nem kellene amiatt rendelnem. A véglegesbe meg menne olyan amilyen kell.
(#) sny válasza elektros90 hozzászólására (») Nov 11, 2014 /
 
Pontosan melyik van? Mi van a magra ráírva? MSxxxxx? Le tudod olvasni? Mekkora az induktivitása?
(#) elektros90 válasza sny hozzászólására (») Nov 11, 2014 /
 
Elnézést, ez. DTMSS-16/0.022/8V A magra nemlátom mi van írva , elfedi a drót.
(#) sny válasza elektros90 hozzászólására (») Nov 11, 2014 /
 
Elég katasztrofális, borzasztó nagy a vesztesége, de próbára jó lesz. Jobb, mint a PC tápban használt magok. Később mindenképpen szerezz be valami jó minőségű porvasmagot, vagy légréses ferritet, vagy amiket linkeltem.
(#) elektros90 válasza sny hozzászólására (») Nov 11, 2014 /
 
Köszi! Legalább valami.
A farnelltól nem problémás magánszemélyként vásárolni?
(#) sny válasza elektros90 hozzászólására (») Nov 11, 2014 /
 
Nem. Gyorsak, korrektek.
(#) (Felhasználó 46585) válasza elektros90 hozzászólására (») Nov 11, 2014 /
 
Jesszus, mibe kerülhet ez...?

Áruld már el, miért nem jó neked a sima ferrit?
(#) lorylaci válasza elektros90 hozzászólására (») Nov 11, 2014 /
 
Sendustot próbáltam, bizonyos megkötésekkel használható azonban nem az igazi.
Sny már válaszolt, de ezt a kérdést szinte mindne héten felteszik, kicsit vedd már a fáradtságot és nézd át, mert mindig ugyanazt mondjuk.
(#) Ge Lee válasza elektros90 hozzászólására (») Nov 12, 2014 /
 
Szinte mindig hirdet valaki rossz PC tápot, van hogy 200Ft/db áron. Abba van egy E vagy ETD mag ami bőven jó.
(#) elektros90 válasza (Felhasználó 46585) hozzászólására (») Nov 12, 2014 /
 
Sziasztok!
Nem mondtam, hogy nem jó nekem a sima ferrit. Jelenleg teljesen mindegy, mert kezdem úgy érezni, hogy nem az én projektem. Csak megkérdeztem jó e az, amim van. Legszívesebben hagynám a francba már az egészet. Kész az áramkör, kész a modulátor, de most hirtelen a tanárnak nem tetszik a szimetrikus táplálás, mert bonyolult a driver táplálása vagy mi. Meg bonyolult neki a modulátor is (önrezgő) ... Azt mondta az nem működhet, majd rajzol nekem önrezgőt. Lerajzolta ugyanazt, kicsit más elrendezéssel. Nemtetszett neki, hogy mászkál a frekvencia ezért használjak inkább külső fűrész generátort. Mert az úgy elegánsabb, meg nemtetszik a szint tolás. Lényeg, hogy vagy 100 euró volt az összes alkatrész, nem beszélve a 3/4 év "játszadozásról". Igaz elegánsabb 4 ME 1 helyett, nem is beszélve arról, hogy a ME lassú lesz komparátornak... Persze a tanárnak mindig igaza van
(#) (Felhasználó 46585) válasza elektros90 hozzászólására (») Nov 12, 2014 /
 
Nem irígyellek. Nem is tudok még tanácsot sem adni. Legfeljebb annyit, hogy ha már ez a projekt, akkor illik tiszteségesen végigcsinálni. Aztán majd egyszer csinálsz egy rendesebb önrezgőt.
(#) Ge Lee válasza elektros90 hozzászólására (») Nov 12, 2014 /
 
Ez most komoly? 100 euró? Nekem az összes nincs annyiban, pedig ebben van 3 változat, meg még egy "gyári" is amit kínából rendeltem. Persze a dobozt + sallangokat most nem számoltam csak magát az erősítőt.
Azt kellett volna csinálni amiről az elején is beszéltünk, hogy nem foglalkozni a minőséggel, és összedobni valami vackot 555-el vagy egy pwm vezérlővel.
(#) elektros90 válasza Ge Lee hozzászólására (») Nov 12, 2014 /
 
Nem egészen 100e, de 50 nél több... Adó, posta rámegy 50e és szinte semmit sem rendeltem. Az ellenállásokat tízesével adják 0,7e. Összejön az, drágaság van mindenütt...
(#) sny válasza elektros90 hozzászólására (») Nov 12, 2014 /
 
Szerintem jobban teszed, ha összeírod mi kell, és innen elküldi valaki...
(#) elektros90 válasza sny hozzászólására (») Nov 12, 2014 /
 
Már mindegy, ami van abból megcsinálom majd az enyémet. Az új alkatrészeket meg vegye az iskola, aztán kap olyat a tanár úr, amilyet szeretne. A tanár vázlata ilyen.
Mondjuk nem értem minek a komparátornak negatív tápfesz, ha kimenet zenerrel be van határolva, még az sem lenne fontos a meghajtó IC szempontjából. Meg úgy általában a negatív táp nem feltétlenül kell szerintem. Legérdekesebb, hogy amit mondok neki, az nem jó... Aztán másik nap elmondja saját ötletként. Mint ma azt, hogy a ME erősítő nem lesz jó komparátornak, gyors komparátor kell, az jó ami nekem van (LT1711)
(#) sny válasza elektros90 hozzászólására (») Nov 12, 2014 /
 
A FET-ek előtt milyen IC van?
(#) elektros90 válasza sny hozzászólására (») Nov 12, 2014 /
 
IRS20124
(#) sny válasza elektros90 hozzászólására (») Nov 12, 2014 /
 
Ez egy nagyon jó kis IC. Legalább azzal nem lesz gond.
(#) elektros90 válasza sny hozzászólására (») Nov 12, 2014 /
 
Valamiért úgy gondolom, hogy majd nem fog neki tetszeni, aztán meg ott leszek ahol elkezdtem. (Jó, hogy időmilliomos vagyok... )
A hozzászólás módosítva: Nov 12, 2014
(#) elektros90 válasza elektros90 hozzászólására (») Nov 13, 2014 /
 
Sziasztok!
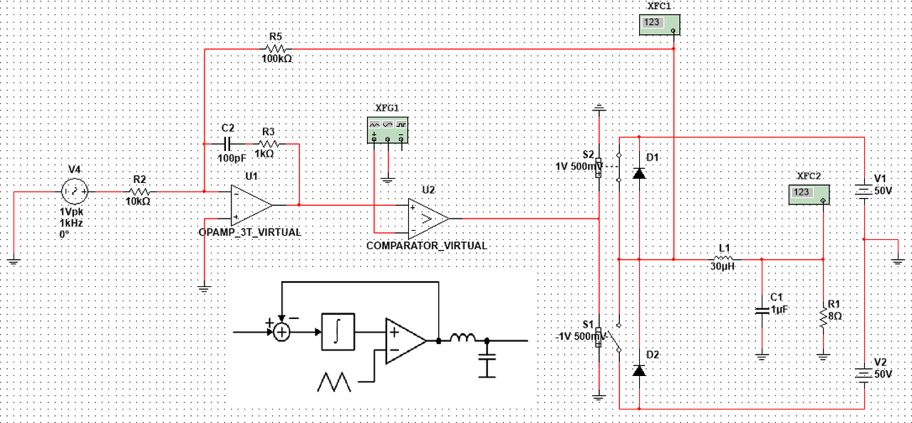
Tudnátok segíteni? Próbáltam kicsit összepofozni a kapcsolást a vázlatrajz szerint (kiindulva Bruno P. prezentációjából) Hiába ott a háromszög generátor, úgyis magától rezeg... Egy pár MHz-en. Akkor most, hogy? Múltkor mindenáron önrezgőt akartam, csak nem akart rezegni...
Szerk.: Na jó, reális alkatrészekkel eszébe sincs működni
A hozzászólás módosítva: Nov 13, 2014

classD.png
    
(#) (Felhasználó 46585) válasza elektros90 hozzászólására (») Nov 13, 2014 /
 
Tedd fel az Multisim fájl is.
(#) elektros90 válasza (Felhasználó 46585) hozzászólására (») Nov 13, 2014 /
 
Sikerült belőni, hogy elinduljon, de nagyon csúnya a kimenő jel...
13 as MS-ben nyitható csak.

pwm v1.5.ms13
    
(#) dara válasza (Felhasználó 46585) hozzászólására (») Nov 13, 2014 /
 
Sziasztok.
Nekem is van egy problémám,még pedig,meg építettem lorylacinak az erősítőjét,és át ment multivibrátorba,vagy is be indul meg áll kb 1mp impulzusokban.Jelgenerátorról próbálom,mű terheléssel.Hal a bemeneten semmi el sem indul. a jelgenerátort,o volt kimenettel,és elkezd rezegnikb 1mp impulzussal növelve a jelet a rezgés gyorsabb(szkóppal nem tudom követni)az amper meg az egekbe.Labor tápról próbálom.Induktív elött szép négy szög,utána sinus,és meg állt a tudományom.Mitől lehet ez?
(#) (Felhasználó 46585) válasza elektros90 hozzászólására (») Nov 13, 2014 /
 
Kicsit belekontárkodtam. A kapcsolás már működőképes, de azért vannak benne problémák... de ezekre szép lassan majd csak rájössz, vagy ha nem, akkor holnap írok róla.
Azért volt ronda a kimeneti jel, mert kicsi volt a számítás pontossága. Ha ezt átállítod a tízszeresére, egyből jó lesz. ( A legördülő menűből: Simulate/Analyses/Tranziens Analysis/Maximum Time Step legyen 1e-7, az Initial Condition pedig: Set zero. Az Output listába írd be azoknak a pontoknak a számát, amiknek a jellemzőire kíváncsi vagy. A kapcsolási rajzot be kell számoztatni. Ezt a legördülő menűből: Edit/ Properties/Show all funkciókkal tudod megtenni. )

Én nem használom az MS által felkínált műszereket ( szkópokat ), ezeknél sokkal látványosabb a Display Gaph, amit ha lefuttatod ezt a szimulációt ékesen fogod látni a különbséget. Ez egy akárhány sugaras szkóp, mindenféle elérhető matemetikai funkcióval. Ilyen szkópról még a DSO tulajdonosok is csak álmodnak... pedig még ez is csak egy hulladék ahhoz képest, hogy milyen lehetne...
A hozzászólás módosítva: Nov 13, 2014
(#) (Felhasználó 46585) válasza dara hozzászólására (») Nov 13, 2014 /
 
Talán Laci tud valami okosat mondani...
(#) elektros90 válasza (Felhasználó 46585) hozzászólására (») Nov 13, 2014 /
 
Köszönöm szépen! Már most nincs energiám gondolkodni. Majd rávezethetsz, hogy mégis mikre gondolsz, aztán megpróbálok rájönni magamtól. Komolyabb tapasztalat hiányában teljesen magamtól nem igazán menne. Ami nekem feltűnt az az, hogy ennél a topológiánál csak akkor működik (legalábbis jelenleg), ha a VCS a szűrő előtt van. Régebben meg már konstatáltátok, hogy jobb ha a szűrés után van. Továbbá, hogy relatívan magas a harmonikus torzítása.
(#) (Felhasználó 46585) válasza elektros90 hozzászólására (») Nov 13, 2014 /
 
Mindenféle variációt lehet csinálni... Ha van laptopod, akkor a helyedben csinálnék egy szimulációt önrezgőre, bevinném a tan'tóbácsinak, megmutatni.
(#) Ge Lee válasza dara hozzászólására (») Nov 14, 2014 /
 
Ilyet egyáltalán nem csinálhat. Akkor csinálhatna ha ki van egészítve az 555-ös áramkorláttal de abban olyan nincs. Tehát vagy megy a pwm vagy nem, de ki-be nem kapcsolgathat. Nem lehet hogy a labortáp viccel meg? Áramfelvétel sem lehetne terhelés nélkül, max. 80mA körül. Ha ennél sokkal több akkor valami gond van, elkötés vagy hibás alkatrész.
(#) elektros90 válasza (Felhasználó 46585) hozzászólására (») Nov 14, 2014 /
 
A szimuláció már kész, vittem is, de nem volt rá kíváncsi... Sajnálom, de a teljesítmény fokozat marad az ami már nyákon van (a szimmetrikus táplálású). Az, hogy prof. létére "bonyolult" egy z.diódás fesz. szint emelés, arról én már nemtehetek... Mondjuk azt nemtudom, hogy mi problémája azzal, hogy szalad a freki, mikor a kimenő jelre nincs mérvadó hatással. Tulajdonképpen azt sem értem, hogy minek a háromszög jel. Vagyis értem, ha nem lenne VCS akkor kellene. Viszont az én nézőpontom szerint a VCS-al kvázi a hibajel van komparálva a 0 val. Ha pedig még egy csúnya fűrésszel hasonlítom össze, akkor már csak rosz lehet...
Következő: »»   143 / 241
Bejelentkezés

Belépés

Hirdetés
XDT.hu
Az oldalon sütiket használunk a helyes működéshez. Bővebb információt az adatvédelmi szabályzatban olvashatsz. Megértettem