Fórum témák
» Több friss téma |
Fórum » Ki mit épített?
Ez a téma ha úgy tetszik a mi "kiállítótermünk", nem pedig a ki mit csinált volna másképpen, mások helyett, és legfőképpen nem javítós téma.
Minden készüléknek van saját témája, ott kell kitárgyalni a részleteket!
FONTOS! A kapcsolási rajzok keresésére is van saját téma, ott keressetek rajzokat!
Sziasztok, Én is olyant használtam az enyémhez, 300 Ft volt a két 18 cm-es darab.
Nagyon jól bevált, semmi kotyogás. Ő lenne az. A hozzászólás módosítva: Nov 11, 2014
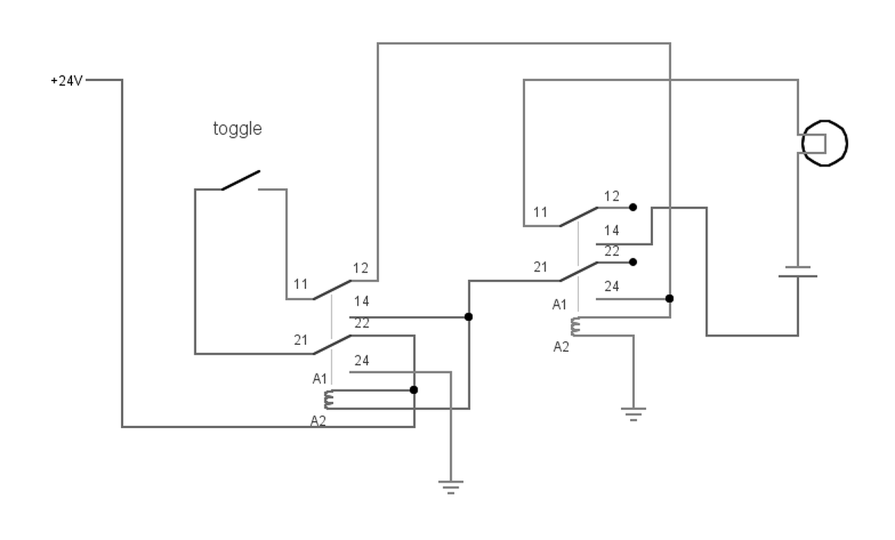
Sziasztok! Ma végre elkészült a kis erősítőmhöz a ki-bekapcsoló. Impulzusrelé megoldással CD4013-al, kicsit feljavítva, működőképessé téve a neten található hibás megoldásokat. Az erősítő bekapcsoló gombja 12mm-es plexiből lett kimarva és gravírozva, zöld led világítja meg belülről, kis öntapis alucsík oszlatja el a fényét a plexin, és nem lököm arrébb az erősítőt minden be és kikapcsoláskor az otromba kapcsoló miatt. Itt található a rajz, ami meg lett építve. DC 12V-os Micop relé volt éppen a fiókban ezért arra finomhangoltam, de gyanítom a Finder, vagy az Omron kisimpedanciás típusaival is mennie kell. Sikerült a mikrokapcsolót a gomb mögött tökéletes pozícióba beállítanom, így nem lötyög, nem feszül, pont olyan kellemes kapcsolni - mint szerettem volna
Tudom - nem nagy dolog, de legalább készen van. A hozzászólás módosítva: Nov 12, 2014
Nekem ezzel az a gondom, hogy állandóan fogyaszt. Legtöbbet akkor, mikor nem használom.
A hozzászólás módosítva: Nov 12, 2014
Jó a képzelőerőm, de mi lenne, ha töltenél fel egy képet?
Ha jól néztem az adatokat, akkor az mindössze néhány mikroamper.
Jogos, de egy erősítőbe elemet tenni...? Hüm-hüm.
Hátha kameleon2 kifejti bővebben. Várjuk ki!
Csak egy sokmenetes tekercs kell, egy ici-pici stabilizátorral. Energy harwesting...
De menrégen itt volt a bekapcsolás jelző LED, mint fény érzékelő. Erről eszembe jutott egy régi ötlet. ZX Spectrum -hoz készült egy bekapcsolás jelző LED, ami egyben a reset gomb is volt. A LED egy mikrokapcsolóra volt ragasztva, a LED volt a "nyomógomb sapka". A hozzászólás módosítva: Nov 12, 2014
Csak nehogy átcsapjunk ingyenenergia topicba, egy bekapcsológombbal...
Teljesen jogos. Van egy relés változat, amihez két relé kell. Azzal viszont az a bajom, hogy emelt tápfeszültség kell neki. Azaz, mivel 12 V-om van 5-6V-os relékkel tudtam volna csak megcsinálni, olyan meg nem volt itthon. A korrektebb megoldás - bármilyen fura - a relés, mert ahogy írod - kikapcsoláskor nem fogyaszt egy kukk áramot sem. Viszont nem árt egy harmadik relé ami a terhelést kapcsolja, mert nem egészséges, ha a gyengeáram és az erősáram (DC és AC) egy relé érintkezőin, egymás mellett működik. Kis relékkel ez sem sok helyet fogyaszt, de 2 morzeérintkező feltétel - relénként - legalább. A rajzon szereplő megoldást 12V-os relékkel próbáltam, legalább 18V de egy nagyságrenddel nagyobb tápfeszültség a jobb megoldás, akkor stabil a kapcsolás. A relésnek van még egy tulajdonsága - nem előny, nem hátrány - hogy hallható a határozott kattanás a kapcsolás megtörténtekor.
Szia! Sejtettem, hogy kérni fogjátok, bár sokkal több nem látszik, mint a már közzétett képen, amit a fejhallgató erősítős topicban megnézhetsz itt. Maximum, hogy világít a plexi gomb bekapcsoláskor. Eddig is ott volt a gomb, csak ideiglenesen rögzítve, amíg megszültem, mi fér bele ebbe a méretbe. Amúgy nem túl sokat fogyaszt, visszatérve az előzőekhez kicsit, mert kapcsolóüzemű a táp.
Úgy tűnik nem tudtunk meg sokkal többet.
Szia! Egy 12V-os kapcsolóüzemű táp látja el az erősítőt. Az táplálja a ki-bekapcsolást végző elektronikát és relét. A relé adja tovább a végfokra és a kontroll ledre a tápot. Azaz a táp folyamatosan megy. (eddig is ment már vagy egy éve, csak nem volt a végfok kikapcsolható).
A rajzon igen, mert ez a szimulátorból lett kiollózva.
Ha berakna oda egy golden capot, és megoldaná az ujratöltést a bekapcsolás alatt, akkor örök életü is lehetne, hiszen kikapcsolt állapotban csak a C-MOS-t kéne ellátnia energiával, az meg a relé helyett indithatná a kapcsolotápot is (pl. egy optocsatolon keresztül).
Ha a golden cap elbirja a relét, akkor akár igy is maradhat.... A hozzászólás módosítva: Nov 13, 2014
Természetesen, ilyen komoly projekthez kell gondolatgerjesztö.
A hozzászólás módosítva: Nov 14, 2014
Még nem megy az óra, de ami késik az nem múlik!!
![]() Ha valaki tud segíthetne járásra bírni az órát!!! Köszönöm! A hozzászólás módosítva: Nov 15, 2014
Szia. Egy kapcsolási rajzot feltennél?
Ez lenne, csak nem smd hanem, dip-es atmega8 van benne!
Meg itt a vezérlőnek a nyákterve is, hátha itt csesztem el valamit!!
Több szem többet lát! A hozzászólás módosítva: Nov 16, 2014
Sziasztok!
Végre kész lett attila86 tervei alapján a forrasztó állomásom. Érdekessége az, hogy az alkatrészek 95% használt, és Hp47C egyik hozászolása alapján a kis kapcsolóra felkerült egy led így kapcsoló és egyben jelző szerepe is van. Ennek ellenére szerintem sikerült a nyákot elfogadható módon kivitelezni. Ugyan ez nem igaz egyelőre a dobozáról, amit a későbbiekben még szeretnék lefesteni.Köszönöm mindenkinek a segítséget, akik megválaszolták a buta kérdéseimet! A hozzászólás módosítva: Nov 16, 2014
Én nagyon preferálom a bontott alkatrészekből épült készülékeket. Jómagam is 95%-ban ebből épitkezek. Nekem nagyon tetszik. Csak könyörgöm ha már ilyen klassz lett a nyák és a belvilág akkor fújd már le valami festékkel.
Én is ugyan azt mondom, mint Doncso!
Nagyon tetszik, szép munka!
Az óra végre már megy!
A hozzászólás módosítva: Nov 17, 2014
Gratulálok!
Nagyon szép lett! Remélem, lesz belőle cikk. Nincs még elég épített óra, hőmérő, illetve ezek permutációja a szobában...
Szia. Elárulod, hogy mi volt a hibája?
Engem érdekelne.
Előbb-utóbb én is szeretnék majd valami hasonlót építeni
Viszont ha már mátrix... nem lehetne ékezet a karaktereken? |
Bejelentkezés
Hirdetés |




Tudom - nem nagy dolog, de legalább készen van.















