Fórum témák
» Több friss téma |
Hűha! Ez gyors volt! Pont valami hasonló megoldást gondoltam egy IC-vel! No, szerintem ez akkor nekem majd külön panelre fog kerülni. Hálásan köszönöm a segítséged és az időráfordítást! Már sok sörrel lógok!
Egy kicsit megakadtam... Adott egy PIC analóg bemenete (DC 0V-5V), adott egy AC motor aminek az áramát szeretném mérni ( nem kell műszer pontosság). Van egy 1000 menetes áramváltóm amelyről a párhuzamos ellenálláson(100 ohm) mérve a következő értékek jönnek ki: Elvileg max 5A az áramváltó.
235mA = 49mV; 3,11A = 400 mV; 4,06A = 556mV; 4,58A=647mV;5,72A=1017mV; Adott a lenti kapcsolás , de valahogy nem jól működik. Annyit változtattam, hogy az IC az TL082, az R1 ellenállás 10k-100k lett (hogy az erősítés 2-3 körüli legyen, ne 22), így a kimenetem 1V-os bemenetnél 3V-ot produkál + a 0,94V ("alapjárat"). Ez 4V. Teljesen jó lenne a PIC-nek, de nem ezt csinálja. CT tekercsét rövidre zárva, a kimenet 0,981V-ra áll be. Áramváltó tekercs feszültség változása ezt produkálja a kimeneten: , 0mv = 0,981V; 50mV = 0,981V; 400mV=3V; 556mV=3,31V; 647mV=3,38V; 792mV = 3,46V; 1017mV=3,48V; (Ilyen hálózati fogyasztók voltak...)Nem éppen lineáris. Tud nekem valaki helpet adni, mi lehet a baj?
Szia! Kicsit elvesztem a rengeteg számadatban. Miként táplálod az IC-t? A/D bemenet számára következetesen LM358-at használok test és +5V táppal. Figyeld meg mit ír az adatlap a műveleti erősítő bemeneti és kimeneti feszültség korlátjáról!
Hello! Így van, a 358 sokkal jobb választás. A TL082 sem Rail-to-Rail, így bemenete nem mehet le a GND-re, és a kimenete sem megy fel-le 1-2V-ra. Többek között ezért határol. Valahogy így kellene megoldani..
Igen a táplálás 5V-ról kellene, hogy menjen (bár van 12V-is, csak az nem stabilizált). Gondolkodtam én is a táp megemelésén, csak félő hogy a PIC bemenetére nagyobb fesz juthatna, mint 5,5V (azt hiszem ez a max.). Tudom, lehet a PIC bemenettel párhuzamosan zener diódát rakni, de akkor is tartok tőle. Jobb lenne 5V-ról. Köszönöm a rajzot, mindenképp megépítem (a céges anyagbeszerző már intézi is az alkatrészeket...), remélem ez már működni fog. Sajnos nekem a müv. erősítők kimaradtak. Mindenképp utána olvasok ennek az LM358 kontra TL082-nek. Szeretném megérteni. Köszönöm mindkettőtöknek a hozzászólást.
Megépítettem, sokkal jobban működik, mint az előző, de ennél is van egy kis bibi. Amint a bemeneti feszültség meghaladja a kb. 800mV effektív feszültséget, a kimenet eleinte stagnál, majd további bemeneti jel növekedésre a kimenet csökkenni kezd. Probáltam visszább venni az erősítést az R5 csökkentésével és az R4 növelésével, a kimeneti jelem csökken is, de a letörés benne marad. A bemeneti jelem töretlen (nem csuklik meg). Van valakinek valami ötlete?
A hozzászólás módosítva: Nov 19, 2014
Hello! Igazából kissé rendszerellenesen van használva a műveleti erősítő, mert kettős tápfeszültség lenne a tisztességesebb megoldás. A szimulátor nem imitálja az erősítő minden tulajdonságát, és lehet a bemenő fokozat túlvezérlődik és kinyit valamelyik PN átmenet. Mert itt igazából az egyenirányít, hogy az IC és a Fet kimenti feszültsége határolódik a féltáp miatt. De két lehetőséget megpróbálhatsz.
- A bemenet leosztásával csökkented a bementi jelet a 800mV alá, és az erősítés növelésével vissza állítod a kimenti feszültséget. - Esetleg az invertáló típusú erősítőt neminvertáló típusra alakítva, nem a negatív félperiódust, hanem a pozitívat fogja egyenirányítani a fokozat. A bementi védődióda meggátolja a negatív bemenő feszültséget. Bár Schottky kisebb nyitófeszültségével szimpatikusabb lenne az IC-nek.
Kipróbáltam a nem invertáló erősítőt is, szinte ugyanaz a jelenség. Így marad az a megoldás, hogy kicserélem a CT tekercs mellett lévő párhuzamos 100 ohmos ellenállást kisebbre.Így már biztos működni fog. Köszönöm a segítséget.
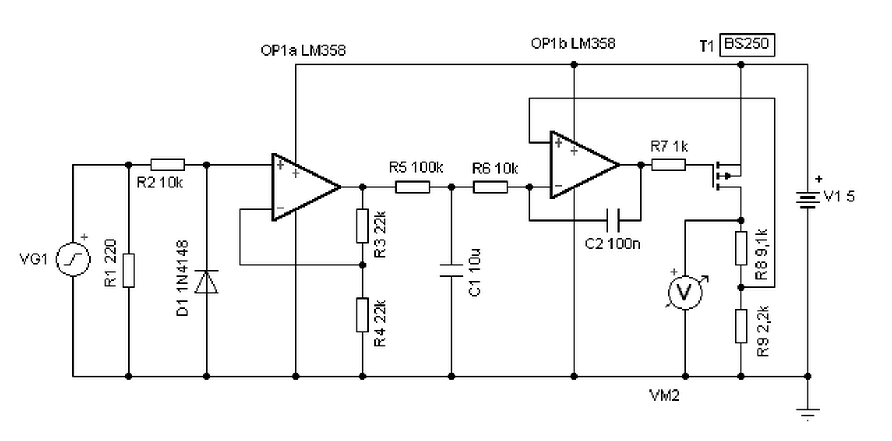
Hello! Megrajzoltam egy másik lehetőséget, de ezt most össze is dugdostam, kipróbáltam. (Cseppet zavaró, hogy a hálózati feszültség (amiből a bementi jelet nyertem) állandó változása. A jelet szűrni is kellett, mert közel sem volt szinuszos.) De ez azért elég jól teszi már a dolgát. Gyakorlatilag a meglévő eszközökből ki tudod alakítani.
- Az első fokozat a bejövő feszültséget egyenirányítja és kétszeresére erősíti. - Ezt követi, az R5-C1 integráló fokozat. Mivel a szinusz átlagértéke mintegy 10%-al kisebb mint az effektív értéke, így a DC jel is kb. azonos értékű lesz a bejövő jel effektív értékével. A kétszeres erősítés pótolja a "kiesett" félperiódust, lévén hogy az egyenirányítás egyutas. - Ez után már nincs sok teendő, mint a jelet felerősíteni a PIC AD tartományába. A Fet ezért szükséges, mert az LM358 kimenete 5V tápfesz mellett maximum 3,6V-ra tud "felmenni". - A maximális bementi feszültsége az első fokozatnak úgy kalkulálható, hogy a maximális kimenti feszültséget elosztjuk az erősítéssel, és ez lehet a bejövő szinusz maximális csúcsértéke. Vagy is Ibe(max)=3,6V/2/1,42=1,27Veff Próbáld ki, nem egy nagy kaland. Hátha ez jobban tetszik, mint a csúcsegyenirányítás..
Miért kell a műv erősítőnek stabilizált tápról menni? Az LM358 tápelnyomása 100 dB körüli, nem feltétlen fontos a stab táp. Viszont a magasabb táp kellemesebb az erősítőnek.
Kipróbáltam az előző kapcsolást kisebb CT ellenállással, és már majdnem tökéletesen sikerült beállítanom. Egy picike mérési ingadozás volt tapasztalható, de alapjaiban sokkal jobb volt, mint az én első rajzom... Ezt a második rajzot is mindenképp kipróbálom, próba panelen nem tart se meddig. Ha tudok valamit jelentkezem. Addig is köszönöm a fáradozást..
Kedves pucuka: Arra gondoltam, hogy nem biztos, hogy jó lenne egy kapcsoló üzemű tápról hajtani a müv. erősítőt (mert erre gondoltam a nem stabilizált alatt). Nem okoz benne problémát a kapcsoló üzemű táp? Így 5V-os stabilizált táppal biztonságosabbnak érzem, de lehet nincs igazam. A hozzászólás módosítva: Nov 21, 2014
Ha jó a kapcsoló üzemű tápod, nincs miért aggódni, ha meg nem jó, akkor sok problémát okozhat amúgy is. Viszont az alacsony tápfeszről csak speciális műveleti erősítők működnek. A szóbanforgó erősítőnek is az 5 V a minimálisan megengedhető tápfeszültsége. Semminek nem tesz jót a határon való működés, sem az alsó, sem a felső határon. A differenciál erősítők jellemzője, hogy nagy tápfeszültséggel szeretnek üzemelni, a linearitás miatt használt áramgenerátoros, és áramnyelős munkaellenállások miatt. Ebben pedig van egy pár.
Sziasztok !
Az normális ha egy TL071 kimenetén majdnem pozitív tápfeszt mérek ? +/- tápról megy, invertáló bemenet, a nem invertáló közvetlenül a földre van kötve. Offset kompenzálás nincsen bekötve. Még nem építettem semmit ilyesmivel, most ismerkedem velük. Csak nem akar működni. ![]() Köszi !
Szia!
Kösd be így: Bővebben: Link.
Ez most akkor nem erősít semmit, csak impedanciát illeszt ?
Vagy a nem invertáló bemenetre gondoltál ? A hozzászólás módosítva: Nov 25, 2014
A legegyszerűbben az egységnyi erősítésű kapcsolással tudod tesztelni az erősítőt. Impedanciát illeszt, áramot bufferel, stb. A kimenetén nulla voltnak kell lennie a GND-hez képest, ha nincs bemenő feszültség. Buffer.
Remélem az a föld amire a neminvertáló bemenetet kötötted, az a +, és a - táp közös pontja. Egyébként sem illik közvetlenül földre kötni, a neminvertáló bemenet és a föld közé az invertáló bemenet soros, és a kimenetről visszacsatoló erősítést beállító ellenállás párhuzamos eredőjének megfelelő ellenállást kell kötni.
Hello! Ha mind két bementet a födre kötötted, akkor nincs min csodálkozni. Hiszen az offset hiba feszültségét, a nyílthurkú erősítésével felerősítette. Offset hiba 3..10mV, nagyjelű erősítése meg 200V/mV. Vagy is a kimenet az offsethiba értékétől függően ott van "ahol éppen akar lenni".
Sziasztok!
proli007: kezdő kérdéseknél kérdeztem rá egy kivonó áramkörre, amiben segítettél: erre Megépítettem LM358-cal, aránylag jól működik, eltekintve a 0 hibájától. Túrtam egy kicsit az IC-k között, és találtam pár TL072-t. Ezekkel is felvettem a kivonó transzferét. Ez mégannyira sem tudott 0-ra leülni, ráadásul kis bemenő fesznél (kb 1,8V alatt) majdnem tápfeszre kiült a kimenete. Először azt hittem valami nem jó, átültettem gyorsan egy feszültség követő körbe, de itt is ugyanígy viselkedtek. Ezt a Jfet-es bemenete miatt csinálja? Tudsz mondani egy "igazi" rail-to-rail műveleti erősítőt, amit ilyen 0-12V-os tartományban ki tud ülni mindkét szélső feszültségre? (Ha nincs ilyen, csak kiegészítő áramkörökkel, akkor csak 0V-ra?)
Hello! Írtam, hogy szembesülni fogsz ezzel a problémával. A TL sem csoda, sehol nem írják, hogy féltápfeszes erősítő. De ha kicsit olvasgattál volna itt ebben a témakörben, akkor találkoztál volna vele, és a hiba okával is.
Én műveleti erősítőt nem fogok ajánlani, keress az adatlapok között. De megmutatom, hogyan lehet megvalósítani a "szegény ember Rail-toRail erősítőjét". A hozzászólás módosítva: Dec 9, 2014
Köszönöm!
Találtam itt a store-ban jópár példányt, pl MC 33202.
Üdv,ha egy quad opamp-ból csak 3-at szeretnék használni akkor a maradék lábait húzzam le földre vagy maradhat lógva?DAC kimeneti buffer fokozatról van szó (OPA 4134).
A bemeneteket földre, a nem használt kimenetet mindenképpen hagyd lógva, különben könnyen lehet hogy izzani fog a háta.
A hozzászólás módosítva: Dec 16, 2014
Ja,úgy gondoltam én is,a kimenetet nem akartam bántani.Köszi.
A nem használt műveleti erősítő kimenetét szerencsésebb az invertáló bemenetével összekötni, a neminvártáló természetesen megy a testre.
Igen, az elegánsabb.
R9 vagy R13 csökkentésével csökkenteni, R10 csökkentésével növelni lehet az erősítést. Az R10 csökkentése egy határon túl túlvezérlést és torzítást okoz.
Csatornánként nem volna megoldható a külön gain szabályzás? Mármint a TL084 egy 4-es műveleti erősítő,minden csatornára jutna egy gain controlnak. Vagy nem jó az elképzelésem?
Ez egy négy csatornás keverő, a csatornánkénti szinteket az R1, R2, R3, R4 potenciométerekkel tudod állítani.
Vagy ebből kellene 4, vagyis 16 bemenet kellene összesen? |
Bejelentkezés
Hirdetés |















