Fórum témák
» Több friss téma |
Szerintem Gyozo92 arra gondolt, hogy nagyobb lesz az IC áramfelvétele, ha a kimenete meg van tuningolva. Mert így hirtelen más összefüggés nincs.
Az IC áramfelvétele nem lesz több.
Ha csak a kikapcsolást bikázza, akkor végképp (diódán keresztül kapcsol be, PNP-n keresztül ki a MOSFET). De ha NPN-nel bebikázza a bekapcsolást, akkor az NPN fogja a bekapcsolási töltést, és így áramot adni. De a segédtápot az IC-nek meg kell növelni, de ez általában nem probléma.
Van egy 6cm átmérőjű gyűrűm ami ketté van törve (a futárnak hála). Összeragasztottam, de szerintem szét lehet szedni a ragasztásnál, ha máshogy nem, sok türelemmel.
Ha már légrés kell...
Új szétfőzési módszer ami nekem bevált, egy fazékba nem vizet hanem használt étolajat tölteni, és azt forralni, gy magasabb hőfok érhető el. Sok trafót korábban vízben főve sem jött szét, csak pattant egyet mikor feszegettem.
Mikró,2x3x10mp,az esetek 90% szét jön rendesen,mindegy mekkora.
Sziasztok! Ez az IC egy kapcsolóüzemű tápot hajtana.A kapcsolási rajzot az IC adatlapján néztem,de mivel ott alkatrész értékeket nem ír,ezért csak szimulátorban próbálgattam változtatni(lehet hogy tévesen),de sehogy sem jön ki négyszög jel,csak sima 3mV.Esetleg tudna-e Valaki segíteni hogy négyszög lel legyen a kimeneten.Azt olvastam,hogy az RT/CT változtatásával lehet változtatni a frekit,de itt nincs is freki.
Előre is köszönöm.
Szia!
Az adatlapban van példakapcsolás. Ráadásul ez az IC kompatibilis a hagyományos UCC2842-vel. Adatlap.
Próbáld meg az RT-t növelni 10 kohmra, a CS lábra pedig progizz fél voltot, ne a kimenetet vezesd vissza, a VDD-re pedig 17 voltot.
Szia Ferci. Megpróbáltam ahogy írtad,de akkor sem megy a négyszög. Üdv!
A hozzászólás módosítva: Nov 23, 2014
Akkor próbáld meg úgy, hogy a FB lábra adsz pl. 47k poti csúszkával pár voltot a REF-ről, a COMP-ra pedig ugyanonnan egy 100k.
Megnézted az adatlapi kapcsolás alkatrészértékeit?
A CS láb feszültségét is "tekergesd" tizedvoltonként pl 0,7-ig, mert az érzékelné a FET source ellenállásán az átfolyó áramot és attól függ a kitöltés.. nehogy olyan legyen, hogy egy nagyon vékony jel legyen és nem látod meg.
Szerintetek EZ a kondi milyen lehet? Nem találok róla semmit, se gyártót, de több adatot. Fektetve téve jó volna talán.
Így elvileg sem mehet, hiszen feszültség van a CS lábon amitől le fog állni. A COMP lábat hagyd üresen. Egyébként a szimulátorokban lévő UC, UCC (már ha van) általában nem megy. Eddig egyet találtam de azt sem sikerült elindítani, sehogy sem. Szerintem csak dísznek van benne.
Kell keresni a szimulátorban példakapcsolást vele, mert ha van akkor azok szinte biztos hogy működnek.
Pl. a 13-as multisimben is vannak UC-k, 42, 44, 45 stb. de nekem egyik sem ment. Viszont a szimulációk között van egy flyback szimuláció, amiben csináltak egy ezekhez hasonló vezérlőt, és az megy. A szkóp a gate jel.
A hozzászólás módosítva: Nov 23, 2014
Sziasztok!
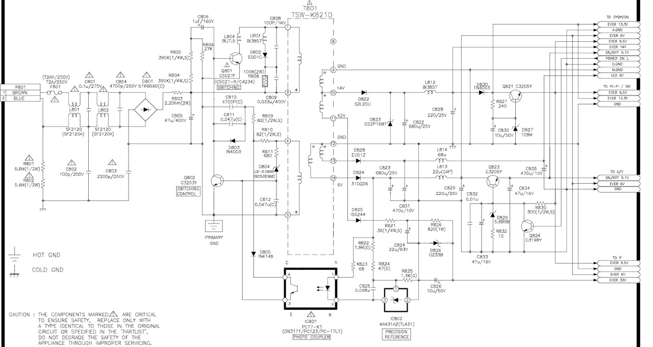
Van egy elhalt VHS nyákom rajta egy táppal, amit a későbbiekben szeretnék ujjá építeni, és különösebb változtatás nélkül 12V (stabil) és 20-24V 2A áramot szeretnék kivenni belőle. A szerkezet teljes kapcsolása 15. oldalon a POWER CIRCUIT DIAGRAM (230V ONLY) résznél. A kérdésem 2 részből tevődik össze: - Van-e rá mód, hogy valahogy beindítsam a vezérlő rész nélkül csak az optot használva? Vagy ez egy teljesen halott ötlet? - Másik az az, hogy hogyan kellene a primer oldalt módosítani, hogy kapjak egy olyat tápot amit a 230V megjelenése indít el?
Elnézést, ha ez itt off, de az autóhifishez se illik be annyira. EZ itt Step up module, ötletes elnevezés, a leírást értem, hogy mit csinál értem, még értelmét is látom a dolognak, de ahogy a képeket nézem, valahogy nem áll össze az egész. Valaki meg tudná mondani, hogy mi ez a panel, és hogyan működik? 95% feletti hatásfok, bemenet 12-60V 10A, kimenet 12-80V (Hűtőbordán vannak gondolom a fetek, de hol van benne a trafó?) Egyszerűen nem áll össze a kép, ráadásul hogy vinne át 600W-ot? Ha a fele nem igaz az egésznek, az még mindig erős...
Viszont ha ez működőképes, érdekelne a működése. Előre is köszönöm! A hozzászólás módosítva: Nov 24, 2014
Ha érted hogy mi ez és mit csinál akkor mi a kérdés? Oda van írva hogy boost konverter, amiben trafó nincsen csak tekercs, ami szintén látható a képen.
A hirdetésben 15A-t írnak és maximumnak pedig 20-at, az ha egy 14V-os akkut nézünk akkor olyan 250W környéke. Nem nagyon találni hirtelen normális animációt, de talán még ez a legjobb amiből megérted a működését. A boost konverter 1perc 45 másodperc körül kezdődik. Természetesen az egyszerűség és az érthetőség miatt nincs más benne mint egy kapcsolótranyó az azt meghajtó négyszögjellel, a tekercs, a dióda, a kondi és a terhelés. De a kész áramkör sem sokkal bonyolultabb ennél.
Szia!
Az elindítást megpróbálhatod az előző ötlet szerint, viszont sok értelme nincs, mert felvétel módban a max felvett teljesítmény 17 watt lehet. Ha jól megnézed, ez is egy része csak a szekundernek, tehát átnézed, melyik feszről mit tudsz levenni, de a 42 volt biztos reménytelen, mint terhelhető rész, a 14 voltos tekercs kevés feszre a kívánt 20-24 volthoz. A 2 amperről meg ne is beszéljünk. A primer részed talán 20-30 wattig jó lenne, de a szekundert teljesen át kéne alakítani ( trafó tekercselés, stb..). A kívánt 20-24 volt stabil és 2 amperhez hatásfokot is nézve 60-70 watt bemenő kellene... halott ötlet. Idézet: „A kívánt 20-24 volt stabil és 2 amperhez” Ez a feszültség nem kell hogy stabil legyen ennek a fűtését táplálná a 20-24V Értelek, és igazad is lett. A trafó átalakítása megoldható (így már mind egy mivel nem képes arra amire nekem szükségem lenne)! A kérdés az, hogy a jelenlegi alkatrészeket figyelembe véve mire lenne még szükségem hozzá, hogy működjön? És tudnál-e benne segíteni pl egy kapcsolási rajzzal? Sokat olvasok PC-tápok átalakításáról stb., de még nem ált össze a kép, hogy is tudnák egy olyan tápot összehozni, ami elég kicsi, és mégis eltudja látni a forrasztó állomásomat. Sajnos a jelenlegi trafó nem épp erre lett kitalálva (eléggé melegszik) és szeretnék egy olyan jó és olcsó megoldást ami nem fűti el feleslegben az áramot.
Nincs értelme a jelenlegi alkatrészállományt felhasználni 1-2 apróságért.
A trafó a kényes pont leginkább, mert venni készen nehezebb talán, mint csinálni. A többi alkatrész nem nagy tétel. Erre a célra pedig találsz 1:1-ben kapcsolást a fórumon, úgy rémlik.. Találd meg ( ha nem javasol éppen valaki, aki már készített ilyent ), aztán ha gondod van, segítünk, természetesen.
Változtattam a CS lábon a feszt,de ez lett az eredmény.
Köszönöm, megpróbálom.
Javasoltak a számomra már kapcsolást, ebben a topikban, de az valamiért elvetésre került nálam. Visszatérek oda hátha második nekifutásra sikerül
Mi az, hogy "de"?
1., Elérted az 1 voltot, ami pl. már letilt, 2., a kimenetre szkópot tegyél, ne voltmérőt... az minek? Csak átlagot mérsz.
A frekit RT, CT-vel variáld, a kitöltést pedig a poti megosztásával a csúszkához képest, ha másképp nem megy... apránként és finoman..
"Élőben" a szabályzás nagyon meredek kis határon belül. A hozzászólás módosítva: Nov 25, 2014
Hali.
Újra az áramváltó tekercsel kapcsolatosan tennék fel kérdést. Mert igazából nem értem, még mindig. Tehát ha azt szeretném elérni, hogy a primer körben (trafó) szálát átvezetem mondjuk egy kis gyűrűn. Ha tekerek rá 10m szek. menetet a kimenetén hány volt lesz mérhető, mondjuk 1 ohm -os sönttel zárva? Mi van ha 20 menetet tekerek rá, és a lezáró továbbra is 1 ohm ? Ennek a működését csak azért nem tudom felfogni -tudom bután hangzik- mert egy trafóra gondolok ami feltranszformálja az amúgy is nagy kb 300V-os feszültséget 3000V-ra (10menetnél), de ha a végén meg gyakorlatilag zárlat van akkor terhelés hatására el kéne égjen ( vagyis ez játszódik le a gondolatomba). De valahol téves a gondolatom mert nem tudom felfogni a működését. Jelen esetbe a TL494 IC- com lábát akarom vele földre húzni, mondjuk 4-4,5-nál elvileg leáll, de úgy kéne hogy ha a primerjén 5A átmegy. (Vagyis úgy 1500W körüli terhelésnél) Az meg a másik fele, hogy terhelés következtében csökken a primer fesz, vagy 20V-ot szóval nem tudom kiszámolni. Belegabajodok. Ezt szeretném végre elérni.
Szia!
Nézd meg, hogy hol helyezkedik el ez a tekercs. Nem a 300V-ra van kötve a primer, hanem az átfolyó árammal arányos feszültséget transzformálsz át a szekunderre. Olyan, mint egy sönt, mert ugye a söntön eső feszültségecske lesz az átfolyó árammal arányos jel.
Okéj, tehát 5A-nál 5V fog esni a szekunderen, de hogyan hány menetnél ? Van minimum ? Ezt hogyan kell kiszámolni?
|
Bejelentkezés
Hirdetés |





Ha már légrés kell...
Előre is köszönöm. 










