Fórum témák
» Több friss téma |
- Ez a felület kizárólag, az elektronikában kezdők kérdéseinek van fenntartva és nem elfelejtve, hogy hobbielektronika a fórumunk!
- Ami tehát azt jelenti, hogy a nagymama bevásárlását nem itt beszéljük meg, ill. ez nem üzenőfal! - Kerülendő az olyan kérdés, amit egy másik meglévő (több mint 17000 van), témában kellene kitárgyalni! - És végül büntetés terhe mellett kerülendő az MSN és egyéb szleng, a magyar helyesírás mellőzése, beleértve a mondateleji nagybetűket is!
Ha 30V DC-t is tudnia kell, akkor a sec.-eket én min. 40V-ra készíttetném. Nagyon jó "labortáp" topicunk is van!
Jaja tudom, vagy is láttam, de a kezdő késések topikja ez és ez a trafós kérdés nagyon kezdő szint
![]() Igen a túltervezés mindig jó és igazad van, ha szükséges a 30v is akkor több szekunder kell. Köszi mindenkinek.. A hozzászólás módosítva: Nov 29, 2014
Ha már két kimenete lesz a tápegységnek, szánj rá még egy kis pénzt a második, vagy egy db. két szekunderes trafóra. Ez majd akkor fogja magát megháláni, ha valamilyen formában a két oldalt össze kell kötni. Ezt így sokkal egyszerűbb megoldani.
Húú ezt most nem egészen értem.
Egy trafó lesz aminek 2 szekundere, mind kettő egyforma feszültségű lesz. Ezt lehet majd közösíteni nem, bár nem mint ha szeretném.. A hozzászólás módosítva: Nov 29, 2014
Hello! Egy analóg elvi megoldás.
- Az IC1a egy jelfordító, ami 180fokkal fordítja a cos jelet. - A maradék három OPA komparátorként működik. - A lényeg, hogy a cos jelnek kétszer akkorának kell lenni, mint a sin jelnek és "be kell férnie" az OPA tápjába. (Nem írtad a feszültséget.) De ha két egyforma feszültségű jelről van szó, akkor a sin jel előállítható egy mezei 1:2 osztóval is. - Ha tényleg TTL jelet szeretnél, akkor az OPA kimeneteit formálni kell egy-egy jelformáló TTL áramkörrel. De vedd figyelembe, hogy az OPA-nak kettős tápfesz kell.
Próbáld ki. Ezt így nem tudjuk megmondani.
Hangerőszabályzó potméternek milyen kell legyen a típusa? Értem ez alatt hogy A vagy B, illetve Log vagy Lin?
A hangerőszabályzó logaritmikus legyen.
Ok. Csak nem akarom tönkretenni.
Köszönöm!
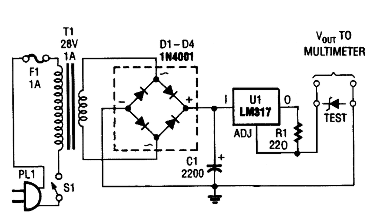
Meg is építettem a képen látható kapcsolást. Viszont nem sikerült a zénereket beazonosítani. A feszültséget a potival tudom állítani, az jó. Viszont hiába rakom rá a zénert nem történik semmi. Pedig ezek elméletben zénerek, vagy nem?! Áh teljesen belegabalyodtam.
Köszönöm! Az mindegy, hogy A vagy B típusú?
Pont ezt a kapcsolást választottad..
Nem feszültség stabilizátort kell az LM-ből készíteni, hanem áramgenerátort. Ha az 5mA-t ad és a tápfesz nagyobb a legnagyobb feszültségű zénerednél, (és az LM elbírja) akkor már sokat nem is tévedhetsz..
Látod.... a szerencsétlenségem határtalan! Volt még pár másik de ott trafót kelet volna tekerni (az 555 el lett volna) de feláll a szőr a hátamon még csak a trafó tekerés gondolatától is (kompakt fénycső :flame
. Mindjárt összedobom a csatolt képen szereplő kapcsolást.Köszönöm!
Hello.
Valaki leírná, hogy hogyan lehet egy kondenzátort feltőltődés után egyből kisütni, majd újra feltölteni autómatikusan.
Azt értem, de nem kapcsolgathatom állandóan.
Összeraktam gyorsan légszerelve. Kipróbáltam az összes kéznél levő zénert, de egyikre se változott a kijelzett 22,2V érték. Ha megfordítom a zénert akkor 0,5V-ot mutat a műszer. Így gondolom jól raktam össze a kapcsolást, csak a zénereim magasabb feszültséget korlátoznak.
Szerintem meg inkább sima diódák csak ezek.. A trafód, meg még 24V-os sincs..
A hozzászólás módosítva: Nov 30, 2014
Üdv!
Nem tud valaki Renault Sagem km óra, műszeregység csatlakozóhoz lábkiosztást? (2003-as Kangooról van szó, de sok más Renaultba is ez az óra van)
Ezt ajánlanám elég szájbarágós és nem ért az ilyen ismeret kezdésnek... Bővebben: Link
Igen valószínű, hogy sima diódák, de ezzel a kapcsolással legalább történt valami, ha fordítva kötöm be. Miért fontos a 24V-os táp? Sajnos számomra a 4148 és egy egyszerű zéner teljesen egyformának tűnik. Vagy csak nem vettem észre valami jelölést amivel megkülönböztetik őket egymástól. :S
Szerbusztok. Segitstek ha tudtok.Van egy egyenirányitó hidam és nem a találok a neten magyarázatott a jelölésüket hogyan kell értelmezni.
pl:B80C5000/3300 majorka
Szia! A B után lévő szám a max. megengedett feszültséget jelenti, esetünkben 80V. A C utáni szám a max. áramot, ami 5A, de üzemszerűen csak 3,3A.
A hozzászólás módosítva: Nov 30, 2014
Sziasztok!
Szükségem volna valami olyan ketyerére, ami riasztásra alkalmas hangot ad ki, de nem kell egy sziréna 120db-je, hanem csak annyi kell, hogy tudja az illető, hogy észrevették, ha megszólal. Kültéren akarom használni, és nem akarom a szomszédok idegeit sem borzolni. Buzzereket nézegetem, de nem tudok dönteni. A lentieket néztem, csak nem tudom, hogy ezek olyanok, amiknek csak 5-12V kell, és szólnak tőle, a signal kimenetre kell csak tenni a tápfeszt egy kapcsolóval, vagy oda egy szaggatott meghajtójelet igényel? Bővebben: Link Bővebben: Link Bővebben: Link Link javítva. Használd a link gombot! -moderátor- A hozzászólás módosítva: Nov 30, 2014
Az active (aktív) azt jelenti, hogy belső oszcillátort tartalmaz, a tápfeszültség ráadása után megszólal. A háromlábas kialakítás azért van ezeken a modulokon, hogy kis teljesítményt kelljen kapcsolni a vezérlőnek.
Akkor bármelyik aktív megoldás amik a linkeken vannak jó lesz a célra!?
Elvileg a tápfesz+ lábát rákötöm a signal-ra és szólni fog, ha megkapja a tápfeszültséget a mozgásérzékelőtől!? |
Bejelentkezés
Hirdetés |









Nem feszültség stabilizátort kell az LM-ből készíteni, hanem áramgenerátort. Ha az 5mA-t ad és a tápfesz nagyobb a legnagyobb feszültségű zénerednél, (és az LM elbírja) akkor már sokat nem is tévedhetsz.. 
. Mindjárt összedobom a csatolt képen szereplő kapcsolást.
Itt van egy makro fotó egy pár zenerről. 





