Fórum témák
» Több friss téma |
Fórum » Tápegység készítése
Arra gondoltam, hogy vagy az elektrolit kondik közül hozom le a PIC felé a GND-t vagy a 7805ös középső lábáról..
Szia! Csak egy gyors kérdés: 7805 helyett nem lenne jobb valami stepdown vagy egyéb DC-DC konverter? Nem foglal több helyet, viszont kevésbé melegszik - még magasabb terhelés mellett is...
Azért nem gondolkodtam más típuson mert csak egy kisebb áramkört kell ellátnia.
Nem mértem meg ugyan, de jó ha fel vesz cakk pakk az egész 300mA-ert. Mondjuk a LED-ek és kijelző miatt legyen 500mA, de akkor már szerintem sokat mondok.
Értem, de 12V-ból ha 5V-ot csinálsz 7805-el, akkor 7V-ot 500mA-rel kell eldisszipálni. Az 3,5W beépített fűtés. A fogyasztód pedig 5V/500mA-en 2,5W. Az nem túl jó hatásfok. Több energia megy el a fűtésre, mint tényleges munkavégzésre. Nem arról van szó, hogy ne bírná el a 7805, mert az a dolga. Csak plussz problémákat fog okozni. Például kondik kiszáradását stb. Persze, ha a tervezett elavulás jegyében készül az áramkör - akkor csak jártattam a számat.
Ennek a későbbiekben utána fogok járni..
Egyelőre kezdőként örülök, ha ezzel is tudok dolgozni ![]() Köszönöm a kifejtést, hosszútávra tervezek, de lassan
Mutatnál nekem erről egy kapcsolást?
Vagy tudnál készíteni egyet? 12v-ról 5v-ra szűréssel és DC_DC konvertert? Piszkálja a csőröm amit ebben írtál: Bővebben: Link
Sziasztok!
Van egy Rc távirányítóm ami 6 v elemmel működik. Szeretnék bele tenni 7.5v os akkumulátort, szükség van valamilyen feszültség szabályozó áramkör közbeiktatására ami 7,5v ot 6 v ra csökkenti? Köszönöm!
Szia ! Számtalan megoldás van. Akár a 78xx helyére beépíthető verzió is SMR88XX. De egyre népszerűbbek a készs DC-DC panelek: például... De sok rajzot találsz például LM 2596-al is, LM1117-el stb. Attól függ mennyi a bemenő feszültséged és mekkora a terhelhetőség. Ha az IC-k típusjelét beírod a képkeresőbe - sok megoldást találsz. Én inkább azért veszek kész modulokat, mert Kínából a kész panelt kevesebbért kapom meg, mint itthon csak az IC-t.
Üdv!
Közel 3 éve használom a tápegységemet aminek a rajzát ebben a témakörben a 13. oldalon lm723 és 2n3055 tranyókból van megépítve. Eddig tökéletesen működött ill. most is csakhogy eddig úgy használtam hogy a tápegységet elindítottam majd a rákapcsolt CB-t. Viszont egy pár napja bekapcsolva hagytam a CB-t és így indítottam a tápot ami nem indult csak a hiba jező piros led világított. Kipróbáltam különböző terhelésekkel de nem indul. Viszont terhelés nélkül bekapcsol és utánna akár 25-30A-ig is terhelhetem és működik. Ennek a megoldásában kérném a segítségeteket. Köszönettel: steve69 Idézet: „Eddig tökéletesen működött” Honnan tudod, ha nem így próbálkoztál eddig az indítással? A jelenség max-on álló áramkorlátnál is fennáll? Amúgy ez az "áramkorlát belépett (CC)" LED bekötés sohasem tetszett nekem, eddig két kapcsolásban láttam. Ha kiveszed a LED-et, szerintem hiba sem lesz.
Üdv!
Elnézést hogy eddig nem válaszoltam csak nem voltam net, közelben. Az "A"limit felhúzása nem segített de a led eltávolítása igen, most tényleg tökéletesen működik. Köszönöm a segítségedet!!! Steve69.
Hello! Ez azért van, mert ha a kimenti feszültség a referencia feszültség (mínusz a Led feszültsége) alá kerül, akkor a Led-en áram folyik, és kinyitja az áramkorlátozó tranyót. Az meg leszabályozza a tápot. Vagy is amíg a Led ki nem gyullad, addig az áramkorláttal beállított áramérték folyhat, az alatt pedig kisebb áram. Ezt visszahajló karakterisztikának hívják. Azért szokták alkalmazni, mert zárlat esetén csökkenti a végfok disszipációját.
A gond az, hogy bekapcsoláskor a CB pufferkondijai ki vannak sülve, így mintegy zárlatból indítják a tápot. Ha a terhelőáram ekkor kisebb, mint hogy a feszültség felemelkedhessen, akkor nem épül fel a tápfeszültség,ebben az állapotban marad.
Igen! Ez így teljes magyarázat. Az a két táp - amit én javítottam - teljesen meg volt bolondulva ettől a megoldástól, nem szereti ezt így a 723 (persze anyagtakarékos...) Ha már ott a relé, én ebben az esetben azt használnám - mivel úgysem labortáp. Kornyadó kimenőfesznél is kapcsoljon le.
Hello! Találtam otthon egy kis transzformátort. WEN 0003 van ráírva, de nem találok róla semmit. Ha valaki tud akkor legyen szives egy egyszerű kapcsolási rajzot szerválni mert szeretnék csinálni egy tápot belőle.
Előre is köszi
Hello, erős a gyanúm, hogy ez nem alkalmas tápegység készítésére. (Egy méretarány jó lenne mellé)
Ha jól tudom akkor ez egy elektromos borotvából lett kioperálva. (méreteit hogy gondolod?)
A hozzászólás módosítva: Dec 28, 2014
Ha eredetileg is trafó volt, akkor a TNY sorozatú IC-k valamelyikével el tudod indítani. A példakapcsolás ott van az IC adatlapján.
Na, időközben meg is találtam az egészet. Csak a kioperálva azt jelenti hogy kitörve
Ebből mit lehetne kihozni?
Üdv. Egy olyan kapcsolásra volna szükségem,amivel a 12v-ot 9V-ra csökkentem (tranzisztornak mondjuk egy 2N3055),viszont nem találtam itthon csak 7V5 zénert. Hogyan tudom megoldani hogy a kimenő feszültségem mégis 9V legyen? Ugyanezen megoldással szükségem volna még egy 12V-ból 2,4V -os adapter megoldára is.
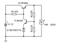
Hello! Pld. így. De mondjuk a terhelőáramot nem írtad. És a 2,4V már nem szerencsés analóg módon, mert fűteni fog mint a veszedelem, ha terhelőáram is lesz.
De egy LM317 talán sokkal egyszerűbb. De fűteni az is fog.
És ha azt a részt ahol a 2,4V-ot szeretném előállítani oda a tápfeszültség 5V lenne? A terhelés mindkét részen 2-2A
Akkor bizony darlingtonnná kell alakítani az 3055-öt egy tranyóval, mert kicsi lesz az áramerősítés. 5V táp mellett meg nem lehet a zéner 7,5V-os. Nem?
A hozzászólás módosítva: Feb 27, 2015
Hát ez igaz,viszont se kisebb,sem pedig nagyobb zénert nem találtam itthon,ezért is fordultam segítségért. Ahogy hogy darlingtont készítsek a 3055-ből elég valameik BCxxx -es tranzisztor nem?
BC-ből nagyobb áramú kell, mert 20-as bétánál, akár 100mA is lehet a bázisáram.
Kisebb tápnál, esetleg egy piros Led-et használhatsz zéner gyanánt.
Akkor akár egy egyszerű piros leddel is megoldhatom a dolgot?
Persze, csak nem lesz olyan stabil. De egyébként sem. De nem egyszerűbb egy LM317 vagy 338? De nem lamentálni kell, hanem kipróbálni.
Már csak holnap délután jutok pákához,majd akkor jelzem hogyan sikerült megoldanom. Köszönöm a segítséget.
Üdv!
Arra szeretnék választ kapni, hogy lehetséges egyetlen egy szekunder tekercses transzformátorra két csatornás sorosítható tápot építeni? Nem kellene áramkorlát, se nagy áramerősség, csak mondjuk +-20V 1A, főleg erősítős kapcsolások teszteléséhez
Lehetségesnek lehetséges, de bonyolult,-dc-dc konverter, ami galvanikusan elválasztott tipusú...
Szerezz még egy trafót, vagy tekerj rá még egy szekundert -ha rá fér. Sokkal olcsóbb lesz. A hozzászólás módosítva: Nov 6, 2015
|
Bejelentkezés
Hirdetés |
















