Fórum témák
» Több friss téma |
Fórum » Kapcsolási rajzot keresek
Témaindító: Kallai Csaba, idő: Márc 11, 2006
Témakörök:
Nem. Az a helyzet, hogy ez csak a dallamcsengő gombja,ami ki van vezetve 2 vezetékkel, amin, ha ki is megy a táp feszültsége, vagyis több, csak a mobiltöltő gondolom nagyobb terheléshez szokott, ezért 6V, de csak 20mA-t ad le, szóval párhuzamosan kötve a gombbal 1 LED világít, 2 LED is világít sorosan, meg párhuzamosan is, csak halványabban. Szóval itt nem számít a dallam hossza, pillanatra benyomom a gombot, és elindul a dallam. Addig ugye a gombbal párhuzamosan kötött LED elalszik. Vagyis a lényeg az, hogy azt kéne megoldani, hogy amikor nyitva van a gomb, akkor világítson a zöld, ami könnyű dolog, és ilyenkor feltöltődhessen egy kondenzátor, és amikor benyomom, akkor a kondenzátor a másik LED-en süljön ki. Valami logikai kapcsolás nincs erre? Csak ugye az is fontos, hogy a gomb működjön, mert ha úgy kapcsolja a LED-eket, hogy a csengő nem szólal meg az nem az igazi.
Ehhez az 1989-ben gyártott, TESLA CS20TS32 típusú "nosztalgia fatelefonhoz" keresek kapcsolási rajzot. Egy Rotatone (Pulse->Tone Dial) elektronika megrendeléséhez kellene, enélkül nincs értelme sajnos.
Előre is Köszönöm! Vales
Építhetsz egy ilyet pl.
A piros LED-et beállítod pl 5mA-re, a "vonalról" a diódával soros ellenállást úgy választod meg, hogy épp ne terhelje túl a vonalat, de azért a megkívánt időn belül feltöltse a kondit, amíről majd nyomáskor a zöld világít. Tranyó bármilyen PNP, bázisban 100k. A hozzászólás módosítva: Dec 4, 2014
Egy tárcsás hívóművel szerelt készülék olyan egyszerű, mint a faék, 100 éve szinte változatlan. Inkább a pulse-DTMF átalakító rajzából, bekötéséből kell kiindulni.
Igazából, valószínűleg, ha 30mA-t kapna se lenne elég világos, de mivel 20-tól többet nem tud kapni, nem célom korlátozni semennyire. Mivel általában több ideig lesz tétlenül, mint benyomva, remélem, hogy lesz ideje feltöltődni. De nem értem, hogy érted, hogy ne terhelje túl a rendszert. A gombon 6V 20mA van. Így csak bázis ellenállás kell, ha kell. Bár gondolom, hogy a dióda akadályozza meg, hogy a kondenzátor a bal oldali LED-en süljön ki, de mi gátolja a jobb oldali LED-et a világításban, mikor nincs benyomva?
Mivel 20mA áll rendelkezésre, ne rakj olyan LED-et, aminek még ez is kevés...
Mindenképp kell neki soros ellenállás, mert anélkül - mint egy zener - rögzítené 1,5V körül a vonali feszültséget. Az öld LED nyitófeszültsége felette van a pirosénak (kb2,2V), tehát nem lenne miből feltölteni a puffert. Még azzal is kell sorosan egy ellenállás, mert direktbe rákapcsolni egy nagy kapacitású feltöltött kondira a LED-et, az annak halálához vezet. Amúgy nem hinném, hogy mobil töltő csak 20mA-t tudna: 3...500 körüliek szoktak lenni. A csengő áramkörében kellene a gomb felhúzó ellenállását csökkenteni, hogy nagyobb áramot lehessen vételezni a vonalon.
Nem azt mondtam, hogy a táp ad le annyit, hanem, hogy a gomb érintkezőin ad le annyit a csengő. Szóval a feszültséget leadja, ami 4,75V lenne, ha mobilt töltene, de ez a csengő nem terheli meg, ezért 6V, de ettől még a gomb érintkezői csak 20mA-t adnak le, de ez nem azt jelenti, hogy a táp is annyit ad. Azt írtam, hogy azt akarom, hogy zölden világítson, és ha megnyomom, akkor legyen piros, ez gondolom jó lenne, ha a zöld nyitófeszültsége magasabb, bár a piros részéhez nagyobb fényerőt szoktak írni, ha fényesebb, akkor lehet, hogy a piros menne folyamatosan, mert a mögötte lévő szöveget szeretném, ha megvilágítaná. Szóval ilyen diffúz LED-eket nézek. A csengő nem módosítható, olyan, mint egy karóra, nincs rajta szinte semmi, csak egy leragasztott pötty. Természetesen próbálok olyat keresni, aminek 20mA kell, majd tervezek rendelni a hqelektronikától, de nem nagy a választék, meg még nem tudom, hogy 8 vagy 10mm-es megy be a lyukba, még meg kell néznem, hogy válogathassak.
Értem. A gomb bemenet valahol fel van húzva a tápfeszre és ez az ellenállás határozza meg a 20mA-t. Ez nem jeleti azt, hogy ne tehetnénk meg azt, hogy a bemenetet egy másik ellenállással felhúzzuk, ami akkora is lehet, hogy 100mA folyhasson a gomb felé - hiszen az úgyis kibírja. Így aztán megnő a választási lehetőség az alkatrészek szempontjából.
Viszont, nagyobb áram lehet, hogy kiéget valamit a ragacsban, és aztán nem kapcsol, és ha nem kapcsol, használhatatlan az egész. Vagy ez kizárt? Végülis nem akarom, hogy többet fogyasszon, mert eddig elemes volt, csak mindig berozsdált az érintkező, ezért tettem rá a tápot, de jó lenne, ha áramszünetkor is lehetne csengetni, így minél kevesebbet fogyaszt, annál tovább működhet akkuról.
A hozzászólás módosítva: Dec 4, 2014
De ha már itt tartunk. Rendeltem tavaly egy Samsung akkut, csak elnéztem, és nem fért bele a mobilomba. Igaz, nem tudom, hogy csatlakoztassak rá valamit, de tudnék, elég lenne csak párhuzamosan kötni a töltővel, hogy szünetmentes csengő legyen?
1./ Ha ennyire aggódsz a felhúzás miatt, akkor megoldható békésen két diódával is. (Megjegyzem: ha egy logikai bemenet fel van húzva egy ellenállással, az a fogyasztást nem befolyásolja, hiszen számottevő áram a bemenet felé nem folyik. Akkor van fogyasztás, amikor a nyomógombbal testre húzod a bemenetet - vele az ellenállást, amin az érékétől függő áram fog folyni.) Tehát a nyomógomb vonalra közösített katóddal menjen két dióda: egyik anódja a (z eredeti) nyomógomb bemenetre, másik anódja 100ohmmal a táp pozitívra.
2./ A LiIon akkut nem egészséges párhuzamos módban használni a töltővel - hacsak az nem direkt ilyen célra készült darab.
Ebből a táp pozitívon kívül nekem minden kínai. Mi a nyomógomb vonal? Mi az eredeti nyomógomb bemenet? Amúgy közben eszembe jutott, hogy addiktív színösszeadással a piros+zöld az sárga, vagyis növelhetném a fényerőt úgy is, hogy mindkettő világít, ha megnyomom, akkor meg csak az egyik. De ezt se tudom, hogy kéne. Meg akkor akár 1-2W-os LED-eket is nézhetek?
Így néz ki elméletileg. A táp pozitívról a diódára menő ellenállás addig csökkenthető, amíg a nyomógomb és a táp bírja: hiszen, mikor a gombot nyomod, ez az ellenállás a tápra kerül, terhelve azt.
A hozzászólás módosítva: Dec 5, 2014
A vonalon igen, ez a cél, hogy induljon a dallam. De ott a 100 ohm sorosan.
Szép estét. Adott volna egy Bluetooth modul,aminek keresném a kapcsolási rajzát amennyiben ez lehetséges. Erről a típusról lenne szó. szeretném máshova is bekötni de nem találok róla rajzot.
Remélem tudtok segíteni. A válaszokat előre is köszönöm.
Üdv mégegyszer.
Olyan kapcsolást keresek amivel 180-400V-ig futó váltakozó feszültséget 230 (+-5%) stabilitással meg tudok őrizni. Lényegében egy nagyobb feszültségű váltóáramú stabilizátor kockára lenne szükségem. Ha valakinek volna ötlete örömmel várom.
Köszönöm! Szóval a négyzet a csengő. A fordított megoldásra van ötleted? Hogy alapból mindkettő világít, de ha megnyomom, akkor csak az egyik?
Hello! Itt a stabilizátor kockád. De a 400V cseppet megalomániára utal. Mert ahol 230V van, nincs 400V.. Mert mint látható, a mellékelt készülék is 160V..290V-ig szabályoz. Amúgy meg nem írtad, hogy 2mW-ra, vagy 2MVA-ra van-e szükséged..
Körübelül 300-600mA -en volna szükségem az említett készülékre. De a feszültség lehet +-10% -is,annyi volna a lényeg hogy ne égjen ki a transzformátorra kötött készülék.
Itt találsz rajzot, hogyan valósítják meg. De szerintem célszerűb keresni egy eladót. Az oroszok valaha tömegszámra gyártották az ilyen dolgokat.
A hozzászólás módosítva: Dec 6, 2014
Lényegében a kapcsolási rajz egy motorkerékpáron stabilizálná ki valamennyire a váltakozó feszültséget. A motorkerékpár generátora rá van kötve a transzformátor primerére,szekunderén 1x110V- jön le. Viszont az a baj hogy alapjárat mellet már megvan a 200V,kisebb gázadársa 290V ,teljes gáz mellet 391V mérhető,terhelt szekunder oldalon. Erre kéne egy megoldást találnom hogy hogyan tudom 200-250V közt tartani durván a feszültséget.
Sziasztok,szeretnék készíteni egy jobb minőségü erősitőt.
Találtam 3 (egyforma) nyákot a zakotáim között,de sehol sem kapok hozza kapcsolási rajzot. A Google-be beirtam,hogy "MOT-AMP 1.1", de nem találtam semmit se. A diyaudio.ro weboldal már megvan szünve. Ha van valakinek ehhez a nyákhoz kapcsolási rajza,és megossza velem, akkor azt nagyon megköszönnem! Még fogok feltenni rola képeket! A "MOT-AMP 1.1" ,és a "diyaudio.ro"-n kivül semmilyen felirat nem találjató rajta. Hogyha valaki megosztaná velem a kapcsolási rajzot,akkor azt nagyon megköszönném!
Nem ez lesz az? Bővebben: Link
A hozzászólás módosítva: Dec 7, 2014
Itt is van egy mot(orola)-amp. Ja, de ez IC, úgyhogy nem az.
A hozzászólás módosítva: Dec 6, 2014
Lehet,hogy az a rajz.
Olyan rajz van-e hozza,amelyik az alkatrészek száma is fel van tüntetve?
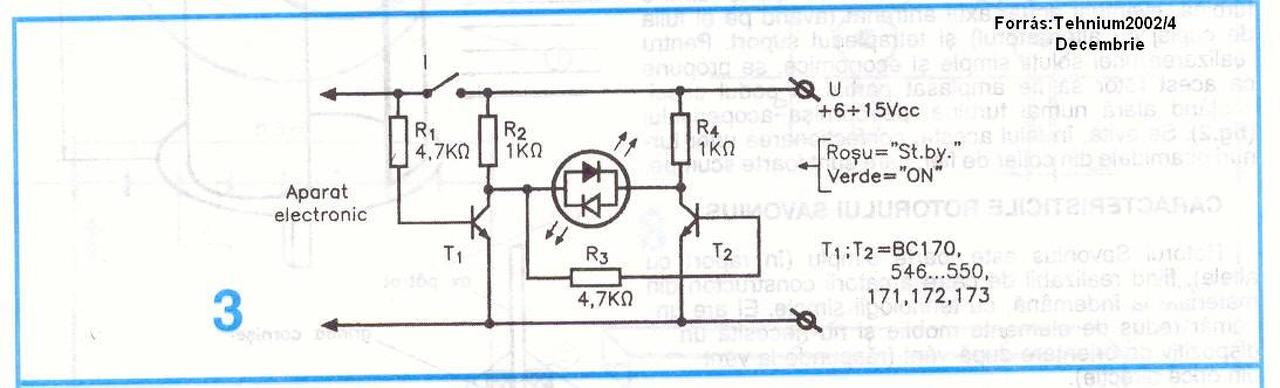
Szia! Van erre egy nagyszerű kapcsolásom, egy "antiparalel" ledet igényel. A román szöveggel nem kell foglalkozni, a kapcsolás egyértelmű. Végül is egy invertert valósít meg..
Sziasztok!Azt szeretném kérdezni,hogy nincs-e valakinek kapcsolási rajza:EINHELL BT-IW 160 tipusú inverteres hegesztőhöz.Előre is köszönöm.
Sziasztok!
Az Aldi által forgalmazott XS CPL-2054-1 tipusú digitális akkutöltő kapcsolási rajzát keresem. Ha valaki tud..segítsen!
Hello! Nekem is van majdnem ugyan ilyen ( ugyan nem az Aldiból, hamen a Lidlből). Én is keresem a kapcsirajzát.
Az enyémnek a neve: Ultimate speed, tipusa: ULGD 3.8 A1. A "user manual" szerint teljesen megegyeznek. Ha valaki tud..segítsen! |
Bejelentkezés
Hirdetés |







Remélem tudtok segíteni. A válaszokat előre is köszönöm. 







