Fórum témák
» Több friss téma |
Egy videóbol szedtem ki annyit tudok rolla hogy 30v 40v és 60v jön ki belöle szerintem egy 3A-val.
milyen vastag a keresztmetszete pl a 30-asnak? képet ha tudsz dobj fel..
Egybe van az egész
az egyik oldalán van kettő vezeték oda megy a 230 a másikon meg van 7A felső kettő a 30v a másik kettő 40 a és a hatvan a 7. nem tudom mi csak, de azzal amugy se lesz jó! 3A-t nem hiszem hogy tud!mellesleg a tekercsből ki kell hogy jöjjön kábel és én annak a keresztmetszettét kérdem! lsd: Idézet: „másikon meg van 7, A felső kettő a 30v” üdv
megnézém azt a 2 mm-t..
az én erősítőm trafójában kb 1.5mm átmérőjű, peddig az 280VA-s, meg bazi nagy és bazi nehéz ~ 5 kilógramm.. képet!?
Nem hinném, hogy egy videó trafója többet bírna 30Wattnál.
És Szabi a rézvezeték vastagságát kérdezi nem pedig a szigetelt vezetékét.... Ott van a HQvideóban újjonan trafó Pl 200Wattos 2*24 voltos. aszem az talán jó...
igen az meg a másik! én amit kiszedtem videóból az: 2*2V, 2*10V és 1*40V ami max 200-300mA -t bírhat! na mind 1, Burkus jobban tudja a témát mint én :no:
Bocsi most nézem csak az 2mm amivel a panelra van forrasztva ott van mögötte egy sokkal véknyabb rézdrót azt ne tudom lemérni de 1mm vagy véknyabb
Most néztem meg ami a panelon van diódahíd az is csak 500mA-t bír :eek2:
A trafóval nem lesz baj majd ha működik az erősítő vszek egy 30v-st.
Ma meg akartam venni a hangváltót de 2500Ft és ebböl kettő kéne ezért nem vettem meg hátha van jobb megoldás. Szerintetek ezt hogy lehetne megoldani én erre gondoltam de szerintem ez nem bír el 40w-t. Szerintetek ezt hogy lehetne ocsóbban megoldani ?
annyi pénzért vesszel tekercset és kondit! szerintem... nézzbe hangváltós topikba.. ott a kereső..
1 link: http://www.hobbielektronika.hu/gyujtemeny/index.php?dir=!kapcsolaso...valtok]gyűjtemény - hangváltók az oldrádión is van könyv erről: hangdobozépítés.djvu üdv
Szerintem ez jócsak nem akaroktekercset venni van ithon rézhuzalom meg egy csomó kondim csak azt nem tudom hány mF-os kondi és milyen vastag csévetestre hány menet huzal ?
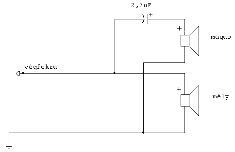
Na kérem, most többen megköveznek, de a legegyszerűbb megoldás "hangváltóra" a csatolmányban...
A kondi 1µF-tól 4,7µF-ig mehet...
Ez nem lessz jó :
Idézet: „-A hangváltót is jól nézd meg, hogy milyen frekvenciánál vág és, hogy hány Ohm-os. Ez fontos. Ja és NEM kondenzátorral csináljuk meg a hangváltót mert az s@jt!!!”
Igen csak azt elfelejtetted, hogy hangváltót a hangszórókhoz (és a dobozhoz) építünk, nem pedig fordítva... Tehát akármilyen hangváltó nem jó bármilyen hangszórókhoz...
helló!
hangfalat építenék de nemtom hány literbe kell beépíteni a 25cm-es, 100W-os mélynyomómat segítenétek
Tudod a tipusát?!
, akkor keressed meg a T/S paraméterét.googlival szerezed be a winisd-t, tedd fel, beírod a T/S adatokat és szépen kiszámolja neked. üdv
hol van az a t\s paraméter? mit tartalmaz?
Sziasztok van két db 4ohm 20 centis orion mélyközép hangszóróm és belőle szeretnék csinálni két hangfalat van egy 8ohm 70-80 w-s erősítőm.
Tudnátok ebben segíteni csak 8 ohm-es dóm sugárzót találok 4 ohm-st nem.
Ez például 4ohm Bővebben: Link
Sziasztok!
Van 2 db tda1514 es erősítőm, a képen látható a kapcsolása. Az a kérdés hogy ha a pc-ről az egyik mély jeleket kap akkor arra lehet kötni mélynyomót?
Sziasztok!
Végre lett időm egy kicsit belenézni a PC-s hangfalamba. Igazatok volt a kondival kapcsolatosan. Valószínű az okozza a búgást. Sőt, ha jobban megnézem a képeket, szerintem nem is egy ment tőnkre benne mert valamiféle sárgás folyadék folyt ki a többi alkatrészre és a NYÁK-ra is. Lehet ez a kondi(k)ból jött ki? Ilyent már láttam, amikor egy régi videomagnót szedtem szét. Amúgy köszönöm a segítő válaszokat mert most végre ez lesz az első készülék, amit nem csak szétszedek és kiforrasztok, hanem meg is próbálom javítani. Pótalkatrészeim vannak hozzá minden esetre.
Ha nem a kondi a rossz akkor a TDA 28..,nekem ugyan ezt csinálta egy régi noname pc-s hangszóróm és már a legnagyobb kondenzátort tettem rá és még az sem szűrte ki a búgást.A kis végfokot kicserélve megszűnt rögtön a hiba,szerintem neked is az lesz a baja.
|
Bejelentkezés
Hirdetés |




az egyik oldalán van kettő vezeték oda megy a 230 a másikon meg van 7
csak, de azzal amugy se lesz jó! 3A-t nem hiszem hogy tud!
és ebböl kettő kéne ezért nem vettem meg hátha van jobb megoldás. Szerintetek ezt hogy lehetne megoldani én




