Fórum témák
» Több friss téma |
Fórum » Propeller Clock
Akár hogy nézem az adatlapot nekem ugy tünik, hogy jól helyeztem el.
Csatolok egy képet, a bal oldali ábra adatlap szerint van a jobb oldali annak a tükörképe, tehát az megy a nyák alá ha a nyákon keresztül nézem.
2. képen az IC lába felfelé van és erre jönne rá a nyáklap. Így a furat szerelt alkatrészek felül a vezetősávok alul lennének.
Én jónak látom így a lábak elhelyezését a kapcsoláson.
Ha a kék vezeték rétegre kapcslódnak a kivezetései, akkor az SMD tok is a nyák alkatrész oldalára került. Az 1. lába arra van, amerre az U9 -é. Jelölve és a funkcióját tekintve a tok tükrözve van. Photoview.
A nyák: Piros réteg: Alkatrész oldali elemek körvonala, Kék réteg: Alkatrész oldali huzalozás, Hordozó Zöld réteg: Forrasztási oldali huzalozás, Sárga réteg: Forrasztási oldali elemek körvonala.
Igen így ha a színeket nézed igy igen, de azért kékkel jelöltem, hogy látszódjon, hol nyúltam bele. Ergo a kék vezeték=zöld és a zöld oldalra kerül!
A hozzászólás módosítva: Dec 9, 2014
Így az IC SMD pad -jai még nem kerülnek rá a forrasztási rétegre....
1. Válaszd ki az SMD tokot, jobb gomb menün Change board side, 2. Valaszd ki az U7 feliratot, jobb gomb menün Change board side, jobb gomb menün Mirror horizontal. A végén nézd meg Photoview menüponttal mindkét réteget. A hozzászólás módosítva: Dec 9, 2014
Köszönöm!
Akkor így már jónak kell legyen a lábak számozása, és az oldal is megfelelő.
Szia!
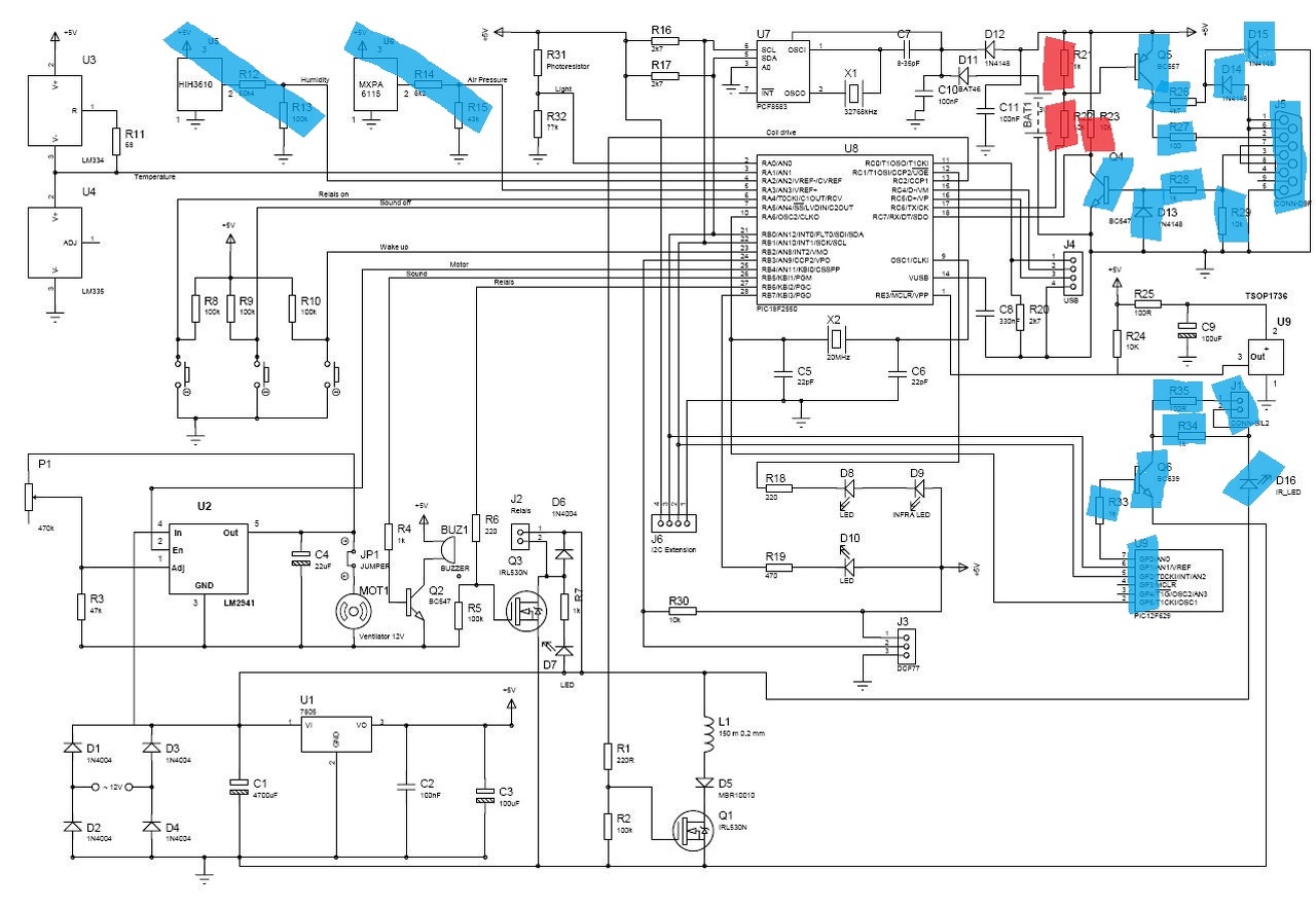
Lenne egy olyan kérdésem, hogy a képen kékkel jelölt alkatrészeket nem ültettem be a soros port elhagyása miatt. De a pirossal jelöltek a kontroller 17 és 18. lábán (R21, R22, R23) ezek is feleslegesek? Tehát lógjon a levegőbe ez a két láb vagy valahova kötnöm kell?
Az R23 kell, ez biztosítja a passzív szintet a soros vevő bemenetén. A rajzról hiányzik a J4 1. lába és az R29 közös pontja és a PIC11 lába közül egy 100k ellenállás.
Can i change message propeller clack because when i change word propeller clock its give an error in eprom
It is ease to change the message:
PIC with 128 bytes of EEProm: One message up to 111 characters (starting at 0x00). The last character of message has to be 0x00. PIC with 256 bytes of EEProm: One message up to 111 characters (starting at 0x00), and otherone up to 127 charactes (starting at 0x80). The last character of messages has to be 0x00. To change the font os characters is a bit more difficult. If You get an error message after editing the messaga(s), the length of message(s) does not met the limits. A hozzászólás módosítva: Dec 11, 2014
what is the purpose of irl 530
On the base it drives the rotation transformer with PWM signal to supply power to rotor.
Please use Goooogle to search for an english site about POV (the propeller clock). Like this ...
please tell me how to manage vibration
Szia!
Idézet: „Az R23 kell, ez biztosítja a passzív szintet a soros vevő bemenetén” Jó ezt beültettem. Idézet: „A rajzról hiányzik a J4 1. lába és az R29 közös pontja és a PIC11 lába közül egy 100k ellenállás.” Igen erre Kkobra figyelmeztetett, ezt alapból ráraktam a nyáktervre SMD formában. Most összeraktam az R31 (phororesistor), R32 párost. Rákapcsoltam a számítógép 5V (4,98) kimenetére. a mért feszültség az ellenállás és a fényérzékelő közös pontján 10K ellenállás értéknél: sötétben- 4,96 lámpa fénynél- 2V Ez az érték megfelel igy vagy változtassak az ellenálláson (ha igen milyen irányba próbálkozzak)? A hozzászólás módosítva: Dec 12, 2014
Jó lesz. Napfénynél kisebb feszültség értékek is lesznek majd.
Szia!
Összeraktam, úgy néz ki működik minden... (a légmagos tekercset még nem teszteltem...) videó fejből akarnám elkészíteni. A kapcsolat a gép és a bázis között működik, a relét tudom ki és be kapcsolni. Az órát is betudom állitani. D10 villog ha nincs beállítva az idő. Az órát nem felejti el, ha áramtalanítva van 10 perc után sem. Viszont a relé behúzását jelző led (D7), nem akar világítani (helyesen van bekötve). A 2 lábán 1V mérhető. A relé 2 csatlakozóján 15,7V van. Az R7 (1k) ezt ha csökkentem akkor kevesebb feszültség esik rajta és marad a lednek? Én 3mm-es ledeket használtam. A csatolt tartalmat használom, de hol találok ehhez valami infót a távirányító parancsokkal kapcsolatban? Biztos van de 3 órája keresem és még semmi :S
Köszönöm!
Már csak meg kell tanulni használni a program ezen részét. A R7 500ohm ra való csökkentése szerinted megoldhassa a problémát?
Működnie kell, ott valami elkötés van. D6 nincs fordítva keültetve? D6 katódja megy a tápra?
RC5.h: Nem kell érteni... A sorok egyszerű definíciók, értékadások. Pl.: az óra címe 0x1B = 27 (RC5ADDRESS). Idézet: „Működnie kell, ott valami elkötés van. D6 nincs fordítva beültetve? D6 katódja megy a tápra?” Nincs fordítva kötve, mert világit, csak nem mindég éri el a feszültség azt a szintet ami kell a lednek. Nem fix érték mérhető a leden, hanem mászkál kicsit hol 0,9 (ekkor a led nem világit) hol felmegy 1,3 ig kb... ilyenkor felvillan. Hol fogja magát és villog (ilyenkor hozzá se érek).
Kicseréltem a ledet egy 5mm-es zöld színűre, ezzel tökéletesen működik, 3,07V mérhető a leden és nem mászkál sehova.
Ezután nekem úgy tűnik, hogy vagy megváltoztatom az ellenállás értékét, vagy keresek másik 3mm-es ledet, mert az előzővel nem akar működni.
please tell me can i move 12 v fan clock wise
please give me hex file with this message (INDUS UNIVERSITY OF HIGHER EDUCATION B-TECH PASS ELECTRONIC BTPEN 12-C / 13-C 6TH SEMESTER FINAL YEAR PROJECT )
Idézet: „INDUS UNIVERSITY OF HIGHER EDUCATION B-TECH PASS ELECTRONIC BTPEN 12-C / 13-C 6TH SEMESTER FINAL YEAR PROJECT” If it is true, You should to know how to change the message.... Solution 1: Load the hex into a programmer, locate the message in EEProm data windows, simple overwrite the with ASCII codes of characters You would like to see. After the last character put a 0x00 as a terminator. Solution 2: Load the source to a project to MpLab 8.x. Locate the DT line with origonal message. Delete all lines bit keep the org directives. Create a new line with DT directive and type the massege between quotation marks. Add a DT 0x00 line as a terminator. Compile it in absolute and release mode.
I CHANGE AND COMPILE BUT WHEN I ON PROPELLER ITS JUST SHOW TIME AND HANG
Próbálgattam a távirányítok jelét (egyelőre csak nézegetni) még sok minden nem világos hogy is fogom beálitani, hogy a távirányító parancsaira működjön a bázis, de van egy problémám.
Van egy Tv távirányítom, ennek a jelét veszi a bázis, ki is írja a táblázatban az értéket, de egy idő után hiába nyomom nem akarja kiírni. Áramtalanítom, újraindítom a programot, de egyszerűen semmit nem ír ki. Hogy tudnám multiméterrel ellenőrizni, hogy mi a gond? A TSOP lábán 4,72V van ilyenkor.
On the main page of MpLab 8.x select the Ralease mode as You can see on attached image.
ps: Changing the message requires to change only the content of data EEProm. A hozzászólás módosítva: Dec 14, 2014
I KNOW THAT BUT PROBLEM NOT SOLVED
Please do not shout! The uppercase writing - that means.
|
Bejelentkezés
Hirdetés |











