Fórum témák
» Több friss téma |
Építettem egy megfejelt tranyós tápot a 317-el, de az a gond hogy lábpedálról szerettem volna szabályozni, csakhogy a pedálban mint utólag kiderült egy 20klog 90°-os poti van. 5k 240°-os meg nem jó helyette.
Van valakinek ötlete, hogy honnan lehet szerezni 5klin potit aminek 90°-os az elmozdulási pályája? Vagy valami áramköri megoldás is jó lenne a 20K-s meglévővel.
Tegyél bele egy normál 270 fokos 20 kohmot, az ha csak 90 fokot fordul kb 6 kohm lesz.
Gondoltam rá, csak olyan nincs itthon jelenleg.
És 10 kohmos sincs? Meg lehet próbálni kicsit állítgatni a másik ellenállás értékét (120-240 ohm), hátha sikerül használható kombinációt kihozni.
Most próbáltam, azzal 3,7k ad.
Majd holnap próbálkozok, mert mennem kell melózni. Köszi!
Az lehet akár jó is, én tettem már 3k3-at bele 5k helyett!
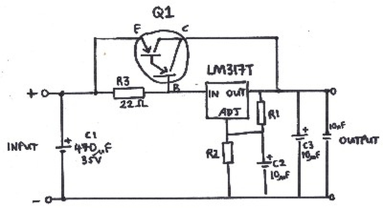
Üdv. Olyan kapcsolást keresek LM317MT ic-hez amivel tudok feszültséget szabályozni (1,2V-37V üresjáraton). Ez az alapkapcsolás és ehhez szeretnék egy olyan kiegészítést hogy mondjuk egy 2N3055-ösön kersztül ugyanezt a feszültséget (vagy másik tranzisztoron mert a 3055-ös csak 30V-ig jó.). Olyan kérdésem volna hogy ez így mennyiben oldható meg? Vagy még esetleg akad itthon BD250. A válaszokta előre is köszönöm.
0.1ohm az hogy kivitelezhető? Az R1 ellenállás és R2 potméter úgy van ahogy gyárilag ajánlotta. Így akkor az áram a BD-n keresztül fog folyni és nem a 317T-n?
Veszel egy ekkora ellenállást vagy összerakod több ellenállás párhuzamos kötésével. Mekkora áramra van szükséged?
Nagyon maximum annyira amennyit a trafóm kibír (3A).
Ebben az esetben egyszerűbb, ha veszel egy LM350-es típust, mert ez éppen 3A-es és nem kell hozzá semmilyen kiegészítő.
Ebből a típusból (317) van itthon több is ezért szeretném ezt használni. Jelenleg egyszerűbb a BD250-et hozzáilleszteni a kész panelemhez,mint még alkatrészt vásárolni hozzá.
Sziasztok,
A mellékelt kapcsolást szeretném megépíteni. Annyi lenne a különbség, hogy a 2N2905 helyett 2907 van itthon (pontosabban SMD: MMBT2907A) valamint a TIP 73 helyett BD649-et építenék be; abból van egy marékkal. Kérdésem az, hogy működni fog-e egyéb módosítás nélkül, vagy 22ohm - 5k - 500ohm értékeken kellene valamit változtatnom? Köszönöm a segítséget.
Szia!
A BD649 nem lesz jó, mert az Darlington kivitelű típus.
A képen látható kapcsolás üzemel otthon, darlingtonnal, de nincs több BDT64-em. BD649 viszont van néhány darab.
Átfogalmazva a kérésem: ezek az alapanyagok vannak, ha NPN darlingtonnal nem helyettesíthető közvetlenül az előbbi kapcsolásban található TIP73, akkor hogyan módosítsam a kapcsolást, hogy a meglévő alkatrészekből üzemképes legyen. Az is válasz, természetesen, hogy sehogy...
Hello! Ebbe a kapcsolásba PNP tranyó kell. Tulajdonképpen az előző kapcsolásban is, csak a 2N2905 és a TIP 73 egy komplementer darlingtont alkot, ami végső soron egy PNP tranyót alkot.
De az előző kapcsolásodba jó lesz a BD649. Mert István elfelejtette, hogy az LM317 ki és bemenete között mindenképpen szükséges kb. 2V (Drop Out)feszültség. Abba pedig a darlington 1,2V nyitófeszültsége "belefér". Azt viszont tudnod kell, hogy a kimenti feszültség, minimum 3V-al alatta kell hogy maradjon a bemenetinek. (És nem csak a feszültség átlagértékének, amit műszerrel mérsz, hanem a brummfeszültség "aljának" is. Ha ez nincs meg, akkor a táp szűretlensége megjelenik a kimenti feszültségben is.)
Üdv, mindenkinek.
Nekem egy olyan kérdésem lenne hogy ezt a kapcsolást Bővebben: Link hogyan lehetne megépiteni ugy hogy kb 4A tudjak vele szabályozni. Hogy hogyan, és hová és milyen tranzisztort kel beszerelnem hogy tudja a 4A, mert igy most csak 1,2-25V és 0-1A ig lehet szabályozni. Mert a trafóm 24V 4A és ahhoz szeretném megépiteni. A segitséget előre is köszönöm. A hozzászólás módosítva: Dec 14, 2014
Szevasz!
Nem árt (itt ici)picit visszaolvasni, témába vágók a hozzászólások. Még lapozni sem kell, 3-al (meg 5-el) előbb ott a válasz. Üdv: StMiklos A hozzászólás módosítva: Dec 14, 2014
Sziasztok.
Egy tápot építek LM317 IC-vel. A transzformátorom 21V-os (AC). Ez egyenirányítás és pufferelés után kb. 30V DC feszültség. Nekem ebből 26V DC feszültséget kell előállítanom. 20-40mA terhelhetőségig. Kérdés, hogy bírja-e az LM317 a bemenetén a 30V-ot? Adatlapokat nézve szerintem bírja, de azért megkérdezem a tapasztaltabb kollégákat. A választ előre is köszönöm. A hozzászólás módosítva: Dec 31, 2014
Ez a sor "Input-OutputVoltageDifferential+40V,−0.3V" nem azt jelenti, hoyg ennyi lehet a kulonbseg a be es kimenet kozott? Tehat en azt mondanam, hogy igen. Hisz 30-26=4
Bírja, párhuzamban nekem akkut tölt kettő, 24V váltóról.
Köszönöm. Akkor jól gondoltam.
A hozzászólás módosítva: Dec 31, 2014
Hello! Arra figyelj oda, hogy a feszültség különbség 4V. Ebből a 317 számára 2..3V szükséges, így 1V marad. A hálózati feszültség is változhat és a brummfeszültség alsó pontja sem "lóghat lejjebb" az 1V-nál..
Sziasztok!
Lm317 adatlapról építettem meg egy kapcsolást ventilátor működtetéséhez (12vdc 2,16W ). Védődiódának 1n4004es diódát használtam a beállító ( R2) ellenállás 2kohm, a végleges bemeneti feszültség 35 V lenne, de tesztelés során már 26Vnál el kezd csökkeni a kimeneti feszültség drasztikusan. Ennek mi lehet az oka?
Például a meleg. A másfél ampert csak ideális esetben tudja, a valóságban már néhány Wattnál jelentősen hűteni kell.
Van rajta hűtő borda és ha 24Vtól kezdem növelni akkor is 26.2 Vnál elkezd csökkenni ahogy növelem a bementi feszt úgy csökkeni szinte exponenciálisa na kimeneti fesz.
Langyos volt.
Köszöntem a segítséget qvasz2, egy IC csere megoldotta a dolgot. |
Bejelentkezés
Hirdetés |










