Fórum témák
» Több friss téma |
Fórum » Sztereó DAC
Témaindító: meszattila, idő: Ápr 10, 2007
Témakörök:
Itt van egy komplett nyákterv, mindent tartalmaz, csak táp trafóját kell bekötni..
A hozzászólás módosítva: Dec 13, 2014
Szuper köszi.Pont én is ezt akartam csinálni ez a kapcsolás annak a cseh gyereknek a mintájára van.
A hozzászólás módosítva: Dec 13, 2014
Köszi a választ , bár a legnagyobb gondom még mindig az hogy nem tudom megváltoztatni a kimeneteti feszültséget.
Ezt a függvényt használtam adatok küldésére. Szóval kiküldök 16 órajelet, és vele együtt 16 adatbitet. MSB-t küldöm először. Ha pedig a 16 bitet elküldtem akkor az LE(Latech enable) lábra adok egy impulzust amivel beírom az adatokat. Lehet hogy kifelejtettem valamit??? Ránéztem oszcilloszkóppal is a lábakra, miden úgy van ahogy kell lennie. A hozzászólás módosítva: Dec 13, 2014
Mérj a TDA1541 kimenetein 47-100 ohm lezárás mellett. Néhány mV hasznos jel mérhető, 1KHz-et tartalmazó mérőlemezről.
Igen, most olvastam valahol hogy áramgenerátoros kimenete van és ellenállást kell kötni a kimenet és a GND közé, majd az ellenálláson lehet mérni a feszültséget. Én eddig úgy mértem, hogy a kimenetek szabadon lógtak.
Ellenállás helyett inkább egy IV konverter kellene, pl. egy visszacsatolt műveleti erősítő. Ellenállás becsaphat.
Ezen felül nem tudom honnan szerezted a TDA1541-et, de tudnod illik, hogy sajnos ebből a chipből nagyon sok a hamisítvány. A hozzászólás módosítva: Dec 13, 2014
Szia, igen és az enyémen nincs rajta a philips logó. Egyébként egy CD lejátszóból bányásztam ki még régebben.
Üdv.Itt,hogyan lehetne az mcp130t-t kiváltani valami más módon?
A hozzászólás módosítva: Dec 14, 2014
Ez egy RESET megoldás, lehet egyszerűsíteni itt is, próbáld ki az R/C tagot.
Áramgenerátoros, kell az ellenállás vagy más U/I konverter.
Ellenállás próbára nagyon megfelelő, kisebb érték , kisebb torzítás, sajnos kevesebb kivehető jelszint. Az ellenállás értékének növelésével tesztelhető a TDA minősége is..
Szia!
Így van ez egy Reset megoldás, még figyelmedbe ajánlanám a DIR9001 Evaluation Board-ját, ezen is van egy jó és egyszerű reset megoldás. A DIR9001-nek is szüksége van Resetre, de a Texasnak is van egy Reset áramköre. A hozzászólás módosítva: Dec 14, 2014
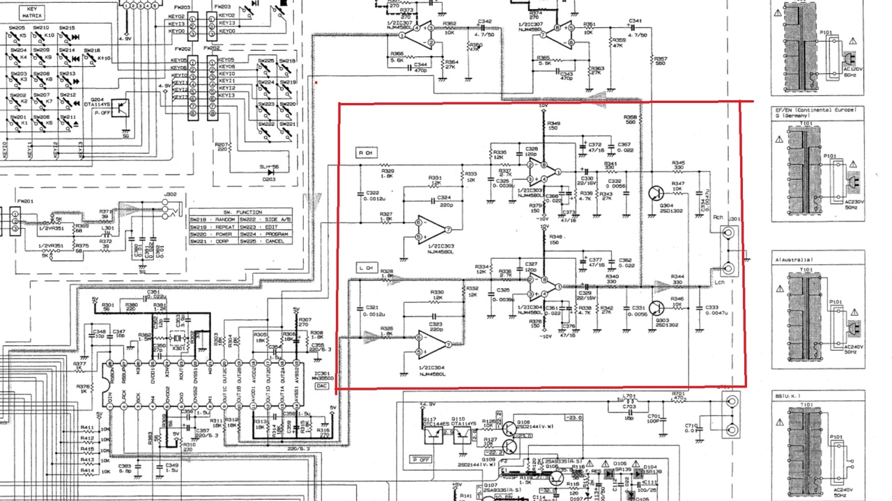
Üdv szeretnék feltenni egy kérdést még a DAC -al kapcsolatban. Szerintetek ez az OPA Stage jó lenne a PCM1796- hoz? Pirossal bekereteztem.
Szia,igen láttam én is ezeket.Csak ezeket nehezen beszerezhető cuccal lehet megoldani vagy el kell használni egy egész IC-t...azért egy R/C taggal némiképpen egyszerűbbnek gondolom a megoldást.Jelenleg nem professzionális kivitelezésről van szó,csak tesztelésről,habár törekszem... .Hangzásbeli problémát nem tudom..,de működésbeli problémát mostani rendszeremen nem okoz ez a reset kivitelezés.
Jövő héten kipróbálom a texas által ajánlott kivitelezést és még gb17 által régebben linkelt Mark Levinson buffert is,kiváncsiságból.Mondjuk elég brutális árai vannak a komponenseinek...
Szerintem hangzásbeli problémát egyik reset megoldás sem okoz, mert nincs köze hozzá. Ha jól emlékszem, akkor a bekapcsolás után egy kis idővel kell nyomni az IC-nek egy resetet, hogy fel tudjon állni. Egyébként ha megnézed az evaluation boardot, akkor azt az IC-t nem csak a resetre használják fel, hanem az SPDIF jel fogadásában és illesztésében/formálásában is szerepet játszik. Valószínű egyébként hogy a sima RC tag is jó lesz, csak be kell lőni az IC-nek megfelelően az időállandóját.
Sikerült megfejtenem a multkori magas torzítások okát, amit az optikai kábelnek tulajdonítottam. Eszembe jutott most, hogy a multkor az SMD fóliakondik helyett kerámiákat tettem be, mert kettőt elolvasztottam amikor OPA-t cseréltem, de nem mindet cseréréltem ki, csak a jelölteket.... Most raktam a helyükre megint fóliakondikat, az eredmény magáért beszél.
A hozzászólás módosítva: Dec 15, 2014
Üdv.Ezt a buffer fokozatot dobtam össze.Még mindig az a bajom vele,mint eredetileg,habár a hangminősége elképesztő.Jobb,mint a gyári Wolfson DAC-om.Szóval brutális kimenő jelerőssége van.EMU 0404 van a gépemben ahhoz hasonlítottam.Nem tudom feltekerni a hangerőt csak max 1/3,1/4 részig mert szétvezérli az erősítőt.Kipróbáltam 6 erősítőn mindegyiknél ez a helyzet.
Arra gondoltam,talán rosszul tekertem az spdif trafót,1:1-es áttétel az jó?
Az SPDIF trafó nem befolyásolja a hangerőt, a digitális jelnél ez nem így mukodik. Annak egyszerűen magas a kimeneti szintje. Nem értem miért nem építitek a gyári ajánlott kapcsolást....
Igen, az adatlapban van két ajánlott buffer kapcsolás is különböző fc-re. Nekem az volna a kérdésem, hogy véleményed szerint milyen OPA-kat rakjak bele (gyári ajánlott kapcsolás 3 műveleti erősítővel), mert az NE5534-et egy kicsit nevetségesnek érzem. A másik kérdésem, hogy a kimeneti buffer áramkörbe ahol cserélted a kondikat, oda fóliakondit érdemes tenni? Az összes kondi lehet ott fólia? Gondolom a táp hidegítéshez jó a kerámia.
Azonkívül a DIR-t és a PCM1794A-t milyen beállításban érdemes használni?
Az OPA-k típusa is ízlés függő, az én fülem/gyomrom nem veszi be a fetes hangot, ezért használok OPA1602-őt, vagy 1612-őt, vagy 11-et. A 11-ek szimplák ugye, de, azt szőrszálhasogatásnak érzem, dual tokban legalább egyformán melegednek, mert fűtenek rendesen hűtőbordát is raktam rájuk. A táp hidegítéshez jó a kerámia, viszont a szűrőáramkörökbe csak fóliát szabad tenni, mint látod. A DIR-t és a PCM-et 24bit I2S formátumban érdemes használni, PCM-el eléggé jitteres.
Amúgy épp most kezdem tervezni a 1794 nyákját DIR9001-el. Ja és a gyári kapcsolások lényege a kimeneti jelszint, viszont a 2V-os megoldás is eléggé torzít, azt sem javaslom megépíteni, korábban raktam is fel ereményeket ezekről, érdemes visszlapozgatni kicsit. A hozzászólás módosítva: Dec 16, 2014
Én is közben megnéztem, hogy mik vannak a Texasnál, és az OPA 1602/1604-et néztem ki én is. A 1604-ben 4db műveleti erősítő van, azzal egy 3 erősítős kimeneti buffer is építhető. Aha, értem, akkor a szűrőáramkörbe fóliakondi lesz. Kimérted/válogattad őket kapacitásra, vagy ez annyira nem kardinális? Értem, tehát I2S formátum a nyerő, ilyenek mint túlmintavételezés, szűrőkarakterisztika (sharp/slow) mintavételi freki? Milyen beállítást javasolsz? A kimenetre akkor milyen buffer áramkört tudnál javasolni, ha a gyári javaslatok nem jók?
Akkor most a 2V-os gyári ajánlás sem jó?Akkor szerinted mit kéne oda rakni?
A gyáriból csak a 2V-os nem jó a 4.5V-os jó, a kondikat nem válogattam, panasonic fóliakondikat használtam, amik elég drágák voltak, mivel SMD az egész és annyit vettem amennyi kell, ezért nem tudtam cserélni, amikor elolvasztottam kettőt. A túlmintázást 64-en hagytam, mivel 44-től 96KHz-ig bármi előfordul nálam, azzal nem is kísérleteztem megmondom őszintén. A szűrőkarakterisztika mindenképpen "sharp" módban a jobb, slow-ban AC97 kodek lesz belőle.
a mintavételezési freki pedig a forrásból jön, én PC-ről használom ASIO-n keresztül, így mindíg arra vált amilyen a hanganyag. Ja és a DIR-en érdemes a legalacsonyabb rendszer órajelet beállítani, mert magasabb órajellel a zaj is nő. A hozzászólás módosítva: Dec 16, 2014
Értem akkor a 4,5V-ost fogom kipróbálni. Az volna a kérdésem hogy ezekhez a szűrőkhöz ha jól emlékszem az adatlapra akkor ahhoz tartozik egy mintavételi freki. Nem azért volt nagyobb a torzításod mert azt az értéket esetleg nem vetted figyelembe? Akkor a szűrőkarakterisztika sharp-on lesz nem szeretnék AC97 kodeket.
Hol vetted a fóliakondikat?
Ha a kimeneti aluláteresztő szúrőre gondolsz, annak semmi köze a mintavételi frekvenciához. A túlmintázásnál a lényeg annyi, hogy 96KHz-en nem lehet több, mint 64T, megoldhattam volna, hogy a DIR visszajelzi a PIC-nek (nekem 1792-őm van), hogy mekkora az aktuális mintavételi freki és a PIC ahhoz álítja a túlmintázást, de ezzel már nem akartam foglalkozni. A torzítás egyértelműen a kondenzátor miatt lett olyan amilyen, ráadásul a kerámiák kapacitása is ugyanannyi volt. A panasonic SMD kondikat az FDH-n rendeltem meg.
Akartam rendelni a Texastól mintába OPA1604-et, működik az accountom, de nem enged semmit rendelni. Honnan tudnék én beszerezni ilyen IC-t?
Idézet: „Szóval brutális kimenő jelerőssége van.EMU 0404 van a gépemben ahhoz hasonlítottam.Nem tudom feltekerni a hangerőt csak max 1/3,1/4 részig mert szétvezérli az erősítőt.Kipróbáltam 6 erősítőn mindegyiknél ez a helyzet. Arra gondoltam,talán rosszul tekertem az spdif trafót,1:1-es áttétel az jó?” Csökkentheted a kimeneti szintet, a 220 ohm ellenállásokat cseréld 100 ohm ra. |
Bejelentkezés
Hirdetés |









Azonkívül a DIR-t és a PCM1794A-t milyen beállításban érdemes használni?
a mintavételezési freki pedig a forrásból jön, én PC-ről használom ASIO-n keresztül, így mindíg arra vált amilyen a hanganyag. Ja és a DIR-en érdemes a legalacsonyabb rendszer órajelet beállítani, mert magasabb órajellel a zaj is nő. 




