Fórum témák
» Több friss téma |
Sziasztok!
Szeretnék segítségetkérni Plazmavágó építéséhez. Ahogyan én gondolom elkészíthető házilag egyszerübb trafos változat mely nagyfrekin megy sürített levegő meg nyomja ki az elégett fémet. Mert az a helyzet, hogy a bonyolultabb inverteres trafóját megtekerni házilag és bemérni beállítani nem egyszerű feladat.
Már van ilyen téma, de érdekes módon zárolták (vajon miért?)
Azt javaslom, hogy látogass el Magi István oldalára, ahol rengeteg hasznos tanácsot lehet olvasni, nemcsak plazmavágókról, hanem minden CNC gépépítésről, vezérlésekről, programokról.
A fórumnak van egy kifejezetten plazmavágó gépek építésével foglalkozó topicja is! Hasznos oldal, tapasztalt, segítőkész gépépítőkkel, hobbystákkal: http://www.hobbycnc.hu/
üdv!
Néztem az oldalt okés, de a mechanikára vannak elképzeléseim de hát ha komolyat szeretnék akkor az asztal mérete 1000x2000mm és kb 5mm vastag lemez max. Mivel előkészítő folyamat igy a pontossága szerintem a 2 méteren 1milcsin belűlvan jó, és a váz szilárdsága (remegése) mivel nincs közvetlen kapcsolat a lemez és a fej közt nem kell tul nagynak lennie vagy is futhatnak a szánok csapágyon is na ezt akartam kinyögni.De ez egyelőre a kissebbik bajom kell hozzá egy vágó szerkezet ami be kell egy táp ami kb be ~230V max 25A ki 80V üzemi 20A min és mind ez aszem 2KHz-n. remélem nem hagytam ki semmit.És hát ezt a trafót kellene elsősorba elkészíteni.
Több plazmavágó elkészítésénél segédkeztem a mozgató elektronika beüzemelésében, de olyat még nem láttam, hogy valaki a plazma előállítását is házilag akarta megoldani, azt javaslom, hogy ha nem is vásárolsz meg egy gyári készüléket, legalább egy gyári fejet vegyél hozzá.
Bármilyen trafót elkészítenek neked az Elektris-nél, a címük www.elektris.hu .
Bármilyen 50 Hz-es toroid trafót. Fuxinak viszont valójában nem trafó kell, hanem egy áramkorlátozott kapcsoló üzemű táp. (Vagy legalább egy szórótrafó.) És mellesleg egy nagyfesz gyújtótrafó, meg még egy párszáz V-os, rövid időre néhány A terhelhetőségű áramforás a segédívhez.
85 V / 37 A-es tápot már csináltam plazmavágóhoz, de nem sikerült ívet kicsiholni a pisztolyból, szerintem már a nagyfesz gyújtószikra sem volt megfelelő.
üdv nektek
Világos a stukkert én is venni szeretném ezt így is terveztem. És valójában a tápot szeretném megcsinálni. Amit tudok a gyáriakról az adatok alapján az bizti hogy az üresjárati fesz 3-400 volt körüli és munka közben 80 voltos ménkü 20A-töl felfelé az áram az ívet szerintem a nagy freki gyujtja be de hogy miként azt nem tudom. Egyetlen egy gyári kapcsolást láttam az inverteres volt de mivel nem ügyi vagyok nem mentettem és azóta nem találom pedig az jó lett volna ötlet adónak. Sőt láttam a neten valahol mezei trafó dióda híd kopint és vágja a fémet csak hát leválasztás nélkül életveszélyes mivel ugye a munkadarab a pozitív. Tényleg lehet ,hogy igy kellene megfelelő táp+gyujtó rész időzítővel ami lekapcsol egy idő után. Idézet: „az ívet szerintem a nagy freki gyujtja be” Hello! A nagy freki önmagában nem tud ívet létrehozni, csak ha a feszültség is nagy. Egyébként passz.
Bővebben: Link
Aki akar építeni, itt talál legolcsóbban új pisztolyt. Én is gondolkoztam, hogy építek, de valószínű inkább kombinált plazmavágó-TIG gépet veszek.
Felhozom a topikot. Találtam egy jó kis videót : Bővebben: Link
Nagyon egyszerű megoldás, bár annyira egyszerű, hogy még a fázis sincs leválasztva. Nem tudom, hogy külső-vagy belsőíves plazmavágót lenne érdemes készíteni. Nekem egyre mindenképp szükségem lesz, ha olcsón össze lehet hozni, akkor érdemes időt vesztegetni rá.
Ha nincs kés, de plazmavágó van, akkor : Bővebben: Link
:yes:
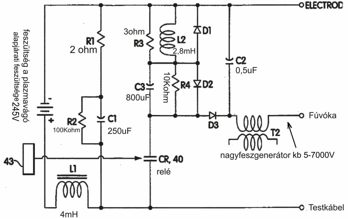
Üdvözlök mindenkit! Szeretnék segítséget kérni egy kapcsolási rajzhoz. Arra lennék kíváncsi hogy milyen teljesítményű alkatrészek kellenek a rajzon szereplő áramkörhöz ( ellenállás, dióda, tekercs keresztmetszet stb.) Én nem tudom kiszámolni az értékeket mert nem vagyok elektromos szakember de megépíteni megtudom.
Válaszokat előre is köszönöm.
Biztos, hogy ez plazmavágó tartozék, én még nem láttam efélét? Ha mégis ahoz tartozik akkor ez csak az ív gyujtásához kell, vagy az ív tartásához is?
Üdv! Ez csak a gyujtáshoz kell. A relé ami a kapcsolási rajzon van csak a gyújtási idő alatt van behúzott állapotban. Egyébként a rajz az USA szabadalmi hivatalából lett letöltve és megvan a leírása is Pdf állományban persze angolul. Az alkatrészek értékei a leírásban szerepel a rajzon magán nem, ezeket már én tettem rá. Csak a teljesítmények nincsenek megadva, tehát nem tudom hogy hány wattos ellenállások kellenek és a fojtó tekercset a 2,8 mh milyen vastag huzalból csináljam. Nem tudom hogyan lehetne Pdf állomány feltölteni ide az oldalra mert abból esetleg többet ki lehetne deríteni már aki ért hozzá
Közben sikerült rájönnöm a feltöltésre.
Ezek hasznos leírások. Nemrég rendeltem meg a plazmavágó pisztolyom, jövő héten szerintem meg is érkezik.
Illetve gondoltam arra, mi lenne, ha mágneses térrel összenyomnánk a plazmát. Vékonyabb anyagokbál sokkal szebb vágást eredményezne szerintem.
Na, ma érkezett meg a cuccom
![]() Néhány kép róla: Bővebben: Link Jó lesz ez. Azt nem tudom, hogy ha egy kicsit megbütykölök egy hegesztőinvertert, akkor az alkalmas lehet-e ehhez. Pl. az egyik inverteres einhell 85V üresjárási feszültséget ad, az már elég jó. De először sima hegesztővel próbálom majd ki, most kompresszor után kell nézzek.
Szia!
Csak kábeled van vagy inverter is van hozzá. Mennyibe került, és hol vetted. Én is akarok csinálni.
A tápot is én fogom csinálni. Trafó+egyenirányítás+gyújtás. De lehet, hogy megpróbálok egy sima olcsó hegesztőinvertert venni hozzá, és azt kicsit átalakítani nagyobb feszültségre.
Pisztolyt ebayon vettem.
Szia!
Az előző oldalon tettem fel két elérhetőséget a plazmavágóról leír mindent amit tudni kell. Nézd át biztos érdekelni fog. Én most csinálom az inverter már a vezéelés kész. Az érdekelne, hogy mennyit kérnek egy ilyen kábelért. Üdv
Igen néztem. Egyelőre inverter nélkül fog menni, trafóról.
Az én pisztolyom 11 ezer forintba került. Szia A nagyfrekis gyujtást, hogy fogod megcsinálni? Ez konkrétan érdekelne. Köszi.
Kell egy tesla kör szikraközzel, és egy becsatolótekercs. A hegesztőkörbe pedig szűrőkondi, és nagyon jó fojtás.
Elkészítettem a gyújtást, csak meghalt a 150A-es graetzem is, mikor a gyújtóban növeltem a szikraköz távolságát. A fojtótekercsem 760uH volt, a hegesztőköri kondi 0,5µF (2 mikrosütő kondi sorban). 2mm-t begyújtott.
A cucc: Bővebben: Link Ha sikerül jót csinálni, akkor összesűrítem kissé
Bővebben: Link
Készítettem egy rajzot is, látszólag sok furcsa dolog van benne, de ha valakinek nem világos mi miért, akkor kérdezzen. Minden lényeges biztonsági dolog benne van, és a fojtótekercs relé miatt lehet kicsit spórolni rajta (és méretet csökkenteni). Én így fogom megépíteni.
Engem érdekel a téma de teljesen" szétboncolva".Tehát nem inverter hanem hagyományos hegesztő trafó csak dupla gyújtófeszültséggel (nem 50 hanem 100 V) bár itt nem gyujtófesznek kell hívni mivel nagyfesz gyújtás van a plazmavágónál (nem tudom érthetően fogalmaztam-e).Lágyindítást is alapból beleteszek már csak a relé miatt is.
100V minek, ha van gyújtás? Segédtáp? Amit rajzoltam, az is hegesztőhöz van, végső soron. Plazmához kicsit más trafót használok majd.
Mivel a hegesztő trafóhoz hasonló teljesítményű és karrakterisztikával rendelkező transzformátor kell de a hegesztéshez elég az 50 V körüli gyujtófesz (és ezt igazából az elektróda határozza meg azaz nem bázikus hanem a rutilosra gondolok) és"eső"jelgörbéje van pld. CO2 trafóval szemben .Tehát a plazmára gondolva nem 50 hanem 100 V az üresjárati fesz és 40-50 V közé esik a munka feszültség.A fojtó elé én tervezek kondenzátorokat-10000 mikró és 360 voltosak .A munka kábelt természetesen egyben akarom megvenni a "gyárit" mint te is tetted.
Még azt szeretném kérdezni,hogy a fojtótekercs relé miért kell mert elég nagy hibalehetőség forrás(nagy áramot nyit-zár,beég,átengedi a nagyfeszt,....).Miért nem nagyfrekvenciás gyújtást használsz --az nem tud áthaladni a fojtón ,nem üti ki a hidat és nem nehéz megcsinálni sem.Vagy pld.: párhuzamosan tenni egy nagyobb huzal ellenállást a fojtóval és annak áramával figyelni az ív kialakulását és kapcsolni vele egy idővel a gyújtást ki illetve be.
|
Bejelentkezés
Hirdetés |




és azóta nem találom pedig az jó lett volna ötlet adónak.
Sőt láttam a neten valahol mezei trafó dióda híd kopint és vágja a fémet csak hát leválasztás nélkül életveszélyes mivel ugye a munkadarab a pozitív. Tényleg lehet ,hogy igy kellene megfelelő táp+gyujtó rész időzítővel ami lekapcsol egy idő után. 

