Fórum témák
» Több friss téma |
Fórum » Kapcsolási rajzot keresek
Témaindító: Kallai Csaba, idő: Márc 11, 2006
Témakörök:
Egyszer javítottam egy hasonló kinézetűt. Sem a típusát, sem azt nem tudom honnan származott, de a program váltó kapcsolója volt beteg. Remélem segítettem.
Van 1 jó, 2 hibás, és az egyik barátomnak is 2 hibás. Az 1 jót azt én javítottam meg. Ennek a bemeneti-szűrőtekercse volt hibás (a testre húzhatott, mert megszakadt), a graetz és a biztosíték. A nálam lévő hibásoknak az egyenirányítói zárlatosak, primmer-kör FET-jei D-S zárlatosak (szétrobbanva, zárlatba-olvadva), emiatt a biztik szakadtak és a FET- föld közötti ellenállások (párhuzamosan kötve 2, vagy 3db volt-e nem tudni, mert szénnéégtek.
![]() Ez utóbbiak: Fet pontos tipusa ( esetleg ajánl-e helyettesítőt a gyártó), ill. az ellenállások Ohm-Watt értékére lennék kíváncsi és ezek darabszámára. A "jót" -ha lehet- emiatt nem szedném mégegyszer, mert eléggé trükkös. A biztonsági csavarok és a rövid belső vezetékek jól felmérgesítettek, aztán a kabelrögzítő-villát a hátlapon egy kicsit "megerőltettem" , amikor raktam össze, mert még az elsőnél nem gondoltam, hogy így van összeszerelve na mert nem akart összemenni... A másik kettőt a barátomtól még nem kaptam meg és azokhoz igen jó lenne az a kapcsolásirajz... A tiédnek mi a baja? Mi hibás benne?
...már szinte az egész primer oldalt kicseréltem (FET, vezérlő ic, diódák, ellenállások s a tekercs is szakadt volt), de még mindig nem indul...jó lenne egy rajz róla
Szevasztok!
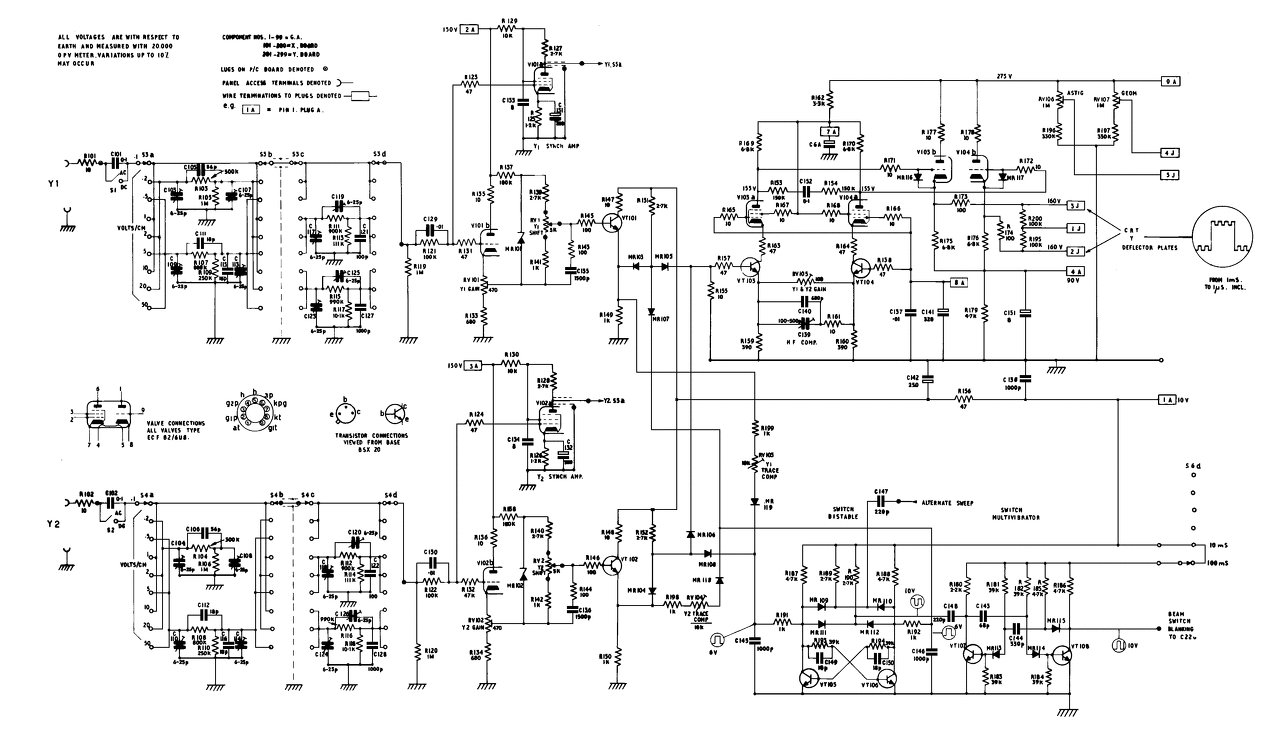
Egy Advance gyártmányú Oscilloscope OS 25A gépkönyvét, kapcsolási rajzát keresem. Csak az OS250-esét találtam, ami nagyobb tudású, tehát lehet, hogy nem igazán tudok vele a javításban előrejutni. Köszönöm!
Feszültségeket mérted? Nagy elkón? Ic táp-lábán? Meg vannak? optocsatoló jó?
Erre esetleg van megoldásod? Én sima közösített LED-et tudok csak szerezni.
Valakinek van-e infója Landi Renzo Lanbda Control sistem A/1 - V05. cng vezérlőről.
Üdv: deta
Az eddigiekből igazán kitalálhattad volna...
Köszönöm, a fiamnak szóltam, megy a letöltés.
Összeillesztettem és kissé optimalizáltam Neked a rajzokat...
A hozzászólás módosítva: Dec 19, 2014
Tisztelt fórumozók azzal a kéréssel fordulok önökhöz hogy van egy Medion MD 41977FQ monitor amihez kellene egy szerviz rajz előre is nagyon köszönöm az emailomra küldeni sanyoca5@citromail.hu
Köszi!
Az a baj, hogy nekem nem a gáz résszel, hanem a komputerrel van gondom. Amit találtam róla, az az egység bekötéséről szól, nem a panel kapcsolási rajza. A panelt magát lefújták valami lakkal, amin keresztül az alkatrészek neve nem olvasható. Szép óvatosan lényegében egyben le lehetet emelni az IC-kről, de igy a felirat kettő tokon nem olvasható!
Értem keresgélek , és ha találok valamit ez ügyben még , akkor felfogom neked ide tenni mint például ezt is
Ezeket a rajzokat én is megtaláltam, de csak akkor segítene, ha valahonnan sikerülne egy kábelkorbácsot keríteni. Arról ki lehetne keresgetni, hogy a csatin melyik tüskére melyik alkatrész megy. Ez már egy jó kiindulási alap lenne a javításhoz. Magáról az autórol is meg lehetne próbálnom, de az mindennap 10-12órát megy, és a telephelye tőlem több mint 200km-re van.
Üdv mindenkinek. Kapcsolási rajzot keresek fázisceruzához! Van itthon több menetes 230V-os glimm izzóm,beépített ellenállásal. Csak egy kapcsolási rajz kéne hogy hogyan tudok biztonságos fázisceruzát gyártani belőle. A válaszokat előre is köszönöm.
Szia!
Ezt a dolgot inkább ne erőltesd, mert mi van, ha valamit félrekötsz a fázisceruzában?
Anyira azért odafigyelek,van egy szoviet fázisceruzám,csak szétesett szegény (valaki szétszedte) és össze szeretném rakni,viszont a glimmet zöldre akarom cserélni hogy jobban látható legyen. Ezért is keresnék kapcsolási rajzot.
glimm+1M ellenállás minek ehhez kapcsolásirajz ?
Tehát így: fázisceruza szára,1M ellenállás (0,5W),glimm izzó,aztán pedig az érintő rész?
pszt ! Nem én mondtam, az ellenállás általában valami spec "hosszított" kivitel , hogy véletlenül se tudjon átütni ...
A hozzászólás módosítva: Dec 18, 2014
Rendben,köszönöm a választ.
Tisztelt uraim megkérném az urakat ha tudnának segíteni egy szerviz rajz kellene Medion MD41977FQ monitorhoz ha valaki tudna segíteni előre is köszönöm tisztelettel .
Nagy vagy, köszönöm szépen!
Épp ma megyek új patronért, ki is nyomtatom, aztán javítás ezerrel.
Ha semmihez nincs kedvem, akkor rajzokat scannelek, javítok. Mielőtt kinyomtatod, majd nézz rá a módosítás dátumára, mert azért lehet még dolgozni rajtuk - ha lesz időm...
Köszönöm! Átnézegettem a rajzokat, így nem látok semmi olyat (persze annyira nem vágom ám, hogy rögtön/10-edszerre sem/ kiszúrjak valami oda nem illőt
), amin felakadnék, de a szkópot még nem borítottam szét, hogy összehasonlítsam. Mindenesetre a kipurcant 1W-os, 150V-os zénerek helyére ZX150-et teszek, az biztos nem fekszik ki.
Tiszteletem Uraim!
Keresek Atmega8-ra épülő volt-amper mérő kapcsolásokat.A legjobb az lenne,ha kettős volt és ampermérő kapcsolást találnák,így kihasználhatnám a 2x16 LCD kijelzőt.Tápegységekhez szeretném használni,de mivel több is van,nem szeretnék mindegyikhez külön építeni.Nekem link is tökéletesen megfelelne,sajnos én nem találtam még eddig ilyen megoldást. A segítséget tisztelettel megköszönöm! |
Bejelentkezés
Hirdetés |







), amin felakadnék, de a szkópot még nem borítottam szét, hogy összehasonlítsam. Mindenesetre a kipurcant 1W-os, 150V-os zénerek helyére ZX150-et teszek, az biztos nem fekszik ki. 




