Fórum témák

» Több friss téma
Fórum » Erősítő mindig és mindig
Mielőtt kérdezel, a következő két dolgot ellenőrizd! I. A helyes tápfeszültségek megléte. II. A kimeneten van-e egyenfeszültség. Élesztés.
Lapozás: OK   1632 / 2574
(#) levaitamas válasza levaitamas hozzászólására (») Dec 26, 2014 /
 
Méregettem egy kicsit. Amikor jól szól 7mV DC van a kimeneten, de amikor produkálja a hibát 15mV-ra emelkedik. Elképzelhető a korából adódó forrasztási hiba?
(#) reloop válasza levaitamas hozzászólására (») Dec 26, 2014 /
 
Szia! Ellenállás, kondi, forrasztás... minden játszik. A leírás szerinti hiba a végfok bemenetén lévő differenciál-erősítő emitteráramának elfogyására emlékeztet leginkább.
A hiba megjelenésekor ellenőrizd a +15V-ot R37 - R38-on!
(#) levaitamas válasza reloop hozzászólására (») Dec 26, 2014 /
 
Mérek és majd jelentkezem.
(#) donkisc hozzászólása Dec 26, 2014 /
 
Helló lenne egy 2.1 házimozis és segítséget kérnék hogy mi lehet a baja ? az egyik oldal halkabban szól és a subb láda oldal nem ad hangot készítettem egy pár fényképet a masínáról javítva lett! használtan jutottam hozzá!
A hozzászólás módosítva: Dec 26, 2014
(#) JSandor hozzászólása Dec 26, 2014 /
 
Sziasztok!!

Van nekem egy Saba CI-300-as típusú erősítőm, és az lenne a kérdésem, hogy milyen célra szolgál az előlapján a Speakers elnevezésű kapcsoló (állása Off, 1, 2, 1+2) mert nem bírok rájönni mire szolgál Linkelem a kapcsolási rajzot meg az előlapi és hátlapi képet, remélem valakinek van ötlete mi a dolga a kapcsolónak. Kapcsolási rajz
(#) reloop válasza JSandor hozzászólására (») Dec 26, 2014 /
 
Szia! Az OFF állást fejhallgatózáshoz használhatod, az 1-es a hátlapon található felső hangszórócsatlakozókat jelenti, a 2-es az alsót. Ha 4 db 8 ohm-nál nem kisebb impedanciájú hangsugárzód van akkor 1+2-vel mindet megszólaltathatod.
(#) JSandor válasza reloop hozzászólására (») Dec 26, 2014 /
 
Az 1+2 állásnál fontos, hogy legalább 8 ohm-os legyenek a hangsugárzók ? Nem lehet kisebb ?
(#) lukacsp válasza JSandor hozzászólására (») Dec 26, 2014 /
 
Hát, ha a kapcsoló párhuzamba vágja őket, akkor nem lenne egészséges 8 Ohm -nál kisebbeket rátenni erre az üzemmódra.
Én találkoztam már olyan erősítővel, talán Philips FA144 ha jól rémlik, ami sorosba kapcsolta a hangszóró kapcsokat ilyenkor. Ez nem tudom milyen, reloop-nak hiszek.
(#) reloop válasza JSandor hozzászólására (») Dec 26, 2014 /
 
Nehezen értelmezem a kimenetválasztó kapcsoló rajzát.
Tegyél egy próbát: csak a Speaker 1-re köss hangszórókat. Ha az 1+2 állásban elhallgat akkor soros kapcsolást hoz létre, így 4 ohm is lehet mind a négy hangsugárzód.
Ezt általában ritkán használják, mert csak teljesen egyforma (impedanciamenetű) hangsugárzók tudnak sorosan hibátlanul együttműködni.
(#) reloop válasza lukacsp hozzászólására (») Dec 26, 2014 /
 
Ő lenne az.
A hozzászólás módosítva: Dec 26, 2014

KImenet.png
    
(#) JSandor hozzászólása Dec 26, 2014 /
 
Köszönöm az ötleteket és tippet. Valamint a gyors válaszokat is!
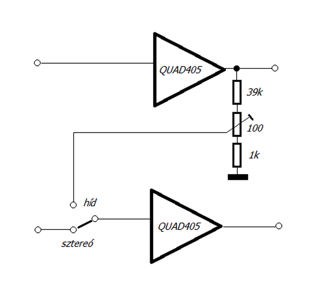
(#) reloop válasza pauer98 hozzászólására (») Dec 26, 2014 / 1
 
Szia! Kérdezted hogyan lehet Quad405-öt egyszerűen hidalni. Rajzoltam egy megoldást. Kihasználjuk, hogy ez a topológia fázist fordít a bemenete és a kimenete között.
Mérőjelet használva a 100 ohm-os potival híd állásban egyforma (AC) feszültségűre kell állítani a kimeneteket.

Quad_híd.gif
    
(#) lukacsp válasza reloop hozzászólására (») Dec 26, 2014 /
 
El voltam vele egy ideig, de most már mondhatom értem, és soros kötést hoz létre az 1+2 üzemmód ennél is. A rajzolt állapot az "1" állást szemlélteti. Tanulságos volt.
(#) reloop válasza lukacsp hozzászólására (») Dec 26, 2014 /
 
A NYÁK-ot megtekintve kapituláltam
Az eredményed természetesen stimmel!
A hozzászólás módosítva: Dec 26, 2014

Kimenet_2.png
    
(#) lukacsp válasza reloop hozzászólására (») Dec 26, 2014 /
 
Az elvi rajzon sokkal kevésbé rettentően néz ki, csak kell egy kis idő rá mire eljutott az elmémig, hogy mi mit jelent. A valóságban én is előbb kipróbálnám, ha az enyém lenne a cucc, az a biztos!
(#) lukacsp hozzászólása Dec 26, 2014 /
 
Épp egy hidas végfok építésén dolgozom, és az egyik oldalnál kb. 0,5%, a másiknál 1% erősítés különbséget mértem a hidat alkotó végfokok erősítése közt. Ez nem igazán tetszik, de betudható a felhasznált ellenállások tűrésének. Mennyire okoz ez hangminőség problémát szerintetek? Kissé aggódom.
A hozzászólás módosítva: Dec 26, 2014
(#) reloop válasza lukacsp hozzászólására (») Dec 27, 2014 / 1
 
Kétségbeejtő, nem találok rá szavakat...
(#) JSandor válasza reloop hozzászólására (») Dec 27, 2014 /
 
Kipróbáltam! Csak speaker 1-ben vannak hangszórók és 1+2-es állásban teljesen elhallgat.
(#) reloop válasza JSandor hozzászólására (») Dec 27, 2014 /
 
Péternek volt igaza, sorosan kapcsol. Mehetnek a 4 ohm-os hangszórók
(#) djratnova hozzászólása Dec 28, 2014 /
 
Üdv!

Ezt az erősítőt szeretném módosítani úgy, hogy 12V helyett 24V DC-ről működjön, valamivel nagyobb teljesítménnyel. A részletező hangja, egyszerűsége, olcsósága miatt tetszett meg az erősítő.

1. Mely alkatrészeket kellene és milyen értékűre módosítanom?
2. Hogyan tudnám átrendezni a kapcsolást, hogy a lenti ágba kerüljön a hangszóró kimenet(+), ne pedig a +12V(24V)-ra.

Köszönöm.
(#) titi11 hozzászólása Dec 28, 2014 /
 
Valaki tudna segíteni egy pa300 erősítőben lenne néhány kérdésem ami nem tiszta írjon rám privben köszönöm!
(#) reloop válasza djratnova hozzászólására (») Dec 28, 2014 /
 
Szia! Neked volt ezzel melegedési problémád a napokban? Azt is kezelném hamár rajzolni kezdek.
(#) reloop válasza titi11 hozzászólására (») Dec 28, 2014 / 1
 
Szia! Elférnek itt a nagyon amatőr kérdések is Hagy okuljanak mások is belőle.
(#) djratnova válasza reloop hozzászólására (») Dec 28, 2014 /
 
Szia!Szerintem nem nekem volt melegedési problémám.
Nekem hangfalvédelem problémám volt.
A hozzászólás módosítva: Dec 28, 2014
(#) titi11 válasza reloop hozzászólására (») Dec 28, 2014 /
 
Köszönöm írtam e-mailt ! Ha működik a projekt akkor megosztom mindenkivel!
(#) reloop válasza djratnova hozzászólására (») Dec 28, 2014 / 1
 
Azért jó ha tudsz róla Bővebben: Link
A szükséges módosítást lerajzolom.
(#) zotya1983 hozzászólása Dec 28, 2014 /
 
Szép estét.Elkezdtem építeni egy irf 9240,240es kites fet végerősítőt Baji Elektro féle.+-85v van megadva 8ohm terhelésre,itt tudja elviekben a 400w ot'vagy +-65v 4ohmra.Az élesztés szabályait tudom elolvasgattam,namármost mi az amire még figyelnem kell?Vannak e esetleges buktatók az élesztésen kívül?Elegendő e bordából 160*80*3.5mm?Azért kérdezek előbb mert ez a legelső fetes vėgfok amit építek.Kapcsirajzot kész nyákról képeket teszek fel majd holnap ha hazaértem.A nyákon 2pár fet van pozitív és negatív oldalon egy egy.ha jól emlékszem van egy regulator is pozitív oldalon 2sc4793.panelt a testhez képest kimèrtem pozitív és negatìv oldalon is egy egy dióda majd szakadàs.Nos ami aggaszt az a viszonylag magas táp amit a gyártó megadott.Mivel 200v os fetek és ugye 170v+- nàl járunk aggaszt hogy eléggé határos tápfeszt közöltek.Nos ha van valakinek tapasztalata netán személyes ezzel a pqnellel akkor várom a javaslatokat pl hűtés terén l profilt tegyek e vagy jobb közvetlenül bordàra tenni a feteket stb.Bocsi a hosszú irományért de inkább kérdezek mielőtt fatális hibát követnék el.
(#) djratnova válasza reloop hozzászólására (») Dec 29, 2014 /
 
Köszönöm és nagyon hasznos gyakorlati tanácsot kaptam!
Várom a módosított rajzot!
(#) zotya1983 válasza zotya1983 hozzászólására (») Dec 29, 2014 /
 
Mellékeltem a képeket.
(#) Doncso válasza zotya1983 hozzászólására (») Dec 29, 2014 /
 
Nem tudom mekkora a tápfesz, de arra figyelj, hogy ha +-85v-ról járatod nehogy leterheld 4-ohmmal, mert abból füst lesz. Én személy szerint inkább 65-70v-ról járatnám, és 8-ohmmal terhelném, azért, mert szerintem nem egészséges 2-2fetet 400w teljesitmény leadására kényszeriteni.
Én inkább olyan 250-300w-ot biznék rájuk nyugodt szivvel, ennek megfelelően méretezném a tápot és határoznám meg az impedanciát.
Következő: »»   1632 / 2574
Bejelentkezés

Belépés

Hirdetés
XDT.hu
Az oldalon sütiket használunk a helyes működéshez. Bővebb információt az adatvédelmi szabályzatban olvashatsz. Megértettem