Fórum témák

» Több friss téma
Fórum » Elektronikában kezdők kérdései
- Ez a felület kizárólag, az elektronikában kezdők kérdéseinek van fenntartva és nem elfelejtve, hogy hobbielektronika a fórumunk!
- Ami tehát azt jelenti, hogy a nagymama bevásárlását nem itt beszéljük meg, ill. ez nem üzenőfal!
- Kerülendő az olyan kérdés, amit egy másik meglévő (több mint 17000 van), témában kellene kitárgyalni!
- És végül büntetés terhe mellett kerülendő az MSN és egyéb szleng, a magyar helyesírás mellőzése, beleértve a mondateleji nagybetűket is!
Lapozás: OK   2461 / 4064
(#) (Felhasználó 51715) válasza eSDi hozzászólására (») Dec 31, 2014 /
 
Köszönöm a választ.
Egy szabvány 250 W PC AT táp +12V-os ága alkalmas 2-300 ilyen LED meghajtására?
Ha jól számolom akkor így 4-6A kell nekik, amit egy ilyen táp könnyedén teljesít...
PC tápból van itthon bőven, nem szívesen vennék drága LED tápegységet.
(#) eSDi válasza (Felhasználó 51715) hozzászólására (») Dec 31, 2014 / 1
 
Igen, alkalmas rá, de figyelni kell, hogy csak a 12V-os ágat terhelve az 5V-os ág feszültsége megemelkedik, s így a táp letilt. Vagy terheled azt az ágat is egy izzóval/ellenállással, vagy pedig kiiktatod azt a részét a tápnak a védelemmel együtt.
(#) normalize válasza eroth hozzászólására (») Dec 31, 2014 /
 
Szia

Nagyon szépen köszönöm.
És az LCD panelben a folyadék-kristályok nem fagynak szét?
(#) kadarist válasza normalize hozzászólására (») Dec 31, 2014 /
 
A kristályok nem fagynak szét, mert nem vízből vannak, ráadásul a kristályok nem úgy folyékonyak, mint ahogyan a víz folyékony.
(#) aramis válasza zenetom hozzászólására (») Dec 31, 2014 /
 
Köszönöm a választ azt hiszem úgy van ahogy mondod. most leellenőrzöm, remélem olyan nagy bukás nem lesz belőle
(#) cson hozzászólása Jan 1, 2015 /
 
Sziasztok lenne egy kérdésem.
Megtudná valaki mondani nekem hogy a Yamaha a320 trafó hány Watt-os mindenhol kerestem de nem találtam. Előre is köszönöm a segítséget.

Üdv: Cson
(#) nooorbi hozzászólása Jan 1, 2015 /
 
Sziasztok!

Van egy ilyesmi infra adó-vevő párosom. Nem sok mindent tudok róla, de szeretnék csinálni belőle egy kapcsolót. Egy nyomógombot szeretnék kiváltani vele. Tudtok erre valami kapcsolást?
(#) Peet19 hozzászólása Jan 1, 2015 /
 
Sziasztok!
B.U.É.K mindenkinek!
Hálózati feszültség egyenirányítása és pufferelése után van 325V egyenfeszültségem. Egy 555-ösnek kellene adnom 10V és 5mA-t.
A mellékletben lerajzoltam az elképzelésem, és az a kérdésem hogy ez így megoldható-e, vagy nincs szükség az R2 -re?
Jól számoltam egyáltalán?
Előre is köszi a segítséget.

p1.png
    
(#) pucuka válasza Peet19 hozzászólására (») Jan 1, 2015 /
 
Azért azt a 10 V -ot inkább egy zénerrel állítsd elő.
(#) Peet19 válasza pucuka hozzászólására (») Jan 1, 2015 /
 
R2 helyett rakjak egy 10V-os zénert? Az áram megoszlása hogy fog alakulni?
(#) pucuka válasza Peet19 hozzászólására (») Jan 1, 2015 /
 
Bővebben: Link
Vagy, ha extrém ellenállások jönnének ki, akkor elé egy osztót 20 V körülire, és arról a zéneres stabilizátort. És ha az osztó felső tagját az egyenirányító elé teszed, használhatsz kondenzátort is, aminek az impedanciája 50 Hz -en megegyezik az osztó felső tagjának ellenállás értékével.
(#) kadarist válasza Peet19 hozzászólására (») Jan 1, 2015 /
 
Szia!
Az egyenirányítás után csinálj feszültségosztót majd Z-diódával állítsd be a stabil feszültséget úgy, mint itt.
(#) Peet19 válasza kadarist hozzászólására (») Jan 1, 2015 /
 
Szia. Köszi, megnéztem a rajzot és hasonlóan gondoltam én is. A mellékletben a rajz eddig itt tartok.

pucuka: kiszámoltam a segédprogrammal és az ellenálláson átfolyó áramra 15mA -t ír. Miért? A bemenő feszt 325V ra a kimenőt 10V ra és a kimenő áramot 5mA re írtam.
A hozzászólás módosítva: Jan 1, 2015

p2.png
    
(#) vicsys hozzászólása Jan 1, 2015 /
 
Sok kezdő, problémába ütközik, ha gyorsan valamilyen stabil feszültségre van szüksége, akár a fejlesztéshez, akár a teszteléshez. A következő videómban bemutatok egy kis szabályozható tápegység modult, ami olcsón megvehető (pl. Ebay) és gyorsan beüzemelhető/beállítható a kívánt feszültségre. Én breadboardhoz használom a PIC-es és egyéb kis kapcsolásokhoz. Mutatja a kijelzőjén bemenő és kimenő feszültséget is.
Remélem, hogy a kezdőknek (és a profiknak is) segítséget tudok nyújtani ezzel a kis videóval.
Bővebben: Link
A hozzászólás módosítva: Jan 2, 2015
(#) pucuka válasza Peet19 hozzászólására (») Jan 1, 2015 /
 
Mert a zéneres szabályzó sönt szabályzó. Ha a terhelésen 5 mA folyik, a zéneren 10, az ugyebár 15 mA, és ez az osztó teljes árama. Szélsőséges esetben ha nincs terhelés a 15 mA a zéneren folyik, Ha a terhelés rövidzár, akkor a terhelésen. A két helyzet között tartja stabilan a zéner a feszültségét. (természetesen a könyök környékét leszámítva)
Ugyanez működik a bemeneti feszültségre átszámítva, megkapod a határokat, amelyek között a stabilizátor működik. A zéner választásánál oda kell figyelni a határ feszültségek esetén a zéner áramára, ennek megfelelő terhelhetőségűt (disszipáció) kell választani.
A hozzászólás módosítva: Jan 1, 2015
(#) Wind-Storm hozzászólása Jan 2, 2015 /
 
Sziasztok!

Adott egy egycsatornás DVM, mellyel 3 feszültségszintet szeretnék monitorozni.
Tehát olyan minél kevesebb alkatrészből álló analóg áramkört szeretnék létrehozni, amely átmenet nélkül kb. 3 másodpercenként mindig a következő feszültségszintet zárja a mérőbemenetre, pl. FET-tel.
A tápfeszültség 6-7V között lenne.
Előre is köszi!
(#) qvasz2 válasza Wind-Storm hozzászólására (») Jan 2, 2015 /
 
A 3 feszültség GND-je közös, vagy függetlennek kell maradnia?
Mert ha közös, akkor egy 4017, vagy bármi hasonló futófény jó vezérelni. De ha független, akkor minden lesz csak nem egyszerű, és mindenképp valamilyen relé kell hozzá.
(#) Wind-Storm válasza qvasz2 hozzászólására (») Jan 2, 2015 /
 
Szia!
Szerencsére közös lesz.
(#) vicsys hozzászólása Jan 2, 2015 /
 
Egy újabb ismertető videót tettem fel. Most egy 4 csatornás rádiós vezérlőt mutatok be. Remélem tudok vele segíteni, ha valaki pont ilyesmiben gondolkodik.
Bővebben: Link

DSCN0002.JPG
    
(#) Peet19 válasza pucuka hozzászólására (») Jan 2, 2015 /
 
Értem már, köszönöm.
De akkor nem lenne elég 10mA -re méretezni az áramerősséget? Az 555-ös 10V-on mekkora max. áramot kaphat? Ha esetleg 10mA -t igényel akkor is tudja tartani a zéner, nem?
A zéner előtti ellenálláson mindig a max áram folyik a csomóponti törvény miatt?
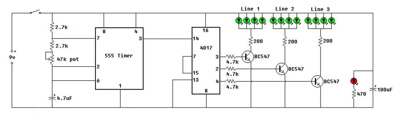
(#) Wind-Storm válasza qvasz2 hozzászólására (») Jan 2, 2015 /
 
Találtam egy rajzot 4017-hez:
Az NPN-ek helyére N-csatornás FET-et tennék.
Az 555-öt hogyan tudnám 3 másodpercre konfigurálni?
A hozzászólás módosítva: Jan 2, 2015
(#) vicsys hozzászólása Jan 2, 2015 /
 
Egy újabb videóm került fel. Most egy mini USB-s Li-ion akkutöltő modult mutatok be. Bízom benne, hogy segítségére lesz azoknak, akik ilyesmiben gondolkodnak.
Bővebben: Link

DSCN0003.JPG
    
(#) kadarist válasza Wind-Storm hozzászólására (») Jan 2, 2015 /
 
Kapcsolóelemként inkább használj integrált CMOS kapcsolót: Bővebben: Link
(#) csapeter válasza vicsys hozzászólására (») Jan 2, 2015 1 /
 
Szia!
Köszi, ez segített pár kérdést megválaszolni.
(#) zenetom válasza Wind-Storm hozzászólására (») Jan 2, 2015 / 1
 
Itt ki tudod számolni a megfelelő értéket: Bővebben: Link
Egyszerűen csak a két ellenállás értékétől, illetve a kondi értékétől függ a freki, illetve a kitöltési tényező. Elvileg kb. az alábbi értékekkel jön ki a 0.3 sec:
R1=3kohm
R2=100kohm
C=22uF
A Te rajzodon a felső 2.7k-t ott lehet hagyni, és az alsó két ellenállást (47k-s poti, illetve a vele sorban lévő 2.7k) kell kicserélni a 100k-ra. A 4.7µF-ot pedig 22µF-ra.
(#) Peet19 hozzászólása Jan 2, 2015 /
 
Van egy áramkör ahol a bemenő fesz. 325V DC. Sorba van kötve 25db ellenállás ahol 12,9V esik ellenállásonként. Az áramerősség 276mA, és egy tranzisztorral kapcsolgatnám az egészet ki-be 2Hz -el. A tranzisztor kollektor - emitter sorba van kötve az ellenállásokkal, de a bázisáram más áramkörből jön. A kérdésem az, hogy milyen (NPN) tranzisztort válasszak ebbe a körbe? Amikor a tranzisztor nyitva van és az ellenállásokon folyik az áram, akkor mekkora a kollektor emitter feszültség?
Előre is köszönöm a segítséget!

Vagyis a tranzisztoron soha nem lesz 325V? Se nyitott se zárt állapotában?
A hozzászólás módosítva: Jan 2, 2015
(#) lukacsp válasza Peet19 hozzászólására (») Jan 2, 2015 /
 
Zárt állapotban természetesen ott lesz rajta a 325V.
Nyitott állapotban kb. 1V fog esni rajta, ami jelentéktelen 0,276 * 1 = 0,276 W disszipációt jelent. arra kell odafigyelni, hogy amikor nyitsába vezérled, akkor tényleg telítésig nyisson ki, tehát legalább (0,276 / B) bázisáramot tudjon kapni.
(#) Peet19 válasza lukacsp hozzászólására (») Jan 2, 2015 /
 
Értem köszi.
(#) teszti hozzászólása Jan 2, 2015 /
 
Sziasztok!
Egy elektromos buzzert hogyan kell bekötni, hogy az folyamatosan szóljon?
(#) Wind-Storm válasza zenetom hozzászólására (») Jan 2, 2015 /
 
Köszi szépen!
Következő: »»   2461 / 4064
Bejelentkezés

Belépés

Hirdetés
XDT.hu
Az oldalon sütiket használunk a helyes működéshez. Bővebb információt az adatvédelmi szabályzatban olvashatsz. Megértettem