Fórum témák
» Több friss téma |
Fórum » Kapcsolóüzemű (PWM) végfok építése
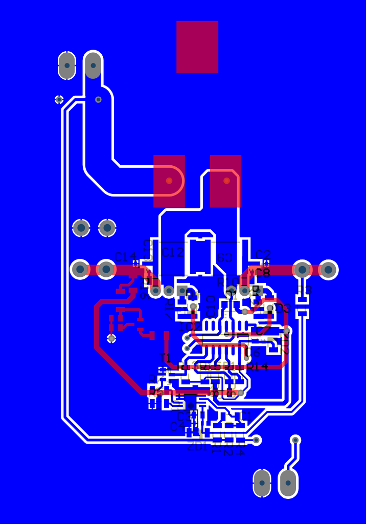
Nincs a rajzodon olyan kondi amire a Laci gondol, pedig az egészben az a legfontosabb. A + és a - tápág közé kell bekötni, a lehető legközelebb a fetek táplábához (felső FET drain alsó FET source). A zavarokat ez szűri leginkább. Értékre nem kritikus, de nagyobb áramoknál minél nagyobb annál jobb, nekem a 2,2-4,7µF fólia volt a tuti a több száz watthoz, alacsonyabb teljesítményre 220nF is elég.
A hűtésre most már teljesen más megoldást használnék mint eddig. A nyákot békén hagynám hogy minden alkatrész közel maradhasson egymáshoz, és a feteket alulról forrasztanám be, a nyák alatt pedig lenne egy sima alu lemez, mondjuk a nyák méretével megegyező méretben. A felület a hűtéshez elég, árnyékol is, nem kell semmilyen speciális formára vágni, és nem vesz el helyet a nyákból.
Már elkezdtem egy újabb nyákot tervezni, nem probléma a borda sem. Minden egyes nekifutásnál javítok valamin. Jó szórakozás, agytorna
![]() A kondikat jó lenne tisztázni, hogy hova milyen tipusú, azokból van kismillió... Becsatoló + LC: THT MKT Snubber: SMD NP0/C0G IC-k melletti szűrés: X7R VCS kondi: NP0 Bootstrap kondi: SMD Tantál LowESR
Becsatoló: szinte akármi (én X7R-t használok)
Snubber: lehet X7R is, de NP0-ban is kapható bőven ilyen méret, olcsón MOSFETek mellett: kerámia X7R illetve MKP/FKP. Értelemszerűen az X7R SMD-t oda tudod közvetlen a láb mellé tenni. ESR-je jelentős (100nF-nál pl 0,5 Ohm körül van !), de az ESL írtó kicsi. A polipropilén az egyik legkisebb veszteségű erre a frekitartomáynra, szóval a legjobb szűrőkondi, de nagyobb a kerámiánál, és lábasjószág, így induktivitása nem elhanyagolható. Legjobb ha követlen lánál X7R SMD van, és 1-3mm-re pedig lábasjószág MKP. VCS kondi: 68pF kicsi lesz, növeld. Mivel többnyire 100-300pF tartomány ezért NP0-ban könnyen kapható 200V-ig. Bootstrap kondi: Én special 1µF X7R 25V-ot használok 1206 méretben. Lomexben olcsón kapható. Amennyiben széles kitötlési tényzeő kröül kell mennie és 100nC felett van a gate töltés, úgy érdemes mellé berakni egy 10µF elkót. A kerámia jobban viselkedi a tantálnál, így érdemes berakni, ha meg ott van,a kkor síma alu elkót is lehet használni mellette.
A borda nagyon sok helyet foglal, ráadásul pont ott ahol nem kéne, jobb a nyákon kívülre tenni. Mondjuk ha nx10W a cél akkor nem is nagyon kell, elég egy kis alu lemez. Mint ahogy a snubber sem kell, nálam nem osztott nem szorzott a 600W-os végfokban sem, így nem is tettem be.
Minden kondi lehet SMD (NP0 vagy X7R), de a kimeneti szűrőé meg az előbb említett tápágakban lévő az legyen fólia.
A FET ek meletti kondi (ami nekem nincs) lehet 2x sorban 470nF? De csak 63Vac/100Vdc van (TME). Viszont smd tokban 2824-es tok, ami elég nagy darab.
Akkor tervezem fektetve a FETeket, mindkettő alatt külön külön egy kis alulemezzel. (Ezzel a szigetelés gond meg is lenne oldva) A hozzászólás módosítva: Dec 23, 2014
Így jó? Maradnak állva egy pár mm-es lemez elfér mögöttük.
Igen, de elférne oda a fólia is, gondolom a 100V-os bőven elég. Lehet hogy kapsz akkora méretben aminek a lábai pont az egyik FET drain-től a másik FET source-ig érnek.
Tudja valaki, hogyan lehet Altiumból úgy nyomtatni, hogy egyszerre mutassa a rétegeket?
Így sikerült, csak nemagyon látni mindent. Ezt fotosoppal komponáltam össze.
Van egy újabb nyákterv. Remélem így sokadjára ez jó lesz. Eléggé összesűrítettem mindent. A snubber és a fet környéki kondikat igyekeztem a fetek köré sűríteni.
Nem gyere be.
Két oldalas nyákot tervezél, akkor használd valóban kétoldalasan, ne csak úgy, hogy azt rakpod a másik rétegre, amit az elsőn elvezetni nem tudsz. Így pl a két MKP kondi sem ér alul semmit. Ugyanis, Con1-ből van eg yhosszú pálya FET drainbe. T2-n folyik az áram, megszakad, ekkor ez megint egy nyákpláyn tud tovább folyni C9-be. Ellenben ha azonos odlalon van az előző páláyval, akkor Con1-ből C9-ig menő szakasz induktivitásának árama szépen bemegy a C9-be, és ekkor már csak a maradék pár mm okoz tullövést. RC snubberre számoltál disszipációt, ha jól nézem most 1206 méret van benn, elég lesz? (1/4W)
Szia!
A disszipáció 1/8W ra jön ki, már ha jó képletet használtam: P = Csnub * Vcc^2 * f (Csnub = 100pF, f = 500KHz, Vcc = 50V)
+/-25V tápod? Ha +/-50V akkor 100V-ot kell beírnid (hiszen a snubbert a teljes fesz terheli)
30 - 50V, én csak féltápra számoltam...
Kicsit újra komponáltam 2512 es tokkal. Jobb lesz így?
Azért érdemes leszimulálni is. Az előbbi képlet nagoyn közelítő értéket kap. A figyelsz a FET megfelelő sebességű be- és kikapcsolására, akkor eleve jóval kisebb lesz a disszipáció.
Nálam pl 220pF van 72V tápfeszre (teljes híd), és 10R 1210 tokú ellenállásokat használok, és tutik. Számold össze mennyi most a snubbered becsült plusz induktivitása (pár nH biztos megvan), és nyomd be szimulátorba. Ezzel pl megkapod a snubbered felső határát. Perzse próbaképpen érdemes megnézni snubber nélkül is, milyen tartományban van a "ringing". Esetek többségében pár MHz környékén. A hozzászólás módosítva: Dec 25, 2014
Megpróbálom, csak egyelőre sejtelmem sincs, hogy hogyan, de olvasgatok.
Viszont azt olvastam+írtátok is úgy rémlik, hogy a snubber kondi kapacitása 2x ese a kimenő kapacitásnak. Az én esetemben IRF5615 nél 175pF a kimenő. Nem lesz kevés 100pF? Csak akkor már a 2W os R is elkellene. Boldog Karácsonyt! A hozzászólás módosítva: Dec 25, 2014
Az hogy mennyi legyen a snubber kapacitása a gyakorlat /mérés/ fogja eldönteni. Saccolásra határoztuk meg azt a 100-200 (300)pF értéket.
MÉRNI KELL!
Akkor szerintem ha a nyák terv megfelelő egyébb szempontokból (is) akkor egyelőre maradna így. Legalább az első prezentálásig. Kipróbálni akkor nem kellesz, csak mégis felkellene mutatnom valami kézzelfoghatót. Aztán a kapott eredmények szerint haladnák tovább a csiszolgatással.
Másrészt, mivel SMD-ben építkezel, egymás tetejére is tudod forrasztani az ellenállásokat, ha szükséges. A nyáktervezéshez rengeteg segítséget ad az IR, célszerű alaposan átolvasni és értelmezni.
Sziasztok!
A túláram határt (IRS20124) milyen értékre érdemes/kell belőni? Először +/-30V ról fogom járatni aztán a felső határ +/-50V lenne.
Az IRFB5615-nél simán mehet 25A is. Nyilván a +/-30Vból nem fogsz kilowattokat kivenni, 4 ohmos terhelést feltételezve állítsd be 10-12A-re.
A hozzászólás módosítva: Jan 4, 2015
Köszi! Rendben, én is valahogy így gondoltam.
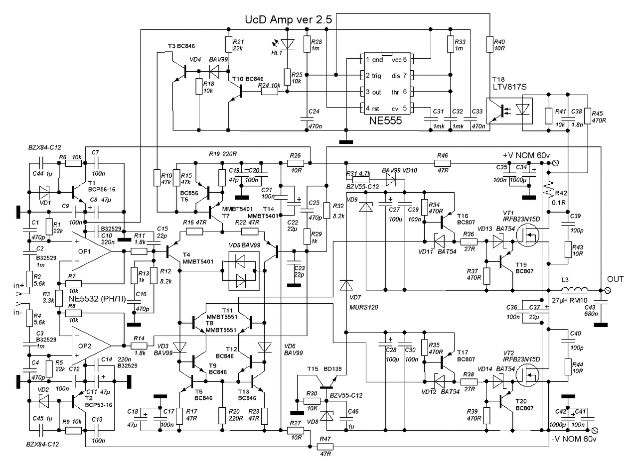
Sziasztok.Megtudná valaki mondani hogy ezen a rajzon a kitöltés hol állítódik be 50-50% ra?Meg csináltam,de nálam kb 20-80% áll be.
Ha minden jó benne, akkor vezérlés nélkül be kellene állnia 50%-ra. Ha nem áll be, akkor sok minden előfordulhat. Nézd meg a kép opamp kimenetét, nulla feszültségen kellene lenniük. Esetleg lehet kis DC a kimeneteken, de egyformáknak kell lenniük, különben ezt a különbözetet vezérlésnek látja a végfok és erre csinál egy valamekkora DC-t a kimeneten. Ráadásul a 20- és 80%-ra jó nagyot. De lehet mindenféle egyéb baja is. Szerintem, válaszd le elsőre azt a két opampot, bemérni csak a végfokot be lehet ezek nélkül is.
Mivel ez egy SE végfok, és ott a negatív visszacsatolás, akkor ha nem kap valahonnan egy DC-t, akkor 50-50%-on kellene lennie.
Ugye a bemenet differenciális, az opamp is egy differenciális erősítő, tehát én R11, R12 R13, R29, R32 tagokat nézném át. Ha itt van difi, akkor fordulhat elő, hogy az opampoktól DC-t kap. De 20%-ra elég durva DC-t kell kapnia.
Kivettem,ugyan az a jelenség.Mielőtt írtam már próbáltam,de nem hozott eredményt.
Meg ezeket össze kéne legalább 1% ra válogatni akkor ezek szerint.Nálam nincs de mindjárt mérek.
Szkópold végig, bár mivel DC, ide egy multiméter is elég lehet. Mérd végig a DC szinteket.
Sziasztok,nagyon hosszadalmas és kimerítő topik sikeredett a class-d erősítőkről,kíváncsi lennék néhány fórumtárs véleményére az erősítők minőségét tekintve! Vegyünk 3 kapcsolást alapul,egy tas5630,egy tda7293/94,és a harmadik a hobbielektronikán publikált,lorylaci és Ge Lee által szerkesztett kapcsolás.Biztosan van itt olyan aki mindhármat hallotta szólni,és kíváncsi lennék milyen sorrendbe raknátok őket.Nem mérések,hanem a hallott hangminőség alapján!Tudom hogy ezek közül az egyik class-ab,de szerintem egy ilyen tesztben elfér,pláne hogy nekem is tda7293- van,és ez a hasonlítási alapom.
A T4 en ronda négyszög forma,a T14 a kitöltéssel módosított szinusz jel van.Akkor a T4 körül keresem a hibát.
|
Bejelentkezés
Hirdetés |














