Fórum témák
» Több friss téma |
Hali!
Tesztjelet úgy adtam neki, hogy a pic 2 és 6-os lábát összekötöttem. (Ahogy a leírásban volt) A kapcsoláson két féle jelgenerátor van az egyik a ventis a másik autós. A progi nem változik.
De azok csak jelformálók a pic számára. Pl. az autós levágja a tüskéket, meg nem enged nagyobb feszültséget a picnek, a ventillátoros meg egy tranzisztort hajt meg. SZóval szerintem a kapcsolás változtatás nélkül csak egyik hez használható. Pl. ha pic 1 jelre vesz 1 fordulatot, akkor ha autóhoz akarod használni, akkor frekifelezőt kell használni, hogy a kijelzett érték ne legyen a valós kétszerese. Ezért kérdem, hogy te mekkora frekis jelet adtál neki, mert abból meg lehetne tudni, hogy hogy számol.
Üdv.
Ez a PIC elbírja ha 2cm magas 7 szegmenses kijelzőt teszek rá?
Igen, elbírja csak halványan látszanak a számok. De majd megeresem a kapcsolást, ki kell bővíteni pár tranyóval és akkor jó lesz. Majd felteszem a rajzot.
Hali!
Csatoltam a javított kapcsolási rajzot. Két program készült hozzá az egyiknél ha egy impulzust kap a jelbemeneten akkor egy fordulatszámot mutat, a másik program úgy íródott, hogy a megszakítóról kapja a jelet. !!mindkét esetben a signal input elé kell tervezni egy jelgenerátort!! Mert a pic max 5V-ot kaphat a signal inputon is.
Hello. Mekkora CE áramot kell elviselni minimum a tranzisztornak? BC547 elég lenne ide?
Valaki már kipróbálta, és tényleg erősebben fognak égni a LED-ek??? És hol található meg az a másik program a pic-be, amelyik a megszakítóhoz való? Esetleg feltennéd ide? Jelformálónak megfelelne, ha a tacho.atw.hu oldalon lévő autós jelformálórészt használnánk ide? Üdv.
Sziasztok!
Segítséget szeretnék kérni! Van egy kétütemü 4 hengeres csonakmotorom és erre szeretnék késziteni analog fordulatszámmérőt! A kérdésem az hogy hol találok ehhez valamilyen kapcsolási rajzot! Kőszi mindenkinek!
És még egy utolsó kérdés
Ha ezt a progit fogom használni, akkor ugye nem kell szorozni a kijelzett értéket 10-zel, hogy a valós értéket kapjam meg? Üdv. és kössz
Hali! Én úgy tudom, hogy ez direkt megszakítós jeladóra íródott...
Sziasztok.
A segítségeteket kérném, van egy digitális fordulatszám mérőm, ami 4hengeres motorokhoz való. Ezt szeretném rákötni egy 2hengeres motorra.Gondolom a hengerek számából adódik, hogy a műszer nem a megfelelő értéket fogja mutatni.Kérdésem az lene, hogy milyen átalakítással, eszköz közbeiktatásásval lehet a valós fordulatszámot megkapni.
Négyhengeres hányütemű, kéthengeres hányütemű?
Enélkül nem megy
hagy kérdezem már meg hogy,ha a generátorra akarom kötni a fordulatszámmérőt nem pedig megszakitóra akkor milyen elektronikát kell épitenem hozzá a digitálishoz meg a ledes hez is
Kipróbáltam azzal a progival, de ugyanaz, csak ezt még szorozni kell 10-zel is. Valaki nem tudná átírni a progiját, hogy ne kelljen frekvenciafelezőt használni a bemenet előtt, szóval a fele értéket mutassa???
szia! Négyhengeres négyüteműre való a fordulatszámmérő, és ezt szeretném 2hengeres 4ütemű motor esetében használni, úgy hogy a fordulatszámmérő a valós fordulatszámot adja.
Nem egyszerű... De megoldható.
4 henger, 4 ütem esetén minden fél fordulatra jut egy gyújtóimpulzus, ez alapján jelez ki a mérő. 2 henger, 4 ütem esetén csak egy-egy fordulatonként lesz gyújtás, így a mérő a valós érték felét jelezné. A feladat tehát az, hogy a bejövő impulzusok számát meg kell duplázni (már ha a mérőbe nem akarunk belenyúlni). Volt egy téma korábban, kétütemű motor méréséről, ott mintha taglaltuk volna, mit lehet tenni. Egyik lehetséges mód olyan áramkör készítése, ami mind a megszakító nyitásakor, mind a zárásakor ad egy-egy impulzust (ha elektronikus jeladód van, akkor megszakító helyett arról beszélek, nyitás-zárás helyett meg jelről vagy nem jelről). Ennek a módszernek a hátránya az, hogy nem lesznek közel sem egyformák az impulzusok közti idők. A másik lehetőség kicsit talán bonyolultabb, de a lehető legoptimálisabb. Egy apró procit beépítve mérhető két gyújtóimpulzus vagy jel közti idő, és az utolsónak mért idő felénél a proci önállóan ad egy "jelet" a mérőnek, gyújtáskor meg mintegy másolja azt. Így maximum annak a fele a tévedés, amennyit két gyújtás között változott a fordulat, magyarul észrevehetetlen. Szóba jöhet még külön jeladó (pl. Hall-szenzoros) beépítése is, megfelelően fogazott tárcsára illesztve minden varázslat nélkül a jó értéket mutatja az óra, csak ezek a megoldások általában nem férnek el sehol.
Üdv Mindenkinek!
Megépitettem JosePino fordulatszámmérőjét, de az oldalon - http://www.josepino.com/pic_projects/index.php?tachometer2.jpc - a képeken a kijelzők fényesen világitanak, mig az enyémre ez nem mondható el (zárt térben tűrhető). Csak a bejelentkező szöveg elég fényes. Kiegészitettem tranzisztorokkal, jobb lett, de még mindig kevés. Mértem áramot: 1,3mA 0 kijelzésnél egy kijelzőre -> kevés. Aztán észrevettem, hogy a bejelentkező szöveg vibrál, mig a számok nem. Frekimérővel a szövegnél kb 60-110Hz-et, a számoknál 4,3 kHz-et mértem. Az már majdnem folyamatos, de akkor miért olyan halvány. Ekkor átvizsgáltam josepino algoritmusát és úgy vélem, megtaláltam a kis fényerő okát. Fényerőt növelést az algoritmus módositásával lehetne eszközölni. És ennyi körités után itt a fő kérdés: Ha én a C-ben megirt algoritmusban változtatok valamit, milyen programmal tudom assemblibe (.asm) forditani a programomat, hogy aztán a PIC-be lehessen majd irni? Honnan tudnék ilyen forditó progit szerezni? Ti, kik programot irtok PIC-be, hogyan csináljátok? Előre is köszi a segitséget! Üdv: Zolika
Én is megépítettem azt fordulatszámmérőt, és nekem is nagyon halvány. Ha meg tudnád csinálni a programban azt a változtatást, akkor a .hex et majd közkincsé tudnád tenni? Sajna én nem értek a progizáshoz.
Üdv.
A C-kódú forrásból már nem lesz asm, hanem kell hozzá egy olyan környezet, ami hex-et generál belőle. Ilyen pl. a PICCLITE (több nem jut eszembe, én asm-ben szoktam).
Köszi a tippet!
Tegnap ránéztem a netre és találtam egy demo verziót ebből a programból, most a leirását olvasgatom. Úgy látom, a C algoritmust le kell mentenem C builderrel .c-be, és ezt már tudja kezelni a PICCLITE. Zolika
Sziasztok!
Szerintem össze kéne foglalni a tapasztalatokat, és végre egy JÓL működő verzióval megörvendeztetni fórumos barátainkat. Szerintem a többség 4ütemű 4hengeres motorhoz szeretne kapcsolást 2x16os LCDvel. Tehát: - tuti kapcsolás - tuti forráskód ...és utána jöhet a "mit hova kössek, hogyan-mivel programozzak" kérdések. Joci.
HI!
Kiderült az algoritmusról, h. ugyan C-ben van irva, de bizonyos rutinok hiányoznak belőle, igy pl. a késleltetések, várakozások. Ezért nem lehet olyan egyszerűen megnövelni az egyes szegmensek világitási idejét, ezzel a fényerőt. A megszakitást ha megtalálná az ember a hex-ből visszaforditott asm-ben, és találna ott időmérésre utaló dolgokat, akkor esetleg volna esély a módositásra. JosePino tachometer II oldalán alul vannak kommentek, abban olvasható, h. más is észrevette ezt a \"halványságot\", és felvetették egy LCD-s megoldás igényét, ezt válaszolta rá: \"Jose Pino wrote: I will start developing the version 3 that uses LCD (so it will be seen on daylight), I will fix the sensitivity issue. \" Tehát ő is tudja, h. nem látható nappali fényben. Várjuk a fejlesztést! Zoli
Szóval akkor ha tranzisztorokat ikatunk be, akkor se lesz sokkal erősebb, világosabb?
Üdv.
Ha csak a közös anódra/katódra rakunk tranzisztort, az nem növeli eléggé a fényerőt. A kijelző rész táplálását külön kell választani a PIC-től --> kell egy kijelző meghajtó.
Én most az ULN2003AN "IC"-vel próbálkozok, ha van eredmény, majd beirom. Üdv: Zoli
Sziasztok!
Megvan az eredmény. Sikeres volt a próba az ULN 2003 AN IC-vel. Nagymértékű fényerő növekedést sikerült elérni ezzel az átalakitott áramkörrel (csatolmány)! Én nem használtam előtét ellenállást, igy ha csak 2 szegmens világit (1-es számjegy kijelzés), akkor az egy szegmensen folyó áram majdnem 20 mA! (Nem kell attól félni, h. tönkremegy a kijelző, mert egy számjegy világitási ideje a másodperc töredéke, igy jóval nagyobb áramot elvisel). Mindenkinek sikeres utánépitést! Üdv: Zoli sziasztok! nem tudja vki ,hogy a szocimotorosok oldalán feltüntetett fordulatszámmérőnek mi a baja?mert eddig csak 3 embernek írtam ,de nem válaszoltak!(cikk írója,honlap szerkesztője ,cikk írója´)
Hello
Azt szeretném kérdezni, hogy tudnál esetleg videót készíteni a fordulatszámmérőről működés közben? Nem baj, ha csak telós lenne. Az ULN2003-as IC 9-es lábát nem kell bekötni sehova sem, a földre sem? Én ha megépítem, akkor autóba szeretném beszerelni. 4017-es IC-vel felépített frekvenciafelező szerinted megfelelne, hogy a ford.mérő ne a valóságos érték dupláját mutassa? Amúgy a signal-t a kocsi megszakítójáról venném, persze zeneres feszstabilizátor után menne a PIC-re az impulzus. És mindenki nevében köszi szépen, hogy dolgoztál vele, és közkinccsé tetted
Szia!
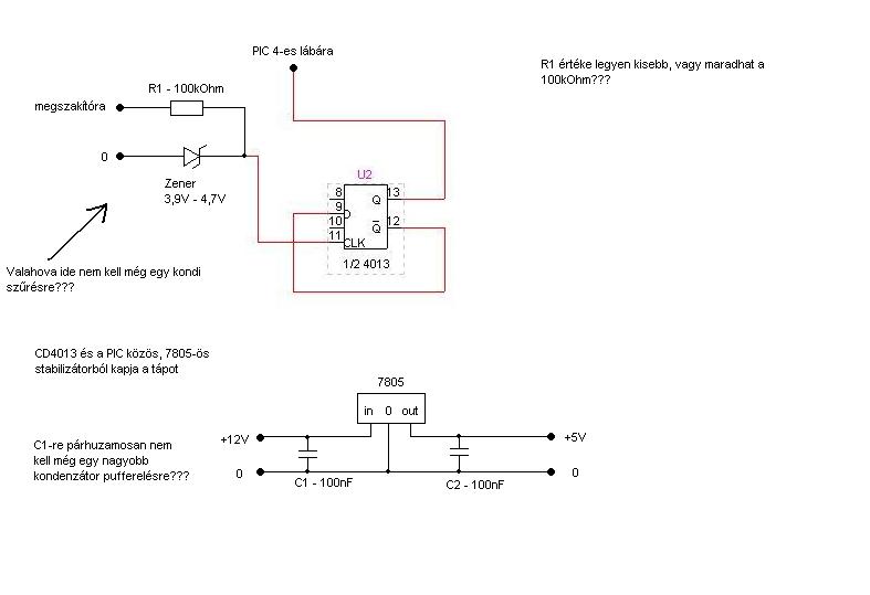
Csinálok videót a régiről is meg az újról is, jöv. héten felrakom. Az ULN2003AN 9es lábát nem kell bekötni sehová. Frekvenciafelezőnek jó a 4017, de szerintem egyszerűbb, célszerűbb a 4013as ICvel megcsinálni. (link szerint) A bemeneti jelformálón még dolgozok, mert a wartburgunkba gyakran megáll/újraindul a PIC, olyan sok zavaró jel van. (lehet hogy a tápot kell még jobban szűrni) Üdv: Zoli freki felezős kapcs
Hello
Előre is köszi a videót, már nagyon kiváncsi vagyok rá. Mellékelek egy rajzot, megfelelő lehet ez így??? Üdv. |
Bejelentkezés
Hirdetés |












