Fórum témák
» Több friss téma |
Fórum » PC táp átalakítás
Amit korábban gondoltam billenő komparátoros áramkorlátot, az jobban tesztelve és átgondolva abban a formában nem működik.
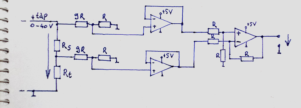
Kitaláltam azonban egy másikat, ami elméletileg jó, összerakva is látszólag működik, de sajnos erősen korlátozott a felhasználhatósága. Az alábbi három közül az egyik nem teljesülhet: – kis sönt (0.1 Ohm alatt), – nagy mérendő fesztartomány <> alacsony IC tápfeszültség, – elfogadható alsó érzékenység (legalább egy amper). Nálam mindnek teljesülni kell (0.01 Ohm sönt, legalább 40 Volt, 5 V IC táp, legalább 1 amperes alsó határ), ezért nem alkalmazhatom. És akkor a kapcsolás. A pozitív ágas sönt két részéről lejövő feszültséget egy osztó csökkenti mondjuk tizedére, hogy a műv.er. tudjon vele mit kezdeni. Ezt egy-egy feszültségkövető kapcsolás stabilizálja, hogy az osztó ne zavarja meg a következő fokozatot. Ami pedig egy kivonó kapcsolás, vagyis a kimenetén megjelenik a két feszültség különbsége, azaz a sönt árama abszolút feszültségként. Ami a gyengéje, hogy az elején nagyon le kell osztani, hacsak nem olyanok a körülmények, hogy ez elkerülhető. Ha elkerülhető, akkor nincs is szükség sem az osztásra, sem a két követő részre, egyből mehet a kivonóáramkörre. Viszont ha erősen le van osztva, akkor a kis értékű söntön eső feszültség nagyon alacsony lesz már, alig érzékelhető egy átlag IC-vel. Pontos árammérésről már szó sem lehet. Viszont például +-20 Voltos tápnál, ezeknél nagyobb IC tápfeszekkel, nagyobb áramokra jónak tűnik. (Mondjuk a szimmetrikusra átalakított PC táp két ágára, max korlátnak.) Nekem meg marad akkor a hall-os árammérős korlát, meglátjuk, mennyire jó. Áram kijelzésére pedig egy negatív ágas sönt a panelműszerhez. (A rajzról lemaradt egy ellenállás, mindjárt pótlom.) A hozzászólás módosítva: Dec 22, 2014
Van + ágba rakható IC is, söntre.
És akkor a rajz.
Ferci: melyik az? A hozzászólás módosítva: Dec 22, 2014
Úgy emlékszem, LM7301 talán.
A hozzászólás módosítva: Dec 22, 2014
Na közben kicseréltem a megégett R13-at. Sokat bénáztam vele. Először beforrasztottam helyette egy 100R x 2W-osat. Még jó, hogy biztonságból megmértem a kiszedettet, mert kiderült, hogy nem is 100, hanem 1500 ohmos volt! Rossz a kapcs. rajz.
Nosza, kiszedtem a már beforrasztottat, erre levált a réz. Káromkodtam egy jót, de megoldottam, alulról átvezettem az ellenállás lábát és közvetlenül a diódáéhoz forrasztottam. Ráadásul nem volt 0.6W-nál nagyobb 1.5k-s ellenállásom, így 2x680 ohmmal oldottam meg. Kicsit gányul néz ki sajnos, de működik.Megmértem egyébként, és így R13-ra jelenleg összesen 26.6V jut (plusz esetleg még vmi váltóáramú összetevő), az kb 0.5W. Ez alapján nem kellett volna az előzőnek megpörkölődnie, mert 0.6W-osnak nézett ki.
Valahogyan meg kellett volna állapítani a színkód alapján az értéket.
Köszi, de ez már ott elbukik, hogy ritkának mondható és (ezért) nem olcsó. Marad az ACS712.
Egyébként variáltam. Ugyan nem használtam még Arduinot, de felbuzdulva az árán, rendeltem is egy Nanot és elkezdtem megtanulni az alapokat. Nem tűnik vészesnek. Szóval lehet, egy ilyennel lenne a legjobb megoldani. De ha nem is ezt, akkor majd a következőt. Elég gyors ez ahhoz, hogy egy rövidzár esetén azelőtt lekapcsolja a TL494-et, hogy a táp elhalálozna? Pár számolás van csak, 16 MHz órajelű, a táp meg mondjuk 50 kHz és ott a puffer, fojtó.
Codegen 400 W, trafó szekunder két szélére raktam egy 25 amperes greatz-et, teljesen jó itt is, sőt jobb is, mint a gyári schottky. Nem az első alkalom, hogy mezei diódát rakok kapcsolóüzemre gond nélkül.
Fojtónak olyan 40 menetet raktam az eredeti ferritgyűrűjére. Üresjárat: 52 V. Ez a táp 100 ohmos terhelés mellett így 43 Voltot tud a kimenetén, függetlenül a puffer nagyságától. (0.43 A, 18.5 W) Alacsonyabb, 10 Volt körüli feszültségen olyan 10 amper, amit kibírt, ez 1 ohmos terhelés, de 1000 µF pufferrel nem tudta már tartani a feszültséget. Ez kevesebb, mint 100 Watt. 10 Volt és 0.5 Ohmos terhelés viszont sok volt neki, annyira, hogy úgy mentek át zárlatba a meghajtó tranyók, hogy az üvegcsöves bizti fel is robbant. Ez így 20 amper (a kimeneti rész vígan bírta), vagyis ha tartotta volna a feszültséget is csak 200 Watt. Ez nem túlzottan acélos, hisz egy 230-as vargányából ki lehet venni olyan 4 – 5 ampert 12 Voltnál, csak az egyik ágon..
Tönkretetted a tápot az általános diódákból felépített gréc híddal.
Szerinted miért használnak a tápegységekben gyorsdiódákat, és schottky diódákat..?
Üdv mindenkinek!
Van egy Vargáné és társás tápom , de nem tudom bekapcsolni. Elvileg ugye az alaplapi csatlakozóból a zöld kábelt kell a földelni, de ha ezt csinálom, csak megmoccan a venti, meg ciripel egyet a táp, de be nem kapcsol. Mit csinálok rosszul?
Azt csinálod rosszul hogy nem veszed elő az ESR mérőt és nem méred vele végig a kondikat, főleg a segédtápban és a vezérlésben lévő elkókat. Az semmit nem jelent ha nem púpos egy kondi attól még lehet rossz.
Meg azt sem tudni hogy átalakítani vagy javítani akarod, utóbbira van külön topik. Ha meg átalakítani akkor ahhoz én máshogy szoktam hozzáfogni. Először megcsinálom az átalakítást, és csak utána javítom mert a szekunderből rengeteg dolog ki lesz dobálva. Ha nem működik a segédtáp akkor azt is meg kell javítani, vagy kidobni és adni a vezérlésnek külső 12V-ot. Onnan meg már a szkópon látszik hogy mi megy meg mi nem. A zöldet rajta is kell hagyni a negatívon, nem csak hozzáérinteni.
De ha visszarakom a gépbe, akkor rendben bekapcsol. De van helyette másik, az megy PC nélkül is.
Idézet: „A zöldet rajta is kell hagyni a negatívon” Nem, nem a negatívon, hanem a nullán. Én elképzelhetőnek tartom azt is, hogy nincs meg a minimális terhelés valamelyik ágon, és túlszalad feszültségben, ezért kapcsol le a táp. Bár ennek nem sok az esélye, és nem emlékszem ilyen tápra.
Üdv!
Ahogy szucsip írta, azért nem kapcsol be, mert nincs meg a megfelelő terhelés. Amúgy én ezt a "márkajelzésűt" nagyíveben elhajítanám jó messzire, de legalábbis PC közelébe biztos nem vinném. Hírhedt egy tákolmány. Nagyon szeret megdögleni és ilyenkor vinni is szokta magával a gép egyes részeit is.
Hello!
Érdekes, de a táp 2001-es most van 2015, és soha semmi gond nem volt vele. Szerencsére. Úgy is bontásra van ítélve a gép is...
Annyi idő pont elég arra hogy kiszáradjanak az elkók. Egyébként ha jó akkor terhelés nélkül is pont ugyanúgy kell működnie, de ha már a kondik nem látják el a feladatukat akkor nem úgy fog.
Piszok mázlista vagy!
![]() Amúgy igen, terhelés nélkül is mennie kellene, de ez egy Vargáné és Társá táp. Szóval bármi lehetséges. Egy szép idézet ezzel kapcsolatban: Idézet: „Már mindenki tudta, hogy fent említett elkövetők tápegységeikkel ölik a PC-ket. Ennek ellenére nagymennyiségű számítógépbe került a halálos tápokból. Első ránézésre persze semmi baj sincs ezekkel a tápegységekkel. Csakhogy a tápegységeket nem nézni kell, inkább mérni. Persze elsőre mérve is jó, és még működik is. Aztán megszalad a táp, viszi a PC-t!” A hozzászólás módosítva: Jan 2, 2015
Az a nagyobbik gondom, hogy nincs ESR mérőm, de szerintem nem ér annyit ez a táp, hogy kondikat cseréljek benne.
Egyébkén 2009 óta állt kihasználatlanul. De lehet, hogy Szucsipnak van igaza, és azért áll le a táp, mert nincs terhelve, viszont ha a Pc-ben van, akkor kapja a megfelelő terhelést, ezért elindul. De azért köszönöm a segítséged.
olvastam anno én is, a jó öreg Béka...
Sziasztok! Valakinek megvan esetleg az a cikk, ami itt volt a HE-n, amiben le van írva részletesen, hogy hogyan lehet átalakítani egy PC tápot labortáppá? (én nem találom itt az oldalon
) Jelen esetben egy LOGIC IBP-200W régi, AT-s tápból szeretnék labortápot faragni. Nincs szükségem szimmetrikus tápra, nekem olyan 25V és max 2A-re lenne szükségem. (ennyit tudott a régi, gyári labortápom is, ami sajnos elhalálozott, és hála a kis ferdeszeműeknek egyetlen műgyanta kocka a táp vezérlő panelje, szóval a javítása felejtős ) A régi tápom 0-25V-ig tudott 200mA-2A-ig szabályozható áramkorláttal, és a közel 10 év alatt, amíg működött, ez a tratomány nekem mindig elég volt. Az átalakításra szánt tápban egy DBL 494-es IC van (gondolom TL494 klón). Ha valaki csak egy kapcsolási rajzot tud adni, vagy egy vázlatot az átalakítás elvéről, akkor már magam is meg tudom csinálni.
Hmmm...
Érdekes, ha Ctlr+C Ctrl+V-vel kimásolom a cikk címét, és beillesztem a keresőbe az oldalon, akkor nem találja.... Hálásan köszönöm
Hát sajnos halott ötlet ebből a tápból labortápot csinálni, 17V-nál feljebb nem tudom tornázni a feszt, mert a fölött elkezd egyre erősebben világítani a hálózattal sorbakötött égő...
Talán valami mással lesz ott a baj. Nem melegszik a szekunder oldalon valami söntszabályzó féleség?
Semmi nem melegszik egy 150 Ohmos ellenállást leszámítva, ami a 12V-os ággal párhuzamosan van.
24V-hoz több kell a figyelés átalakításnál. Vagy a trafó szekunder tekercsének párhuzamos szálait kell szétbontani és sorba kötni, vagy a szimmetriát feladva át kell alakítani a kimenetet és nem testhez képest lesz +/-12V, hanem 24V a kettő között.
Az az érdekes, hogyha nem a 494 referencia lábán állítom a feszt, hanem a kimeneti osztót módosítom, akkor akár 29V-ig is felmegy, de ha a cikk alapján csinálom meg a feszültség szabályozást, akkor 17V a plafon, és akkor már nagyon ciripel a táp. Nem kínlódok vele, találtam egy egyszerű kapcsolást ua723 IC-vel, nem kapcsolóüzemű ugyan, de az egyszerűbb, és biztonságosabb.
Ha nem rossz az a táp és terheled közben, hogyan gondolod, hogy a primerbe izzót is teszel?
Leesik a primer puffer meg minden, miből dolgozna rendesen? Az az izzós módszer csak tesztre való.
Terhelésről szó sem volt, a multiméteren és a tápban gyárilag bent levő 150 Ohm-on kívül semmi nem terheli a tápot.
Közben elkészültem a 723-ra épülő labortáppal, elsőre szépen indult, és tökéletesen működik, a kapcsolóüzemet hanyagolom még egy ideig, amúgyis idegen nekem egy kicsit, a mai kudarc pedig még azt a hangyányi kedvemet is elvette a kapcsolóüzemtől, ami eddig volt.
|
Bejelentkezés
Hirdetés |






Nosza, kiszedtem a már beforrasztottat, erre levált a réz. Káromkodtam egy jót, de megoldottam, alulról átvezettem az ellenállás lábát és közvetlenül a diódáéhoz forrasztottam. Ráadásul nem volt 0.6W-nál nagyobb 1.5k-s ellenállásom, így 2x680 ohmmal oldottam meg. Kicsit gányul néz ki sajnos, de működik.
, de nem tudom bekapcsolni. Elvileg ugye az alaplapi csatlakozóból a zöld kábelt kell a földelni, de ha ezt csinálom, csak megmoccan a venti, meg ciripel egyet a táp, de be nem kapcsol. Mit csinálok rosszul? 
) Jelen esetben egy LOGIC IBP-200W régi, AT-s tápból szeretnék labortápot faragni. Nincs szükségem szimmetrikus tápra, nekem olyan 25V és max 2A-re lenne szükségem. (ennyit tudott a régi, gyári labortápom is, ami sajnos elhalálozott, és hála a kis ferdeszeműeknek egyetlen műgyanta kocka a táp vezérlő panelje, szóval a javítása felejtős
Érdekes, ha Ctlr+C Ctrl+V-vel kimásolom a cikk címét, és beillesztem a keresőbe az oldalon, akkor nem találja.... Hálásan köszönöm





