Fórum témák
» Több friss téma |
Teljesen egyet értek. Nem szabad bele nyúlni. 100 Ft ért veszek csatlakozót és rádugod az eszközt monósítva. Én gitároztam is így rádión! Szép rádiód van, vigyázz rá!
A hozzászólás módosítva: Jan 24, 2015
Köszi a gyors választ. Félrefogalmaztam az elektronikai részéhez nem akarok hozzányúlni még véletlenül sem akarom elrontani, mert gyönyörűen szól.
Valamelyik bemenetre szeretném rácsatlakoztatni a jelet, de nem tudom melyikre szabad pontosan mit kötni és milyen átalakítóval, úgy hogy se az mp3-lejátszó se a rádióm ne sérüljön. Kell hozzá valami áramkör vagy elég csak egy jack csatlakozót összeforrasztani egy másik dugóval és kész? A bluetooth modult is jacken keresztül kötném csak rá, hogy úgy működjön mint egy vezeték nélküli hangfal.
Nem tudom miért "jack" -ozol. Az is csak egy csatlakozó fajta a sok közül. Semmit nem definiál, a méretein kívül, olyan jelek lesznek benne, amilyeneket rákötsz.
A rádiónak gyárilag van DIN csatlakozókon elérhető bemenetei, a szintek nagyjából azok, amelyeket egy MP3, telefon kimenetéről levehetsz. Minkét hangforrás nagyjából a lemezjátszó szerepét tölti be, és mint ilyen "egyszerű" átdrótozással (persze szakszerűen, árnyékolt vezetékkel) megoldható a problémád. A lemezjátszó bemenet valamivel érzékenyebb, mint a magnetofon csatlakozóban levőé, úgyhogy ezzel is tudsz játszani. A rádió azonban monó, így a csatlakozókba is monó jelet köthetsz, így az összekötő kábel adapternek tartalmaznia kell egy sztereó- monó átalakítót is, ami gyakorlatilag 2 db 2 kohm körüli ellenállást jelent.
Nem ragaszkodok a jack-hez viszont jackes fejhalgató kimenetelt szeretnék elsősorban rákötni. Kipróbáltam az "egyszerű" átdrótozgatást viszont nagyon halkan szól. Neten böngészve megtaláltam, megtaláltam mivel működhet. Viszont nem tudom hol lehetne hasonló audió trafót venni.. Bővebben: Link
És köszi a segítséget elég amatőr vagyok a témában mint látszik
Jack azért kellhet mert azzal csatlakozol a modern kütyüddel a külvilághoz.
Utána pedig 3 vagy 5 pólusú tuchel dugót kell az árnyékolt vezeték másik végére kötni. A rádió hátulján megnézheted milyen csatlakozó van beépítve ... Esetleg jobb minőségű képet is tehetsz fel ide. Akkor abbol látnánk mi is van nálad, a képről látszódjon az is , hogy pictogrammok,feliratok vannak a csatlakozók mellett.Úgy könyebben tudunk segíteni. A tuchel dugó kb 20 mm átmérőjű és 3 v 5 csap van elhelyezve a kerülete mentén. Aljzat esetén pedig lyukak. Mindkettő alsórészén van egy félkör ivű megvezető . többféle tuchel alj és dugó vannak más elrendezésűek is ez ne zava...n meg A hozzászólás módosítva: Jan 25, 2015
Itt vannak képen a csatlakozók. A tuchelnek viszont sehol semmi jelölése nincsen.
Kapcsolási rajz van hozzá? Esetleg fogható freqvenciák tartománya?
A rádiódon nem tuchel van, hanem egyszerű banánaljazat. De a második képen mi van? Az minek a csatlakozója?
Kapcsolási rajz előző hozzászólásaimban megtalálható. Számomra igencsak bevállt ezért már párszor megépítettem különböző héjakban, gyakorlásképpen.
Köszönöm ,megtetszett az egyszerűsége,így gondoltam én is nekifognék.
Az egy a rádió hátuljából kilógó vezeték végén lévő csatlakozó aminek semmi jelölése nincs. Én erre mondtam, hogy tuchel. Úgy láttam a középső nagy lyukra viszont nincs semmi rákötve csak a fenti háromra.
Az bizony egy 3p DIN (tuchel) lengő mama. Ha nézed a fényképet, a felső a test, a jobbszélső a bemenet, a balszélső a kimenet, de lehet az is bemenet, ha csak lemezjátszó csatlakoztatására készült. Vagy szerezd meg a kapcsolását a linkeden szereplő oldalon regisztrációval, (valószínűleg fizetős) vagy kövesd vissza a hangerőszabályzó, lemezjátszó kapcsoló, EABC rács környékén. De ha megérinted a feltételezett bemenetet egy vékony csavarhúzóval, vagy mérőcsúccsal, akkor berregnie kell.
A hozzászólás módosítva: Jan 25, 2015
Kipróbáltam már és a balszélső volt a bemenet. Csak egyszerűen egy mobilból jövő jelet kötöttem rá de nagyon nagyon fel kellett hangosítanom ahhoz, hogy normál hangerőn szóljon (nem túl szépen). És igen egyedül fizetős regisztrációval lehet megnézni a rajzát, sehol nincs fent.
Sziasztok!
Ha minden igaz akkor, hamarosan hozzájutok egy SDR vevőhöz. Elméletileg 24-1700Mhz-ig tud majd venni. Ehhez szeretnék egy konvertert építeni, amivel fel tudom vinni a 24Mhz alatti tartományt a készülék által vehető tartományba. Nézegettem rajzokat, sajnos egyenlőre mixer IC-t nem tudok szerezni. Négylábú oszcillátorom az lenne hozzá. Esetleg valamilyen egyszerű, de használható, tranzisztoros mixerrel meg lehetne oldani? A hozzászólás módosítva: Jan 26, 2015
Konverterbe az NE602 vagy S042 ic.-ket ajánlom.
DBMel jobban jársz.
Csak az aktiv 50-100 MHZ oszci kell neki meg a megfelelő alul/felül áteresztő szűrők. egy a sok közül A hozzászólás módosítva: Jan 26, 2015
Igen, ilyen IC-kkel egyszerű lenne. De sajnos ilyesmi nincs a sarki boltban. De rádiófrekvenciás tranzisztoraim lennének.
Nem tudom, hogy esetleg miből lehetne kiszedni ilyen IC-t? A rádió és TV-tuner-ekben is tranzisztorok vannak.
Minden sarkon van mindkettő. Itt is lehet kapniBővebben: Link
Itt a másik, igazán baráti áron, postán is megrendelheted.
Igen az alkatrész ára valóban baráti. Viszont az utánvételes postaköltség, már nem igazán szokott az lenni.
Szóval akkor tranzisztoros kapcsolással, elfogadható eredményt elérni, nem lehet? Még szétnézek itthon, de gondolom, hogy az újabb digitális TV, rádió tunerekben sincs ilyesmi?
SAT beltériben találhatsz ilyeneket. Kétszeresen kiegyenlített keverő+oszcillátor SA602 SA612 ugyanaz NE tipusjelöléssel, S042 ULN1042 lengyel
A hozzászólás módosítva: Jan 28, 2015
Sziasztok!
Szeretnék építeni egy UHF frekvenciáról lekeverő konvertert. A weben találtam egy ígéretes lehetőséget: http://oldradio.tesla.hu/szetszedtem/045ue100adapter/ue100doksi.htm A bal oldalon lévő 2 db hangolt kört kivéve nem tudom biztosan, hogy mire való a többi rezgőkör. Valaki írja le legyen szíves. Csináltam már konvertereket alacsonyabb frekvenciákra, azok egyszerűbbek voltak ,meg persze nem önrezgők. Segítségeteket köszönöm Ferenc
Szia !
Ez a konverter egy fix bemenő UHF csatorna frekvenciát kever le a VHF sáv 1-12 valamelyik csatornájára. A bemeneten 2 körös hangolt UHF sávszűrő , a kimeneten VHF rezgőkör. A kettő között önrezgő keverő kapcsolásban egy tranzisztor. A hozzászólás módosítva: Jan 29, 2015
Köszi az infót!
A tranzisztor bal vagy jobb oldalán van a helyi rezgést előállító rezgőkör?
A tranzisztor jobb oldalán egy egyenes vastag vonal a végén a hangoló kapacitás.A valóságban is az UHF rezgőkörök induktivitása egy-egy egyenes kb 4 cm hosszú 1 mm vastag
ezüstözött rézhuzal. Vagy alsó vagy felső keverést alkalmaznak attól függően a kimeneti jellel magasabb vagy alacsonyabb az oszcillátor frekvenciája. A hozzászólás módosítva: Jan 29, 2015
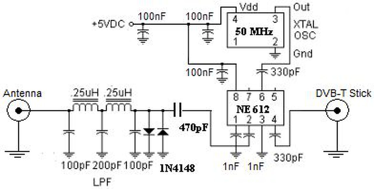
Szuper, a régi beltérimben találtam is egy NE612N-est. Illetve akkor van még egy 45 és egy 80Mhz-es aktív kvarcom. Sima kvarcom is van, de a legnagyobb 26,6Mhz-es.
Melyik kapcsolást ajánljátok? Ez megfelelne?
Elvileg működhet , a bemenetén aluláteresztő szűrő van. A pontos vágási értéket számolni /mérni kellene.
A 45 vagy 80MHz-es modul jó lehet hozzá , a modul KHz-re pontos frekvenciája kicsit függ a tápfeszültségtől egy rt évkönyv alapján. A hozzászólás módosítva: Jan 29, 2015
A kapcsolásban annyi hiba van, hogy az ic maximum 300mV oszcillátorjelet fogadhatna.
A 26.6 MHz-es kvarc is jó, de egyrészt nehéz levonogatni fejben a kijelzett értékből, másrészt a bemeneti aluláteresztő szűrő elnyomása nem elégséges a tükörfrekvenciák kizárásához. Azaz érdemesebb lenne 50MHz, 100MHz kvarcot (vagy oszcillátort) beszerezni. De szerintem építsd meg nyugodtan a 26.6MHz-s kvarcoddal, későbbiekben meg kicseréled, ha gondolod. A bemeneti tekercsek gyári induktivitással is építhetők.
Kipróbáltam a 45Mhz-es kvarccal, bemeneti szűrő nélkül. A bemenetre (1 láb) 220pF kondival illesztettem az antennát. A kimenetre (4-es láb) 35pF-ossal mertem kötni a tunert.
A Kossuth rádió 45,540Mhz jött, eléggé pontosan. Nem tudom, hogy az ilyen csatolásokat, hogy méretezzem. Jó lenne ha vevő tunere túlélné. Ezekről az aktív kvarcokról nincs adatlapom. Gondolom a tápfeszültsége 5V lehet. A kimenete lehet, hogy van akár 3V is. Akkor oda még egy feszültségosztó is kellene? |
Bejelentkezés
Hirdetés |




Valamelyik bemenetre szeretném rácsatlakoztatni a jelet, de nem tudom melyikre szabad pontosan mit kötni és milyen átalakítóval, úgy hogy se az mp3-lejátszó se a rádióm ne sérüljön. Kell hozzá valami áramkör vagy elég csak egy jack csatlakozót összeforrasztani egy másik dugóval és kész? A bluetooth modult is jacken keresztül kötném csak rá, hogy úgy működjön mint egy vezeték nélküli hangfal.








