Fórum témák
» Több friss téma |
Mielőtt kérdezel, a következő két dolgot ellenőrizd!
I. A helyes tápfeszültségek megléte.
II. A kimeneten van-e egyenfeszültség.
Élesztés.
Hali mindenkinek!
Igen, fekete alapon piros csík a kábelen, negatìv, piros kábel a pozitív. Ezeket tudom, és mindig kétszer megnézem hogy jól csatlakoztatom-e. A hangdobozok sérülés mentesek, a hangszórók is nagyon jó egészségnek örvendenek. Amúgy már megrendeltem Reloop által megjelölt kondikat, és még pluszba a táp puffereket is. A cserére váró kondenzátorok pedig ki lettek forrasztva. Majd kiderül a beépítés után, hogy valóban a kondik voltak e a ludasak.
Ha csak multi van kéznél legfeljebb még annyit meg tudsz nézni, hogy szétszedett állapotban a puffer kondik lábainál mérsz egy üresjárati feszültséget (Volume 0), valamint ugyan úgy, de a lehető legnagyobb basszusos hangerőnél is (Volume max) . Így kiderül mennyit csökken a tápfesz igénybevétel esetén. Csak úgy kíváncsiságképp.
Szóval forrasszam vissza mind a tíz elkót, és mérjem meg?
EzekbŐl mit tudnék építeni?
Tda1562sdcu --- 2db Tda8566qcu --- 1db D10xb60h94 Erősítőt szeretnék építeni. És ezek szerintetek alkalmasak hozzá?
Áh, mindegy akkor hagyd annyira nem fontos. Csak egy esetleges opció, kíváncsiságból mit tud.
Hmm. Mondjuk nem mondasz hülyeséget, inkább mégis kipróbálom az eredeti kondikkal, így legalább ha valóban azok mentek gallyra, akkor legalább lesz egy kizárásos hibaforrás.
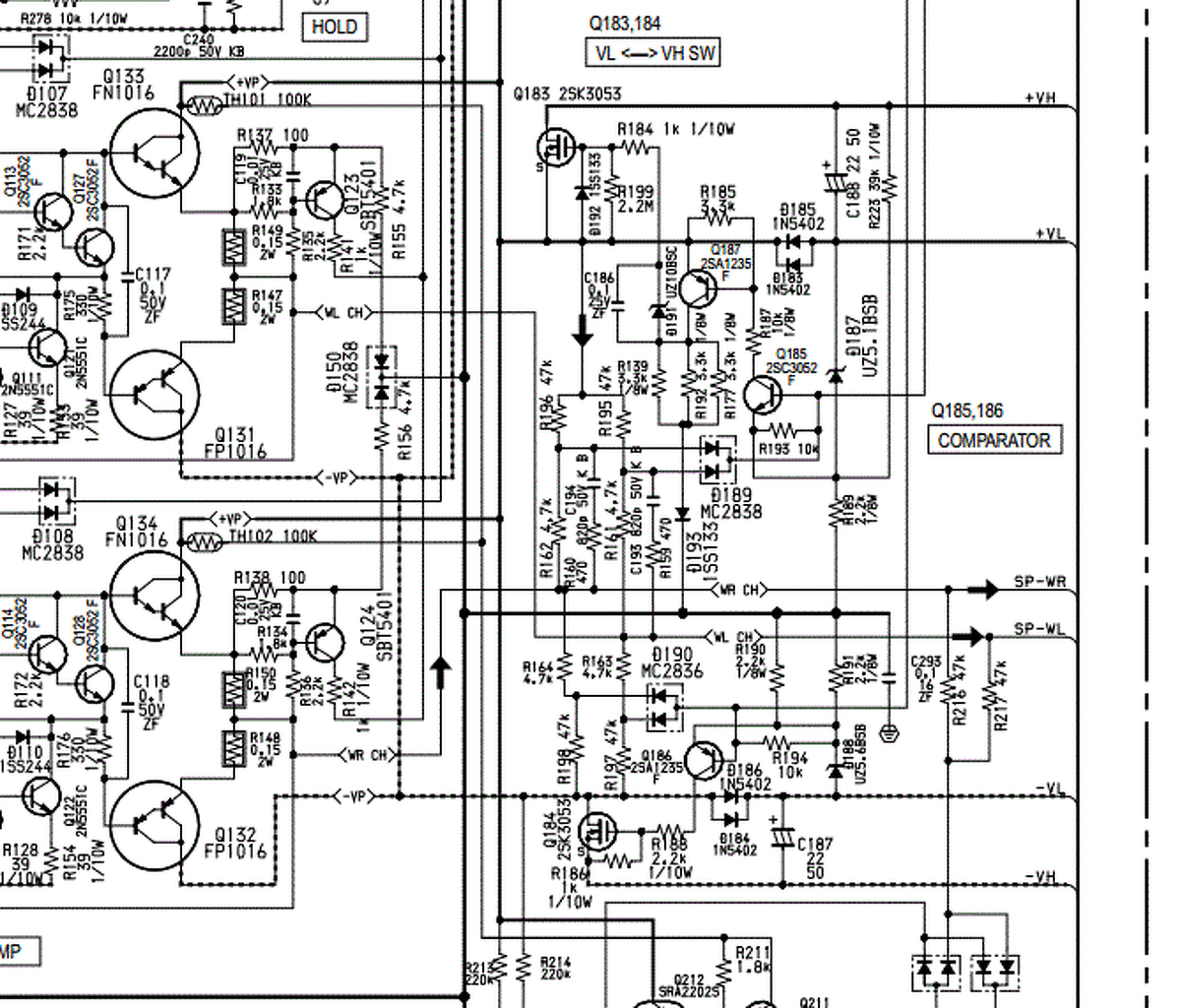
A tápesés vizsgálata csak stabil mérőjellel ajánlott, mert mint a mellékelt ábra mutatja a ±20V és a ±40V között a négy csatorna egyesített kimeneti amplitúdója határozza meg az átkapcsolást. Az alacsony és a magas táp közül egy időpillanatban csak az egyik van terhelve, műsorjel esetén a mérés eredményéből könnyen hibás következtetést lehet levonni.
Szia! A TDA IC-k adatlapjai leírják milyen passzív alkatrészekkel kell őket kiegészíteni, a harmadikként említett egyenirányító pedig a terhelhetősége határáig felhasználható a hozzájuk készülő tápegységhez.
Üdv!
Visszaforrasztottam az összes kondenzátort a helyére. A nulla hangerõ, és a max hangerõ közti egyenáram különbség mindössze 0,5V legalább is a multi szerint. Na jó, tegyük fel elhiszem. Viszont az hogyan lehet, hogy az egyik graetz, amely a 40V-ot adná, a multi szerint 85V-ot ad le ráadásul stabilan?? Szerintem nem jó a multim, vagy igen? Új elem van benne.
Ja! Ez a fél voltnyi külõnbség a puffereknél volt mérve.
Terhelés volt az erősítőn? Műterhelés vagy hangdoboz?
A tápfeszültséget a testhez képest mérjük, úgy is van megadva.
Mint említettem a műsorjeles mérés eredményéből nem lehet érdemi következtetést levonni. A pufferek kiszáradása elég kis valószínűségű, ezért ajánlottam, hogy a csatoló kondik cseréjével érdemes kezdeni.
A hangdobozokkal lett meghajtva, Aux-on egy sok basszust tartalmazó zenével. Viszont van egy észrevételem. Max hangerõnél jócskán visszavesz abból a kevés mélybõl is amit kiad, de erre vonatkozó információ nem jelenik meg a kijelzõn, hogy esetleg maga a rendszer vette volna vissza a mélyet. Torzítani nem torzított maxon se.
Egyszerre csak egy csatornát vizsgálj! Pl. külső forrásnak csak az RCA-ját csatlakoztatod. A kettő közötti különbség is mutathat valamit.
Sziasztok, tanácsot szeretnék kérni, a következő probléma megoldásában. Van egy Philips PicoPix mini projektorom, aminek a fülhallgató kimenetét összekötöttem egy Bose SoundLink Mini Bluetooth hangszóró AUX bemenetével. Az a probléma, hogy a fülhallgató kimenetén kicsi a jel, és ezért a Bose hangszóró nagyon halkan szól. Gondolom, hogy egy (elő?)erősítőt kellene közéjük tenni. Tudnátok javasolni valamilyen kipróbált megoldást, ami elemről is elmegy?
Köszönöm, ProM
Csak az egyik RCA-ját... így lett volna pontos.
Rendben. Egy kérdés. Ha az erõsítõ panelján a kis kondi (2,2µF 50V) nem bipoláris, akkor szabad-e ugyanolyan értékü bipolárissal kicserélni? Csak mert találtam két ilyen bipolárt 2,2µF 50V-osat egy autóhangszóró csipogóján.
Amúgy kipróbáltam úgy is hogy a két csatornát külön, de én õszintén szólva nem hallottam különbséget.
Ezek a hangszórók más erősítővel kellő intenzitással leadják a mélyhangokat? Nehogy vizet kezdjünk el gereblyézni
![]() A tapasztalat azt mutatja, hogy a végtranzisztorok környezetében lévő csatoló elkók a működéssel járó melegedés hatására viszonylag hamar elveszítik a néveleges kapacitásukat, így az átviteli sáv alja egyre föntebb kerül. Az már ritkább mikor ez a két csatornánál egyszerre jelenik meg, de ki sem zárhatjuk. A polaritás jelzés nélküli kondenzátor természetesen megfelel.
Szia! A projektoron felvetted a teljesen a hangerőt?
Szia! Egy olyam kérdésem lenne, hogy szerinted a Crescendo Millenium erősítőn megduplázhatók e a 2sk1530 2sj201 páros, vagy ahhoz már a meghajtó tranzisztorokat is cserélni kell, vagy egyáltalán nem kivitelezhető ez?? Crescendo millenium
Vagy esetleg tudsz olyan végfokot ajánlani ami ezt a szinvonalat hozza 4 audio mosfettel vagy jó minőségű tranyókkal? A cél 150W 8ohm-on.
Szia! Erre gondolsz?
Igen, tegnap elõvettem a szekrény tetején porosodó 20 éve nem használt Tesla Moderato 1037 A-1 típusú rádiós lemezjátszónkat, reménykedve hogy még müködik. Nos, mindkét 110W-os hifi hangdobozt rákötöttem a csupán 10W-os öregre. A rádió sajnos süket, így rátettem valami rock,n,roll bakelitet. És akkor szó szerint azt mondtam, hogy atyaúristen! Ilyen szép basszust még nem hallottam ezekbõl a handobozokból. Ha fél hangerõnél többet adtam rá akkor már tisztán látszott hogy az egyébként mozdulatlan mélyhangszórók erõteljesen kilökõdnek, persze ügyeltem hogy meg ne öljem õket. A hangszórók és a Tesla erõsítôje is 4 ohmos.
Ez hasonló minőséget produkál mint amit belinkeltem? Alkotó nem ezt készítette el?
Egy srófra járnak ezek, azonos topológia. A témájában ezt találtam.
A 150W/8 ohm-hoz számításaim szerint csak a tápfeszültséget kell 65-70V-ra emelni, a MOSFET-ek duplázása nem szükségszerű, csak ajánlott.
A készülék kezelőszerveit még nem tanulmányoztam. Ott esetleg nem lehet valami sávszűrés bekapcsolva?
Minden esetre a kondicsere egy hibalehetőséget ki fog majd zárni.
Hát én ezen a Bass és Trebble/Middle potin kívül egyéb hangzásjavító lehetõséget nem találtam. Viszont csináltam egy kis tesztet. Csak az egyik 2,2µF kondit cseréltem ki a bipolárra, ennek eredménye: az egyik csatornán megjelent a másiknál valamennyivel teltebb basszus, de még mindig nem az igazi. Nem új bipolárt forrasztottam be. Szóval Neked van igazad, és remélem az új kiskondik és pufferek visszahozzák a mélyhangokat. Köszönök mindent!
Na lehet most lehet félre értem, de akkor a meglévő Crescendo Millenium erősítőm képes lenne egy pár mosfettel 150W-ra 8ohm-on tápfesz emeléssel? Csak kisebb inpedanciát nem vilselne el a nagy áram miatt, ha nem duplázom a fet-et?
Egy olyan dilemmám van igazából, hogy szeretném a híd tda házimozit valami komolyabb végre lecserélni, ehhez elég lenne akár a crescendó millenium szimpla párral mert ugye a házi mozi 80-hez alatt a különálló LFE csatornán dolgozik igy a 90W- is irdatlan lenne csatornánként, de szeretnék egy ugyan ilyen minőségű vagy még jobb duál monót készíteni kb 150W 8ohm-al, és a két milleniumhoz már csak 3 oldal kéne. Nagyon jó vég ez a millenium ezért gondoltam a duplázásra, de Te otthon vagy a végek terén ezért is hozzád fordulok, ha esetleg jobb ötleted lenne a dual monohoz örömmel venném. A két óriási frontomból iszonyat szép hangot és velőt rázó dinamikát hoz ki a 90W töredéke is, igazából a felvett 70W-os üresjárati fogyasztása a két oldalnak nem változik akkor se még amikor már szabályozza a szívverést, tehát nem azért szeretnék ilyet mert nem lenne elég, csak a kiváncsiság hajt, meg hogy kipróbáljak még ennél is jobbat ha lehet ennél egyáltalán jobb. Régen SAL-os hangszórókkal építgettem, aztán váltottam egy magasabb kategóriára már nem térnék vissza rá hiába kerül 4-5-ször annyiba. A dupla teljesítmény igazából azért kéne mert adott egy óriási front (30cm-es 23Hz rezonancia frekvenciás mély, két 18cm-es mélyközép és ehhez egy erős és piszok drága selyem dóm), ami így csak egy félkarú óriás. Egy szó mint száz ha tudsz esetleg egy minőségi kapcsolást a Crescendón túl ami 150W-ot tud, és szerinted nagyon jó minőségű legyszives oszd meg velem Nem baj ha drágábbak az alkatrészek.
Szia, igen a projektoron maximumon van a hangerő, a hangszórón szintén, de így is nagyon halk. Ugyanez a hangszóró Buetooth-on meghajtva gyönyörűen, és nagyságrenddel hangosabban szól.
|
Bejelentkezés
Hirdetés |





Köszi! 





