Fórum témák
» Több friss téma |
Fórum » PIC programozás
Szóval kétszer megépített ugyanazt a hulladékot, és csodálkozol, hogy nem működik. Olvass már egy kicsit utána a fórumon a jdm égetőnek, és építs tisztességes égetőt!
A -10V az rendben van.
Sziasztok!
Pár napja kezdtem el foglalkozni PIC-ekkel és sajnos elakadtam. Tudna valaki segíteni? Az lenne a feladat, hogy PIC16f628A PIC RB0 lábán figyelni kéne a bemenetet. Ha alacsony szintre vált, RB5-ös lábat pár másodpercre magasra állítani, a pár másodperces időzítés után pedig visszakapcsolni. Ezután figyelni RB0-át, amíg alacsony szinten van, ne történjen semmi, ha ismét magasra vált, kezdődjön minden elölről. A problémám a következő: valami miatt nem kapcsol vissza nekem RB5 az időzítés lejárta után. Tehát folyamatosan kint van a jel... Közlöm a kódot, hátha valaki tudja a megoldást. Bocs, ha hosszú voltam! LIST P=16F628A #INCLUDE "P16F628A.INC" __CONFIG _XT_OSC&_CP_OFF&_WDT_OFF ERRORLEVEL 1,-302 Timer1 equ 150 Timer2 equ 255 START bsf STATUS,5 movlw b'00000001' movwf TRISB movlw b'00000000' movwf TRISA bcf STATUS,5 movlw d'0' movwf PORTB cimke: btfsc PORTB,0 goto cimke movlw d'32' movwf PORTB call DELAY movlw d'0' movwf PORTB cimke2: btfss PORTB,0 goto cimke2 goto cimke
Monjuk a B port működését nem befolyásolja, de ha az A portot digitális ki-bemenetnek akarod használni, akkor le kell tiltani a komparátorokat is:
MOVLW 0x07 MOVWF CMCON Gyanús, hogy az a gond, hogy nincs letiltva az alacsony feszültségű programozás. A konfig sorba még tedd oda: _LVP_OFF Idézet: „Gyanús, hogy az a gond, hogy nincs letiltva az alacsony feszültségű programozás. A konfig sorba még tedd oda: _LVP_OFF” A 16F628-asnál a PGM az RB4-es lábon van így az LVP bekapcsolva hagyása ezt a programot nem befolyásolja. Egyébként gyakran elfelejthető az LVP, ezért tanácsos állandóra a konfig sorba betenni és mindig kikapcsolni, márha az ember nem használja.(Van olyan, aki használja )KipKap Mondjuk a működést ez sem befolyásolja, de movlw d'0' movwf PORTB helyett egyszerűbb a clrf PORTB vagy a movlw d'32' movwf PORTB helyett a bsf PORTB,5 utsítás.
Nem azért, hanem ha lóg a levegőben, akkor összeszed zavarokat, és összevissza resetel tőle a chip.
Köszönöm a válaszokat! Az LVP tényleg nem befolyásolt semmit a programon. MPi-c! Köszönöm a tanácsodat! Igazad van, valóban tömörebb kódot kapok, ha az általad ajánlott utasításokat használom, fogom is, csak elbb működne a program...
Utána ráérnék tisztítani... Egyszerűen nem értem, miért nem hajtja végre a PORTB nullázó utasításokat... Lehet, hogy végrehajtja, csak utána mindjárt vissza is állítja magasra??? Akkor viszont az 'RB0 magas-e' lekérdezésem nem jó?
Rögtön sírva fakadok! Miért a kapcsolóm felengedése UTÁN kapcsolja az RB5-öt és indítja a késleltetést??? Már megint mit toltam el?? Ötlet?
Egy saját tapasztalat, lehet hogy nem egyetemi megoldás, viszont a problémádat 1 percen belül megoldja ez a progi .Egyszerü dolgokra nagyon jó, mindent nemtud , de a 877-et már nemegyszer teleírtam vele. Bővebben: Itt találod
A német miatt, vagy az idegen alkalmazás miatt?
Ez egy olyan progi, amivel ilyen, hogy időzítés meg EEprom írás, lcd kezelés, set ,reset, uart, számlálók, logikai funkciók, alapműveletek byte-okkal, multiplexelés, össehesonlítás, stb... néhány percen belül meg van, és müködik. A progi tud angolul is. Ez nem homok szemekből vár építés,heteken keresztül, egy led megvillogtatása, vagy lcd-re néhány változóval napokig szórakozunk, nem mindenre, de sokmindenre jó. Kevesen ismerik, de nem csalódtam benne. Önerőből tanultam meg PIC-et programozni, de ez elsőre müködik,amit elképzelek és "lerajzolok". Nem csak ezt használom, de ez a leggyorsabb, és legmegbízhatóbb.
Sziasztok!
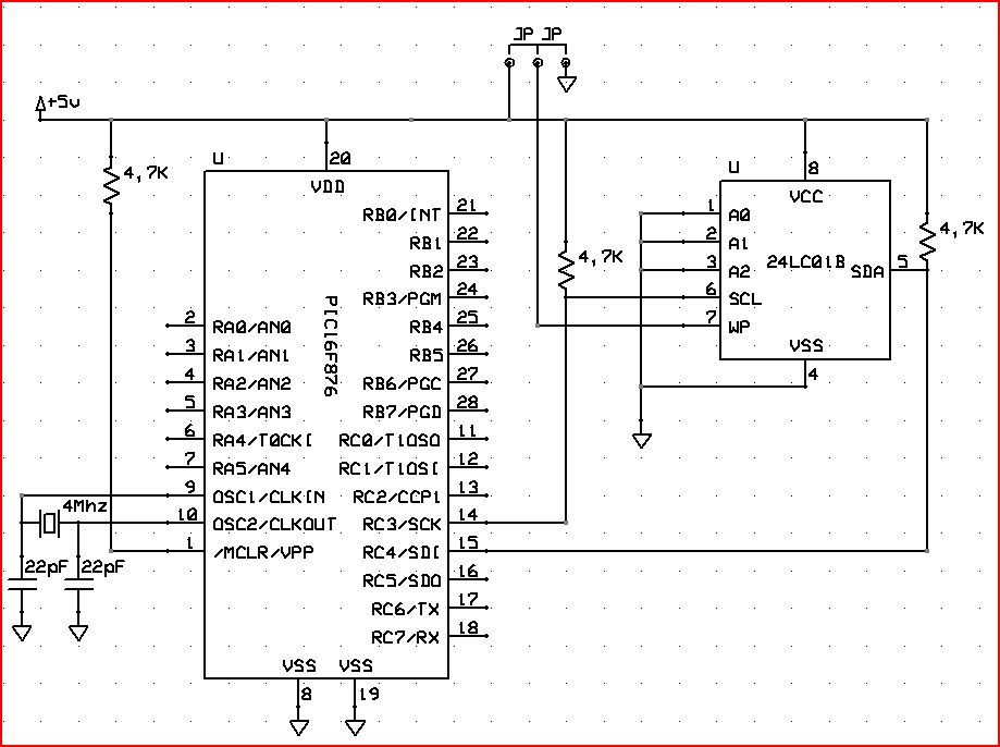
most kezdtem el programozgatni pic-t és lenne egy problémám. pic16f876hoz(4mhz-n jár) akarok kötni egy 24lc01b memóriát hogy az lcdbe a saját karaktereimet onnan töltes át a pic. ja és pbp-ben programozgatok. próbáltam először úgy hogy a scl és sda lábakat felhúztam 5Vre egy-egy 4,7K ellenállással, de semmi. beírás után kifele csak 16osokat olvasott. próbáltam csak simán, úgy meg csak nullák jöttek vissza. a scl-t a C3ra az sda-t a C4re kötöttem. már a memóriát is kicseréltem, de akkor is ugyan ez volt. biztos nagyon amatőr kérdés,de itt most elakadtam (ha esetleg "volt már ilyen...", akkor légyszi egy linket, mert legalább egy órát kerestem, de nem találtam) köszi
Első körben mi az a pbp?
Másodszor mutathatnál valami kódot, amiben meg kellene keresni a hibát, ne nekünk kelljen kitalálni a hibás kódodat!
A pbp gondolom Pic Basic Pro lenne.
Az SDA SCL lábakra kell a fehúzó. Címzés jól van beállítva az EEPROMon?
Használ valaki "oshon" pic basic-et.kéne egy ki segítség.
Nekiálltam valaminek de tul bonyolulttá vált menet közben. Van benne I2c RTC:pcf8583 ,I2c-EEprom, Hétszegmens kijelző 4 digit+Dp -MPX-, néhány bemenet 6db. A progi a kacifántos, már...
Ha rám hallgatsz akkor nagy levegőt veszel, kukába vágod az egész eddigi programozást, és kezdd újra valami értelmesebb nyelven. Pl. MikroC-n. Már ha a 16os szériát használod. Ha 18ast akkor meg szerintem egyértelmű, hogy C18ban. Ezt most nem rosszindulatból mondom. Nem rossz az oshon féle fordító, de nem való nagy projektre. Ilyen olyan csipcsup dolgokat megírni jó, de van egy projektméret ami felett nem célszerű a használata. De mindenesetre te tudod. Ha valami konkrét gondod van mondd, én szívtam vele eleget.
Jahh és ne próbáld meg az alábbi sztringet soroson küldeni 18F4520-al: "dn/i"
16f877-hez kell. Havonta 1-2 progit írok, ez nem sok és nem szereztem be "fejlettebb" fejlesztőket. Szerintem a progi "ezzel" is megírható, csak néhány példa kellene.
Pl: adatokat kell tárolnom dátumhoz rendelve, napi "3 műszak" beosztás szerint: 2byte hosszú szám (gép állásideje 0-480perc) , műszak sorszáma, és a hónap napja, hónap sorszáma. ezek műszak végén letárolva külső eepromban, ujabb letároláskor utolsó adat kiesik. 30 utolsó nap adata visszakereshető. Egy butább változatot csináltam régebben ami egy adatot tudott megjegyezni,és természetesen az időt is tudta kezelni.
Igen, PicBasicPro
kódrészlet: Define OSC 4 Define i2c_sclout 1 (ez csak akkor kell ha fel vannak húzva a lábak) j var byte aw con %10100000 ar con %10100001 i2cwrite PORTC.4,PORTC.3,aw,0,[2] pause 10 i2cread PORTC.4,PORTC.3,ar,0,[j] remélem valaki meg tudja mondani mit barmolok el
Ha a rajz szerint az eeprom WP lába a Vdd-hez van csatlakoztatva, akkor write protect működik, tehát írni nem tudod.
természetesen Vss-re van kötve, majd ha egyszer sikerül beleírni, akkor átteszem Vdd-re a jupmert
hali
Tud valaki "okosságot" a mikro Basichoz, elakadtam valamiben és ez lehet -megoldaná, ha nem csak lebutított lenne.... üdv
Kérnék tőletek egy kis segitséget PIC programozás ügyben.
Mindjárt ott kezdeném, hogy programozás ügyben teljesen kezdő vagyok és igazán azt sem tudom honnan induljak el. Égetőm van egy propic 2 meg egy ICD 2 azokat most raktam össze megy mindkettő. Elektronikai gyakorlatom, müszerezettségem stb.... van több is mint kéne. Csak a programozással vagyok annyira gázba, hogy ......szóval nagyon. Sok topicot végigolvastam arra már rájöttem, nem érdemes magasabb szintű programbyelvvel kezdeni, mivel a legegyszerübb talám assambly-ban megtanulni azt a 30-40 utasitást meg a paraméterezését. Meg akarom tanulni tehát meg is fogom, de kellene egy kis segitség vagy valami netről letölthető magyar nyelvű irodalom, ami számomra is érthető formában segit elindulni. Előre is köszi.
Itt van az az anyag, ami alapján én annakidején elindultam: Link
Illetve a PIC kérdések topik a terminál fórumon.
Köszönöm szépen, átrágom magam rajta aztán meglátjuk mire jutok vele.
Üdv!
Sikerült picet égetnem!!!! Karácsonyra kaptam egy PicKit2-t demo panellel és egy 16F690-nel és láss csodát: elsőre működött! Utána kipróbáltam a másik picemmel, egy 16F628A-val és az is ment! Boldog Karácsonyt mindenkinek és sikeres picezést!
Neten kóborolva PIC-es dolgok után találtam egy olyan segédletet amin kicsit fennakadtak a szemeim. Nagyon jó, aki PIC-el akar foglalkozni főleg kezdőknek szenzációs.
Érdemes megnézni, sőt érdemes állandóan használni ha programot akar valaki irni. Bővebben: Link
Helló!
Fontos kérdésem lenne. PIC16F916-t lehet programozni azzal a programozóval amivel a 628-t? JDM! köszi
Megnézed hogy a szoftver támogatja-e.
és ha azt tapasztalom hogy nem
![]() Hol tudnék erre a típusra találni vmi programozót ami tuti jó is, mert hát 3db PIC-em van(mind kell is) és nem is lehet kapni ezt a típust chipcad is külfőldről rendeli külön kérésre.
Tudna valaki tanácsot/segítséget adni , hogyan lehetne egy 16f84 programot 16f627-be adoptálni ?
Helló !
A mellékelt doksi szerintem megfelel neked. |
Bejelentkezés
Hirdetés |




Utána ráérnék tisztítani... Egyszerűen nem értem, miért nem hajtja végre a PORTB nullázó utasításokat... Lehet, hogy végrehajtja, csak utána mindjárt vissza is állítja magasra??? Akkor viszont az 'RB0 magas-e' lekérdezésem nem jó?







