Fórum témák
» Több friss téma |
Sajnos ma nem tudtam nekilátni a masinának,mert egész nap más sürgős javitásom akadt terepen.
Tegnap az igbt részt lebontottam és csak a vezérlőelektronikát vizsgálva a segédtrafó utáni grec +,- okra (egyenként) rákötöttem a labortápot 14V tápot adva,az áramát lekorlátozva 40-50mA -re,de nem tapasztaltam nagy fogyasztást. Arra gondolok,hogy esetleg az MJD122 bázisán van egy BZV55C16 zener ami nem jó és ezért nem nyit ki(amin keresztül kapja az UC a tápot).Ha pedig az UC nem megy akkor tuti nincs rendes meghajtás.
20V-al párszáz Ohm-on megküldve, rögtön elárulja magát, hogy jó-e?
Ma volt egy kis időm,és végigkövettem a vezérlés egy részét.
Arra a következtetésre jutottam,hogy az Awelco rajz nem teljesen azonos a BT-IW 150 felépitésével.Az Awelconál két relé van,nálam csak egy.A meghajtó IGBTken,diódákon kitvül mindent összeraktam,igy egy kicsit másképp állnak a feszültségek,mint amikor először vizsgáltam(mint részleges elektronikát). Az MJD122 itt másképp működik.Nálam az MJD emmiterje két felől kap tápot,mert amikor tápra kötöm,valahonnan kap 9v-ot,beleértve az UC3845-öt is és ami nem elég hogy az UC beinduljon,a bázisa pedig blokkolva van. Ha jol láttam, mindaddig amig a főtrafó be nem indul és a TIP122 emmiterjén nem jelenik meg a 24V körüli feszültség.Az MJD kollektorján 24V körüli fesz jelenik meg azonnal a bekapcsolással egyidőben.Ezek után feltételezésem szerint az inditó 9V feszültség lehet a kevés.Sajnos még nem deritettem ki hogy honnan ered ez az inditó feszültség. A hozzászólás módosítva: Feb 14, 2015
Ahogy van időm, lassan fejtem vissza a dolgokat.
Odáig jutottam,hogy kikövettem honnan ered az ominózus 9v körüli feszültség. Az awelko és a lenti rajzon is ugyan olyan módon van megoldva a táp egy 82Kohm-os/3W ellenálláson keresztül az egyenirányitott magasfeszről az L6386 (aminek 15-16v-nak kéne lenni) 4-es lábára ad tápot,ugyanekkor 10v körüli táp kellene hogy jusson az UC 7-es lábára. A gond valahol itt bujt el,mivel a 82k/3w ellenálláson nagyobb a feszültségesés a kelleténél.A 15-16v helyett 13,5-14V van,ebből kifolyólag az UC-n is kisebb a tápfesz. Összeraktam az egész gépet(az igbtkkel,diódákkal együtt),próbára becsapva az egész kapcsolást,az MJD kollektorjáról egy diódán és egy 390 ohmos ellenálláson keresztül szimuláltam a megfelelő tápot az UC-nek(10V körül).Ekkor az UC 8-as lábán azonnal megjelent az 5V ref feszültség,valójában valamelyest beindult az egész készülék,a szekunder kimeneten megjelent 50voltnyi feszültség is (terheletlenül mérve),de a főtrafó sipitása nem tetszik. Ha lesz időm,a következő lépésem az lesz hogy rámérek szkóppal az UC 6-os lábára (hogy milyen a pwm jel,meg milyen az L6386 kimeneti jelje. Az sincs kizárva,hogy maga az L6386-os is megzakkant és ez okoz minden gondot. Szerintem ha meglessz a túlfogyasztás okozója.helyreáll minden.
Szerintem is a 6386 kezd elmenni a zárlat felé, ezért a nagyobb fogyasztás, és gyenge kimenőjel. Ha a kimenő fokozat tranzisztorait jónak mérem, kapcsiból cserélem a 2 IC-t, mielőtt leveri a végfokot.
Kösz a megerősitést,van is egy L6386-osom egy régi javitásból visszamaradott darab(új).
Mivel holnap is rengeteg a munkám,kérdéses az csere időpontja,de majd jelentkezem a fejleményekkel.
Szia.
Próbáltam átforrasztani a lábakat, de sajnos nem tudtam kivenni a diódasort, mert nem tudtam rendesen felmelegíteni, (elviszi a hőt a hűtőborda)meg van vagy 30 lába. Érdekes problémát produkál és néha akkor csinálja amikor a dobozból előveszem mert használnám. próbáltam rajzot keresgélni hozzá, de semmit nem találtam.
Offolom, mert a modik mindig morcosak. Keríts egy megfelelő méretű fecskendőtűt, ami befér a láb és a furat közé. Köszörüld le a hegyes végét, egyenként melegítve a lábakat szerintem be tudod dugni és tökéletesen elválik a láb a fóliától.
Üdv mindenkinek!
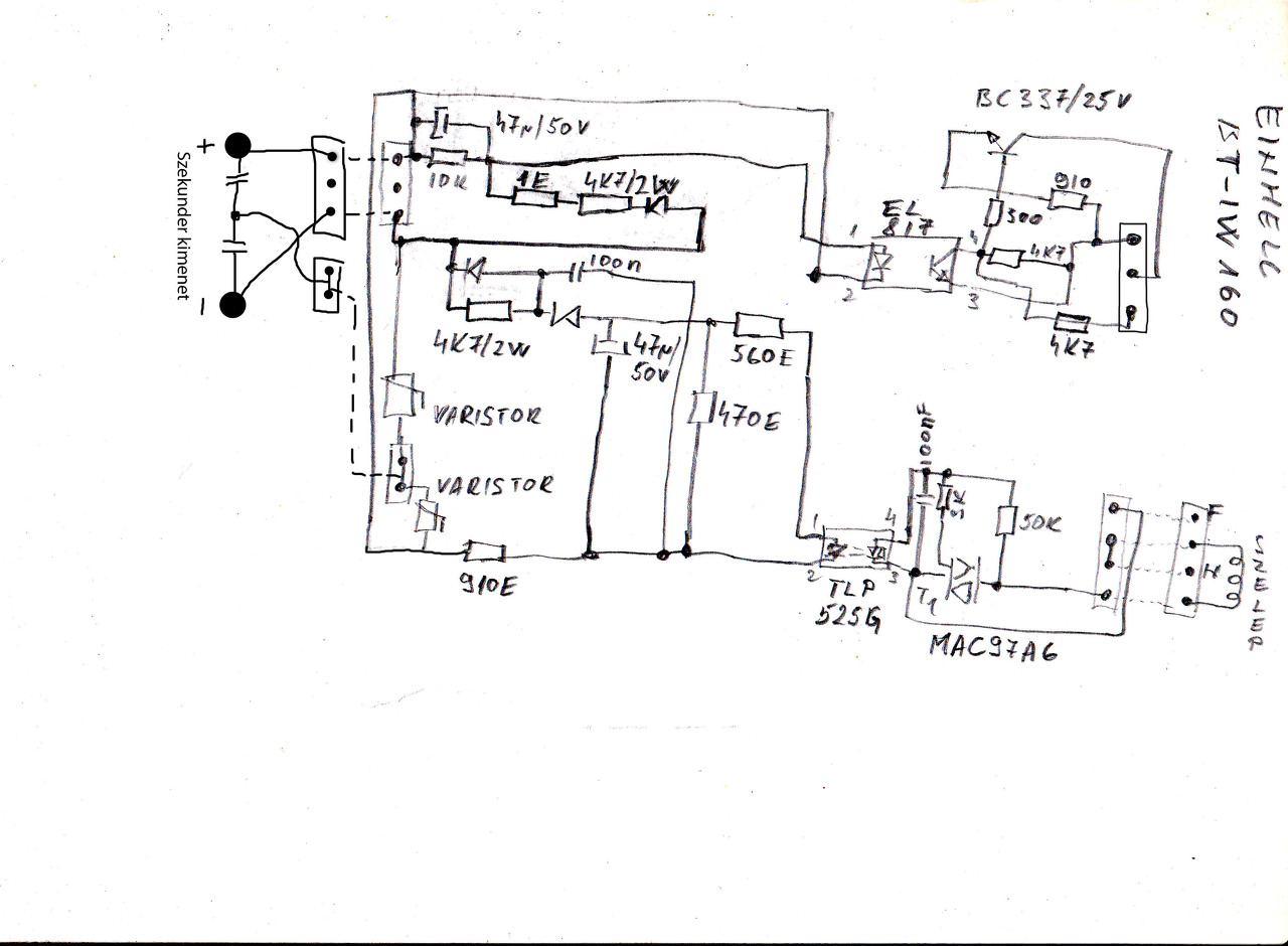
Az Einhell BT-IW150 inverteres hegesztőt pillanatnyilag pihentetem,de most van nálam egy Einhell BT-IW160 -as inverter,amiben elmentek a meghajtó igbt-k, 8drb zennerből 5 drba,persze a 47ohm/5w ellenállás,meg egy 15ohm/0,5w-os ellenállás (a 4-ből).Ez mind a primér igbt meghajtó részen.Ezeket mind kicseréltam,annak rendje - módja szerint,körbe néztem minden alkatrészt,de semmi más gondot nem találtam.Először égőn keresztül,majd rendesen a hálózatra kapcsoltam.a szekunder kimeneten 96V körülit mértem terhelés nélkül.Kicsit sokallottam,de mondok talán itt ez igy jó.Úgy tünt minden rendben.Ekkor következett a próba.Itt ért a meglepetés. Nehezen de begyujtja az ivet,de nagyon gyenge.Mintha valami letiltana. Vajon mi lehet még a gond?Találkozott valaki ilyen problémával? A hozzászólás módosítva: Márc 3, 2015
Csak hogy válaszoljak a saját kérdésemre,azt hiszem megtaláltam a bajt.
Egy nagy hűtőbordán van egy kb2,5cm-es dódablokk(két különálló diódával,és egyzik felől ide jön a fő ferittrafóról két vastagabb vezeték,a másik fele elvileg össze van kötve egy réz lemezzel,onnan megy ki a kimeneti csatira).Előttem ezt a gépet valaki nagyon megbarmolta,és az egyik csavart nem tette vissza a lemez hidalásba.Ez volt a gond. Amikor ujra összeraktam,a kimenőfesz 80V lett.szerintem ez már jobb. Most van áramszabályzásom is.
Azért a kisördög még továbbra sem alszik.
Még valami bajom van a géppel,mert mostmár hegeszteni hegeszt,de rövid hegesztés után kiolvad egy kis üveg bizti ami eredetileg 0,25A (egy fórumtárs jóvoltából tudtam meg utólag),előtte én lassan emelve 0,5A,2A végül emelve a tétet még a T 5A-es (lassú kioldású) biztit is betettem,de azt is kiőtte hegesztés közben.Ezen a biztin keresztül megy a táp a ventinek,meg (szerintem)a kis áramú vezérlő résznek,mivel a nagyáramó rész egy 30A-es nagyobb üvegbiztin keresztül kapja a kakaót. Folytathatom holnap a relytélyes hibakeresést. Esetleg valami tipp valakinek?
Hi Mesterek!
Segítséget szeretnék kérni. Lenne egy Cemont Colt 1300 nevű hegesztő. A viper50 nevezetű IC nyílt meg benne. A mellette lévő 12K, 23 pocizó jelzésű ellenállás pedig eléget. Kicseréltem az adott alkatrészeket, de semmi. Az IC-ig bejön a ~ DC 320V, kimeneten semmi. Van valakinek tippje mit érdemes még megnézni ami tönkre mehetett? Segítséget válaszokat előre is köszönöm. A hozzászólás módosítva: Márc 4, 2015
Én először a ventillátort nézném át, meg a vezérlő részben az elkókat.
Az X1 csati 9-es lábon nincs 18V-od?
Ha nincs meg a 18V,próbáld megkeresni honnan kéne hogy kapja.
Csupán hogy befejezzem a megkezdett témát,a hegesztő mostmár tökéletesen működik.
Próbaként elhegesztettem vele egy teljes pálca 4-es elektródát,és olvasztotta gond nélkül. A gép aljában (mindentől elzárva) van egy betáp filter,egy elég becsületes segédtrafó, ami AC 21,x voltot biztosit az elektronikának.Ez a trafó meg a hegesztő ventije (230voltos) egy 0,25A-es biztin keresztül kapja a tápot a főkapcsoló bekapcsolásakor.Az este rájöttem hogy van a gép alján egy különálló panel,aminek egy része szintén erről a kis biztiről táplálkozik(egy gázszelepet nyitogat valamikor).Na itt volt(van) valami gubanc.Mivel nekem ez nem kell,csak lazán leakasztottam ezt az egy csatit és láss csodát,a gépem tökéletesen muzsikál. A kézzel visszarajzolt (nem éppen szép,de most nincs kedvem szépitgetni) kis panelt lentebb mindenki megtekintheti,hátha még valakinek jó jesz. A hozzászólás módosítva: Márc 5, 2015
nincs kimeneti tápfesz. A tápot a vioer50 állítaná elő. Új lett berakva.
Minden ellenállást, kondenzátort, félvezetőt a környezetében kiforrasztva megmérni, kezdeném a C13-al.
Szia, Az a TIG/ AWI működéshez kapcsolja az argont, és szabályozza a post-gas folyást, miután megszűnt az ív. Lehet/biztos valami megnyekkent rajta, vagy a tekercs, ami visszahatott a kimenetedre.
Az biztos hogy a MCA97A6 kis triak nincs átütve.
Lehetséges hogy a TLP525 optó vacakol? Én is éppen azt tapasztaltam,hogy amikor vettem el a pálcát (aludt ki az iv) ekkor durrant minden alkalommal a kis üveg bizti. Bármikor bekapcsoltam és nem hegesztettem,sosem volt gond. Én csak azt nem értem,hogy a 0,8A triak nincs átütve,akkor hogy mehetett ki az 5A-es lassú kioldású bizti. Ha rossz a mágnesszelep,vagy zárlat van a szelep vezetéken,akkor tönkr kéne hogy tegye a kis triakot is.Ha pedig esetleg letestel akkor meg a Fid relét kellett volna hogy leoldja(mivel csupán 30mA-es).Ha jobban zümmög a légy már kilod,nemhogy 5A-nál semmi. Na de jelen esetben ezen funkciója nem érdekes(nem kell).
Szia, A 47µF és 470/560 ellenállás adja szerintem a késleltetést a triacnak. A TLP 525, és a EL 817 között csak annyi a különbség, hogy az elsőben dupla-dióda diac van. / mindkét félperiódusban adjon vez jelet a triacnak. Ha jól értelmezem a rajzot az 'F' a fázis lenne a szelep két kivezetése közötti pont, pedig a '0'. Én lehúznám a szelepet, s kipróbálnám úgy, kárt nem csinál, viszont meglátni, hol a bibi. Valamilyen kúszóáram, vagy impulzus-tüske jöhet létre, az veri ki a biztit.
Igen az F betű alatt a fázist az N betű pedig a nullát értem.
Erre én is gondoltam hogy kikéne próbálni csak magát a szelepet,simán 230V tápra kötve,csak az a bibi hogy már összeraktam a gépen és nehezen akaródzik ujra kicsomagolni egy próba végett. Eléggé sok most a munkám(más meló) na meg a műhelyemben sem ideálisan van megoldva a fűtés. Na de még vár rám a fentebb emlitett (befejezetlen) BT-IW150-es inverter,ami megizzaszt rendesen.Van egy 82K/3W ohmos ellenállás amin túl nagy a feszültségesés.Kivettem az L6386-os ic-t,meg az ellenállás és a minusz közé kötött 16V zénert(hátha ott nőtt meg a fogyasztás),de nem. Az az érdekes hogy az elektronika rész (16V körül kéne hogy legyen) kb 13,4v alatt 4mA-t fogyasz (segédtápról próbáltam),ha azon túlra emelem a feszt akkor hirtelen megugrik 25mA-rre a fogyasztás(aminek nem volna szabad,szerintem) ha abból indulok ki hogy kb. 310V/82000=0.0038.Nagyjából 4 mA. Az orosz fórumokon is keresgéltem már(amennyire értem őket),ez a ketyere az Awelco minire hasonlit a legjobban.Sajna rajzot nem teláltam.ami megkönnyitené a dolgomat. A hozzászólás módosítva: Márc 7, 2015
Szia, A Zener mellett látok egy másikat ami az anti-sticking-re megy, ha a Q9P tárlatos, az is lehúzhatja a 16V-ot.
Az orosz oldalakon találtan több jóminőségű képet,meg rajzrészleteket találtam feszültséggel jelölt pontokkal, és péppen én is arrafelé kezdtem gondolkodni,hogy talán az anti-sticking szólhat bele valami módon.Néhány kép
Üdv mindenkinek!
Uraim jó hirrel szolgálhatok.Beindult a BT-IW150-es inverter.Hogy mi volt a hiba?Nevetséges.Elrepedt a forrasztás egy D3 jelzésű diódánál.Csupa véletlenül vettem észre mérés közben,méghozzá úgy hogy amikor a műszer mérőhegyét nekitoltam a jó kontakt érdekében,lerepült a lapról az egész dióda.Amikor visszaforrasztottam,azonnal beindult. Az UC3845 tápnál mgjelent a 15,3V,megvan a ref 5V is,a venti tápja is beindult(24V),meg a szekunder kimeneten is azonnal megjelent 57V üresjárati feszültség. Még nem pakoltam vissza a dobozába,meg nem teszteltem,de remélem mostmár rendben lesz a gépezet. A képeken látható a D3 jelzés.Mielőtt összeraknám,azért kiváncsiságból lekövetem hova vezet ezen ominózus dióda,mivel a birtokomban lévő rajzokon a jelzés alapján nem találom. A hozzászólás módosítva: Márc 9, 2015
Szia, Na ez jó hír! Én is jártam már így, hogy a lakkréteg alatt nem láttam a fólia repedést. A FET-eket vagy harmadjára cseréltem, mire egyszer beállt a hiba, s ki tudtam mérni. Mikor bemelegedett, repült a FET, de mire szétszedtem, minden rendben volt. A melegre annyit nyúlt a fólia, hogy épp szakadt lett, a fetek, összenyitottak... Bumm.
Igéretemhez hiven az egészhez annyit még hozzátennék,hogy az ominózus dióda(ahol a hiba volt) a (Q101P) TIP122 kollektorjára megy.
A gépet összeraktam,kipróbáltam és szépen dolgozik.Lehet vele tovább termelni. A hozzászólás módosítva: Márc 10, 2015
EPS Energi@130-as gépben a kivezetéshez hozzá volt ragasztva egy vékony kerámia panel. Tele van SMD alkatrészekkel. Leejtés következtében ferdén kettétört. Még nem szedtem ki, de a javítása szerintem reménytelen (majdnem). Mielőtt alaposabban beleártom magam, be lehet-e szerezni valahonnan ezt a panelt? Elég régi gép, nem igazán bízok benne.
Képeket majd később, mert az akku annyira futotta, hogy a képek elkészültek, de a számítógépre már nem tudtam áttenni. Az többi akku meg ugye mindig akkor üres, amikor szükség lenne rá. A hozzászólás módosítva: Márc 12, 2015
A zöld jelölésben jól látszik, hogy a kis panel derékban "elhajolt".
Szia, Ráguglizva sajnos a rajzát nem találtam. Csak egy ilyen képet. Meg egy jó-pár felrobbantat. Ez is a komplett vezérlő szerintem, ami nyilván nem csereszabatos semmi mással. A kerámia, meg a rágőzölt sávok, nem forraszthatók semmivel. A panelt látszólag az előlapi csatlakozó nyomta meg, jó nagyot eshetett. Talán, ha őket felhívod, tudnak mondani valamit. Én Írben élek, itt ha a bizti kiment, már megy a kukába....
Szia Béla!
A kerámialap hátulján van egy típusjelzés, légyszíves írd le milyen jelzésű a panel. |
Bejelentkezés
Hirdetés |





















