Fórum témák
» Több friss téma |
Fórum » Tina
Előző hsz.
A proliét meg azért nem nyitja meg, mert ő biztosan a 9 -es verzióval Tinázik. Visszafelé nem kompatibilis a projekt fájl.
Nekem 13-as van... Ja, bocs, az a multi... Ebből 8-as.
A hozzászólás módosítva: Feb 23, 2015
Jesszus, akkor a 3 mp az fél óra???
Akkor a Multisimben működő kapcsolást megépíthetem, jó lesz? Tervezhetem a nyákot? ![]() Ezzel csúsztam emiatt heteket... A hozzászólás módosítva: Feb 23, 2015
Nem kötelező mindent leszimulálni. Több időt töltesz el vele, mint ha megépítenéd. De veszel egy dugipanelt, és öt perc alatt látni fogod hogy működik. És a valóságban..
Köszi, megfogadom. Sajnos tervezési gyakorlatom szinte semmi, az elméletet is 20éve tanultam, ezért önbizalmam a minimumon, de mivel teljesen igazad van, belevágok...
Egy "szakmai" kérdésem még volna. Tinában hogy mondhatom meg, hogy egy IC-ben (pl 7400) van több kapu, ne 4 IC-t használjon?
Nekem a demóban semmilyen kapu nincs. De ha cseppet visszaolvasol, megfogod találni,mert számtalanszor volt róla szó.
Szimulációra inkább használd az "Analysis" menüben a tranziens analízist. Az jóval gyorsabb.
A szimuláció ideje is állítható, alapból a magasabb frekvenciák megfigyelésére van állítva. A csatolt képen lévő beállításokkal kb. egyenlő a szimuláció és a valós idő...
A hozzászólás módosítva: Feb 23, 2015
Ja, igen, de sok áramkör van, aminél nem elég az, ha 1 mp -enként látja az ember, hogy mi történt, köztes időszakról pedig nem lehet tudni, mi zajlott le.
Ebben az időzítéses esetben viszont gyorsabban ki lehetett volna deríteni, hogy működik-e egyáltalán, vagy sem, az is biztos. A hozzászólás módosítva: Feb 23, 2015
Rendesek vagytok, hogy próbáltok segíteni, sokat segített, hogy rávilágítottak arra, hogy egyáltalán nem értek a programhoz. Tehát neki kell állnom jobban áttanulmányozni, megérteni, és felfogni azt, amit írtatok
![]() De ez már az én "saram", tanulok, és csak azután, ha nem értem, akkor írok majd ![]() Egyébként az áramkör így már működik! ![]() Úgyhogy megy a nyákterv... ![]() Köszönöm
A szimuláció egyébként igazából, "csak villog vagy nem villog"-ra jó. Igazi adatokat, a tranziens analízis, transzfer characteristic ábráiból lehet szerezni...
Sziasztok!
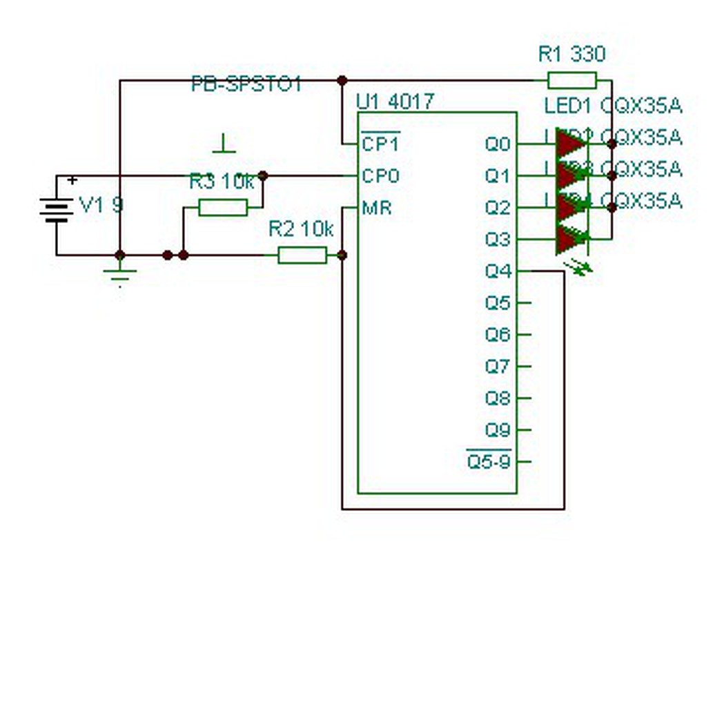
CD4017 IC-t amit egy 555 hajt szerettem volna leszimulálni, de többek között a 4017 táplábait nem találom, és az 555 kimenetére sem sikerült az oszcilloszkópot rátenni. Még csak ismerkedek ezzel a programmal, tudnátok segíteni, mit rontottam el? Előre is köszönöm!
A táplábakkal nem kell foglalkozni (beköti a Tina csak nem jelöli). Egy 555-ösnél nem oszcilloszkóppal mérnék, hanem tranziens analízissel, csak egy 1k ellenállás meg voltmérő legyen párhuzamosan a kimeneten. Az időt a várható periódushoz igazítani. Ha online szimuláció akkor azt tranziens módban (pl.: amiben kondenzátor van azt tranziens módban...)
Ha kiveszem az 555-ös részt, és a 4017 14. lábára (Clock) lábra rakok egy kapcsolót, amit Vcc-re kötök, akkor ha kapcsolgatom a kapcsolót akkor is kéne váltson az IC igaz?
A 4017-es magas szintről alacsonyra váltáskor kapcsol. Ha egy nyomógombbal adjuk a tápfeszt akkor egy 10K ellenállással a GND-re kell kötni a clock bemenetet. Ha megnyomjuk a gombot tápfeszt kap ha elengedjük az ellenállás lehúzza GND-re és kapcsol.
A hozzászólás módosítva: Ápr 6, 2015
Igen ezt már sikerült kisakkoznom, annyival csináltam másképp, hogy a szimulációban egy kétállású kapcsolót raktam aminek a közepét rákötöttem az IC 14. lábára. A másik két végét a tápra, és a GND re kötöttem, ami így működött is!
Csak mikor hozzákötöttem az 555 IC-t astabil módban akkor a kimenet magasra váltott, és ott is maradt, analysis /transiesn megadtam egy olyan idöt, amit a gép 15 percig számolt.... és végig magas volt a kimenet. Pedig a idő így lett megadva: T1: 74.9133 ms T2: 71.6562 ms Kitöltés: 51% Frekvencia: 6.8085 Hz A hozzászólás módosítva: Ápr 6, 2015
Póbáld ki ezt: A szimuláció options 1 , 1, 1 zero kezdeti érték és tranziens módban
Így már megy tranziens módban! Köszönöm!
Interaktív/start módban ne is álmodjak rolla, hogy majd a 4017 ledjei villogni fognak? A hozzászólás módosítva: Ápr 6, 2015
Akkor megpróbálok a tiédből kiindulni, mert az én tervem csak errort ad...
Köszönöm a segítséget, majd ha nagyon nem megy írok még
Ha 7-8-9 verziósnak elmented és felteszed megnézzük mi a hiba.
Na én most feladtam, a tranzienst analízis végigmegy. Viszont interaktív/start akkor ezt a hibát jelzi, próbáltam a kapcsolót változtatni, de semmi.
Mint ahogy fentebb írtam, interaktívat így kell beállítani:
Hello! "A 4017-es magas szintről alacsonyra váltáskor kapcsol."
Ez nem egészen így van. A 14-es láb, alacsonyról magas szintre váltáskor kapcsol, míg a 13-as láb, a magasról alacsony szintre váltáskor. (Azért írtam lábszámot, mert a katalógus és a szimulátor eltérő jelölést használ. De itt is látható a CP1-nél a felülvonás aminek jelentése, hogy alacsony szintre aktív.)
Sziasztok! Tina-TI-t használok. Segítséget szeretnék kérni. Egy áramkör kimenő feszültségét szeretném vizsgálni az áramkörben levő potenciométer állásától függően.
Hogyan kell a szimulációt beállítani, hogy diagramban kapjam meg a potméter-állás, kimenőfeszültség összefüggést? Tehát a szimuláció beállításának mikéntjéről lenne szó. Előre is köszönöm.
Kösz!
[/off](Erre rá kellet volna jönnöm! Rengeteget próbálkoztam, mielőtt segíséget kértem. Röstellem magamat.[off] Üdv!
Egyébként a hőmérséklet analízist sem értem.
Az alkarészek adatlapján is be tudok állítani konkrét hőfokot, de be tudok állítani kezdő és végső hőfokot a Mode - Temperature stepping menüpontban. és a DC analisis - Temperature analisis menüpontban is. Ezeknek mi az értelme, illetve melyiket, mikor kell beállítani? És egyáltalán, hogyan tudom a hőfokhatárt csak egy konkrét alkatrészhez (hőérzékelőhöz) rendelni? (az egész áramkör nem melegszik,csak az érzékelő!) Ezekben kérnék segítséget. Kösz. A hozzászólás módosítva: Máj 10, 2015
|
Bejelentkezés
Hirdetés |





















