Fórum témák
» Több friss téma |
Mármint ez egy túlterhelés védelem? Elolvasom újra a cikkeket...
Persze, ha nagy áram folyik, nagyobb fesz indukálódik és kapcstól függően leáll az oszci.
Nem használják sokan ezt a módszert. A hozzászólás módosítva: Ápr 17, 2015
Most néztem vissza a cikket, Cimopatáéban le van írva és ott van a segédfesz is. Ha ezen két elem nélkül rövidzárat kap a táp, akkor csetten vagy a mag korlátoz?
Ez már sok mindentől függ... ha nagyon jól sikerül a konstrukció, pár pillanatot talán kibír...
Olvasd el a többi véleményt is.
Kicsit barbár megoldás, de üvegcsöves bizti a szekunder oldalon? Vagy azt mondom, hogy 1 amperes primer bizti, és rövidcsuknál enged. (talán)
Üvegcsővel semmire se mész általában.. előbb megy el a félvezető. Figyeltetni kell az áramot, aztán tőled függően vagy teljesen leállítod a tápot és újraindítod, vagy ahogy tetszik.. ez már egyéni és a céltól is függ..- mindenki másképp csinálja.
Nem feltétlen jó megoldás, mert ezeknek a tápoknak a rövidzárási árama kisebb is lehet, mint az üzemi.
Hello.
Itt sincs bemeneti szűrő LC soros párhuzamos kör, illetve olvadóbiztosíték. Ha ez pepe nyákja...
Igen az, pepe nyákja, bár némi fenntartással vagyok felé. Az általa mellékelt rajzon van bemeneti szűrő, és a dc ágban a fojtó. A nyákon nincs rajta valóban a bemeneteli szűrő, de minthogy a rajzon szerepel, én tettem az én nyákomra. A szekunder fojtónak csak tippelem a helyét, mert van két plusz forrszem, mit a fojtó helyének értelmeztem.
Az olvadó biztosíték szerepét az a vékony vezetősáv töltené be a bemeneten. Ő több hsz-ben köti az ebet a karóhoz, hogy ettől tutibb konstrukció ezzel a felépítéssel nincs is! És az vitathatatlan, hogy tőlem többet ért hozzá, így fel sem merült bennem, hogy bíráljam. Nézegettem rajzokat ezzel az ic-vel, talán egyszer láttam olyan megoldást ahol van kimeneti fojtó. Valamint leginkább a virtuális nullpontos pufferelést alkalmazzák. A hozzászólás módosítva: Ápr 18, 2015
Én sny-vel és a TÜV-vel szemben ingyen megmondom
![]() V1rusH-nak és a többieknek is tessék figyelni! Jó lenne először beazonosítani a szabványt, ugyanis a felhasználástól is függ pl hogy hova hány mm kell. IT eszközökre az UL 60950-1 érvényes. (SNY rosszul mondta, mert ugye itt többnyire mindenkinek végfokhoz kell, arra meg az UL 60950-1 nem érvényes!) Először is tisztázni kell, hogy milyen jellegű szigetelés kell. Ezt a szabvány 2G táblázata tartalmazza, és van hozzá egy szemléltető ábra is: - primer oldal és a védőföld közé BASIC szigetelés elég (primary circuit - earthed conductive part -B1) - primer oldal és primer oldal közé FUNCTIONAL szigetelés kell (F6) A szabványból mellékelem az ide vágó táblázatot (Table 2H). Itt látható, hogy a szükséges clearence (légvonalban távolság) függ: - az elvárt szigetelés szntjétől (funkciónális, egyszerű, kiegészítő, megeresőtett), ahogy hogy hova melyik kell egy külön táblázat tartalmazza - a betáp tranziens feszültség szintjétől (nem árt varisztorokat alkalmazni )- szennyezési osztálytól - egy kezelet levegőben készült és hermetikusan lezárt tápra kisebb a feltétel Amennyiben feszültségkétszerező egyenirányítás van, vagy PFC, vagy flyback konvereter, és a primer oldai feszültség több, mint a bemeneti csúcsfeszültség, úgy a 2J táblát is figyelembe kell venni. Vagyis primer és védőföld közé 230V Ac, 2,5kV túlfesz esetén 2,0mm clearence szükséges légszennyezési osztálytól függetelenül. QC gyártás és rendszeres teszt estén esetén még 1,5mm is lefogadható. A creepage kicsit eltér, de hasonlít ezekhez. Ezt a 2L tábla tartalmazza, és itt bejön az anyagcsoport fogalma is. Azok az anyagok, amelyek jól abszorbeálnak más vegyületeket azok magasabb anyagcsoportba tartalmaznak, azaz magasabb creepage vonatkozik rájuk. Jól látható, hogy 1-es légszennyezési osztály eseténnincs minimum érték, mivel ha nincs légszennyező, akkor abszrobeálódni sem tud a felszínen. Vagyis védődöld és primer közé 2-es légszennyezettésgi osztály és mondjuk IIIa/IIIb anyag esetén 2,5mm kell. Ha profibb nyákot rendelünk érdemes a CTi értékről tájékozódni, és az anyagosztályról, mert jól láthatótan csökken az érték. A sok táblázat után sokaknak nehéz még midnig eldöteni, mennyi is legyen az annyi. Ez is csak az IT szabvány volt, az audió szabvány ettől kicsit elérő, de hasonló értékeket alkalmaz. Vannak harmonizált szabványok is, mint az ECMA-287 (ingyenesen letölthető !). Ha bizonytalanok vagyunk, akkor inkább alkalmazzunk nagyobbat, ha megtehetjük. Ez az örök szabvány. Ha a szabványt átbogarásszuk, akkor azt is láthatjuk, hogy védőföld alkalmazása esetén jelentősen csökkennek az elvárások, ami logikus. Azonban ekkor ne feledkezzünk arról, hogy a védőföldnek jónak kell lennie. Megfelelő vastagságú vezetékkel, jó csatalkozásokkal biztosítsuk az esetleges hibaáramok levezetődését! Ezek után remélem nem lesz vita arról, hogy 6,7 vagy 8,0 mm kell ![]() Csak az egyszerűség kedvéért a legvégén: egy félhidas konverternél, ami 230VAC-ről megy, akkor: - amennyiben a szekunder nincs védöföldre kötve, azaz kettős szigetelésű az eszköz, és a szekunder alacsony feszültségű (<60VDC) úgy REINFORCED szigetelésre van szükség - így 4,0mm clearence és 2-es szennyezettsségi szint és IIIa/b anyagosztály esetén 6,4mm creepage szükséges (3-as szennyezettség esetén 10mm) - védőföldelt szekunder esetén az előbbi két szám 2,0mm -re és 3,2 mm-re alakul. Flyback konverter esetén mivel a trafónál a pirmer fesz kétszerese is felléphet, ezért nagyobb számok jönnek ki. Ezért ne csodálkozzunk ha vlaaki 7-8mm-t kér ekkor rajtunk számon A hozzászólás módosítva: Ápr 18, 2015
Anyám... hát nem egyszerű...
Azért van még ezzel kapcsolatban probléma, igaz, ez nem a tervező felelőssége. A hozzászólásod vége felé van, hogyha le van földelve. És mi van, ha egy földeletlen helyen használják? Vagy rossz a földelés? Inkább a nagyobb távolságok legyenek megvalósítva. ( nyilván nem ipari felhasználásra gondolok ) Ez minimálisan növeli a nyákméretet és probléma esetén ez nem jelenthet vitaalapot. A hozzászólás módosítva: Ápr 18, 2015
Idézet: „Vagy rossz a földelés?” Gyakori probléma, én is láttam már karón varjút. Idézet: „Inkább a nagyobb távolságok legyenek megvalósítva. (” Jó minőségű tápoknál pont ezért nagyobb szigetelések vannak, még akkor is,ha védő föld van. Pont ezért bátorítunk mindenkitt itt a 6-7mm kúszóútra félhidas tápnál is. Egy rezonáns tápnál nem jelet plusz nehézséget. Oda kell figyelni a nyákon, a trafóban pedig jól kell megcsinálni a cséveosztást. Én pl osztott csévét veszek, így ott tutira megvan a kúszóút. Flyback esetén pedig a legjobb megoldás a TEX-E(tz). Akkor egyszerűen nem kell figyelni a kúszóútra, és a szórt induktivitás is kisebb, tehát nem lesz probléma. Sőt elég általában a primerre TEX-E-t használni, mivel ott leve kicsi az áram és vékoyn huzal kell, nem kell a litze sem.
Felesleges a bizti. Méretezd normálisan a rezonáns kört Ha megfelelően méretezed, akkor a rezonáns kondin lévő diódák eleve korlátozzák az áramot.
Ezen kívül ugye a rezonáns kondin lévő feszültség AC komponense arányos az árammal. Tehát ha erről csinálsz egy osztót (egy másik kondival), akkor elve van egy áramjeled. Még mindig egyszerűbb, mint az áramváltó. Persze ha ott vannak a diódák, akkor ez eleve felesleges, ott alkalmazzák, ahol üzemszerűen megjelenik a rezonáns kondin tápfezsnél nagyobb fesz (lásd LLC konverter 1-es feletti átvitali tényező esetén) Idézet: „Igen az, pepe nyákja, bár némi fentartással vagyok felé.” Pepe tápja az egy nem rezonáns félhíd, ezért kell a fojtó. Hiszen ott ez átlagolja ki a szekunderen a négyszög feszt, na meg ez simítja az áramot, hiszen nélküle négyszögszerű lenne az is. Egyne így kisebb kondi is kell, mivel az áramhullámosság tekercstől függően kisebb. (cserébe kis terhelések esetén DCM mód miatt megemelkedik a fesz) Ha te rezonáns tápot csinálsz, akkor nem kell fojtó, sőt nem is szabad odatenni! Ekkor az áram közel szinuszos, nincs mit ratja simítani (megteszi a trafó szórt induktivitása). De ezt egyszer már leírtam, a két tekercs a jelenlegi helyén pont ezért felesleges. Ugyanis ekkor a szinusz hullámossága a kondikat terhelni.
Szépek a táblázatok, de van még egy tényező, mégpedig a vizsgálófeszültség nagysága. Nyilván amatőr körülmények között ezzel senki sem foglalkozik. Nagyobb vizsgálófeszültség nagyobb szigetelési távolságokat kér. (2.5kV < 4kV)
És abban az esetben, ha 2. ÉV osztály esetén a készülék tartalmaz üzemszerűen megérinthető fémrészt, /pl. csatlakozó/ nagyobb vizsgálófeszültség kell.
Valóban leírtad, és még mindig nem tiszta teljesen előttem!
És köszönöm kitartásod, lassan más online képzésbe megyünk át, de hát ez ennek a fórumnak a célja, profik segítik a mulya amatőröket, kik sajna többen vannak, és nagyobb az elszántságuk mint a tudásuk...Nyilván való, hogy én is köztük vagyok, hiányosak az ismereteim, és keverem a szezont a fazonnal. Sajna így még nehezebb megérteni és megértetni... Nos akkor előröl ismét: Mitől lesz rezonáns egy táp, ha a kapcsolás technika kvázi ugyan az?! Nézem a Te két rezonáns tápod, és pepe tápjának kapcsolását. Ami leginkább szembetűnik, Te nem használsz aux tekercset. A mini rezonánsnál a frekvencia beállító tagok értéke is majdnem azonos pepéével, Te kissebb kapacitást alkalmazol. A stabilizált kivetlűnél ez már komplikálódik a visszacstolások miatt. A feteknél nem használsz diódákat. Nincs bemeneti szűrő és a kimeneteli induktivitás. Egy dolog ami biztos előttem, hogy mindhárom félhíd! Odáig eljutottam már, hogy nagyon nem mindegy, hogy a fet mikor szakít meg. Terhelés alatt, vagy null átmeneten kapcsol. Ez kézenfekvő dolog, ha nincs terhelés a kapcsoláskor, nem melegedik, szinte nincs igénybevétel. Avagy másként reagál a fet ha áram, vagy fesz van a feten mikor kapcsol. Ezekszerint a fázis viszony itt sem esik egy időbe? Egyáltalán miként fogható fel a fet ebben a szerepben? És milyen szempontból vizsgálható? Egyenáramú, vagy váltóáramú mód alapján, és mivel helyettesíthető? Rezisztencia, kapacitás, induktivitás? Mert a feszültség és áram helyzete egymáshoz úgy változik ugye? Ha előttem vagy egy rajz, miből tudom megállapítani, hogy az a táp rezonáns, vagy nem rezonáns üzemmódú-e? Talán azt is halványan sejtem, hogy ez a ZVS, ZCS üzemmód a kapcsoló frekvencián múlik. Ha olyan kérdést feszegetek, ami a cikkedben benne van, akkor bocsi érte! Na még valami: Teljesítmény, üzem szempontjából mit befolyásol hogy rezonáns-e, avagy sem? A hozzászólás módosítva: Ápr 18, 2015
Most nézem skori oldalát. Legnagyobb megdöbbenésemre ott van egy önrezgő rezonáns tápegység.
![]() Eddig azt hittem a kettő nem lehet egy. Meglehetősen összetett dolog ez a kapcsoló üzemmód!
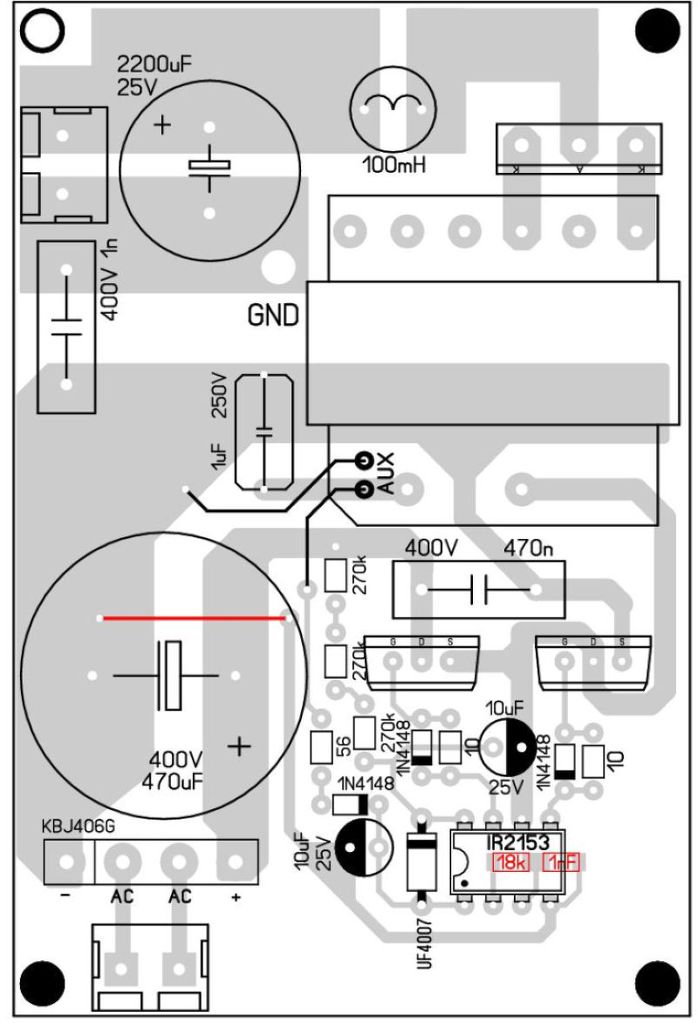
Sziasztok ránéznétek erre a tápra? Én is megpróbálok valamit összehozni (mini rezonáns)
A primer oldali sorosan kötött kondenzátorokhoz szükség lenne egy ellenállásokból készített osztóra ami féltápra állítja a feszültséget, a kondenzátorok élettartalmának növelése érdekében.
220K 2W elég lesz szerinted? Erre gondoltál?
Ha nem tévedek a számításokkal akkor ellenállásonként kevesebb a disszipáció negyed wattnál.
Az ellenállás érték szerintem megfelelő lehet.
Miért vannak sorba kötve a kondik? 200 Voltos kondid van csak? RF tapasztalatból jelzem, ilyenkor 100K körüli ellenállást szoktak tenni.
Megnéztem beleférnek-e az alkatrészek. Kettővel több lába van a magnak. A dióda odébb lett húzva. Az IC betáp állítva van beszerelve, két ellenállás sorba kötve. A hálózati oldalon a kondi beforgatva. Első tesztekhez nem kap segéd tekercset. A kimeneti szűrőnél bár a második kupac elkónak van jelölve, lehetséges hogy 100 nF lesz. Tekercset egyelőre nem veszem ki, kifejezetten visszahatás miatt. Az áramváltó jó lenne ha belekerülne, de ezt már levasalom így teszt gyanánt.
A hozzászólás módosítva: Ápr 19, 2015
Most 170 x 50 mm a nyák. Ha ekkora méretben segédtápot és áramváltót is kapna, elégedett is lehetnék. Elméletileg a szekunder oldali szűrés második fele nem is kellene, amennyire értem. Viszont kérés, hogy miért káros ha van?
A hozzászólás módosítva: Ápr 19, 2015
Amennyiben a 10µF 16V az Y5V vagy roszabb, akkor használj magasabb feszültségűt, mert a 16V-os Y5V-nek 15,6V-on (zéner nyitófesze az IC-ben) a kapacitása már csak töredéke, és az ESR-re is kaksi.
Ajánlom az IC körüli tagokat cseréld le SMD-re. Ahogy korábban V1rush-nak javasoltam az IC tápját szűrő kondit, és a lebegőoldalt tápláló kondiból használj 1206 tokú 1µF 25V X7R-t (Lomexben és konthábna, sok helyen kapható), és rakd be az IC alá. Persze használj noormálisabb padokat az IC-re. Az IC 4-es lába egy nagoyn nagy hurokkal megy az alsó oldali FET S-be. Ezen folyik a gate áram visszája, valamint az út nagy része közös a DS-áramma. Így ez nem az igazi. Ha SMD-t használsz, akkor egy szép egyens vonallal a 4-es láb be tud menni közvetlenül a S-be. Kicsi hurok, kicsi közös rész. A kondikhoz soros ellenállásnak elég 1-1 db 0,5W-os is. De minek kötsz sorba 330V-os kondikat? 200V-osnál még megérteném, vagy köss sorba 200ÍV-osoka (mert PC-tápból bontottál), vagy rakj be mondjuk 350V-osokat párhuzamba. Így most kvázi 120µF primer puffered van, ami nagyon kevés. Milyen csévét használsz a trafónak? Kizárt, hogy ilyen bekötése lenne, szedd le az adatlapját, vagy mérd meg, mert ez így nagyon gány. Így szépen ki tudod osztani a tekercseket a lábakra, és sokal jobb lesz neked is. 50kHz (de inkább 225 kHz) felett erősen ajánlott az IR21531, a kisbeb holtidővel. 600ns bőven elég. Apropó számold át mekkora áram kell az IC-nek az IRF730-ra, ha nem használsz segédtápot. Idézet: „Elméletileg a szekunder oldali szűrés második fele nem is kellene, amennyire értem. Viszont kérés, hogy miért káros ha van?” 1. Nem szűr - leírtam már miért 2. A búgóáramot csak az első pár elkó kapja, ami szerintem ilyen méretek esetén túlmelegszik - ezt is leírtam már miért. Légy szíves olvass vissza, és ha valamire egyzser már azt tanácsoltam, hogy nem, akkor ne erőltesd. Pláne, ha leírtam, hogy miért!
A biztosíték, és a k.m.fojtó még mindig nincs a panelon. De a kimeneten van. Ha az nem lenne, illetve még mindig lehetne fél-fél centiket legalább zsugorítani rajta (a sávokon, nem az alaplapon) hogy kicsit összeébb kerüljön. Akkor azok is elférnének még bőven.
Pédául egy üvegb simán még bármi változtatás nélkül fektetve is elmenne. De ha a vezérlkés picit "jobbrább" kerülne amíg lehet, a feleslegesen kiszélesített szekunder oldali vezetősávok amik a margóra is kilógnak már, azokat lecsippenteni és a fojtót kidobni onnan a fenébe. Már is lenne még egy kis hely, szinte egészen a TO264 tokos diódának a síkjáig. A 400/1n az egy X2-es akar lenni? Nézz meg egy gyári tápot, például egy laptop töltőt, vagy ATX esetleg egy TV táppanelt. Azokban szokott lenni. Gyári. Bár megjegyezném ha ennyire fő a biztonság, akkor minimum, hogy legyen üvegbiztosíték... A hozzászólás módosítva: Ápr 19, 2015
|
Bejelentkezés
Hirdetés |













És köszönöm kitartásod, lassan más online képzésbe megyünk át, de hát ez ennek a fórumnak a célja, profik segítik a mulya amatőröket, kik sajna többen vannak, és nagyobb az elszántságuk mint a tudásuk...








