Fórum témák
» Több friss téma |
Fórum » Labortápegység készítése
Igen. Ha még visszább lapozol találsz hozzá rajzot is. Ajánlom elolvasni a hozzá leírtakat is. Ezzel a nyákkal pl. az a baj, hogy nagyobb áramon már nagyon fűt a graetz, és melegíti az elkót ami ott van mellette. Illetve a másik (ami direkt lett így csinálva), a végtranyók elhelyezése, felfogatása. Az proci cooler-hez illeszkedik, hogy ne kelljen nagyméretű bordát használni, ezért a nyák alatt vannak, és arccal lefele néznek.
Természetesen azt a részt úgy tervezed át ahogy akarod (ha akarod).
Sziasztok!
Alkotó féle labortáphoz elérhető valamiféle leírás, esetleg alkatrészjegyzék? A keresővel csak a kapcsolási rajzokat meg a nyák terveket találom. Ha jól értelmeztem, a 2.7.4-v2 verzió kipróbált, tehát ha mindenből ugyanazt rendelem hozzá mint ami a kapcsolási rajzon van, akkor elvileg nem lesz gond, ugye? (Kivéve persze ha valamit rosszul csinálok )Tök jó lenne egy wiki, ahol össze van szedve minden egy helyen, ~600 oldalnyi fórumban történő keresgetés elég macerás, és már-már átláthatatlan
H azt rendeled ami a kapcsolási rajzon van akkor nem lesz gond . Nekem 2 db üzemel belőle sziimetrikusan kötve. Nincs vele gond. Az enyém 0-50V - 0-5A. Az alkatrészeket nem nehéz összeírni.
A hozzászólás módosítva: Ápr 14, 2015
Ezt is olvasd végig mert hasznos.
Köszi, pontosan ilyesmit kerestem.
Tudom, hogy nem nehéz összeírni, de gondoltam hátha van egy lista amiben össze van gyűjtve minden. A hozzászólás módosítva: Ápr 14, 2015
Köszi a válaszokat!
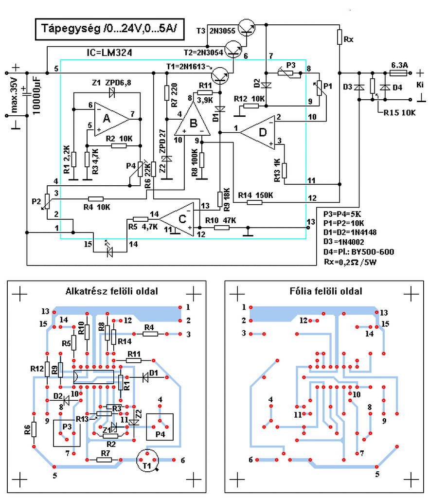
Hülye kérdés: Az R13, R14, és R15 ellenállások micsodák? (függőleges vonalakkal) Ilyen jelet még nem láttam. Rákerestem neten de nem nagyon találtam hasznos választ. Hestoreban hogy találom meg?
0.68 Ohm - 2W ellenállás. Így.
Tehát huzal ellenállás. Köszi!
Tökéletesen alkalmasak!
A rajzon éppen nem huzal, hanem 2W-os fémréteg ellenállást látsz (pl. ilyen). Azért van több belőle, hogy létrejöjjön a kívánt teljesítmény. De ha méretileg elfér, akkor a huzal-ellenállás is tökéletes a célra.
A hozzászólás módosítva: Ápr 15, 2015
Helló!
Elkészítettem (?) egy tápot, de az a gond vele, hogy ha teljesen le van csavarva a feszültség állító poti, akkor világít a rövidzárlatot jelző LED. De egyáltalán nincs a kimeneten feszültség (ha felcsavarom akkor se!). mi lehet a gond? IC-t már cseréltem.
És itt a kapcsolás is és a nyák terv is (amit én másoltam le, lehet elnéztem valamit és ez a gond. Átnéznétek nekem a biztonság kedvéért?)
Köszi!
Hello! Nem lenne ésszerűbb, ha nem Mi nézegetnénk, hanem Te méregetnél? Tekintve, hogy a fele áramkör nem is a panelen van..
Amúgy egy áramkorlát letekerve vagy világít vagy nem a műveleti erősítő offset hibájának megfelelően. Ez még nem gond..
Mértem én!
De csak a táprészen volt 36V! ![]() (max 35V ot ír, ez is lehet gond?) A korlátozó trimmerek félig feltekerve, de semmi. Cseréltem ic-t is, de az se segített. pedig mindent jól kötöttem! Mit érdemes megnézni még?
Nincs ebben digitális multiméter, hogy tudná 35 vagy 36V van..
Elsőként az IC lábain érdemes a feszültségeket megmérni a pufferkondi negatív lábához képest.
Mindjárt mérek!
Tessék!
De most már egyfolytában világít. A hozzászólás módosítva: Ápr 18, 2015
A P2 poti vagy le van tekerve, vagy nem jön róla feszültség?
Mindegyik félig van!
Akkor meg kellene mérni a panel 1-2-3 pontján is a feszültséget. Mert pld. itt valami árulás van.
2-esnek nulla, a 3-ason a 4-es felének kellene lenni.
Holnap megmérem, már így is egész nap ezzel szórakoztam. Majd írok a fejleményekről.
Az az 1-2-3 as pont a - és a poti lábai?
Oké!
- Igen a poti lábai. Mert a 10,1V referencia rendben van, de annak leosztott értéke nem jut el az IC 10-es lábára. - Az IC tápfesz is túl magas, ha a zéner 27V-os, nem lehet 30V a táp. Vagy ne az a zéner, vagy túl van hajtva. Ekkor az R7-et növelni kell kb. a kétszeresére. - A C és D fokozat feszültségei sem megfelelőek, lehet gerjed az IC. Nincsenek visszacsatoló kondik. (1-2 és 9-8 lábak között, legalább 1nF)
És ez megoldja a gondot? Igen 27V os a zéner.
De lehet az lesz, hogy csinálok egy teljesen új NYÁK-ot. (mert ha látnád milyen kábeldzsungel van ott... )
Azt az R7-es 220 ohm-os ellenállást cseréld ki 800-900 ohm körüli értékű ellenállásra, ha nem akarod ,hogy megfőljön a zener, meg az IC is.
Oké!
De azt nem értem mi lehet ennek az oka? mindent úgy raktam össze ahogy a rajzon volt. most néztem, a 6,8V záneren meg 10V van! teszek bele egy 1K-s ellenállást, az biztos jó lesz. (mert más nincs itthon)
Az oka az, hogy ezt a kapcsolást a szerzője nem igazán gondolta át. Szerencsétlen 27V-os zeneren 50mA-t folyatott át. holott ezeknek a zenereknek 10mA körül van az üzemi áramuk.
A legnagyobb problémája ennek a kapcsolásnak, hogy nincs benne áramgenerátoros üzemmód, csak egy szabályozható áramkorlát. A 6,8V-os zenernél valamit elmérhettél, ha az IC 7-es lábán 10V van, ott annyinak is kell lennie.
Ha új panelt készítesz, akkor javaslom megfontolni egy fejlettebb változatát ennek a rajznak. A módosítást Pioneer végezte, és utána még belekerült néhány egyéb apróság is.
Itt találsz kétféle paneltervet is. Ez meg talán a legutolsó verzió. |
Bejelentkezés
Hirdetés |




)






teszek bele egy 1K-s ellenállást, az biztos jó lesz. (mert más nincs itthon) 


