Fórum témák
» Több friss téma |
Fórum » Erősítőhöz való hangsugárzó védelem (koppanásgátló)
Témaindító: Thom, idő: Márc 14, 2006
Témakörök:
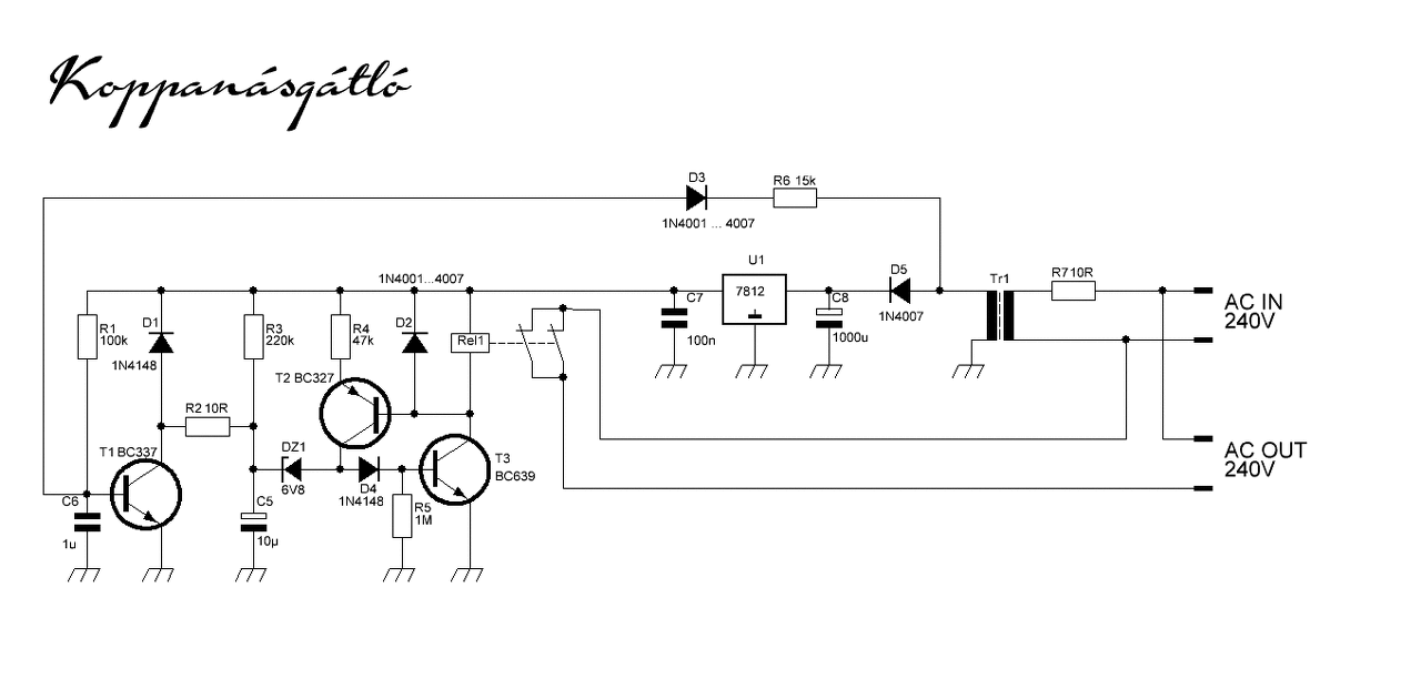
A trafó pont stimmel. Berajzoltam még egy diódát: Bővebben: Link
Szia!
Alakul. ![]() Csak így a T2 így stabilan bebillentve tartja a relé kört, nem billenthető vissza a multi. Rajzoltam, csatolom. ![]() Az első nyáktervre tedd már rá légyszi vízszintesen a diódát, a C5 fölé, ott pont elfér. Vagy ha fölteszed a lay fájlt, módosítom rajta. Köszi! A hozzászólás módosítva: Jún 7, 2015
Néztem, azért tettem fel a kapcsolást.
T2 kollektora nem jó helyre van kötve.
A melléklet reggel még megvolt
![]() Ismét csatolom. A hozzászólás módosítva: Jún 7, 2015
Akkor csatolom a munkaanyagot.
Szuper, köszönöm
Megrendeltem a 7812-t, remélem holnap megérkezik, legkésőbb kedden jelentkezem a fejleményekkel.
Addig gyakorold a forrasztást..
Hello! már bocsánat, hogy beledumálok, de a két végtranyó - zéner helyett egy NE555 sokkal egyszerűbb megoldást kínál. Meg van a kellő hiszterézise, határozottan kapcsol, és a relét is meghajtja. Még árban is kedvezőbb megoldást nyújt..
A hozzászólás módosítva: Jún 7, 2015
Jogos, biztos egyszerűbb.
Néztem rajzokat, nem nagyon használják erre a célra az 555 -öt. Viszont azt már kinyírta volna a kolléga, mert 23V a tápja pillanatnyilag. ![]() Nem csak egy egyszerű bekapcsolási késleltetés kell, egyik állapotába késleltetve billenő bistabil multivibrátor kell. Van rá rajzod?
A bistabil multi az 555 lelke, a komparátorok is benne vannak, így tenni szinte semmit nem kell.
Nem gondoltam, hogy rajz is kellene hozzá, de a lényeget lerajzoltam..
Nagyon jó, köszi!
![]() Idézet: „Nem gondoltam, hogy rajz is kellene hozzá, de a lényeget lerajzoltam..” De, kellett, nem ismerem annyira. Egyszer építettem 555 -tel egy invertert, ez van... ![]() Néztem rajzokat, de valami miatt nem használják az 555 -öt hangszóróvédő áramkörben, amik vannak időzítő rajzok, azoknál meg pl. a trigger bemenet nincs közösítve az időzítő kondit figyelő thres lábbal, astabil üzemmódnál ott van még köztük a kisütő ellenállás, monostabilnál pedig a trigger lábon külön R-C taggal indítva láttam rá kapcsolásokat. Ezt az üzemmódját nem láttam még, hogy a trigger láb össze van kötve a Thres lábbal és a kisütő láb nincs használva, köszi! ![]() Nem ismerem eléggé, ez van... Hát, igen... ez jóval egyszerűbb. A hozzászólás módosítva: Jún 8, 2015
Sziasztok!
Megépítettem a kompakt áramköröm, és éleszteném a védelmet... De nem akaródzik működni... Kapcsolási rajz: védelmi áramkör Ugyan ez a kapcsolás teljesít szolgálatot az én erősítőmben is. Csatoltam a NYÁK tervet is. Szeretnék segítséget kérni, mert már lövésem sincs mit rontottam el. A végfok IC természetesen nincs még beültetve. A hozzászólás módosítva: Jún 8, 2015
Szia.
A BD137 -et jól ültetted be? Annak szemből nézve a jobb oldali a bázisa, a nyákterven pedig nagy BD van, aminek a bal oldali szokott lenni. A nyákterven fölfelé kell, hogy nézzen a felirat, lefelé meg a hűtőfelülete. A hozzászólás módosítva: Jún 8, 2015
Őőőő... Az első hiba... Megfordítom.
A hozzászólás módosítva: Jún 8, 2015
Diódát tud? Diódaként mérd ki a C-B és az E-B diódáikat, meg a C-E között MOhm -ban szakadást mérj, akkor jónak mondható.
A hozzászólás módosítva: Jún 8, 2015
c-b között nem "sípol", e-b között nem sípol, c-e között 2M-es méréshatárnál végtelen érték, 20M.es határnál az érték nem állandó, hanem növekszik
Hát.. a sípoló szerintem Ohm állás, nem dióda mérő funkció, de úgy néz ki, jó lesz. Tedd bele lábhelyesen. A BD kollektorát előre hajtsd ki, ne hátrafelé. Akkor áll jól a terv szerint.
Megfordítottam. Így az üzemjelző LED bekapcsol. Viszont mikor a bemenetet akarom tesztelni egy gomb elemmel, nem bont a relé...
Akkor még valamit nem jól tettél be, vagy nem jó értékűt.
Nézem a rajzon, mit lehet még fordítva bekötni...
A bemenetnél - ahol a végfokból kijövő jelet érzékelné, a 100k-s ellenállás körül van valami...
Azt hiszem megtaláltam a hibát... Ha van olyan ellenállásom akkor letesztelem A hozzászólás módosítva: Jún 8, 2015
Az R3.
68k a rajzon, a terven meg 6,8k van.
Igen... Nekem az összes tervemen 6,8k van... holott már egyszer belefutottam ebbe a hibába....
Nincs ebben semmi különleges, így használva ez egy hiszterézises komparátor, ami 2/3-ad bementi feszültségnél "L" szintű lesz a kimenet, 1/3-adnál meg "H" szintű.
A hozzászólás módosítva: Jún 9, 2015
Sziasztok! Összeraktam, megint azonnal zár
Csináltam képeket. Nem raktam be valamit fordítva?
Másik kép
Szia! Fotózz távolabbról és szerkeszd inkább a képet, mert így kivehetetlenül homályos! A hibás Zener-diódától megszabadultál már?
|
Bejelentkezés
Hirdetés |





















