Fórum témák

» Több friss téma
Fórum » Erősítő mindig és mindig
Mielőtt kérdezel, a következő két dolgot ellenőrizd! I. A helyes tápfeszültségek megléte. II. A kimeneten van-e egyenfeszültség. Élesztés.
Lapozás: OK   112 / 2581
(#) szabi83 válasza szabjan hozzászólására (») Feb 13, 2008 /
 
nekem a kocsimba sal 16cmes 2 utas hszvan (88dB vmi boxxer) és tda2004 hajtja, ami 2*7W-ot tud, bőven elég..
(#) Gery válasza valve hozzászólására (») Feb 13, 2008 /
 
Ez az erősítő egy rossz vicc MIkor megláttam a rajzát olyan jót nevettem
Azért kíváncsi vagyok honnan van, vajon létezik-e és mittud...
(#) valve válasza Gery hozzászólására (») Feb 13, 2008 /
 
Tán holnap leszimulálom,.. (sztem ha megindulna a torzítása ~5% körül mozogna vagy ~∞%)
(#) levii válasza valve hozzászólására (») Feb 13, 2008 /
 
Megérkezett a 20kwattos erősítő bátyja

Egyetértek szabival ne offoljunk arra már van külön téma
(#) Pafi válasza aflmor hozzászólására (») Feb 13, 2008 /
 
31 kW? Maradjunk annyiban, hogy "nagyot pukkan akkor, azután elhallgat". Azonnal elszáll, ahogy bekapcsolják. Ez a Munchausen kapcsolástechnika.
(#) aflmor válasza Pafi hozzászólására (») Feb 13, 2008 /
 
Azt csak tényleg az "érdekesség" kedvéért szúrtam be...

Most egy ilyesmi bontakozik ki itthon -> UcD700 remélem sikerrel.
Valami hasonló:
Building a Hypex UcD700-based power amp
(#) sixtek válasza aflmor hozzászólására (») Feb 13, 2008 /
 
Köszi, jót röhögtem!
(#) Darka válasza Istike88 hozzászólására (») Feb 15, 2008 /
 
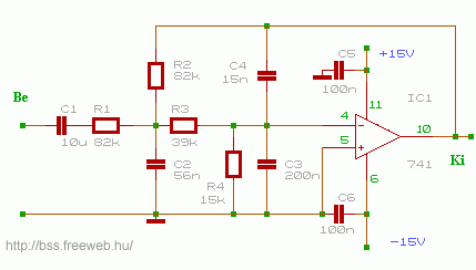
Visszatérve a hangváltókhoz... az lenne a kérdésem, hogy ha a 741-es IC 8 lábú, akkor a mellékelt képen hogyan vannak a számozások?
Kösz
Üdv!

741.gif
    
(#) sound.man válasza Darka hozzászólására (») Feb 15, 2008 /
 
741-es ic nem 8 lábú
(#) Darka válasza sound.man hozzászólására (») Feb 15, 2008 /
 
Én erre értem, lehet, hogy ez nem jó

5304.pdf
    
(#) sound.man válasza Darka hozzászólására (») Feb 15, 2008 /
 
Jah van belőle 8 lábú is bocs csak nekem a régi volt eszembe mert annak több lába van. Amúgy TL071-est tegyél bele vagy ne553-mat mert ezek már jobbak. Lábkiosztást csatoltam eszerint betudod kötni.

TL071.jpg
    
(#) Darka válasza sound.man hozzászólására (») Feb 15, 2008 /
 
Ezeknek látom, hogy egyforma a kiosztásuk, engem viszont az érdekel, hogy például a 10-es vagy 11-es lábnak melyik felel meg.
(#) sound.man válasza Darka hozzászólására (») Feb 15, 2008 /
 
Ami itt a 11.es láb az a V+ tehát a 7-es láb. Ami a rajzon a 6-os az a V- és az a 4es láb. Ami a rajzon a 10-es láb az a kimenet és az az ic-n a 6os láb és a rajzon a 4-es láb az az ic-nél a 2es láb és ami a rajzon az 5ös láb az szerintem marad de nem biztos szóval valaki abba cáfoljon vagy erősítsen meg.
(#) Darka válasza sound.man hozzászólására (») Feb 15, 2008 /
 
Közben én is találtam valamit
Kösz a segítséget

741 IC.gif
    
(#) sound.man válasza Darka hozzászólására (») Feb 15, 2008 /
 
Nah jó lehet elírtam az egészet... Már belezavarodtam teljesen..
(#) Darka válasza sound.man hozzászólására (») Feb 15, 2008 /
 
De azért nem ártana ha valaki még megerősítené hogy kinek van igaza mert így elég bizonytalan
(#) valve válasza Darka hozzászólására (») Feb 15, 2008 /
 
Hogy tévedések ne essenek,..

uA741.pdf
    
(#) Darka válasza Darka hozzászólására (») Feb 15, 2008 /
 
Semmi.... fáradt vagyok... tökéletesen jól mondtad, probléma megoldva
Köszi
Üdv !
(#) oregtamas0202 válasza szilva hozzászólására (») Feb 15, 2008 /
 
Üdvölet.Igaza van ,szerintem még soha nemláttak1-2KW -os erősítőt.Zenei 2Kw. autóba 6x30A bemenő biztivel van védve.A belső táp 80V körül dolgozik.Nézegetni az ACR.HUvagy ACR.DE oldalon. 2KW teljes kivezérlésnél3-4 db/60Ao aksit 10--15 mp alatt10V-ig leszivja.Öreg Tom.
(#) pb hozzászólása Feb 16, 2008 /
 
helló
Tudna valaki adni egy kapcsolást szubszűrőnek?
lehető a legegyszerűbbet? Nem kellene semmi extra mint frekiállítás stb..

Köszi
(#) soos csaba hozzászólása Feb 16, 2008 /
 
It van egy,en is ezt akarom megcsinalni,biztos muxik!

Subwoofer.pdf
    
(#) pb válasza soos csaba hozzászólására (») Feb 16, 2008 /
 
köszike a rajzot
(#) hapro válasza pb hozzászólására (») Feb 16, 2008 /
 
Szia!

Itt egy nagyon egyszerűen használható program amivel bármilyen aluláteresztő aktív váltót tervezhetsz. Már sokat készítettem amit ez a progi tervezett, és mindegyik tökéletes volt. Kapcsolási rajzot elkészíti, és te grafikon alapján eldöntöd, hogy az megfelel-e neked vagy sem.
Winrarral fel van darabolva, csak illeszd össze őket.
Vagy ha valahonnan le tudod tölteni, akkor filterlab nevű progit keresd.

üdv.:

Zoli

(#) pb válasza hapro hozzászólására (») Feb 16, 2008 /
 
helló
Köszike a rajzokat
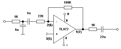
Szerinted ezzel az előerősítővel a egy tda7293elé rakom a másik tda7293 úgy hagyom akkor így lehet hidalni hogy az előrősítő csak az eggyik tda-ra lessz rátéve?
Vagy ez elfordítja eggyáltalán a jelet 180fokkal
(#) lamalas válasza pb hozzászólására (») Feb 16, 2008 /
 
Ez a kapcsolas invertalo erosito tehat fazist fordit. Viszont egynel nagyobb az erositese igy nem megfelelo arra a celra amire hasznalni szeretned. A visszacsatolo ellenallas es az invertalo bemenetre kotott ellenallas erteke egyezzen meg mert ekkor lesz 1x-es az erosites es neked pont ez kellene. A kimenetre nem kell az 1k-s ellenallas es a 22u-os kondi sem felteve ha nem hosszu arnyekolt vezetekkel kotod ossze a ket fokozatot es a vegfok bemeneten van csatolo kondi. A tapfeszultseg legyen kettos, kb. +-12V-15V koruli.
(#) hapro válasza pb hozzászólására (») Feb 16, 2008 /
 
Szia!

Ennyire szakszerűen nem tudok nyilatkozni, mint lamalas elvtárs, nekem a válaszom egyszerűen az, hogy szerintem úgy ahogy szeretnéd nem működne a dolog. Csak pusztán logikai úton, ha van két végfokod, azok hídba vannak kötve, és az egyik felérnek adsz jelet, a másiknak nem, akkor az úgy nem járja, viszont, ha kicsit átfogalmazom amit írtál, hogy két hídba kötött végfoknak egy előfokot teszel, akkor már viszont működőképes lehet az elgondolás. Mert a hídba kötött végfokoknál az egyik erősíti a pozitív oldalt, a másik meg a testet, szóval itt mindjárt megvan a két pont ahova ráakaszthatod az előfokot.

üdv.:

Zoli

(#) lamalas válasza hapro hozzászólására (») Feb 16, 2008 /
 
Idézet:
„...mint lamalas elvtárs...”


Hey, en voltam ugyan kisdobos is es uttoro is (bar mindkettot utaltam) de se KISZ tag se elvtars nem lettem
(#) pb hozzászólása Feb 16, 2008 /
 
helló
tudna valaki segíteni abban hogy ezt a kapcsolást hogyan lehetne a legegyszerűbben +-40voltról üzemelni? jah az előerősítőnek +-15volt körül kell

Köszi
(#) lamalas válasza pb hozzászólására (») Feb 16, 2008 /
 
Mondjuk zeneres stabilizatorral.
(#) pb válasza lamalas hozzászólására (») Feb 16, 2008 /
 
és a zener diódák hány ma-t tudnak?
Mondjuk szetem ez a kapcsolás max 20ma-nál többet úgysem fog fölvenni
Következő: »»   112 / 2581
Bejelentkezés

Belépés

Hirdetés
XDT.hu
Az oldalon sütiket használunk a helyes működéshez. Bővebb információt az adatvédelmi szabályzatban olvashatsz. Megértettem