Fórum témák
» Több friss téma |
Sziasztok!
Van egy Acer V193W monitorom, ami a szokásos 2-3 s utáni kikapcsolásos hibát produkálja. De: Kondik rendben, bekapcs után a kék bekapcsolt állapot led világít, nem a sárga, viszont az inverter dim és pw-on lábairól eltűnik a feszültség, amikor lekapcsolja magát. A kapcsolási rajzon semmi visszacsatolást nem láttam, hogy a vezérlő ic lekapcsoltathatná magát a scalerrel. Mi és hol lehet a hiba? Előre is köszi a válaszokat...
Stornó...
Rossz volt a leírásom, másik ic van benne, egész más kapcsolás... (pedig pont ehhez a típushoz való szervizleírás volt ami megszívatott, grrrr...) Szóval megkapta a tápot a pw-ont és a dim-et is. A fénycsővel volt gebasz, illetve az oda vezető zsinórral... Azért köszi Buvarruha...
Ezért nem használok szervízkönyveket, meg rajzokat, mert ritkán fedik a valóságot., mindíg csak megszívattam magam velük..
Üdv!
Nekem olyan gondom volna, hogy a monitort nem tudom bekapcsolni, vagyis nem ad ki fényt a led ha bedugom. Végignéztem a panelt és van feszkó rajta a kondik is jók ahogy elnézem. Van olyan hogy a mikrokapcsoló bektrepált? Vagy más lehet a gond?
Sziasztok!
Sehol nem kapok 480mm ccfl csövet. Szerintetek helyettesíthetem 19" monitor új fénycsővel? Az új fénycső mérete 400mm, szóval kisebb. Mindet cserélném, az érdekel hogy előbb tönkremegy e ez a fénycső? Esetleg elrontja e az inverter panelt? Köszi a válaszokat!
Technikailag cserélheted, de a 8 centiméter(!) az nagyon nagy eltérés, a sarkai sötétek lesznek.
Igen, elég gyakori, hogy a nyomógombok közül valamelyik hibás, de nem megszakadni szoktak, hanem alapálapotban is vezetni. És nem feltétlenül a bekapcsológomb, hanem bármelyik gomb átvezethet és eesetben sem tudja már értelmezni a processzor a még jól működő gomb jelét sem.
De, kapsz.
Szállítás alatt van, ott lesz náluk egy-két héten belül. Bővebben: Link A hozzászólás módosítva: Jún 30, 2015
..Annyit fűzök hozzá, hoyg az átvezetés néhánytíz-száz kOhm esetén már hibát tud produkálni, ekkora méréshatárban nézd végig a gombokat.
Hívtam őket, és nem biztos hogy lesz. Köszönöm a válaszokat.
Szerintem ezt ne nekem mond.
Amúgy a Megohm-os átvezetéstől is simán megőrülnek, sőt gyakran találkozok olyannal.
Van egy Asus monitorom. Az összes problémája annyi : a gyárilag extra feszesre berakott nyomogombhoz tartozó fólia megszakadt és sehol sem akarják megoldani a bekötést. Szerencsére bekapcsolva maradt igy használható , de semmit sem állit. Lehet barkács módon bekötni új gombokat ? A szakadásig sosem volt szétszedve. Nem cáfolta az egyik szerelő aki szétszedte az állitásomat.
Ezt fényképezd le légyszíves, mert hallottam már valakitől valami fóliáról, de még nem láttam ilyet és el sem tudom képzelni, hogy miről van szó.
A monitorom képe homályos.és ojan mintha lassú lenne a válasz idő.
Akkor megintcsak a kijelző döglött, klasszikus tünetek.
Ez biztos?mert ha mondjuk az egeret mozgatom akkor huzza magaután mintha egyszerre több kurzor lenne.de a menü is igy viselkedik.
Sziasztok!
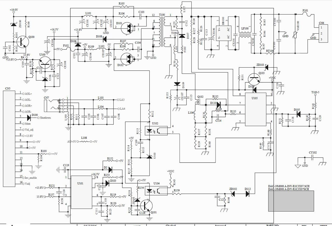
Kb egy hónapja kérdeztem egy monitorral kapcsolatban. Akkor utána nem foglalkoztam vele, mert nem volt időm, de most van kedvem és időm is. Átnéztem a tápot, hogy miért nem kapja meg a 10V-ot a táp ic, de sajnos nem sikerül rájönnöm a pontos okára. Átnéztem az IC egyes lába és a trafó közötti elemeket, de nem találtam hibát. Ezért most tanácstalan vagyok kicsit. csatoltam egy táp rajzot, ami a legjobban hasonlót az enyémre. Azzal a különbséggel, hogy nálam a D109 után közvetlenül megy a vezetőszál az ic tápjához. D109-en mérve az előbb, 6 és 7,4V között ingázik a feszültség. Nem hirtelen ugrálva, hanem lassan felmegy, valamikor kicsit vissza csökkenve. Mi lehet a baja, illetve mit csináljak vele, hogy elinduljon a vezérlés? Köszi és üdv: spgabor
Adj labortápról 11V-ot az IC-nek (ne legyen hálózaton közben) és nézd, hogy mekkora áramot eszik.
Az előbb megnéztem, de nem eszik sokat 0,01A-t csak.
Nem nyúltak meg az ellenállások amik kezdetben töltik a kondit AC-ről? A trafó visszatápláló szekundere nem szakadt? A soros ellenállást elenőrizd még, ami sorban van a fet-el (2W-os), az azon eső feszültséget figyeli a IC, az szokott még megszakadni.
Sziasztok!
Van egy Dell 1701FP monitorom, nem mai darab és már van pár idegesítő hibája: - Képernyő vibrál, néha kicsit besötétül a kép ilyenkor sípoló hangot ad ez inkább az első percekben jellemző utána jó. Bizonyos színeknél jobban vibrál. - Néha előfordul hogy kb 10x meg kell nyomni a bekapcsoló gombot hogy bekapcsoljon egyébként csak 1 pillanatra villan egyet. Ez is inkább már akkor jellemző, ha ment előtte. Ha bekapcsol utána magától nem kapcsol már ki. - Kb 5 perc után a gombjaira (kikapcsoló, menü) nem reagál. - A szellőzőknél lehet hallani hogy állandóan ciripel kicsit. Mi lehet a gondja és mennyi lenne kb a javítása?
Ezek lehetnek hervadt kondik, fénycső forrasztásai, vagy inverter forrasztásai miatt fellépő jelenségek. A gombkezelés érdekessége vagy legelsőre utal szintén, vagy egy újabb hiba, melegedés, öregedés miatt. Szedd szét, lássuk, mi van benne.
Előbb bele kell kucskucskálni, így látatlanba azt mondanám, hogy alaposan át kell kondenzátorozni, tetőtől talpig.
Pedig van benne vagy negyven egynéhány elko.
Mérd meg a DC-DC konverterek utáni tápfeszültséget. Amikor nem akar indulni rendesen látni fogod, ha leesik a feszültség, de amúgy esélyes, hogy maga a külső táp a hibás.
Itt sem invertert, sem tápegységet nem látok, amiről szó volt.
A bal oldalon van pár kapcsolóüzemű stabilizátor, azok kimeneti kondijai gyanúsak lehetnek, de nem kell mind a negyvenakárhány cseréjét vízionálni.
Bocs, hogy beleszólok, de műszerrel nem mindig fogja látni az olyan mértékű esést, ami az elektronikának már bőven gondot okozhat. Ha halódik a szűrés, nem is feltétlenül esni fog a feszültség, hanem zajosodni, miközben a DC átlagértéke bőven tűrésen belül lesz a műszer kijelzőjén.
|
Bejelentkezés
Hirdetés |




Szállítás alatt van, ott lesz náluk egy-két héten belül.
Amúgy a Megohm-os átvezetéstől is simán megőrülnek, sőt gyakran találkozok olyannal. 








