Fórum témák
» Több friss téma |
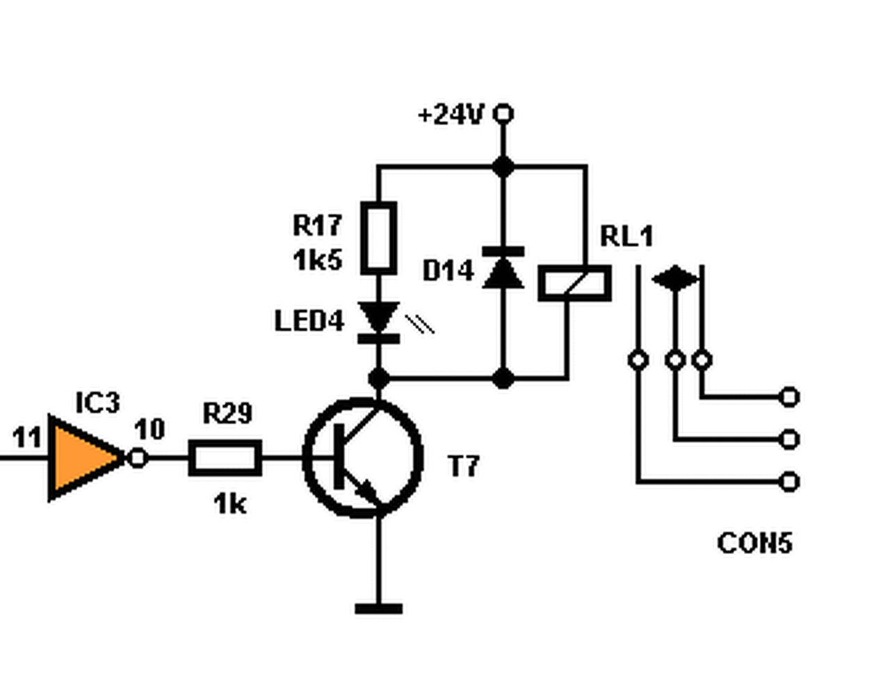
Már a kérdésből éreztem, hogy másról lesz szó. Te a nyomtató port kimeneteit akarod vezérlésre használni, hogy bírjon némi terhelést. Az egyik rajzomból kivágott részlet alkalmas a feladatra. Az IC3 10-es lába a port egyik bitjének felel meg, a relé helyett tehetsz kisebb motort. A 24V a relé tekercsének felel meg, ha a motorod 6V-os, akkor oda annyit táplálj. A tranzisztornak kell elbírnia a motor áramát, aszerint kell megválasztani - nagyobb áramokhoz logikai FET szükséges (vagy két tranzisztorral darlington kapcsolás).
Az lesz, bár az adatlap címsora hibás: Bővebben: Link
Köszönöm a segítséget! Még nagyon kezdő vagyok, úgyhogy egy kicsit letudnád nekem butítani?
BÚÉK Urak...
Lenne egy ilyen Eeprom-om: MPR-13913-F 834200A A kérdésem az lenne, hogy ez mekkora kapacitású és mivel lehet helyettesíteni. Legfőbb képen ablakossal szeretném helyettesíteni, ha lehet a M27-es sorozatból. Nem találok róla túl sok adatot. Előre is köszi.. Ilyen az IC: Bővebben: Link A hozzászólás módosítva: Jan 4, 2016
Talán a tartalmazó készülékrő lehet rajzot találni, abból visszakövetkeztethető. Amit látok róla, ez egy Sega maszk ROM, de -gondolom- ezt már tudod.
Közben egy bios programban megtaláltam, hogy mi lehet a megfelelője:
Idézet: A baj csak az, hogy ez nem 40lábú... „MPR-13913-F (834200A) EPR-12368-52 (27C256)” A hozzászólás módosítva: Jan 4, 2016
A 4200 a típusszám végén 4Mbit -es típusra utal, a DIP40 tokozás pedig 16 bites szervezésre. Kicsit méregetni kellene: Mekkora a tápfeszültsége, milyen a lábkiosztása, stb.
MSM27C402, M27C4002, HN27C4000, AM27C4096, uPD27C4000 BÚÉK mindenkinek!Ha van köztetek aki felismeri ezt a dolgot, kérem homályosítson fel. A két nyák össze van kötve. Gondolom az egyik a táp panelja, mert van rajta egy TLC555 és egy IRFZ34N. A másik panelen a ledek vannak és 6 csatlakozó, ami 6 db szabadon forgatható mágneses golyókhoz megy. Ez valami egészség hülyeség (mert a lábakat kell rátenni a mágnesek fölé) de nem működik. Gondolom a mágnesek forognak ide-oda és aki bolond az elhiszi, hogy ér is valamit. Viszont jó drága volt és a gyártó sem derül ki. Az IRFZ alapból melegszik, akkor is ha a másik panel le van húzva róla. Nem tudom az-e a rossz de arra gondolok, hogy talán igen. Az elektronikai boltban IRFZ 34N (ami nem volt nekik) helyett 44-est adtak, mondván, hogy az erősebb. Ami igaz is de az ellenállása vagy 15-20 Mohm míg a 34-nek csak 0, valahány Ohm. Gondolom nem mindegy. Az egész egy pár Voltos dugasztápról meg. A probléma típushiba lehet mert van egy másik elektronika is, aminek szintén ez a baja. Mondjátok, mi lehet ez és hogyan működhet? A hozzászólás módosítva: Jan 4, 2016
LM3915 de gondolom ez csak a Ledeket vezérli. Igen, mOhm lesz valóban csak megtévesztett, hogy az egyiknél a datasheet Rds(on) 0,040 Ohm ír a másiknál Rds(on) 17,5 mOhm. Ezt néztem Mohmnak . De sajna nem tudom mi ez és hogyan kell működjön, illetve, hogy valóban az IRFZ a rossz mert melegsziK? Mindenesetre, máris okosabb lettem a hozzászólásod által.
Mi egyfázisú Röntgengépekbe használtunk ilyet. (Csak abban 12 db volt belőle.)
Üdv uraim! Új ember, egy lehet hogy "volt már" kérdéssel. Van egy kis 2.1 hangrendszerem, utóbbi időben apróbb hibákkal küszködik, javítgatom, alakulgat. Viszont van rajta a TDA7377-en kívül 2db. IC alábbi felirattal: 4558D JRC 5052T. No, ők apró, 8 lábú "pókok". Ők mik, és mi funkciót látnak el?
Bővebben: Link
Gondolom a mély szűréséhez kell.
Valamire biztos jó lesz, majd most az adatlap alapján kibogarászom, köszöntem szépen. A mély viszont direkte a TDA-ról jön. (Nem én terveztem, bár lehet úgy jobban járnék) Még egyszer köszönöm az infot.
Uraim, tudtok nekem olyan Eeprom-ot ajánlani amely 16bites és minimum 4Mbit tárolására képes?
Természetesen ennél nagyobb is, jó, de a lényeg az lenne, hogy 5v-ról lehessen írni és olvasni, ne keljen +táp. Ablakos memóriát váltana, ha meg tudom oldani. Fontos, hogy a lábszáma meglegyen, tehát ne Serial vagy I2C legyen mert ahhoz kellene valami külön vezérlő áramkör. Továbbá fontos lenne, hogy beszerezhető legyen és ne túl drága.. Amatőr felhasználása lenne, szóval csak okosan ![]() Előre is köszi..
Nem kérsz kicsit sokat?
Párhuzamos sok lábas? Nem irigyellek. Jobban járnál egy microcontroller - soros kombóval. Akár SD kártya, bár sebességet nem írtál. Esetleg ez még szóba jöhet. A hozzászólás módosítva: Jan 6, 2016
Igen közben rájöttem én is, hogy ez ebben a felállásban nem lesz jó.
Flash memória lesz a nyerő.. MX29-es családban vannak megfelelőek. 4, 8, 16, 32Mbit-es-ek is amik 8 és 16biten is tudnak tárolni. Most az MX29F1610/15-össökkel szemezgetek. A hozzászólás módosítva: Jan 6, 2016
Üdvözlet!
Elnézést a zavarásért. Meg tudná vki mondani hogy ez mi? Nem igazán értek hozzá csak be kellene azonosítsam. A segítséget előre is köszönöm.
Bár pont ilyet nem láttam, de szerintem szovjet katonai relé. Mérjél ellenállást a lábak közt, abból kiderülhet melyik a behúzó tekercs. De lehet illesztő trafó is...
A hozzászólás módosítva: Jan 7, 2016
Köszönöm!
Sziasztok! Talán ebbe a kategóriába tartozik. Segítséget szeretnék kérni.
Adott egy Thomson DPL680HT házimozi erősítő, a végfok táprészén az U1 jelű 5 lábú alkatrész szétment. Nem olvasható a típusa. Nem találtam használható rajzot hozzá. Válaszokat Köszönöm!
Valamilyen STR vagy STRS szabályzó IC. Az a baj, hogy ugyanilyen tokozással legalább 50 féle létezik.
Szia!
Itt van rajz hozzá. Várd meg, amíg a "processing" helyén megjelenik a "Get Manual" felirat, majd kattints rá.
Bár ha jól látom, akkor a tápegység nincs benne. A lerobbant darab nincs meg?
Üdv mindenki
Találtam egy Orosz oldalt még nem néztem át mindent de STR-t láttam PDF formátum az egész alkatrész dokumentum . STR PDF Üdv |
Bejelentkezés
Hirdetés |






BÚÉK mindenkinek!











