Fórum témák
» Több friss téma |
Sziasztok!
Keresném a mellékelt képen látható feszültségszabályzó belső kapcsolási rajzát. Ez egy 350-es Java-ból való. Sajna meghibásodott, az egyik tranzisztor elpusztult (azt már kiforrasztottam, csere alatt van), valamint a képen pirossal keretezett alkatrész. A problémám, hogy nem tudom mi lehet az, mit rakjak a helyébe. Szerintem valami zéner lehet, csak az értékét is jó lenne tudni. Kérem, aki tud segítsen! Köszönettel: metabo123
Sikerült orvosolni a problémát, új csatlakozok cseréjével.
Hi Mesterek!
Erről tudnátok valamiyen bekötést, vagy esetleg kapcsolási rajzot ajánlani? Elöre is köszönöm a segítséget!
Szevasz! Ez "kétfázisú" lendkerék mágnes gerjesztésű generátor szabályzója. A tekercselést kb. úgy kell elképzelni, mintha egy trafó szekunder tekercsén egy középpont kivezetés lenne. A két szélén, ami a G-G kétszeres, a "csillagpont-R" és bármelyik széle közt szimpla feszültséget mérünk. A szabályzó háza a negatív. Ezen van egy-egy tirisztor anódja, ami a G-G re csatlakozik. Az R a +B-n visszajön és az akkura megy, a szabályzó nyák-panelra nincs is bekötve. A tekercsvégek felváltva "tolják" az áramot. A tirisztorok mint vezérelt diódák dolgoznak. Így tud az áramkör szabályozni. A "C" kapcsolt (gyújtás) pozitív, innen veszi a feszültség referenciát, valamint a szabályzó-vezérlő áramkör tápellátását is. Az "L" egy 2W körüli kontrollámpa, aminek a másik fele gyújtás pozitívon van. Lehet, hogy egy mórickarajz szemléletesebb lenne?
Hát itt a mórickarajz. Annyival kiegészíteném, hogy a tekercselés több sorbakötött elemi tekercsből áll, a lendkerékben is több mágnes van, de leegyszerűsítve így is lehet ábrázolni. Ezt a töltési rendszert (Lombardini) diesel munkagépekben szokták használni, bár én egyszer régi olasz motorkerékpárban is találkoztam ilyennel. Az akkuhoz menő töltőszálban olvadóbiztosító is van, amely megfelelő méretezésnél megvédi a generátor tekercsét egy tirisztor esetleges zárlatánál, mert ha az akkuból vissza tud folyni áram,az leégetheti a tekercset.
Ha esetleg a belső kapcsolás is érdekel javításhoz vagy utánépítéshez, lehet, hogy elő tudok kotorni kapcsolási rajzot is.(Egyszer régebben kibontottam ilyet és lerajzoltam.) Csak ahhoz egy kis türelmet kérek, mert meg is kell keresni.
Szervusztok! Egy vegyes gerjesztésű dinamómnak elszállt a szabályzója. Van valami konyhakész szabályzó rajzotok? A dinamó 24V 400W-os. Ahogy látom, az eredeti szabályzó a soros gerjesztő tekercset söntölgette szabályzás gyanánt, a párhuzamosat meg állandóan gerjesztette. Ez butaságnak tűnik, lehet, hogy rosszul silabizálom a huzalozást. Köszi
Egy jog feszültség szabályzóját be kötöttem egy töltőbe mért van az hogy rá mértem és 12v volt rajta ha beraktam egy 1k ellen állást terhelésnek akkor 15 körül volt jó ez így? Fesz szabályzó ha fel van töltve az aksi akkor nem tölt tovább?
Sziasztok.Lenne egy hatalmas nagy kérdésem,amire a segítséget nagyon megköszöném...Van egy 50cc Honda Mtx-em.Elszállt benne a fesz szabályzó,mert verte ki az izzókat.Vettem egy másikat,a csoki ugyanaz,de teljesen máshogy van bekötbe.Én levágtam a 4 vezetéket,és a fehérek(generátor) egyetlen helyre tudtam tenni,amivel leszabályozta a reflektoromat.De nem műkszik az index,a féklámpám... A feszültségszabályzón sehol nem mérek egyenáramot,se semmit kifelé.. van aki találkozott ilyen problémával????
Szia Baxi! Bekem is hasonló gépre (japán kistraktor) kellene feszültségszabályzó. Érdeklődnék, hogyan működik ez a verzió? Mekkora kapacitású aksit használtak hozzá? Amennyiben jó, hálás lennék egy rajzért.
Üdv. Béla
Sziasztok!
A segítségeteket szeretném kérni egy Kymco Super 8 50cc négyütemű robogó utángyártott feszültségszabályzójának bekötésében. Vásároltam egy a robogómmal kompatibilis Teknix fesz.szabályzót. Sajnos azonban az öt pólusú csatlakozón a vezetékelés teljesen más logika szerint történt, szemben a gyárival. Egyes vezetékek színek szerint fel vannak cserélve. Szerintetek bátran rádughatom az utángyártott fesz.szabályzót a robogó elektromos rendszerére jelenlegi állapotában, vagy célszerű lenne a vezetékeket a gyárinak megfelelően, a színeket követve felcserélnem? Sajnos nagyon nem vagyok otthon az eletronikában. Multiméterem van, ha tudtok segíteni a pontos kimérésben, hogy mit hol hogyan és hová kell, talán magam is meg tudom oldani a problémát. Előre is köszönöm a segítségeteket.
Hali, konkrétan ehhez a motorhoz adták a szabályzót? Véleményem szerint ha a multimétert rádugod az akksira, figyeled az alapfeszt rajta, majd pillanatra rádugod az új szabályzót, és ha 13,5V körül mutat, akkor jó, ha nem akkor valószínű, hogy szín szerint kell összekötni, citrom a citrommal, narancs a rózsaszínnel, többi pedig értelem szerűen ugyanaz a szín. Javítsatok ha tévedek!
Martin
Nem kell kísérletezni. Szín szerinti bekötés a megfelelő, szóval át kell rendezni kicsit a csatlakozót.
Köszönöm a válaszodat, ahogyan Martinét is. Szín szerinti átrendezéssel próbálkozom.
Ha nem tudtok neki segíteni, akkor ne mondjatok olyat, amivel kinyírhatja a cuccot. Multiméter diódavizsgáló funkciójával egyértelműen kimérhető, hogy melyik vezetéket hova kell kötni. A kínai cuccok színkiosztásában nem bíznék.
A robogó stekkerén is azonosak a színek a gyárival? Itt méréssel meg lehet állapítani erenként a bekötést. Ilyen kis köbcentis robogónál kizárnám, hogy háromfázisú lenne. Akkor a három fázis azonos színű lenne. Szerintem(szerelési tapasztalatból) a zöld a test (a távol keleti "klónok" általában a Honda színjelölését követik, ott mindig a zöld a negatív) piros: állandó pozitív feszültség(töltés) , fekete: kapcsolt feszültség (referencia, gyújtás-pozitív) , sárga-narancs : egyfázisú tekercsrendszer két kivezetése.
Az utángyártott szabályzón valóban diódavizsgálóval kellene a színeket a mérés elkezdésénél figyelembe véve megállapítani a helyes bekötést. Ha a szabályzó sönt jellegű, négy dióda, ha soros jellegű, két dióda mérhető ki. A hozzászólás módosítva: Okt 23, 2015
Igen a robogó stekkerén a gyárival teljesen megegyezőek a színek, elrendezésük tekintetében is.
Sajnos elektronikában nem vagyok otthon, így elnézést ha értetlennek tűnök, csak nagyvonalakban tudom értelmezni a válaszod, azonban szeretnék biztosra menni. Le tudnád írni nekem hogy pontosan vezetékszín szerint mit kellene kimérnem. Dióda nyitófeszültséget pontosan hol kell mérnem, illetve milyen irányban? (a multiméter pozitív és negatív oldalát hová kellene helyeznem a pontos méréshez?) Hozzávetőlegesen milyen eredményeket kellene kapnom?
Mérés a szabályzón: multiméter negatív kivezetése a piroson, ezután a pozitív kivezetéssel végigtapogatni a többi kivezetést. Ha a tekercs hozzácsatlakozásokat eltalálod, kb.0.5V-ot mutat a műszer. Ennyi egy-egy dióda nyitóirányú feszültségesése. Ez megérzésem szerint a sárgánál és a narancsnál teljesül. (A zsinórokat megfordítva végtelen, ekkor dióda záróirány) Ugyanezt a mérési módot kell eljátszani a zöld és a többi között, ha itt is kapsz két nyitóirányt a sárgára, narancsra, biztos ezek a tekercsvégek csatlakozásai, feltéve, ha sönt jellegű a szabályzó. (Én annak sejtem, a sorost inkább alacsony fordulatszám tartományú diesel munkagépeken szokták alkalmazni) A zöld nagy valószínűséggel a szabályzó házával is összesípol: belül össze szokták kötni. A motor stekkerét értelemszerűen a műszer 20V-os DC állásban kell mérni : a már korábban elmondott állandó és kapcsolt feszültségek ellenőrzése. A tekercs kivezetései a testtől el vannak szigetelve, de egymáshoz képest kis ellenállást mutatnak: itt ohmmérés. Beindított motornál két tekercsvég között feszültség AC állásban fordulatszámtól függő váltó feszültség mérhető. Magasabb fordulaton ez akár 50-80V-ig is felmehet.Mérésnél ekkor szabályzó ne legyen rajta!
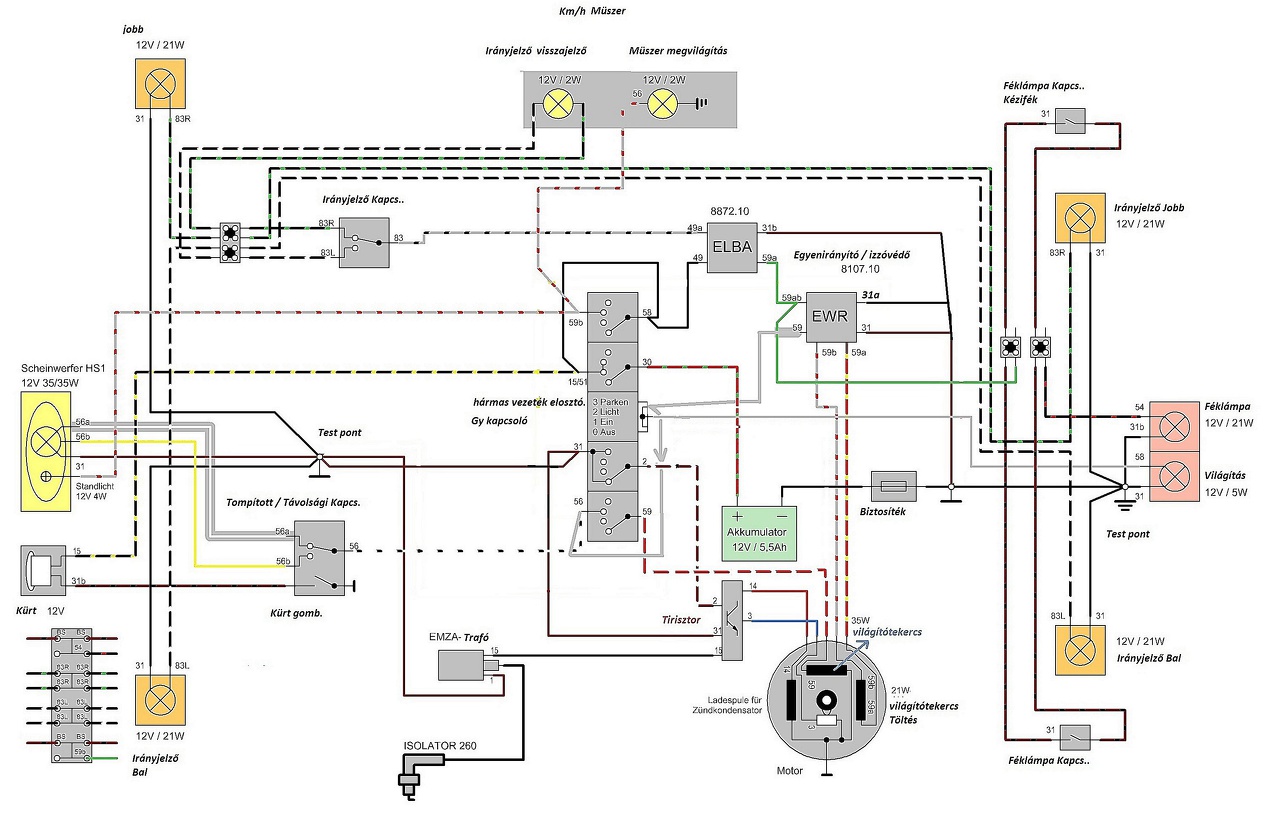
Sziasztok
Hozzáértők segítségére lenne szükségem. Adott egy simson s51c1 ami ezen rajz szerint van bekötve. Az érdekelne hogy az EWR és ELBAt ki iktatnám, és megoldható lenne a töltés egy ducati energia gyújtáshoz használatos feszültség szabályzóval? Esetleg graetz kocka közbeiktatásával. Vagy valami más módon megoldható lenne? Köszi..
Sziasztok
Egy kis segítségre volna szükségem ,Jawa 350 -es töltését kell renbe raknom.A generátoron adott a 3 fázis,X,Y,Z-vel jelölve valamint egy 86-os kivezetés ez mi célt szolgál? Találtam kapcsolási rajzokat,de elég silány minőségben,nem tudok rájönni. Kösz!
A képen látható fesz szabályzó ha aku felvan töltve le kapcsol?
A hozzászólás módosítva: Okt 28, 2015
Nagyon szépen köszönöm a részletekbe menő leírást. Ennek alapján sikerült a fesz.szabályzó minden pontját kimérni, illetve beazonosítani. Mai napon be is kötöttem az új fesz.szabályzót és újra van töltés a motoron.
Szia! Így néz ki megépítve EZ a gyári kapcsolás. A zénerek fogják beállítani a megfelelő töltőfeszültséget.
Ezt tudom! Amikor az aksi feltöltődik akkor a tirisztor kikapcsol hogy ne töltse túl az aksit?
Pontosabban: a feltöltött akku feszültségnél a tirisztor nem tud már bekapcsolni.
Mi határozza meg hogy hány amperrel töltsön?
Sziasztok!
Kicsit kilóg a témából, de remélem azért elfér. Erősítsétek meg a diagnózisomat. Van egy Yamaha TZR 125-öm. Mikor megvettem nem figyeltem meg a világítást rendesen. Hazaérve azt tapasztaltam, hogy nagyon gyengén világít. Elkezdtem keresgetni a hibát. Egyfázisú tekercsről van szó. A tekercs egyik vége a testen, másik vége a feszültség szabályzón keresztül tölti az aksit. A tekercs meg van csapolva. Az felel a világításért. A világítás szálat a feszültség szabályzó páthuzamosan söntöli. Tapasztalatok: - Első lámpa bekapcsolva, feszültség szabályzó rádugva. Így olyan 4-9V közti értékeket mérek (fordulatszám függvényében)(lámpánál mérve AC-ben). - Első lámpa bekapcsolva, feszültség szabályzó lehúzva. Így már fel szökik a feszültség 12V-ra a lámpánál. - Első lámpa kikapcsolva, feszültség szabályzó lehúzva. Így mértem a tekercseket. Eléri a 40-50V-ot is. Ebből arra következtetek, hogy a feszültség szabályzó jó. A gond a tekercsel lehet. Menetzárlat? Testelési hibát kizárnám, mivel a tekercsből jövő test szál és a motor váza közt nem tudtam ellenállást mérni. Ha menetzárlat, akkor érdemes foglalkozni az újra tekerésével, vagy inkább cseréljem? |
Bejelentkezés
Hirdetés |














