Fórum témák
» Több friss téma |
A szúnyogriasztó, amit segítségetekkel még tavaly megterveztem, a kivitelezés előtti állapotában van.
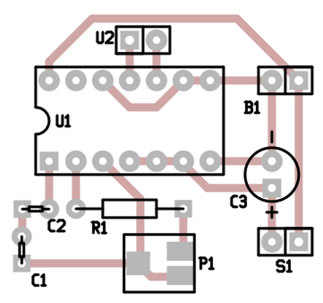
A végső kapcsolási rajz és a NYÁK képei a mellékelt képeken vannak. Jó lesz?
Hello! Nincs tápja az IC-nek! 7-es mínusz, 14-es plusz..
Kijavítottam. Most jó?
( Ezek csak exportált képek, méretarányuk nem 1:1. ) A hozzászólás módosítva: Júl 25, 2015
Így van, ez most jó. De amúgy a két soros kondira semmi szükség. Ha nem lenne egy trimmer is a körben amivel a freki beállítható, akkor azt gondolnám, hogy a frekvencia pontos beállítása miatt kell. De így a kettő helyett 1db. 3,3nF bőven megteszi..
Szia! A táp most már jó, de van pár dolog, ami az előzőben jó volt, itt meg már nem. A C1 C2 rövidre lett zárva, az IC 1-es és 3-as lába szintén, és az S két lába is. És az IC 3-as lába sincs a helyére kötve. Ezeket javítsd ki, úgy rendben lesz.
Milyen igazad van! Én csak azt néztem, bekötötte-e a tápot..
Javítgatom. Tapasztalatlan kezdő vagyok. Én a gEDA és a pcb programokat használom NYÁK tervezéséhez. Ebben sincs gyakorlatom, csak kitartásom.
Majdnem. Az U1 14-es lábát az S1 2-es lábára kösd. Nem ismerem az általad említett két programot, de ha a kapcsolási rajz és a nyákterv között nincs egy egységes netlista, akkor ezek nem alkalmasak nyáktervezésre, inkább még így az elején keress normális programo(ka)t a feladatra. Azok között is van egyszerű. Ezzel így csak kínlódás lesz később is a munka.
Köszönöm! Gondoltam is, hogy a netlistával van a baj. De, legalább, ha egyszer megértem a netlista helyes megadását, akkor már menni fog. Ahhoz meg az elektronika szabályait kell megértenem. Azt meg nem helyettesítheti egyik tervező program sem. Én meg annyit kínlódok vele, amennyi csak jólesik nekem.
Az utolsó mondatban egyetértünk. Itt sokan vagyunk ezzel így, és nincs is ezzel semmi gond, sőt. Viszont olyannal nincs értelme kínlódni, aminek nincs haszna, vagy nem lehet belőle tanulni. A netlistával manuálisan semmit nem kellene foglalkoznod. A korábban csatolt kapcsolási rajzod alapján a programnak kellene generálnia, amit a nyáktervező csont nélkül beimportál. A nyáktervező onnantól kezdve nem is engedne "hibás" nyáktervet létrehozni. Ennek ebből a szempontból nincs köze az elektronika szabályaihoz. Az csak a kapcsolási rajz elkészítéséhez szükséges, de az nálad már adott. Nem is értem, mit akarsz a netlistán megadni... Ezért javasoltam, hogy próbálj olyan programot keresni (még az elején), ahol a kapcsolási rajzból automatikusan készül a nyáktervező számára beolvasható netlista, hogy ezzel ne neked kelljen törődnöd. Így te a valóban lényeges dolgokkal foglalkozhatsz. Szerintem jobban jársz, ha rögtön az elejétől egy "normális" programmal kezdesz megismerkedni. Persze még mindig te döntöd el, mit teszel... Ez csak egy észszerű javaslat volt...
A hiba ugyanaz, mint az előzőben. Az IC 14-es lábát kösd össze a 4-5-6-os lábakkal, a felső vezetősávot pedig töröld ki. Valamint proli007 javaslatára a C1+C2 kondikat egy darab 3,3nF-ra érdemes lenne lecserélni. Kisebb felület, kevesebb lyuk, persze maradhat is, bajt nem okoz.
Na, ezt nem értem. Az IC 14-es lába a VDD, annak miért kéne csatlakoznia az IC 4-5-6 -os lábaihoz?
Mert ugyan arra a plusz tápfeszültségre kapcsolódik mindegyik..
Értem. Akkor ez így már jó.
A hozzászólás módosítva: Júl 27, 2015
Elkészítettem! Köszönöm szépen a segítséget!
Csak azt tudnám, hogy vajon a potméter hosszú rúdját levághatom-e rövidebbre, hogy a gombját ráhúzva, a gomb a doboz közelében legyen? Néhány kép: A hozzászólás módosítva: Aug 3, 2015
Előbb próbáld ki. Elég hatékony e a zavarás. Lehet megy a fiókba, akkor kár a potiért.
Simán levágható, de fogadd meg pjg tanácsát!
Légyszi majd számolj be a működéséről, hogy tényleg elijeszti-e a szúnyogokat, mert tudtommal elég sok nem működőképes kapcsolás kering a neten.
Természetesen, majd beszámolok a riasztó működéséről. A napokban esett némi eső, ezért várható a szúnyoginvázió. Jelen pillanatban még egy fia szúnyog nem sok, annyi sincs errefelé.
Én többet is kipróbáltam, igazán egyik sem működött.
Beszámoló! Amikor bekapcsolom a riasztót, akkor a 20KHz-es végénél nagyon magas hangot hallok. Aztán följebb tekerem a potmétert a 60KHz felé, akkor már nem hallom, természetesen. Ez így működött az első napokban, s ekkor még nem volt szúnyog sem a közelben. Aztán ezen a héten elutaztam olyan helyre, ahol már volt 4-5 szúnyog. Bekapcsolva hagytam a riasztót pár óra hosszat - olyan 40 KHz körül, s mit hallottam, mikor visszatértem? Hallottam a sipító hangot. Mi van? Én már ilyen jól hallom az ultrahangokat? Na, nem. Akkor ezek szerint ez a hangszóró egy darabig bírja, aztán lecsökken neki a frekvenciája? Van ilyen? A riasztó most már egyre gyorsabban romlik, azaz hamarabb hallom a 60KHz-re beállítva a sipítást, mint korábban. Megmagyarázná ezt valaki?
A hozzászólás módosítva: Aug 14, 2015
Hello! Inkább az elem merült le, és azzal egyidőben csökkent a frekvencia is. Vagy az ócska kerámia kondik kapacitása változik a hőmérsékletre. Oda inkább stiroflex kondi illene.
A hozzászólás módosítva: Aug 14, 2015
Újratölthető 9V-os elemmel működtetem. Egy-két nap alatt lemerülhet?
Jó, akkor az ócska kerámia kondenzátorokat cserélem le.
Jóslás helyett, én inkább rámérnék az elemre.. A kerámia kondik között sok van, aminek kapacitása "nagyon" változik hőfokra. De ha pld. tápfeszültség hidegítésre van használva, nem számít a dolog. Néha azért kötnek sorba/párhuzamosan két kondit, hogy a hőegyütthatókat kiegyenlítsék. De akkor az nem két egyforma típusú, hanem különböző és egyik hőegyütthatója pozitív, másiké negatív. ÉS ügyesen megválasztva a kapacitás arányát ki lehet hozni nulla közelébe.. De ezt csak tanulság miatt írom, itt egy "jobb minőségű" kondi, bőven megfelel, lévén, hogy az IC oszcillátorának is van hőfok és feszültség függése. A szúnyogban meg remélhetőleg nincs digitális frekimérő..
|
Bejelentkezés
Hirdetés |

























