Fórum témák
» Több friss téma |
Köszönöm kedves kolléga a gyors és szakmailag nehezen kifogásolható hozzászólást. (Tényleg kösztönöm
)Utóbb én is rájöttem, hogy ez invertál. Mindenesetre a kérdés az, hogy kend mit javasolna a probléma megoldásához? Offset kompenzálós műv.er. használata job lehetne? Az járható út, hogy a panelon előállítok az erősítő számára +- tápot.
Ha olcsó megoldást szeretnél, akkor két OP07-et. A negatív tápot elő lehet állítani a panelen is az 5V-ból pld. egy ICL7660-al. De A MAXIM és LINEAR kínálatából lehet precíziós kis offset feszültségű típust választani. Az offset kompenzálása megoldható, de az jelentősen rontja az offset drift paramétert.
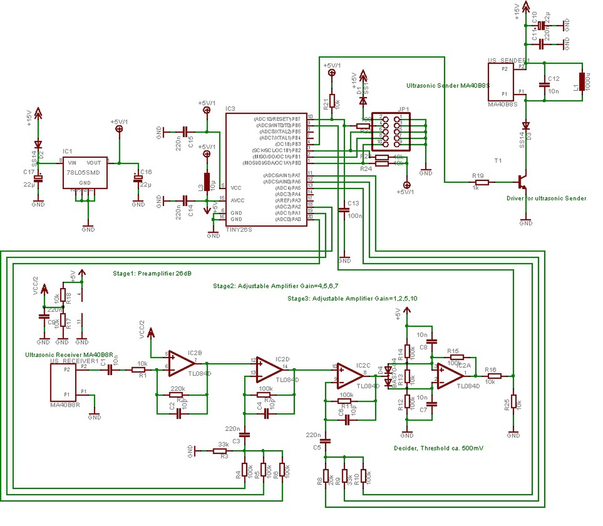
Sziasztok, az alábbi képeken lévő kapcsolás érdekelne, annak is az alsó részén az ultrahangos vevő és a mögötte lévő 4db műveleti erősítő. A különbség az első műveleti erősítő bekötésében van, a "muv1" képen lévő megoldás elvileg érzékenyebb (távolabbról is érzékeli a visszavert ultrahangot) ezért ezt szeretném megépíteni. A kérdéseim:
1- miért jobb/érzékenyebb a "muv1" képen lévő megoldás? 2- mi a szerepe az egyes erősítőknek, miért kell 4, melyik mi célt szolgál? A két középső OP-AMP erősítése elvileg állítható a uc-ről az ellenállásokra feszültséget kapcsolva.
Hello! Meg kellene ismerkedni a műveleti erősítők lelkivilágával..
1. Mert amíg az első kapcsolás bementi fokozatának erősítése 48-szoros, a második-é 22. 2. Az első előerősít, a második és harmadik változó erősítésű, a negyedik egy komparátor. De a tervezői elképzelést ha lehet ne rajtunk kérd számon. Egyébként meg nem mindegy hány erősítő fokozat van, mikor a TL084-ben egy tokban eleve négy van? Az erősítés állítása vélhetően nem feszültségek rákapcsolásával történik (mert arra nem lenen semmi változás), hanem a porta kimenetének Tree-State állapotának ki-be kapcsolásával.
Szia, köszi a választ! Igen folyamatban van az ismerkedés a műveleti erősítőkkel
![]() Annyit sikerült nekem is kiszámolni hogy 48-szoros az erősítés, viszont azt nem tudom mi célja van, hogy az ultrahangos vevő átkerült a "-" ról a "+" bemenetére az erősítőnek.
Talán a bemeneti impedancia? Olyanja is van egy műveleti erősítőnek.
Azt javasolták, itt kérdezzem meg, hogy hogy lehetne az utolsó előtti rajzban lévő K2 kapcsolót automatizálni.?
Sziasztok! Adott egy aktív hangváltó, amiben egy +/-12V tápegység található, ami műveleti erősítőket táplál. Ki- és bekapcsoláskor nagyon csúnya jeleket szokott küldeni a hangfrekvenciás erősítőnek, az volna a kérdésem hogy valahogy ki lehetne-e ezt küszöbölni?
Hello! Építesz hozzá, egy ilyenkoppanás védelmet, mint a hangszóróhoz szoktak. Csak a DC védelem nem kell bele. Vagy is a T5-öt és attól balra eső részt elhagyod. Ez 24V-os, így a +-12V-ra kötheted. Azt a legcélszerűbb terhelni a relével.
Mivel itt úgy sincs annyira nagy áram nem lehetne valami erős félvezetőkkel és zener diódával esetleg megoldani?
Szerintem inkább oldalanként egy-egy BF244, vagy BF245 -ös fetekkel oldd meg, annak elég egy késleltetett negatív feszültség a rácsára. Amíg nincs negatív a rácson, addig némít. Hasonlóan ahhoz, mint amit a Videoton rádióerősítőiben alkalmaztak.
Szia! Azért nem találsz kész megoldást, mert nem szükséges. A hangváltót mindig előbb helyezzük áram alá mint a végerősítőt, illetve később kapcsoljuk ki.
Félvezetők egy jel útjában, mindig minőségromlást okoznak. Hiszen mint kapcsolók, a munkapontjuk nem lineáris szakaszában dolgoznak. De ahogy Reloop is írja, más irányból is megközelíthető egy probléma.
Nem a jelet akarom kapcsolni, hanem a feszültséget. Igen hangosításnál mindig a végfokot kapcsoljuk be utoljára, de azért biztonságból szeretném hogy simán induljon. Ezt a hangváltót szinte csak otthon használnám.
Nem egészen érthető. Ha a váltó tápját kapcsolod, akkor ugyan úgy dörrenhet, mint most. Mi a különbség. Egy végfok tápját meg nem szokás kapcsolgatni DC oldalon..
Szó sincs itt végerősítőről, csak azon agyaltam, hogy mi volna ha a műveleti erősítő csak késletetve kapna feszültséget, miután a puffer feltöltődött. Volna valami haszna?
Annak semmi. Mikor feléled, akkor ugyanúgy tranziensek lesznek a kimeneten. Nem jó irányból közelíted a problémát.
Koppanásgátló áramkör kell bele, ami a kimeneteket ugyanúgy késleltetve hapcsolja, mint egy végfoknál. Egy miniatűr kétáramkörös relével, meg 2-3 tranzisztorral megoldható a probléma. A másik megoldás -ha nem szeretnél relét (relé érintkezőt) a jel útjába- a zajzár, ami két jFET és pár alkatrész. Ezt is, meg a koppanásgátlást is írtuk már, más megoldás nem lesz.
Nagy valószínűséggel nem. Tekintve hogy kettős tápfeszültséged van, arra van a műveleti erősítőnek a legjobb tápfeszváltozás elnyomása. Viszont egy szűrőben, főleg ha alacsony frekvenciás, jelentős RC időállandók lehetnek. Mire azzal a visszacsatolás beállítja a munkapontot, akár (többször is) tápfeszig viheti a kimenetet. Ez ellen nehéz védekezni, csak bekapcsolás alatti visszacsatolás létrehozásával. De ez áramkörileg sokkal macerásabb, mint amit eddig is ajánlgattunk.
Sziasztok!
Van egy érzékelőm ami DC 20mV-ot ad aktív állapotban, 0-át inaktívban. Szintillesztés után ezzel kéne egy 5V relét kapcsolgatnom. Csak egyszeres táp áll rendelkezésre. Milyen műveleti erősítős kapcsolással lehetne megoldani ezt legegyszerűbben?
Szia. Komparátoros kapcsolás 10mV-os komparálási szintre belőve, kimenetére a relé vagy az őt meghajtó tranzisztor. Esetleg hiszterézis is bele, ha kell.
Időközben erre gondoltam: Schmitt-trigger (értékek nincsenek kiszámolva) ez használható lenne? Mert a szimuláció szerint működhet, de annak nem mindig hiszek.
Nekem első pillantásra úgy tűnik, ez így nem működhet. A nem invertáló bemeneten kb. 3 V jelenik meg, amit a 20 mV-os V1 soha nem fog meghaladni, a műveleti erősítő kimenete nem fog átbillenni. Nem nagyon imerem az LM324 -et, de kicsit rizikós a 20 mV ilyen irányú érzékelése, nagyon közel van a nullához.
Lényegében mindegy milyen műveleti erősítőt használok csak beraktam egyet a tervezőbe.
Lenne esetleg egy rajzod amit működőképesnek találsz és amiből kiindulhatok.
Szia! Az érzékelőből jövő 0V az egy feszültségszint, vagy szakadást jelent? A kapcsoló ugyanis erre utal.
Elnézést a hevenyészett rajz miatt, a lényeg azonban látható. Ha a figyelni kíván feszültség csak nulla és 20 mV lehet, akkor nem nagyon kell hiszterézis. Az invertáló bemeneten beállítasz 10 mV-ot és készen is vagy. Műveleti erősítő helyett azonban ilyen feladatra jobb a komparátor, annak sokkal határozottabb a kimenete, ami többnyire nyitott kollektoros.
Ha csak egyszeres táp áll rendelkezésre, akkor a szinteket el kell tolni. Az a baj, hogy a műveleti erősítők és a komparátorok a tápfeszültségek közelében eléggé érzéketlenek, bizonytalan lehet a kapcsolás.
Igen a rajzon hibás a kapcsoló bekötése igazából nem szakadás van hanem 0v.
Köszi Bakman kiindulási pontnak jó de ezzel a szimmetrikus táp egyszeressé alakításával, szint dologatással nem vagyok tisztában.
Az egyszeres táphoz LM358-as IC-t használhatsz, Bővebben: Link
Szerk.: komparátorral. A hozzászólás módosítva: Aug 23, 2015
Ha meg akarod magad kímélni a meglepetésektől, komparáláshoz komparátort használsz. (cipőt a cipőboltból)
A műveleti erősítős komparátornak számos buktatója van, amire figyelni kell. Ráadásul a komparátornak nyitott kollektoros kimenete van, (amit fel kell húzni) ami minden további nélkül közösíthető, ill. egy kisáramú relét közvetlen meg is tud hajtani.
Köszönöm a segítségeteket, megfogadom a tanácsot!
Üdv!
Némi segítségre lenne szükségem. A csatolt kapcsolás feladata lenne levonni 200mV-ot, majd szorozni 3,7-el. Szimulációban remekül teszi a dolgát, de megépítve nem tudom letekerni a potit annyira, hogy csak 200mV-ot vonjon. Tehát, ha a VM4-et beállítom 270mV-ra. A VM3 akkor is 670mV felett lesz.
|
Bejelentkezés
Hirdetés |




)










